| Périodicité d'entretien | Procédure d'entretien |
|---|---|
| À chaque utilisation ou une fois par jour |
|
Cette machine est une tondeuse autoportée multi-usage prévue pour les utilisateurs professionnels employés à des applications professionnelles. Elle est principalement conçue pour l'entretien régulier des pelouses dans les parcs, les terrains de sports et les espaces verts professionnels. L'utilisation de ce produit à d'autres fins que celle prévue peut être dangereuse pour vous-même et toute personne à proximité.
Lisez attentivement cette notice pour apprendre comment utiliser et entretenir correctement votre produit, et éviter ainsi de l'endommager ou de vous blesser. Vous êtes responsable de l'utilisation sûre et correcte du produit.
Rendez-vous sur www.Toro.com pour tout document de formation à la sécurité et à l'utilisation des produits, pour tout renseignement concernant un produit ou un accessoire, pour obtenir l'adresse des concessionnaires ou pour enregistrer votre produit.
Pour obtenir des prestations de service, des pièces d'origine Toro ou des renseignements complémentaires, munissez-vous des numéros de modèle et de série du produit et contactez un concessionnaire-réparateur agréé ou le service client Toro. La Figure 1 indique l'emplacement des numéros de modèle et de série sur le produit. Inscrivez les numéros dans l'espace réservé à cet effet.
Important: Avec votre appareil mobile, vous pouvez scanner le QR code sur l'autocollant du numéro de série (le cas échéant) afin d'accéder aux informations sur la garantie, les pièces détachées et autres renseignements concernant le produit.

Les mises en garde de ce manuel soulignent des dangers potentiels et sont signalées par le symbole de sécurité (Figure 2), qui indique un danger pouvant entraîner des blessures graves ou mortelles si les précautions recommandées ne sont pas respectées.

Ce manuel utilise deux termes pour faire passer des renseignements essentiels. Important pour attirer l'attention sur des informations d'ordre mécanique spécifiques et Remarque pour souligner des informations d'ordre général méritant une attention particulière.
Ce produit est conforme à toutes les directives européennes pertinentes. Pour plus de renseignements, reportez-vous à la Déclaration de conformité spécifique du produit fournie séparément.
Vous commettez une infraction à la section 4442 ou 4443 du Code des ressources publiques de Californie si vous utilisez cette machine dans une zone boisée, broussailleuse ou recouverte d'herbe à moins d'équiper le moteur d'un pare-étincelles, tel que défini à la section 4442, maintenu en bon état, ou à moins de construire, équiper et entretenir le moteur de manière à prévenir les incendies.
Le manuel du propriétaire du moteur ci-joint est fourni à titre informatif concernant la réglementation de l'Agence américaine pour la protection de l'environnement (EPA) et la réglementation antipollution de l'état de Californie relative aux systèmes antipollution, à leur entretien et à leur garantie. Vous pouvez vous en procurer un nouvel exemplaire en vous adressant au constructeur du moteur.
Si cette machine est équipée d'un système télématique, demandez conseil à votre distributeur Toro agréé pour savoir comment l'activer.
CALIFORNIE
Proposition 65 - Avertissement
L'état de Californie considère les gaz d'échappement des moteurs diesel et certains de leurs composants comme susceptibles de provoquer des cancers, des malformations congénitales et autres troubles de la reproduction.
Les bornes de la batterie et accessoires connexes contiennent du plomb et des composés de plomb. L'état de Californie considère ces substances chimiques comme susceptibles de provoquer des cancers et des troubles de la reproduction. Lavez-vous les mains après avoir manipulé la batterie.
L'utilisation de ce produit peut entraîner une exposition à des substances chimiques considérées pas l'état de Californie comme capables de provoquer des cancers, des anomalies congénitales ou d'autres troubles de la reproduction.
Ce produit peut sectionner les mains ou les pieds et projeter des objets. Respectez toujours toutes les consignes de sécurité pour éviter des blessures graves.
Vous devez lire et comprendre le contenu de ce Manuel de l'utilisateur avant de démarrer le moteur.
Accordez toute votre attention à l'utilisation de la machine. Ne faites rien d’autre qui puisse vous distraire, au risque de causer des dommages corporels ou matériels.
N'utilisez pas la machine s'il manque des capots ou d'autres dispositifs de protection, ou s'ils sont défectueux.
N'approchez jamais les mains ou les pieds des pièces rotatives. Ne vous tenez pas devant l'ouverture d'éjection.
N'admettez personne, notamment les enfants, dans le périmètre de travail. N'autorisez jamais les enfants à utiliser la machine.
Avant de quitter la position d'utilisation, coupez le moteur, enlevez la clé et attendez l'arrêt complet de tout mouvement. Laissez refroidir la machine avant de la régler, d'en faire l'entretien, de la nettoyer ou de la remiser.
L'usage ou l'entretien incorrect de cette machine
peut occasionner des accidents. Pour réduire les risques d'accidents
et de blessures, respectez les consignes de sécurité
qui suivent. Tenez toujours compte des mises en garde signalées
par le symbole de sécurité (
) et la mention Prudence,
Attention ou Danger. Le non respect de ces instructions peut entraîner
des blessures graves ou mortelles.
![]() |
Des autocollants de sécurité et des instructions bien visibles par l'utilisateur sont placés près de tous les endroits potentiellement dangereux. Remplacez tout autocollant endommagé ou manquant. |





Modèle avec cabine seulement















Autocollant 144-3952 : apposer sur l'autocollant 139-6215 (comme indiqué dans les Instructions d'installation du kit CE) dans les pays conformes CE (modèles 31900 et 31901 seulement).

Retirez les vis qui fixent les moyeux des roues arrière sur la palette.
Coupez l'attache-câble qui retient l'arbre d'entraînement sur les roues arrière.
Déposez les roues arrière de la plate-forme d'expédition.
Relevez l'arceau de sécurité ; voir Déploiement de l'arceau de sécurité.
Attachez un palan sur la partie supérieure centrale de l'arceau de sécurité et soulevez la machine.
Retirez la plate-forme d'expédition au bas de la machine.
Placez 2 chandelles sous l'arrière de la machine, comme montré à la Levage de l'arrière de la machine.
Descendez la machine sur les chandelles.
Pièces nécessaires pour cette opération:
| Roue arrière | 2 |
| Écrou de roue | 8 |
Fixez la roue sur le moyeu avec 4 écrous de roue (Figure 3).

Serrez les écrous de roue ; voir Serrage des écrous de roues.
Note: Cette procédure est obligatoire pour assurer la pose correcte des bras de levage.
Placez des chandelles sous les tubes de cadre latéraux avant pour soulevez les roues avant ; voir (Levage de l'avant de la machine).
Desserrez et retirez les écrous de roue (Figure 10).

Déposez les roues des moyeux (Figure 10).
Pièces nécessaires pour cette opération:
| Bras de levage droit | 1 |
| Bras de levage gauche | 1 |
| Grand axe | 2 |
| Boulon (⅜" x 2¾") | 2 |
| Écrou (⅜") | 4 |
| Petit axe | 2 |
| Boulon (⅜" x 1¼") | 2 |
| Graisseur | 2 |
Note: Avec l'aide d'une autre personne, installez les bras de levage suivant les besoins.
Enlevez les bras de levage de la palette d'expédition.
Utilisez 2 grands axes pour installer les bras de levage sur le cadre de la machine (Figure 5).

Montez les graisseurs sur les grands axes (Figure 5).
Avec 2 écrous (⅜") et 2 boulons (⅜" x 2¾"), fixez les grands axes sur le cadre (Figure 6).

Effectuez les opérations suivantes pour fixer les vérins hydrauliques aux bras de levage :
Placez un bac de vidange sous le collecteur hydraulique (montré à la Figure 7).
Note: Une petite quantité de liquide hydraulique devra être purgée pour permettre la rétraction manuelle des vérins de levage.

Desserrez l'écrou pivotant du flexible relié à l'orifice C1 du collecteur hydraulique (Figure 8).

À l'aide d'un pointeau, alignez les trous des tiges de vérin et les trous des bras de levage (Figure 9).
Note: Levez complètement le bras de levage pour faciliter l'alignement.

Avec 2 boulons (⅜" x 1¼"), 2 écrous (⅜") et 2 petits axes, fixez les bras de levage aux vérins (Figure 9).
Serrez l'écrou pivotant de flexible sur l'orifice C1 (Figure 8) à 41 N·m.
Note: Utilisez une clé d'appui pour empêcher le flexible de vriller.
Graissez les joints articulés de l'outil et des bras de levage ; voir Graissage des roulements et bagues.
Fixez les roues sur les moyeux à l'aide des écrous de roues retirés précédemment (Figure 10).

Serrez les écrous de roue ; voir Serrage des écrous de roues.
Pièces nécessaires pour cette opération:
| Anneau d'arrimage | 1 |
| Boulon (⅜" x 3¼") | 2 |
| Écrou (⅜") | 2 |
Avec 2 boulons (⅜" x 3¼") et 2 écrous (⅜"), fixez le support d'attache sur la plate-forme (Figure 11).

Pièces nécessaires pour cette opération:
| Kit siège (à commander séparément ; contactez votre distributeur Toro agréé) | 1 |
Montez le siège ; voir les Instructions d'installation du kit siège.
Pièces nécessaires pour cette opération:
| Volant | 1 |
| Couvre-moyeu | 1 |
Déposez le volant du support d'expédition (Figure 12).

Retirez l'écrou Nylock et la rondelle de l'arbre de direction.
Note: Vérifiez que la bague en mousse reste bien sur l'arbre de direction (Figure 12).
Glissez le volant et la rondelle sur l'arbre de direction (Figure 12).
Maintenez le volant en place et fixez-le sur l'arbre de direction avec l'écrou de Nylock. Serrez l'écrou Nylock à un couple de 27 à 35 N·m.
Posez le couvre-moyeu sur le volant (Figure 12)
Pièces nécessaires pour cette opération:
| Pare-chocs | 1 |
| Boulon (⅜" x 2¾") | 2 |
| Boulon (⅜" x 3¼") | 4 |
| Écrou (⅜") | 6 |
Enlevez le pare-chocs de la palette d'expédition.
Fixez légèrement la partie supérieure du pare-chocs au cadre de la machine à l'aide de 4 boulons (⅜" x 3¼") et 4 écrous (⅜"), comme montré à la Figure 13.

Fixez légèrement le pare-chocs sous le cadre de la machine à l'aide de 2 boulons (⅜" x 3¼") et 2 écrous (⅜"), comme montré à la Figure 13.
Serrez les fixations à un couple de 37 à 45 N·m.
Branchez la batterie ; voir Branchement de la batterie.
Pièces nécessaires pour cette opération:
| Outil en option (à commander séparément ; contactez votre distributeur Toro agréé) | 1 |
| Vis à tête creuse (⅜") | 2 |
| Rondelle (⅜") | 2 |
| Contre-écrou à embase (⅜") | 2 |
Important: Lorsque vous changez d'outil, vérifiez auprès de votre distributeur Toro agréé le nombre correct de masses arrière nécessaires pour cet outil spécifique.
Montez l'outil frontal (par ex. unité de coupe, unité à fléaux, lame de déneigement ou souffleur) ; effectuez les opérations suivantes et consultez les instructions d'installation supplémentaires dans le Manuel de l'utilisateur de l'outil.
Soutenez l'arbre d'entraînement, puis retirez la vis et le contre-écrou qui fixent la chape de l'arbre sur le support de fixation du distributeur de direction (Figure 14), et abaissez l'arbre avec précaution.
Note: Mettez au rebut la vis et l'écrou.

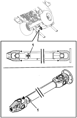
Assurez-vous que l'arbre de la PDF est aligné ; voir Alignement de l'arbre d'entraînement de la PDF.
Demandez à une autre personne de s'asseoir sur le siège, tournez la clé à la position CONTACT et utilisez la commande de levage de l'outil pour abaisser les bras de levage pendant que vous appuyez sur les bras.
Alignez les trous du bras de levage et les trous du bras de l'outil comme décrit dans les Instructions d'installation de l'outil.
Alignez les cannelures de la chape de l'arbre d'entraînement et celles de l'arbre d'entrée de l'outil (Figure 15), puis glissez la chape sur l'arbre.

Insérez une vis à tête creuse (⅜" x 2¼") dans une rondelle (⅜") et dans le trou de la chape de l'arbre d'entraînement (Figure 16), et fixez la vis en place avec un contre-écrou à embase (⅜").

Insérez une vis à tête creuse (⅜" x 2¼") dans une rondelle (⅜") et dans le trou de la chape de l'arbre d'entraînement en passant par l'autre côté (Figure 16), et fixez la vis en place avec un contre-écrou à embase (⅜").
Serrez les contre-écrous progressivement et alternativement à 61 N·m.
Avant le tout premier démarrage du moteur, contrôlez les niveaux suivants :
Contrôlez le niveau d'huile moteur ; voir Contrôle du niveau d'huile moteur.
Contrôlez le niveau de liquide de refroidissement ; voir Contrôle du circuit de refroidissement et du niveau de liquide de refroidissement.
Contrôlez le niveau de liquide hydraulique ; voir Contrôle du niveau de liquide hydraulique.
Contrôlez la pression des pneus ; voir Contrôle de la pression des pneus.
Important: Tous les pneus doivent être gonflés à la pression correcte pour garantir de bons résultats et de bonnes performances. Veillez à toujours utiliser une pression de gonflage suffisante.
Pièces nécessaires pour cette opération:
| Kit CE (à commander séparément ; contactez votre distributeur Toro agréé) | 1 |
Si vous utilisez la machine dans un pays qui applique les normes CE, installez le kit CE ; voir les Instructions d'installation du kit.
Pièces nécessaires pour cette opération:
| Masse – 19 kg (le nombre varie selon le modèle) | |
| Masse – 6 kg (le nombre varie selon le modèle) |
Recherchez dans le tableau suivant la masse qui est expédiée avec chaque machine :
| Modèle | Masse arrière expédiée |
| 31902A | 0 masse |
| 31903A | 5 masses (19 kg chacune) et 2 masses (6 kg chacune) |
Assurez-vous que votre machine est équipée du nombre minimum de masses arrière pour le groupe de déplacement et l'outil associés. Sur le modèle 31902A, vous pouvez aussi ajouter d'autres masses arrière pour améliorer les performances sur les pentes.
Pour déterminer le nombre minimum de masses nécessaires, voir le tableau Nombre minimum de masses arrière nécessaires.
Pour améliorer les performances sur les pentes, ajouter le nombre correct de chaque masse, comme indiqué dans le tableau Nombre de masses arrière nécessaires pour un meilleur fonctionnement sur les pentes.
Pour assurer le fonctionnement correct du système ROPS, n'ajoutez pas plus de masses que le nombre indiqué dans ce tableau.
Note: Si un kit CE est monté sur la machine, voir les Instructions d'installation du kit pour connaître l'autocollant d'inclinaison adéquat pour l'ensemble groupe de déplacement et outil. Veillez à ajouter le nombre correct de masses arrière (masses pour satisfaire la norme d'inclinaison requise ou masses pour améliorer le fonctionnement sur les pentes).
| Numéro de modèle du groupe de déplacement | Numéro(s) de modèle ou nom de l'outil | Nombre de masses nécessaires | ||
|---|---|---|---|---|
| 19 kg | 6 kg | Total | ||
![]() | ![]() |
|||
| 31902A | 31970, 31971, 31974 | 0 | 0 | 0 |
| 31970, 31971, 31974 et pare-soleil | 0 | 0 | 0 | |
| 31972, 31973, 31975 | 0 | 0 | 0 | |
| 31972, 31973, 31975 et pare-soleil | 1 | 0 | 1 | |
| 02835 | 1 | 0 | 1 | |
| 02835 et pare-soleil | 1 | 0 | 1 | |
| Brosse rotative M-B | 1 | 0 | 1 | |
| 31903A | 31970, 31971 | 5 | 2 | 7 |
| 31972, 31973 | ||||
| 02835 | ||||
| MSC23345 | ||||
| Brosse rotative M-B | ||||
| Fraise à neige Erskine | ||||
| Numéro de modèle du groupe de déplacement | Numéro(s) de modèle ou nom de l'outil | Nombre de masses nécessaires | ||
|---|---|---|---|---|
| 19 kg | 6 kg | Total | ||
![]() | ![]() |
|||
| 31902A | 31970, 31971, 31974 | 4 | 0 | 4 |
| 31970 et pare-soleil | 4 | 0 | 4 | |
| 31971, 31974 et pare-soleil | 3 | 0 | 3 | |
| 31972, 31973, 31975 | 3 | 1 | 4 | |
| 31972, 31973, 31975 et pare-soleil | 2 | 0 | 2 | |
| 02835 | 2 | 2 | 4 | |
| 02835 et pare-soleil | 1 | 0 | 1 | |
S'il s'avère nécessaire d'ajouter une masse arrière, contactez votre concessionnaire Toro agréé pour vous procurer des masses supplémentaires, et reportez-vous aux procédures d'installation suivantes :
Serrez les fixations de la tige de verrouillage de masse sur le pare-chocs.

Ajoutez le nombre de masses nécessaires.
Serrez les fixations de la tige de verrouillage pour fixer la masse sur le pare-chocs.
Adressez-vous à votre distributeur Toro agréé pour commander les pièces suivantes :
| Nom de pièce | Quantité | Réf. |
| Vis (⅜" x 3½") | 2 | 116-4701 |
| Rondelle | 2 | 125-9676 |
| Écrou (⅜") | 2 | 104-8301 |
Serrez les fixations pour fixer les masses sur le pare-chocs (Figure 18).

Cette procédure est seulement nécessaire si vous installez un outil autre que des unités de coupe rotatives standard (fraise à neige, lame ou fléau par exemple).
Vous pouvez changer la pression hydraulique utilisée pour transférer le poids de l'outil au groupe de déplacement en réglant la vanne de transfert de poids du collecteur hydraulique. Pour obtenir des performances optimales, réglez la vanne de transfert de poids de manière à minimiser le rebondissement de l'outil sur les terrains irréguliers, mais aussi pour éviter que l'outil pèse excessivement sur les terrains plats ou s'abaisse trop rapidement.
Pour que l'outil suivre plus précisément le relief des terrains irréguliers, réduisez la pression (hydraulique) de transfert de poids sur le collecteur hydraulique.
Note: Si les roues pivotantes de l'outil ou le bord avant de la fraise à neige flottent au-dessus du sol, la pression hydraulique de la vanne de transfert de poids est trop élevée.
Sur les gazons plats, si l'unité de coupe scalpe l'herbe, si la qualité de coupe varie d'un côté à l'autre ou si le bord avant de la fraise à neige est trop agressif, augmentez la pression de transfert de poids sur le collecteur hydraulique.
Note: L'augmentation de la pression de transfert de poids a aussi comme effet de transférer le poids de l'outil aux roues du groupe de déplacement, ce qui améliore la traction du groupe.
Réglez la pression de transfert de poids comme suit :
Faites fonctionner la machine pendant 10 minutes.
Note: Cela permet de réchauffer le liquide hydraulique.
Garez la machine sur une surface plane et horizontale, abaissez l'outil, serrez le frein de stationnement, coupez le moteur et enlevez la clé de contact.
Localisez le collecteur de levage sous la machine (Figure 19).

Branchez un manomètre sur l'orifice de contrôle (identifié par G1 ; voir la Figure 20).

Sur le côté du collecteur de levage, enlevez le capuchon de la prise d'essai (identifiée par G1 ; voir la Figure 20).
Desserrez l'écrou de blocage au bout du tiroir de transfert de poids (identifié par LC ; voir la Figure 20).
Démarrez le moteur et réglez l'accélérateur au régime de RALENTI ACCéLéRé.
Utilisez une clé à douille hexagonale pour régler la vanne d'équilibrage du tiroir de transfert de poids jusqu'à ce que le manomètre indique la pression souhaitée ; recherchez la pression recommandée pour l'outil dans le tableau ci-après.
Tournez la vis de réglage dans le sens horaire pour augmenter la pression.
Tournez la vis de réglage dans le sens antihoraire pour réduire la pression.
| Outil | Pression de transfert de poids |
|---|---|
| Unité de coupe rotative | 17,24 bar |
| Tondeuse à fléaux (modèle nº 02835) | 13,79 bar |
| Fraise à neige | 17,24 bar |
| Lame de déneigement (modèles nº MSC23345 et STB13567B) | 13,79 bar |
| Brosse rotative (1,5 m) | 17,24 bar |
Coupez le moteur et retirez la clé.
Serrez l'écrou de blocage au bout du tiroir de transfert de poids à un couple de 13 à 16 N·m.
Remettez le bouchon sur la prise d'essai.
Retirez le manomètre de la prise d'essai.

Note: Réglez la position du siège avant d'utiliser la machine. Voir les instructions de réglage du siège dans les Instructions d'installation du kit siège.
Appuyez sur la pédale de déplacement (Figure 22) pour déplacer la machine en marche avant ou arrière.
Marche avant : appuyez le bout du pied sur le haut de la pédale.
Marche arrière : appuyez le bout du pied sur le bas de la pédale.
Note: Vous pouvez obtenir un fonctionnement en gardant le talon sur la plate-forme et en appuyant sur la pédale du bout du pied.
La vitesse de déplacement varie selon que la pédale est plus ou moins enfoncée. Pour vous déplacer à la vitesse maximale, appuyez à fond sur la pédale de déplacement après avoir placé la commande d'accélérateur en position HAUT RéGIME. Vitesse de pointe en marche avant :
Modèle 31902A : 23 km/h
Modèle 31903A : 19 km/h
Pour obtenir la puissance maximale quand la machine est chargée ou gravit une pente, placez la commande d'accélérateur en position de HAUT RéGIME et appuyez légèrement sur la pédale de déplacement pour maintenir un régime moteur élevé. Si le régime moteur se met à baisser rapidement, relâchez légèrement la pédale de déplacement pour le faire monter.

Pour incliner le volant vers vous, abaissez le levier d'inclinaison (Figure 22) et tirez le volant vers vous. Relâchez le levier quand le volant est à la position qui vous convient.
Chaque fois que vous coupez le moteur, serrez le frein de stationnement (Figure 16) pour éviter tout déplacement accidentel de la machine.
Serrez le frein de stationnement : tirez le levier vers le haut à la position SERRéE.

Pour desserrer le frein de stationnement : appuyez avec le pouce sur le bouton au bout du levier et baissez le levier à la position DESSERRéE.
Note: Si le levier n'est pas complètement baissé, la machine s'arrête quand vous appuyez sur la pédale de déplacement.
Reportez-vous aux sections suivantes pour une description des commandes présentes sur la console (Figure 24).

Cette commande permet d'élever l'outil à la position la plus haute (position TRANSPORT par exemple) et de l'abaisser à la position la plus basse (position MARCHE par exemple).
Pour élever l'outil : appuyer sur l'arrière de la commande.
Pour abaisser l'outil : appuyer sur l'avant de la commande.
Levez l'outil à la position TRANSPORT chaque fois que vous déplacez la machine d'un lieu à un autre. Baissez l'outil à la position MARCHE chaque fois que vous n'utilisez pas la machine.
Pour engager la PDF : tirez la commande.
Pour désengager la PDF : poussez la commande.
Le seul moment où vous devez engager la PDF est quand l'outil est en position de MARCHE (abaissé au sol, arbre d'entraînement accouplé) et que vous allez commencer à travailler.
Note: Si vous quittez le siège de l'utilisateur alors que la commande de PDF est en position ENGAGéE, la machine coupe automatiquement le moteur ; voir Réinitialisation de la fonction de PDF.
Le commutateur d'allumage a 3 positions : ARRêT, CONTACT/PRéCHAUFFAGE et DéMARRAGE.
Il permet de démarrer ou couper le moteur [voir Démarrage du moteur ou Arrêt du moteur] ou de lire l'information affichée sur l'écran [voir Comprendre les informations sur l'écran d'affichage].
Utilisez la commande pour réguler le régime moteur.
Pour monter le régime moteur : appuyez brièvement sur l'avant de la commande pour faire monter le régime du moteur de 100 tr/min. Appuyez de manière prolongée sur la commande pour faire monter le régime moteur au maximum.
Pour baisser le régime moteur : appuyez sur l'arrière de la commande pour baisser le régime du moteur de 100 tr/min. Appuyez de manière prolongée sur la commande pour baisser le régime moteur au minimum (ralenti).
L'écran affiche des données concernant la machine, comme l'état de fonctionnement, ainsi que divers diagnostics et autres informations.
Voir Comprendre les informations sur l'écran d'affichage pour plus de renseignements sur l'écran d'affichage.

La commande (Figure 25) permet d'actionner ou d'arrêter les essuie-glaces.
Tournez le bouton (Figure 25) pour réguler la vitesse du ventilateur.
Tournez le bouton (Figure 25) pour réguler la température ambiante dans la cabine.
Note: Les spécifications et la conception peuvent faire l'objet de modifications sans préavis.

| Description | Référence de la Figure 26 | Dimensions ou poids | |
| Hauteur avec arceau de sécurité relevé | D | 200 cm | |
| Hauteur avec arceau de sécurité abaissé | C | 111 cm | |
| Hauteur avec cabine | J | 226 cm | |
| Longueur hors tout (sans masses arrière) [modèle 31902A] | Avec outil. | Av | Maximum de 312 cm |
| Groupe de déplacement seulement | H | Maximum de 253 cm | |
| Longueur hors tout (avec masses arrière) [modèle 31903A] | Avec outil. | G | Maximum de 332 cm |
| Groupe de déplacement seulement | I | Maximum de 272 cm | |
| Largeur hors tout | B | Voir Caractéristiques techniques. | |
| Longueur d'empattement | E | 132 cm | |
| Voie des roues avant | A | 136 cm | |
| Voie des roues arrière | 128 cm | ||
| Garde au sol | 21 cm | ||
| Poids net (modèle 31902A) | 860 kg | ||
| Poids net (modèle 31903A) | 1 132 kg | ||
Voir les largeurs suivant l'unité de coupe montée sur la machine dans le tableau suivant :
| Unité de coupe | Largeur |
| Modèle 31970 | 198 cm |
| Modèle 31971 | 168 cm |
| Modèle 31972 | 228 cm |
| Modèle 31973 | 198 cm |
| Modèle 31974 | 158 cm |
| Modèle 31975 | 188 cm |
| Modèle 02835 (fléau) | 218 cm |
Une sélection d'outils et d'accessoires agréés par Toro est disponible pour augmenter et améliorer les capacités de la machine. Pour obtenir la liste de tous les outils et accessoires agréés, contactez votre concessionnaire-réparateur ou votre distributeur Toro agréé, ou rendez-vous sur www.Toro.com.
Pour obtenir des résultats optimaux, utilisez exclusivement des pièces de rechange et des accessoires d'origine Toro. Les pièces de rechange et accessoires provenant d'autres constructeurs peuvent être dangereux et leur utilisation risque d'annuler la garantie de la machine.
Ne confiez jamais l'utilisation ou l'entretien de la machine à des enfants ou à des personnes non qualifiées. La réglementation locale peut imposer un âge minimum pour les utilisateurs. Le propriétaire de la machine doit assurer la formation de tous les utilisateurs et mécaniciens.
Familiarisez-vous avec le maniement correct du matériel, les commandes et les symboles de sécurité.
Avant de quitter la position d'utilisation, coupez le moteur, enlevez la clé et attendez l'arrêt complet de tout mouvement. Laissez refroidir la machine avant de la régler, d'en faire l'entretien, de la nettoyer ou de la remiser.
Apprenez à arrêter la machine et le moteur rapidement.
Vérifiez toujours que les commandes de présence de l'utilisateur, les contacteurs de sécurité et les capots de protection sont en place et fonctionnent correctement. N'utilisez pas la machine s'ils ne fonctionnent pas correctement.
Avant de tondre, vérifiez toujours que les lames, les boulons de lame et les ensembles de coupe sont en bon état de marche. Remplacez les boulons et les lames usés ou endommagés par paires pour ne pas modifier l'équilibre.
Inspectez la zone de travail et débarrassez-la de tout objet pouvant être projeté par la machine.
Faites preuve de la plus grande prudence quand vous manipulez du carburant, en raison de son inflammabilité et du risque d'explosion des vapeurs qu'il dégage.
Éteignez cigarettes, cigares, pipes et autres sources d'étincelles.
Utilisez exclusivement un bidon à carburant homologué.
N'enlevez pas le bouchon du réservoir de carburant et n'ajoutez pas de carburant pendant que le moteur tourne ou est encore chaud.
N'ajoutez pas de carburant et ne vidangez pas le réservoir dans un local fermé.
Ne rangez pas la machine ni les bidons de carburant à proximité d'une flamme nue, d'une source d'étincelles ou d'une veilleuse, telle celle d'un chauffe-eau ou autre appareil.
Si vous renversez du carburant, ne mettez pas le moteur en marche. Évitez toute source possible d'inflammation jusqu'à dissipation complète des vapeurs de carburant.
Contrôlez chaque jour les systèmes suivants de la machine avant de l'utiliser :
Indicateur de colmatage du filtre à air ; voir Entretien du filtre à air
Huile moteur ; voir Contrôle du niveau d'huile moteur
Circuit de refroidissement ; voir Contrôle du circuit de refroidissement et du niveau de liquide de refroidissement
Grille de capot et radiateur ; voir Contrôle des ailettes de refroidissement
Niveau de liquide hydraulique ; voir Contrôle du niveau de liquide hydraulique
Points de graissage de l'arbre de PDF ; voir Graissage des roulements et bagues
| Périodicité d'entretien | Procédure d'entretien |
|---|---|
| À chaque utilisation ou une fois par jour |
|
Spécifications de gonflage des pneus : 1,38 bar
La stabilité de la machine sur les pentes est réduite si les pneus ne sont pas suffisamment gonflés. Celle-ci risque alors de se retourner et de vous blesser, parfois mortellement.
Veillez à toujours utiliser une pression de gonflage suffisante.
Contrôlez la pression des pneus avant et arrière. Ajoutez ou enlevez la quantité d'air nécessaire pour régler la pression de gonflage des pneus à la valeur spécifiée.
Important: Tous les pneus doivent être gonflés à la pression correcte pour garantir de bons résultats et de bonnes performances.Contrôlez la pression de tous les pneus avant d'utiliser la machine.

Important: Utilisez uniquement du gazole à ultra-faible teneur en soufre.Le moteur peut être endommagé si vous ne respectez pas les consignes qui suivent.
N'utilisez jamais de kérosène ou d'essence à la place du gazole,
Ne mélangez jamais de kérosène ou d'huile moteur usagée au gazole.
Ne conservez jamais le carburant dans des récipients dont l'intérieur est galvanisé.
N'utilisez pas d'additifs pour carburant.
Utilisez uniquement du gazole propre et frais ou des carburants au biodiesel.
Pour garantir la fraîcheur du carburant, n'achetez pas plus de la quantité normalement consommée en 180 jours.
Indice de cétane : 40 ou plus
Teneur en soufre : ultra-faible (<15 ppm)
Utilisez du gazole de qualité été (nº 2-D) si la température ambiante est supérieure à -7 °C et du gazole de qualité hiver (nº 1-D ou mélange nº 1-D/2-D) si la température ambiante est inférieure à -7 °C.
Note: L'usage de carburant de qualité hiver à basses températures réduit le point d'éclair et les caractéristiques d'écoulement à froid, ce qui facilite le démarrage et réduit le colmatage du filtre à carburant.L'usage de carburant de qualité été au-dessus de -7 °C contribue à prolonger la vie de la pompe à carburant et augmente la puissance comparé au carburant de qualité hiver.
Cette machine peut aussi utiliser un mélange carburant et biodiesel jusqu'à B20 (20 % biodiesel, 80 % pétrodiesel).
Teneur en soufre : ultra-faible (<15 ppm)
Spécifications du carburant au biodiesel : ASTM D6751 ou EN 14214
Spécifications du carburant mélangé : ASTM D975, EN 590 ou JIS K2204
Important: La partie pétrodiesel doit être à ultra-faible teneur en soufre.
Prenez les précautions suivantes :
Les mélanges au biodiesel peuvent endommager les surfaces peintes.
Utilisez du B5 (teneur en biodiesel de 5 %) ou un mélange de plus faible teneur par temps froid.
Examinez régulièrement les joints et flexibles en contact avec le carburant, car ils peuvent se détériorer avec le temps.
Le filtre à carburant peut se colmater pendant quelque temps après l'adoption de mélanges au biodiesel.
Pour tout renseignement complémentaire sur le biodiesel, veuillez contacter votre concessionnaire Toro agréé.
Capacité du réservoir de carburant : 45 l
Note: Dans la mesure du possible, faites le plein de carburant après chaque utilisation ; cela minimise l’accumulation de condensation à l'intérieur du réservoir.
Garez la machine sur une surface plane et horizontale (Figure 28), serrez le frein de stationnement, coupez le moteur et enlevez la clé.
Dévissez le bouchon du réservoir de carburant.
Versez le carburant spécifié dans le réservoir de carburant jusqu'à ce que la jauge indique qu'il est plein.
Revissez le bouchon sur le réservoir de carburant.

| Périodicité d'entretien | Procédure d'entretien |
|---|---|
| À chaque utilisation ou une fois par jour |
|
Le rôle du système de sécurité est d'empêcher le lancement ou le démarrage du moteur si la pédale de déplacement n'est pas au point mort et si la commande de PDF n'est pas en position DéSENGAGéE. En outre, le moteur doit s'arrêter dans les cas suivants :
La commande de PDF est en position ENGAGéE et vous n'êtes pas assis(e) sur le siège.
La pédale de déplacement est enfoncée mais vous n'êtes pas assis(e) sur le siège.
La pédale de déplacement est enfoncée et le frein de stationnement est serré
Si les contacteurs de sécurité sont déconnectés ou endommagés, la machine peut se mettre en marche inopinément et causer des blessures.
Ne modifiez pas abusivement les contacteurs de sécurité.
Vérifiez chaque jour le fonctionnement des contacteurs de sécurité et remplacez ceux qui sont endommagés avant d'utiliser la machine.
Placez la commande de PDF en position DéSENGAGéE et enlevez le pied de la pédale de déplacement.
Tournez le commutateur d'allumage en position DéMARRAGE. Si le moteur démarre, passez à l'opération 3.
Note: Dans le cas contraire, le système de sécurité est probablement défaillant.
Alors que le moteur tourne, soulevez-vous du siège et placez la commande de PDF en position ENGAGéE. Le moteur doit s'arrêter dans les 2 secondes qui suivent. Si le moteur s'arrête, passez à l'opération 4.
Important: Dans le cas contraire, le système de sécurité est probablement défaillant. Contactez votre distributeur Toro agréé.
Alors que le moteur tourne et que la commande de PDF est en position DéSENGAGéE, soulevez-vous du siège et appuyez sur la pédale de déplacement. Le moteur doit s'arrêter dans les 2 secondes qui suivent. Si le moteur s'arrête, passez à l'opération 5.
Important: Dans le cas contraire, le système de sécurité est probablement défaillant. Contactez votre distributeur Toro agréé.
Serrez le frein de stationnement. Alors que le moteur tourne et que la commande de PDF est en position ENGAGéE, appuyez sur la pédale de déplacement. Le moteur doit s'arrêter dans les 2 secondes qui suivent. Si le moteur s'arrête, cela signifie que le contacteur de sécurité fonctionne correctement ; le système de sécurité est alors prêt pour le fonctionnement de la machine.
Important: Dans le cas contraire, le système de sécurité est probablement défaillant. Contactez votre distributeur Toro agréé.
Le retournement de la machine peut causer des accidents graves voire mortels.
Laissez l'arceau de sécurité relevé et verrouillé en position.
Utilisez la ceinture de sécurité.
La protection antiretournement est inexistante lorsque l'arceau de sécurité est abaissé.
N'utilisez pas la machine sur un terrain irrégulier ou sur une pente avec l'arceau de sécurité est abaissé.
N'abaissez l'arceau de sécurité qu'en cas d'absolue nécessité.
N'attachez pas la ceinture de sécurité lorsque l'arceau de sécurité est abaissé.
Conduisez lentement et prudemment.
Déployez l'arceau de sécurité dès que possible.
Vérifiez précisément la hauteur libre avant de passer sous un obstacle (par ex. branches, portes, câbles électriques, etc.) et évitez de le toucher.
Important: N'abaissez l'arceau de sécurité qu'en cas d'absolue nécessité.
Garez la machine sur une surface plane et horizontale, serrez le frein de stationnement, abaissez l'unité de coupe, coupez le moteur et enlevez la clé.
Retirez les goupilles fendues et les axes de l'arceau de sécurité (Figure 29).
Abaissez l'arceau de sécurité et fixez-le en position avec les axes et les goupilles fendues (Figure 29).


Garez la machine sur une surface plane et horizontale, serrez le frein de stationnement, abaissez l'unité de coupe, coupez le moteur et enlevez la clé de contact.
Retirez les goupilles fendues et les axes de l'arceau de sécurité (Figure 30).
Relevez l'arceau de sécurité et fixez-le en position avec les axes et les goupilles fendues (Figure 30).

L'écran affiche des informations concernant la machine, comme l'état de fonctionnement, ainsi que divers diagnostics et autres renseignements à ce propos. Il y a deux écrans d'information principaux (Figure 31) et l'écran du menu principal.

Ce bouton (montré à la Figure 32) permet d'alterner entre les 2 écrans d'information principaux et d'accéder au menu principal.

Pour accéder au menu principal : appuyez de manière prolongée sur le bouton jusqu'à ce que les options de menu s'affichent.
Pour sélectionner une option de menu : appuyez rapidement deux fois sur le bouton.
Cette action permet aussi d'alterner entre deux choix (par ex. entre les unités métriques ou anglaises dans l'écran RéGLAGES).
Pour revenir à l'écran précédent (par ex. pour retourner à l'écran du MENU PRINCIPAL à partir de l'écran RéGLAGES ou pour retourner aux écrans d'information principaux à partir de l'écran du MENU PRINCIPAL) : appuyez sur le bouton de l'écran d'affichage jusqu'à ce que l'écran précédent s'affiche.
Pour se rendre à l'option de menu suivante : appuyez une fois sur le bouton de l'écran d'affichage.
| Option de menu | Description |
| ANOMALIES | Ce menu contient la liste des anomalies récentes de la machine. Reportez-vous au Manuel d'entretien ou adressez-vous à votre distributeur Toro agréé pour plus de renseignements sur le menu ANOMALIES. |
| ENTRETIEN | Contient des informations sur la machine telles que heures de fonctionnement, données des compteurs et régénération du FAP. Voir le tableau Entretien. |
| DIAGNOSTICS | Énumère les divers états et données en cours de la machine. Vous pouvez utiliser ces informations pour détecter certains problèmes, car il vous indique rapidement quelles commandes de la machine sont activées ou désactivées, et donne la liste des niveaux de commande (par ex. valeurs des capteurs). |
| RéGLAGES | Permet de personnaliser et modifier les variables de de configuration sur l'écran de l'InfoCenter. Voir le tableau Réglages. |
| À PROPOS | Indique le numéro de modèle, le numéro de série et la version logicielle de votre machine. Voir le tableau À propos. |
| Option de menu | Description |
| HOURS | Indique le nombre total d'heures de fonctionnement du commutateur d'allumage, du moteur et de la PDF. |
| COUNTS | Indique le nombre de démarrages du moteur et de la PDF. |
| DPF REGENERATION | Permet de contrôler les paramètres du FAP ; voir Comprendre le filtre à particules diesel et le processus de régénération. |
| Option de menu | Description |
| UNITéS | Permet de choisir les unités utilisées sur l'écran d'affichage. Les unités peuvent être métriques ou impériales. |
| LANGUE | Permet de choisir la langue utilisée sur l'écran d'affichage. |
| RéTROéCLAIRAGE | Permet de régler la luminosité de l'écran d'affichage. |
| CONTRASTE | Permet de régler le contraste de l'écran d'affichage. |
| MENUS PROTéGéS | Permet à une personne autorisée par votre entreprise et connaissant le code PIN d'accéder aux menus protégés (par ex. réglage du capteur d'inclinaison et possibilité d'effacer le journal des anomalies). |
| PROTECTION DES RéGLAGES | Lorsque cette option est désactivée, vous pouvez accéder aux réglages protégés sans entrer le code PIN. |
MANœUVRES![]() | Active ou désactive le mode Manœuvres. Cette option est utilisée avec la tondeuse à fléaux ; voir le Manuel de l'utilisateur de la tondeuse à fléaux pour plus d'informations. |
CAPTEUR D'INCLINAISON INSTALLé![]() | Indique si un capteur d'inclinaison est installé sur la machine ou pas. Si le capteur d'inclinaison est déposé de la machine, ce réglage peut être désactivé afin d'éliminer l'anomalie de communication du capteur. |
| ENGAGEMENT DE LA PDF, BAS RéGIME | Engage ou désengage le mode Engagement de la PDF, bas régime. Cette option est utilisée avec la tondeuse à fléaux ; voir le Manuel de l'utilisateur de la tondeuse à fléaux pour plus d'informations. |
Protégés
sous Menus protégés – accessibles uniquement en
saisissant un code PIN
| Option de menu | Description |
| DECK | Indique que les entrées/sorties de l'unité de coupe sont actives. |
| PTO | Indique si la PDF est active. |
| ENGINE | Indique si les entrées/sorties du moteur sont actives. |
| Option de menu | Description |
| MODèLE | Indique le numéro de modèle de la machine. |
| N° DE SéRIE | Indique le numéro de série de la machine. |
| RéV. LOGICIEL | Indique la version du logiciel du contrôleur principal. |
| MODE CE | Indique si le mode CE est activé ou désactivé. |
Vous trouverez la description de chacune des icônes de l'écran d'affichage dans le tableau suivant :
![]() | Régime moteur |
![]() | Anomalie du moteur |
![]() | Compteur horaire |
![]() | Chauffage d'admission d'air actif |
![]() | L'utilisateur doit s'asseoir sur le siège |
![]() | Frein de stationnement serré |
![]() | Point mort |
![]() | La PDF est engagée |
![]() | La PDF est désengagée |
![]() | Indique l'abaissement des unités de coupe |
![]() | Indique le levage des unités de coupe |
![]() | Code PIN |
![]() | Batterie |
![]() | Température du liquide de refroidissement |
![]() | Demande de régénération commandée-de secours |
| Demande de régénération en stationnement ou d'urgence | |
![]() | Une régénération en stationnement ou d'urgence-de secours est en cours. |
![]() | Haute température de l'échappement |
![]() | Défaillance du diagnostic de détection de NOx ; ramenez la machine à l'atelier et contactez votre distributeur Toro agréé. |
Note: Le code PIN par défaut de la machine est ou « 1234 ».
Si vous changez de code PIN et que vous l'oubliez, adressez-vous à votre distributeur Toro agréé.
Sélectionnez l'option RéGLAGES.
Sélectionnez l'option MENUS PROTéGéS.
Pour saisir le code PIN, appuyez sur le bouton de l'écran d'affichage jusqu'à ce que le chiffre correct s'affiche, puis appuyez deux fois rapidement sur le bouton pour passer au chiffre suivant.
Après avoir entré les quatre chiffres, appuyez une fois sur le bouton de l'écran pour enregistrer le code PIN.
Si le code PIN a été saisi correctement, il s'affiche en haut à droite sur tous les écrans de menu.
Le propriétaire/l'utilisateur est responsable des accidents pouvant entraîner des dommages corporels ou matériels et peut les prévenir.
Portez une tenue adaptée, y compris une protection oculaire, un pantalon, des chaussures solides à semelle antidérapante et des protecteurs d'oreilles. Si vos cheveux sont longs, attachez-les et ne portez pas de vêtements amples ni de bijoux pendants. Portez un masque antipoussière si l'atmosphère est poussiéreuse.
N'utilisez pas la machine si vous êtes fatigué(e), malade ou sous l'emprise de l'alcool, de médicaments ou de drogues.
Accordez toute votre attention à l'utilisation de la machine. Ne faites rien d’autre qui puisse vous distraire, au risque de causer des dommages corporels ou matériels.
Avant de mettre le moteur en marche, assurez-vous que tous les embrayages sont au point mort, que le frein de stationnement est serré et que vous êtes au poste d'utilisation.
Ne transportez pas de passagers sur la machine et tenez tout le monde, y compris les enfants, à l'écart de la zone de travail.
N'utilisez la machine que si la visibilité est bonne pour éviter les trous ou autres dangers cachés.
Ne tondez pas l'herbe humide. La perte de motricité peut faire déraper la machine.
N'approchez jamais les mains ou les pieds des pièces rotatives. Ne vous tenez pas devant l'ouverture d'éjection.
Avant de faire marche arrière, vérifiez que la voie est libre juste derrière la machine et sur sa trajectoire.
Soyez prudent à l'approche de tournants sans visibilité, de buissons, d'arbres ou d'autres objets susceptibles de vous masquer la vue.
Arrêtez les lames quand vous ne tondez pas.
Arrêtez la machine, enlevez la clé et attendez l'arrêt complet de toutes les pièces mobiles avant d'examiner l'outil si vous heurtez un obstacle ou si la machine vibre de manière inhabituelle. Effectuez toutes les réparations nécessaires avant de réutiliser la machine.
Ralentissez et faites preuve de prudence quand vous changez de direction, ainsi que pour traverser des routes et des trottoirs avec la machine. Cédez toujours le passage.
Débrayez l'unité de coupe, coupez le moteur, enlevez la clé et attendez l'arrêt complet de tout mouvement avant de régler la hauteur de coupe (à moins de pouvoir le faire depuis le poste de conduite).
Ne faites tourner le moteur que dans des lieux bien aérés. Les gaz d'échappement contiennent du monoxyde de carbone, qui est mortel en cas d'inhalation.
Ne laissez jamais la machine en marche sans surveillance.
Avant de quitter la position d'utilisation, effectuez la procédure suivante :
Garez la machine sur une surface plane et horizontale.
Désengagez la prise de force et abaissez les outils.
Serrez le frein de stationnement.
Coupez le moteur et retirez la clé.
Attendez l'arrêt complet de tout mouvement.
Utilisez la machine uniquement quand la visibilité est bonne. N'utilisez pas la machine s'il y a risque d'orage.
N'utilisez pas la machine comme véhicule de remorquage.
Utilisez uniquement les accessoires, outils et pièces de rechange agréés par Toro.
Utilisez le régulateur de vitesse (selon l'équipement) uniquement sur les surfaces dégagées, planes et sans obstacles où la machine peut rouler à vitesse constante sans interruption.
Le système ROPS est un dispositif de sécurité intégré et efficace.
Ne retirez aucun des composants du système ROPS de la machine.
Vérifiez que la ceinture de sécurité est bien fixée sur la machine.
Tirez la sangle de la ceinture en travers de votre bassin et accrochez la boucle de l'autre côté du siège.
Pour détacher la ceinture de sécurité, tenez la sangle, appuyez sur le bouton de la boucle et guidez la ceinture dans l'ouverture de l'enrouleur automatique. Apprenez à détacher rapidement la ceinture de sécurité en cas d'urgence.
Vérifiez soigneusement où se trouvent les obstacles en hauteur et ne les touchez pas.
Maintenez le système ROPS en bon état en vérifiant minutieusement et régulièrement s'il est endommagé et en maintenant toutes les fixations bien serrées.
Remplacez les composants endommagés du système ROPS. Ne les réparez pas et ne les modifiez pas.
Une cabine montée par Toro constitue un arceau de sécurité.
Attachez toujours la ceinture de sécurité.
Maintenez l'arceau de sécurité relevé et bloqué dans cette position, et attachez la ceinture de sécurité quand vous conduisez la machine avec l'arceau de sécurité relevé.
N'abaissez l'arceau de sécurité que momentanément et seulement en cas d'absolue nécessité. N'attachez pas la ceinture de sécurité lorsque l'arceau de sécurité est abaissé.
N'oubliez pas que la protection antiretournement est inexistante lorsque l'arceau de sécurité est abaissé.
Examinez la zone de travail à l'avance et n'abaissez jamais l'arceau de sécurité repliable lorsque vous vous trouvez sur une pente, près de fortes dénivellations ou d'étendues d'eau.
Les pentes augmentent significativement les risques de perte de contrôle et de retournement de la machine pouvant entraîner des accidents graves, voire mortels. Vous êtes responsable de la sécurité d'utilisation de la machine sur les pentes. L'utilisation de la machine sur une pente, quelle qu'elle soit, demande une attention particulière.
Vous devez évaluer l'état du terrain, l'étudier et le baliser pour déterminer si la pente permet d'utiliser la machine sans risque. Faites toujours preuve de bon sens et de discernement quand vous réalisez cette étude.
Lisez les instructions ci-dessous relatives à l'utilisation de la machine sur les pentes et examinez votre environnement afin de déterminer si les conditions d'utilisation existantes et le site se prêtent à l'utilisation de la machine. Les variations de terrain peuvent modifier le fonctionnement de la machine sur les pentes.
Évitez de démarrer, de vous arrêter ou de tourner sur les pentes. Évitez de changer soudainement de vitesse ou de direction. Tournez lentement et graduellement.
N'utilisez pas la machine si l'adhérence, la direction ou la stabilité peuvent être compromises.
Enlevez ou balisez les obstacles tels que fossés, trous, ornières, bosses, rochers ou autres dangers cachés. L'herbe haute peut masquer les accidents du terrain. Les irrégularités du terrain peuvent provoquer le retournement de la machine.
Tenez compte du fait qu'une perte de l'adhérence peut se produire sur l'herbe humide, en travers des pentes ou dans les descentes. La perte d'adhérence des roues motrices peut faire patiner la machine et entraîner la perte du freinage et de la direction.
Faites preuve de la plus grande prudence lorsque vous utilisez la machine près de fortes dénivellations, de fossés, de berges, d'étendues d'eau ou autres dangers. La machine pourrait se retourner brusquement si une roue passe par-dessus une dénivellation quelconque et se retrouve dans le vide, ou si un bord s'effondre. Établissez une zone de sécurité entre la machine et tout danger potentiel.
Identifiez les dangers potentiels depuis le bas de la pente. Si vous constatez la présence de dangers, tondez la pente avec une machine à conducteur marchant.
Dans la mesure du possible, gardez la ou les unités de coupe abaissées au sol quand vous utilisez la machine sur des pentes. La machine peut devenir instable si vous levez la ou les unités de coupe pendant son déplacement sur une pente.
Redoublez de prudence quand la machine est équipée de systèmes de ramassage ou d'autres outils. Ils peuvent modifier la stabilité et entraîner la perte du contrôle de la machine.
Le filtre à particules diesel (FAP) élimine la suie dans les gaz d'échappement
Le processus de régénération du FAP utilise la chaleur des gaz d'échappement du moteur qui est accrue par le catalyseur pour réduire la quantité de suie produite en cendre.
Pour maintenir le FAP propre, vous devez :
Faire tourner le moteur à plein régime lorsque cela est possible afin de favoriser le nettoyage automatique du FAP.
Utiliser l'huile moteur correcte.
Minimiser la durée de fonctionnement du moteur au ralenti.
Utilisez du gazole à très faible teneur en soufre.
Utilisez et faites l'entretien de votre machine en gardant à l'esprit le rôle du FAP. Le moteur soumis à une charge produit généralement une température des gaz d'échappement adéquate pour la régénération du FAP.
Important: Minimisez la durée de fonctionnement du moteur au ralenti pour aider à réduire l'accumulation de suie dans le FAP.
La température des gaz d'échappement est élevée (approximativement 600 °C pendant la régénération du FAP. Les gaz d'échappement chauds peuvent vous brûler ou brûler d'autres personnes.
Ne faites pas tourner le moteur dans un local fermé.
Assurez-vous qu'aucun matériau inflammable ne se trouve à proximité du système d'échappement.
Assurez-vous que les gaz d'échappement chauds ne sont pas en contact avec des surfaces qui pourraient être endommagées par la chaleur.
Ne touchez pas les composants du système d'échappement quand il est chaud.
Ne vous tenez pas tout près du tuyau d'échappement de la machine.
| Icône | Définition |
![]() | • Icône de régénération en stationnement ou d'urgence – régénération nécessaire. |
| • Effectuer immédiatement la régénération. | |
![]() | • Indique d'une régénération est confirmée. |
![]() | • Indique qu'une régénération est en cours et que la température des gaz d'échappement est élevée. |
![]() | • L'interdiction de régénération est sélectionnée. |
![]() | • Défaillance du système de détection de NOx ; un entretien de la machine est nécessaire. |
| Type de régénération | Conditions de régénération du FAP | Description du fonctionnement du FAP |
|---|---|---|
| Commandée | Se produit toutes les 100 heures | • Quand l'icône de haute température
des gaz d'échappement est affiché dans l'InfoCenter, une
régénération est en cours. |
| Se produit également si le fonctionnement normal du moteur excède l'accumulation de suie autorisée dans le filtre. | ||
| • Pendant la régénération commandée, le calculateur moteur maintient un régime moteur élevé pour assurer la régénération du filtre. | ||
| • Évitez de couper le moteur pendant que la régénération commandée est en cours. |
| Type de régénération | Conditions de régénération du FAP | Description du fonctionnement du FAP |
|---|---|---|
| En stationnement | Se produit parce que le calculateur détermine que le nettoyage automatique du FAP a été insuffisant. | • Quand l'icône de
régénération commandée-de secours/en stationnement
ou d'urgence s'affiche, une régénération
est demandée. |
| Se produit également quand vous lancez une une régénération en stationnement. | ||
| Peut se produire lorsque l'interdiction de régénération a été déclenchée et a désactivé le nettoyage automatique du FAP. | • Effectuez une régénération en stationnement aussitôt que possible pour ne pas avoir à effectuer une régénération d'urgence. | |
| Peut se produire si vous avez utilisé le mauvais type de carburant ou d'huile moteur. | • L'exécution d'une régénération en stationnement demande 30 à 60 minutes. | |
| • Le réservoir de carburant doit être au moins à moitié plein. | ||
| • Vous devez garer la machine pour effectuer une régénération en stationnement. | ||
| D'urgence | Se produit lorsque vous avez ignoré une demande de régénération en stationnement, ce qui a entraîné un grave colmatage du FAP. | • Quand l'icône de régénération
commandée-de secours/en stationnement ou d'urgence s'affiche, une régénération
d'urgence est demandée. |
| • L'exécution d'une régénération d'urgence peut demander jusqu'à 3 heures. | ||
| • Le réservoir de carburant doit être au moins à moitié plein. | ||
| • Vous devez garer la machine pour effectuer la régénération d'urgence. |
Naviguez jusqu'au menu ENTRETIEN dans le menu principal.
Sélectionnez l'option DPF REGENERATION (régénération du FAP).
Ouvrez le menu DPF Regeneration (régénération du FAP) et naviguez jusqu'à l'option LAST REGEN (dernière régénération).
Dans le champ LAST REGEN, entrez le nombre d'heures de fonctionnement du moteur depuis la dernière régénération commandée, en stationnement ou d'urgence.
Une régénération commandée augmente la température des gaz d'échappement. Si vous travaillez près d'arbres, de broussailles, d'herbe haute ou autres plantes ou matériaux sensibles aux changements de température, vous pouvez utiliser l'option INHIBIT REGEN (interdiction de régénération) pour empêcher le calculateur moteur d'exécuter une régénération commandée.
Note: L'option INHIBIT REGEN est toujours utilisée si vous effectuez l'entretien de la machine dans un local fermé.
Note: Si vous programmez l'InfoCenter pour interdire la régénération, il affiche un avis toutes les 15 minutes tandis que le moteur demande une régénération commandée.
Important: Quand vous coupez puis redémarrez le moteur, l'option Inhibit Regen passe par défaut à OFF (désactivée).
Ouvrez le menu DPF Regeneration (régénération du FAP) et naviguez jusqu'à l'option INHIBIT REGEN (interdiction de régénération).
Sélectionnez le champ INHIBIT REGEN (interdiction de régénération).
Changez le champ Inhibit Regen à On (activé).
Assurez-que le réservoir de carburant de la machine contient suffisamment de carburant pour le type de régénération que vous allez effectuer :
Régénération en stationnement : vérifiez que le réservoir de carburant est au quart plein avant de procéder à la régénération en stationnement.
Régénération d'urgence : vérifiez que le réservoir de carburant est à moitié plein avant de procéder à la régénération d'urgence.
Conduisez la machine à l'extérieur à bonne distance des matériaux ou objets combustibles qui pourraient être endommagés par la chaleur.
Garez la machine sur une surface plane et horizontale.
Désengagez la PDF et abaissez les accessoires (selon l'équipement).
Serrez le frein de stationnement.
Placez la commande d'accélérateur en position de RALENTI.
Coupez la climatisation (machines avec cabine seulement).
Quand le calculateur moteur demande une régénération en stationnement, les indications des messages affichés sur l'InfoCenter.
Important: L'ordinateur de la machine annule la régénération du FAP si vous augmentez le régime moteur à partir du ralenti ou si vous desserrez le frein de stationnement.
Ouvrez le menu DPF Regeneration (régénération du FAP) et naviguez jusqu'à l'option PARKED REGEN (régénération en stationnement) ou RECOVERY REGEN (régénération d'urgence).
Sélectionnez l'option PARKED REGEN ou RECOVERY REGEN.
Sur l'écran VERIFY FUEL LEVEL (vérifier le niveau de carburant), assurez-vous que le réservoir est 1/4 plein si vous effectuez une régénération en stationnement ou 1/2 plein si vous effectuez une régénération d'urgence, et appuyez sur l'icône du bouton de l'écran d'affichage pour continuer.
Dans le menu Parked Regen (régén. en stationnement) ou Recovery Regen (régén. d'urgence), appuyez sur le bouton de l'écran d'affichage pour lancer la régénération.
Sur l'écran de la liste de contrôle du FAP, confirmez que le frein de stationnement est serré et que le moteur tourne au ralenti, puis appuyez sur l'icône du bouton de l'écran d'affichage pour continuer.
Sur l'écran INITIATE DPF REGEN (lancer régén. du FAP), appuyez sur le bouton de l'écran d'affichage pour continuer.
L'InfoCenter affiche le message INITIATING DPF REGEN (lancement de régén. du FAP).
Note: Si nécessaire, appuyez sur le bouton de l'écran d'affichage pour annuler le processus de régénération.
L'InfoCenter affiche un message indiquant la durée de la régénération.
L'InfoCenter affiche l'écran d'accueil
et l'icône de confirmation de régénération
s'affiche
.
Note: Pendant l'exécution de la régénération
du FAP, l'InfoCenter affiche l'icône de haute température
des gaz d'échappement
.
Quand le calculateur moteur achève une régénération en stationnement ou d'urgence, un avis s'affiche sur l'InfoCenter. Appuyez sur un bouton pour retourner à l'écran d'accueil.
Note: Si la régénération échoue, suivez l'avis affiché et appuyez sur n'importe quel bouton pour retourner à l'écran d'accueil.
Utilisez l'option PARKED REGEN CANCEL (annulation de régén. en stationnement) ou RECOVERY REGEN CANCEL (annulation de régén. d'urgence) pour annuler une régénération en stationnement ou d'urgence en cours d'exécution.
Ouvrez le menu DPF Regeneration (régénération du FAP) et naviguez jusqu'à l'option PARKED REGEN (régénération en stationnement) ou RECOVERY REGEN (régénération d'urgence).
Appuyez sur l'icône écran suivant pour annuler une régénération en stationnement ou d'urgence.
Asseyez-vous sur le siège de la machine et attachez la ceinture de sécurité.
Vérifiez que le frein de stationnement est serré et que la PDF est désengagée.
Faites préchauffer le moteur en tournant la clé de contact à la position CONTACT/PRéCHAUFFAGE.
Note: Une minuterie automatique maintient le préchauffage pendant 6 secondes.
Tournez la clé à la position de DéMARRAGE, actionnez le démarreur pendant 15 secondes maximum, puis relâchez la clé et laissez-la revenir à la position CONTACT/PRéCHAUFFAGE.
Note: Si un préchauffage supplémentaire est nécessaire, tournez la clé en position ARRêT, puis de nouveau en position CONTACT/PRéCHAUFFAGE. Répétez cette procédure si nécessaire.
Amenez la commande d'accélérateur en position de ralenti ou d'ouverture partielle du papillon, et laissez tourner le moteur jusqu'à ce qu'il soit chaud.
Note: Si vous quittez le siège de l'utilisateur alors que la commande de PDF est en position ENGAGéE, la machine coupe automatiquement le moteur.
Procédez comme suit pour réinitialiser la fonction PDF :
Appuyez sur la commande de PDF.
Démarrez le moteur ; voir Démarrage du moteur.
Tirez la commande de PDF.
Activez le mode Manœuvres chaque fois que vous installez le plateau de coupe à fléaux (modèle 02835).
Le mode Manœuvres permet de lever rapidement le plateau de coupe à fléaux au-dessus du sol pour effectuer un demi-tour rapide en fin de passe ou pour contourner des obstacles.
Lorsque vous abaissez le plateau de coupe à fléaux en position d'UTILISATION, vous pouvez appuyer brièvement sur la commande de levage de l'outil pour élever légèrement le plateau afin d'effectuer un virage rapide. Après avoir tourné, appuyez sur la commande de levage pour ramener le plateau à fléaux au sol et recommencer à tondre.
Utilisez la commande d'accélérateur baisser le régime moteur.
Placez la commande de PDF en position DéSENGAGéE.
Tournez la clé de contact à la position ARRêT puis sortez-la du commutateur.
Avant de quitter la position d'utilisation, coupez le moteur, enlevez la clé et attendez l'arrêt complet de tout mouvement. Laissez refroidir la machine avant de la régler, d'en faire l'entretien, de la nettoyer ou de la remiser.
Pour éviter les risques d'incendie, enlevez les débris d'herbe coupée et autres agglomérés sur les unités de coupe, les silencieux et le moteur. Nettoyez les coulées éventuelles d'huile ou de carburant.
Si les unités de coupe sont en position de transport, utilisez le système de blocage mécanique positif (le cas échéant) avant de laisser la machine sans surveillance.
Laissez refroidir le moteur avant de ranger la machine dans un local fermé.
Enlevez la clé et fermez l'arrivée de carburant (selon l'équipement) avant de remiser ou de transporter la machine.
Ne remisez jamais la machine ou les bidons de carburant à proximité d'une flamme nue, d'une source d'étincelles ou d'une veilleuse, telle celle d'un chauffe-eau ou d'autres appareils.
Révisez et nettoyez la ou les ceintures de sécurité au besoin.
Vous pouvez pour faire pivoter l'unité de coupe de la position TRANSPORT (A de la Figure 33) à la position ENTRETIEN (B de la Figure 33). Utilisez la position ENTRETIEN pour faire l'entretien des lames ou nettoyer la face inférieure de l'unité de coupe ; voir le Manuel de l'utilisateur de l'unité de coupe.
Effectuez cette procédure pour faire pivoter l'unité de coupe de la position TRANSPORT à la position ENTRETIEN.
Si vous laissez la clé dans le commutateur d'allumage, quelqu'un pourrait mettre le moteur en marche accidentellement et vous blesser gravement, ainsi que toute personne à proximité.
Enlevez la clé du commutateur et ne démarrez pas le moteur quand l'unité de coupe est en position d'ENTRETIEN.
Garez la machine sur une surface plane et horizontale.
Appuyez sur la commande de levage pour lever l'unité de coupe à la position TRANSPORT.
Serrez le frein de stationnement, coupez le moteur et enlevez la clé.
Retirez les goupilles des plaques de hauteur de coupe (Figure 34).

Tournez l'unité de coupe (Figure 35) de sorte que le verrou s'enclenche sur l'anneau d'arrimage (Figure 36).
L'unité de coupe est lourde.
Faites-vous aider pour lever l'unité de coupe.


Effectuez cette procédure pour faire pivoter l'unité de coupe de la position ENTRETIEN à la position TRANSPORT.
Dégagez le verrou de l'unité de coupe de l'anneau d'arrimage (Figure 37) en faisant pivoter légèrement l'unité de coupe vers l'avant (voir Figure 35) et en tirant la poignée de verrouillage vers l'avant.

Faites pivoter l'unité de coupe lentement vers le bas jusqu'à ce que la goupille touche la plaque du bras de levage (A de la Figure 38).

Appuyez sur l'unité de coupe avec le pied et et tirez sur la goupille (B de la Figure 38) pour permettre à l'unité de coupe de se stabiliser à la position TRANSPORT.
Insérez les goupilles de hauteur de coupe dans les plaques de et les chaînes de de hauteur de coupe.
S'il est nécessaire de remorquer ou de mousser la machine, réglez la pompe de déplacement de manière à dériver le liquide hydraulique. Conduisez la machine à moins de 4,8 km/h sur une très courte distance.
Important: La pompe hydraulique peut subir de graves dommages si vous dépassez les limites de remorquage.Si vous devez déplacer la machine plus loin, transportez-la sur une remorque.
Accédez à la vanne de dérivation sous la machine.

Avec une clé à douille de 14 mm, desserrez la vanne de dérivation, puis ouvrez-la de 3 tours au maximum.
Important: Ne démarrez pas le moteur et ne le faites pas tourner quand la vanne est tournée à la position de dérivation.
Après avoir remorqué la machine et avant de démarrer le moteur, serrez la vanne de dérivation à 12 N·m.
Procédez avec prudence pour charger la machine sur une remorque ou un camion, ainsi que pour la décharger.
Utilisez des rampes d'une seule pièce pour charger la machine sur une remorque ou un camion.
Arrimez solidement la machine.
Enlevez la clé de contact avant de transporter ou remiser la machine.
Note: Les côtés gauche et droit de la machine sont déterminés d'après la position d'utilisation normale.
Note: Vous pouvez télécharger un exemplaire gratuit du schéma hydraulique ou électrique en vous rendant sur www.Toro.com et en recherchant votre machine sous le lien Manuels sur la page d'accueil.
Avant de quitter la position d'utilisation, effectuez la procédure suivante :
Garez la machine sur une surface plane et horizontale.
Désengagez la prise de force et abaissez les outils.
Serrez le frein de stationnement.
Coupez le moteur et retirez la clé.
Attendez l'arrêt complet de tout mouvement.
Si vous laissez la clé dans le commutateur d'allumage, quelqu'un pourrait mettre le moteur en marche accidentellement et vous blesser gravement, ainsi que toute personne à proximité. Retirez la clé du commutateur d'allumage avant tout entretien.
Laissez refroidir les composants de la machine avant d'effectuer toute opération d'entretien.
Si les unités de coupe sont en position de transport, utilisez le système de blocage mécanique positif (selon l'équipement) avant de laisser la machine sans surveillance.
Si possible, n'effectuez aucun entretien quand le moteur est en marche. Ne vous approchez pas des pièces mobiles.
Soutenez la machine avec des chandelles chaque fois que vous devez travailler dessous.
Libérez la pression emmagasinée dans les composants avec précaution.
Maintenez toutes les pièces de la machine en bon état de marche et toutes les fixations bien serrées, surtout celles des lames.
Remplacez tous les autocollants usés ou endommagés.
Pour garantir le fonctionnement sûr et optimal de la machine, utilisez exclusivement des pièces de rechange d'origine Toro. Les pièces de rechange provenant d'autres constructeurs peuvent être dangereuses, et leur utilisation risque d'annuler la garantie de la machine.
| Périodicité d'entretien | Procédure d'entretien |
|---|---|
| Après la 1ère heure de fonctionnement |
|
| Après les 10 premières heures de fonctionnement |
|
| Après les 50 premières heures de fonctionnement |
|
| Après les 1000 premières heures de fonctionnement |
|
| À chaque utilisation ou une fois par jour |
|
| Toutes les 50 heures |
|
| Toutes les 100 heures |
|
| Toutes les 200 heures |
|
| Toutes les 250 heures |
|
| Toutes les 400 heures |
|
| Toutes les 500 heures |
|
| Toutes les 800 heures |
|
| Toutes les 1000 heures |
|
| Toutes les 2000 heures |
|
| Chaque mois |
|
| Une fois par an |
|
| Tous les 2 ans |
|
Important: Reportez-vous au manuel du propriétaire du moteur pour toutes procédures d'entretien supplémentaires.
Copiez cette page pour pouvoir vous en servir régulièrement.
| Entretiens à effectuer | Pour la semaine du : | ||||||
|---|---|---|---|---|---|---|---|
| Lun. | Mar. | Mer. | Jeu. | Ven. | Sam. | Dim. | |
| Vérifiez le fonctionnement du système de sécurité. | |||||||
| Vérifiez que l'arceau de sécurité est complètement relevé et bloqué en position. | |||||||
| Vérifiez le fonctionnement du frein de stationnement. | |||||||
| Contrôlez le niveau de carburant. | |||||||
| Contrôlez le niveau d'huile moteur. | |||||||
| Contrôlez le niveau du liquide de refroidissement. | |||||||
| Vidangez le séparateur d'eau/de carburant. | |||||||
| Contrôlez l'indicateur de colmatage du filtre à air.3 | |||||||
| Vérifiez la propreté du refroidisseur et du filtre. | |||||||
| Vérifiez les bruits anormaux en provenance du moteur.1. | |||||||
| Vérifiez les bruits de fonctionnement anormaux. | |||||||
| Vérifiez l'état des flexibles hydrauliques. | |||||||
| Recherchez des fuites éventuelles. | |||||||
| Contrôlez la pression des pneus. | |||||||
| Vérifiez le fonctionnement des instruments. | |||||||
| Lubrifiez tous les graisseurs.2 | |||||||
| Retouchez les peintures endommagées. | |||||||
| Contrôlez la ceinture de sécurité. | |||||||
|
1Contrôlez la bougie de préchauffage et les injecteurs en cas de démarrage difficile, de fumée excessive ou de fonctionnement irrégulier du moteur 2 Immédiatement après chaque lavage, quelle que soit la fréquence d'entretien indiquée 3Si l'indicateur est rouge |
|||||||
| Notes concernant les problèmes constatés | ||
| Contrôle effectué par : | ||
| Point contrôlé | Date | Information |
Les crics mécaniques ou hydrauliques peuvent céder sous le poids de la machine et causer des blessures graves.
Utilisez des chandelles pour soutenir la machine quand elle est soulevée.
Utilisez uniquement des crics mécaniques ou hydrauliques pour soulever la machine.
Important: Vérifiez qu'aucun câble ou composant hydraulique ne se trouve entre le cric et le cadre.

Calez les 2 roues arrière pour empêcher la machine de rouler.
Placez le cric solidement sous le point de levage voulu.
Après avoir levé l'avant de la machine, placez une chandelle sous le cadre de la machine pour soutenir la machine.
Important: Vérifiez qu'aucun câble ou composant hydraulique ne se trouve entre le cric et le cadre.

Calez les 2 roues avant pour empêcher la machine de rouler.
Placez le cric solidement sous le point de levage voulu.
Important: Sur les machines à 4 roues motrices, les conduites hydrauliques passent près du cadre. Veillez à placer le cric de manière à ne pas endommager les conduites hydrauliques quand la machine est levée.
Après avoir levé l'avant de la machine, placez une chandelle sous le cadre de la machine pour soutenir la machine.
| Périodicité d'entretien | Procédure d'entretien |
|---|---|
| À chaque utilisation ou une fois par jour |
|
| Toutes les 50 heures |
|
Les graisseurs de la machine doivent être lubrifiés régulièrement avec de la graisse au lithium nº 2.
Important: Graissez immédiatement la machine après chaque lavage.
Bras de poulie de tension (Figure 43)

Arbre d'entraînement de PDF (Figure 44)
Important: Graissez l'arbre d'entraînement avant chaque utilisation ou chaque jour.

Axe de pivot d'essieu (Figure 45)

Avant de la machine (Figure 46) :
Moyeux de pivot d'outil (2)
Bagues de vérin de levage (2)
Axes de pivot de bras de levage (2)

Arrière de la machine (Figure 47) :
Rotule de vérin hydraulique (2)
Moyeux de pivot de fusée (2)

Coupez le moteur et enlevez la clé avant de contrôler le niveau d'huile ou d'ajouter de l'huile dans le carter.
Ne modifiez pas le réglage du régulateur et ne faites pas tourner le moteur à un régime excessif.
Type d'huile : utilisez une huile moteur de qualité, à basse teneur en cendre et conforme ou supérieure aux spécifications suivantes :
Catégorie de service API CJ-4 ou mieux
Catégorie de service ACEA E6
Catégorie de service JASO DH-2
Capacité du carter moteur : approximativement 6,2 litres avec le filtre.
Viscosité : utilisez le grade de viscosité d'huile moteur suivant :
Huile préférée : SAE 15W-40 (au-dessus de -18 °C)
Autre huile possible : SAE 10W-30 ou 5W-30 (toutes températures)
L'huile moteur Toro Premium est en vente chez votre distributeur Toro agréé avec l'indice de viscosité 15W-40 ou 10W-30.
| Périodicité d'entretien | Procédure d'entretien |
|---|---|
| À chaque utilisation ou une fois par jour |
|
Le meilleur moment pour vérifier le niveau d'huile moteur est en début de journée, quand le moteur est froid avant sa mise en marche. Si le moteur a déjà tourné, attendez au moins 10 minutes que l'huile retourne dans le carter avant de contrôler le niveau.
Si le niveau d'huile est à la même hauteur ou en dessous du repère minimum sur la jauge, faites l'appoint pour l'amener au repère maximum. Ne remplissez pas excessivement le carter moteur.
Important: Contrôlez l'huile moteur chaque jour. Si le niveau d'huile moteur dépasse le repère maximum sur la jauge, il se peut que l'huile soit diluée avec du carburant. Si le niveau d'huile moteur est au-dessus du repère maximum, vidangez l'huile.
Important: Maintenez le niveau d'huile moteur entre les repères maximum et minimum sur la jauge ; une panne de moteur peut se produire si le carter contient trop ou pas assez d'huile.
Ouvrez le capot ; voir Ouverture du capot.
Contrôlez le niveau d'huile moteur ; voir Figure 48.

| Périodicité d'entretien | Procédure d'entretien |
|---|---|
| Toutes les 500 heures |
|
Démarrez le moteur et laissez-le tourner pendant 5 minutes pour réchauffer l’huile.
Avant de quitter le poste d'utilisation, garez la machine sur une surface plane et horizontale, serrez le frein de stationnement, coupez le moteur, enlevez la clé et attendez l'arrêt complet de toutes les pièces mobiles.
Vidangez l'huile moteur, comme montré à la Figure 49.

Remplacez le filtre à huile moteur comme montré à la Figure 50.
Note: Assurez-vous que le joint du filtre à huile touche le moteur puis vissez-le encore de trois quarts de tour.

| Périodicité d'entretien | Procédure d'entretien |
|---|---|
| À chaque utilisation ou une fois par jour |
|
| Toutes les 250 heures |
|
Vérifiez si le boîtier du filtre à air présente des dommages susceptibles d'occasionner des fuites d'air. Remplacez le boîtier du filtre s'il est endommagé. Vérifiez que le système d'admission ne présente pas de fuites, de dommages ou de colliers de flexible desserrés
N'effectuez l'entretien de l'élément filtrant du filtre à air que lorsque l'indicateur de colmatage (Figure 51) indique que cela est nécessaire. Ne remplacez pas l'élément filtrant plus fréquemment que nécessaire ; cela ne fait qu'accroître le risque de contamination du moteur par des impuretés quand l'élément est déposé.

Important: Veillez à ajuster parfaitement le couvercle et les joints sur le boîtier du filtre à air, et à fermer les dispositifs de verrouillage avec soin.
Dans certaines conditions, le gazole et les vapeurs qu'il dégage sont extrêmement inflammables et explosifs. Un incendie ou une explosion causé(e) par du carburant peut vous brûler, ainsi que d'autres personnes, et causer des dommages matériels.
Ne fumez jamais quand vous manipulez du carburant, et tenez-vous à l'écart des flammes nues et étincelles qui pourraient enflammer les vapeurs de carburant.
| Périodicité d'entretien | Procédure d'entretien |
|---|---|
| Toutes les 50 heures |
|
Faites l'entretien du séparateur carburant-eau comme montré à la Figure 53.

Amorcez le filtre et les conduites à la pression de la pompe haute pression ; voir Amorçage du circuit d'alimentation.
| Périodicité d'entretien | Procédure d'entretien |
|---|---|
| Toutes les 400 heures |
|
Remplacez le séparateur carburant-eau comme montré à la Figure 53.

Amorcez le filtre et les conduites à la pression de la pompe haute pression ; voir Amorçage du circuit d'alimentation.
| Périodicité d'entretien | Procédure d'entretien |
|---|---|
| Toutes les 400 heures |
|
Nettoyez la surface autour de la tête du filtre à carburant (Figure 55).

Déposez le filtre et nettoyez la surface de montage de la tête du filtre (Figure 55).
Lubrifiez le joint du filtre avec de l'huile moteur propre ; voir le manuel du propriétaire du moteur pour plus de précisions.
Montez la cartouche sèche à la main jusqu'à ce que le joint rejoigne la tête du filtre, puis serrez la cartouche d'un demi tour supplémentaire.
Amorcez le filtre et les conduites à la pression de la pompe haute pression ; voir Amorçage du circuit d'alimentation.
Démarrez le moteur et vérifiez qu'il n'y a pas de fuite d'huile autour de la tête du filtre.
| Périodicité d'entretien | Procédure d'entretien |
|---|---|
| Une fois par an |
|
Vidangez et nettoyez le réservoir de carburant si le système d'alimentation est contaminé ou si vous prévoyez de remiser la machine pendant une période prolongée. Rincez le réservoir avec du gazole neuf.
| Périodicité d'entretien | Procédure d'entretien |
|---|---|
| Toutes les 400 heures |
|
| Tous les 2 ans |
|
Vérifiez que les conduites et les raccords ne sont pas détériorés, endommagés ou desserrés.
Amorcez le circuit d'alimentation dans les cas suivants :
Après le remplacement du filtre à carburant.
Après la vidange du séparateur d'eau après chaque utilisation ou chaque jour.
Après une panne de carburant.
Après avoir remplacé un flexible de carburant ou ouvert le circuit d'alimentation pour quelque raison que ce soit.
Pour amorcer le circuit d'alimentation, procédez comme suit :
Important: Ne lancez pas le moteur au moyen du démarreur quand vous amorcez le circuit d'alimentation.
Vérifiez que le réservoir de carburant n'est pas vide.
Effectuez la procédure suivante pour amorcer le filtre et les conduites reliées à la pompe haute pression afin d'éviter d'user ou d'endommager la pompe :
Tournez la clé à la position CONTACT pendant 15 à 20 secondes.
Tournez la clé à la position CONTACT pendant 30 à 40 secondes.
Note: Cela permet la mise hors tension de l'ECU.
Tournez la clé à la position CONTACT pendant 15 à 20 secondes.
Vérifiez l'absence de fuites autour du filtre et des flexibles.
Démarrez le moteur et recherchez des fuites éventuelles.
Débranchez la batterie avant de réparer la machine. Débranchez toujours la borne négative avant la borne positive. Rebranchez la borne positive avant la borne négative.
Chargez la batterie dans un endroit dégagé et bien aéré, à l'écart des flammes ou sources d'étincelles. Débranchez le chargeur du secteur avant de brancher ou de débrancher la batterie. Portez des vêtements de protection et utilisez des outils isolés.
| Périodicité d'entretien | Procédure d'entretien |
|---|---|
| Toutes les 50 heures |
|
La batterie est adjacente au réservoir de carburant, sur le côté gauche de la machine. Pour accéder à la batterie, dévissez la vis à oreilles qui fixe le couvercle sur la batterie, puis déposez le couvercle (Figure 56).
Note: La vis est maintenue en place par une rondelle de blocage.

Les bornes de la batterie ou les outils en métal peuvent causer des courts-circuits au contact des pièces métalliques et produire des étincelles. Les étincelles peuvent provoquer l'explosion des gaz de la batterie et vous blesser.
Lors du retrait ou de la mise en place de la batterie, les bornes ne doivent toucher aucune partie métallique de la machine.
Évitez de créer des courts-circuits entre les bornes de la batterie et les parties métalliques de la machine avec des outils en métal.
S'ils sont mal acheminés, les câbles de la batterie peuvent subir des dommages ou endommager la machine et produire des étincelles. Les étincelles peuvent provoquer l'explosion des gaz de la batterie et vous blesser.
Débranchez toujours le câble négatif (noir) de la batterie avant le câble positif (rouge).
S'ils sont mal acheminés, les câbles de la batterie peuvent subir des dommages ou endommager la machine et produire des étincelles. Les étincelles peuvent provoquer l'explosion des gaz de la batterie et vous blesser.
Branchez toujours le câble positif (rouge) de la batterie avant le câble négatif (noir).
Un dispositif de retenue (Figure 59) maintient la batterie sur son support. Desserrez la fixation du dispositif de retenue pour déposer la batterie ; resserrez la fixation quand vous remettez la batterie en place.
Note: Pour accéder à la batterie, voir Accéder à la batterie. Remettez le couvercle en place après avoir installé la batterie.

| Périodicité d'entretien | Procédure d'entretien |
|---|---|
| Toutes les 50 heures |
|
Important: Avant d'effectuer des soudures sur la machine, débranchez le câble négatif de la batterie pour éviter d'endommager le système électrique.
Vérifiez l'état de la batterie une fois par semaine ou toutes les 50 heures de fonctionnement. Les bornes et le bac de la batterie doivent être propres, car une batterie encrassée se décharge lentement.
Accédez à la batterie ; voir Accéder à la batterie.
Enlevez le capuchon en caoutchouc de la borne positive et examinez la batterie. Si la batterie est sale, procédez comme suit :
Lavez le bac complet avec un mélange d'eau et de bicarbonate de soude.
Pour prévenir la corrosion, enduisez les bornes de la batterie et les cosses des câbles de graisse Grafo 112X (Skin-Over) (réf. Toro 505-47).
Remettez ensuite le capuchon en caoutchouc sur la borne positive.
Fermez le couvercle de la batterie.
Déposez le couvercle de la console pour accéder aux fusibles du groupe de déplacement (Figure 60).
Note: L'autocollant des fusibles du groupe de déplacement se trouve de l'autre côté du couvercle de la console.

Reportez-vous au tableau sous Porte-fusibles du groupe de déplacement pour une description de chacun des fusibles dans le porte-fusibles du groupe de déplacement (Figure 61) :

| A | B | |
| 1 | Cabine (10 A) | Alimentation de l'écran d'affichage (15 A) |
| 2 | Emplacement libre | Entrée position contact pour le contrôleur de l'écran d'affichage (10 A) |
| 3 | Siège pneumatique (15 A) | Circuit de démarrage (10 A) |
| 4 | Port USB, compteur horaire, télématique, port d'extension (20 A) | Alimentation du commutateur d'allumage (15 A) |
Les fusibles de la cabine sont situés au-dessus du siège passager. Déposez le couvercle du porte-fusibles pour accéder aux fusibles (Figure 62).

Reportez-vous au tableau sous Porte-fusibles de la cabine pour une description de chacun des fusibles dans le porte-fusibles du groupe de déplacement (Figure 63) :

| A | |
| 1 | Ventilateur de condenseur ; embrayage de climatisation (25 A) |
| 2 | Lave-glace (20 A) |
| 3 | Ventilateur et éclairage intérieur (40 A) |
| 4 | Emplacement libre |
| Périodicité d'entretien | Procédure d'entretien |
|---|---|
| Après la 1ère heure de fonctionnement |
|
| Après les 10 premières heures de fonctionnement |
|
| Toutes les 200 heures |
|
Couple de serrage des écrous de roues : 102 à 108 N·m
Serrez les écrous des roues avant et arrière (modèles à 4 roues motrices seulement) au couple spécifié et dans l'ordre indiqué, comme montré à la Figure 64 et la Figure 65.
Si vous séparez le côté télescopique de l'arbre d'entraînement de la PDF du côté embrayage, assurez-vous que les repères de peinture sont alignés et que la clavette est bien alignée sur la cannelure absente du côté embrayage (Figure 66) lorsque vous installez le côté télescopique. Les chapes d'extrémité doivent aussi être alignées, comme montré à la Figure 66.
Important: Si l'arbre d'entraînement n'est pas aligné correctement, un grave déséquilibre de la transmission peut se produire.

L'ingestion de liquide de refroidissement peut être toxique ; rangez-le hors de la portée des enfants et des animaux domestiques.
Les projections de liquide de refroidissement brûlant sous pression ou le contact avec le radiateur brûlant et les pièces qui l'entourent peuvent causer des brûlures graves.
Laissez toujours refroidir le moteur pendant au moins 15 minutes avant d'enlever le bouchon du radiateur.
Servez-vous d'un chiffon pour ouvrir le bouchon du radiateur et desserrez-le lentement pour laisser la vapeur s'échapper.
N'utilisez jamais la machine sans les capots de protection.
N'approchez pas les doigts, les mains ou les vêtements du ventilateur et de la courroie d'entraînement en rotation.
Le réservoir de liquide de refroidissement est rempli à l'usine d'un mélange 50/50 d'eau et de liquide de refroidissement longue durée à base d'éthylène glycol.
Important: Utilisez uniquement des liquides de refroidissement en vente dans le commerce et répondant aux spécifications énoncées dans le Tableau des normes des liquides de refroidissement longue durée.N'utilisez pas de liquide de refroidissement ordinaire (vert) issu de la technologie des acides inorganiques (IAT) dans la machine. Ne mélangez pas les liquides de refroidissement ordinaires et longue durée.
|
Type à l'éthylène-glycol |
Type avec inhibiteur de corrosion |
|
Antigel longue durée |
Technologie des acides organiques (OAT) |
|
Important: Ne vous fiez pas à la couleur du liquide de refroidissement pour différencier les types de liquides de refroidissement ordinaire (IAT) et longue durée.Les fabricants de liquides de refroidissement peuvent teinter les liquides de refroidissement longue durée dans les couleurs suivantes : rouge, rose, orange, jaune, bleu, vert-bleu, violet et vert. Utilisez un liquide de refroidissement répondant aux spécifications énoncées dans le Tableau des normes des liquides de refroidissement longue durée. |
|
|
ATSM International |
SAE International |
|
D3306 et D4985 |
J1034, J814 et 1941 |
Important: Le mélange concentré doit être constitué à part égale de liquide de refroidissement et d'eau.
De préférence : si le liquide de refroidissement est mélangé à partir de concentré, le mélanger avec de l'eau distillée.
Option privilégiée : en l'absence d'eau distillée, utiliser un liquide de refroidissement prémélangé au lieu de concentré.
Minimum requis : en l'absence d'eau distillée et de liquide de refroidissement prémélangé, mélanger du liquide concentré avec de l'eau potable propre.
| Périodicité d'entretien | Procédure d'entretien |
|---|---|
| À chaque utilisation ou une fois par jour |
|
| Toutes les 2000 heures |
|
Lorsque le moteur est froid, le niveau de liquide de refroidissement ne doit pas dépasser le repère à FROID sur le côté du vase d'expansion (Figure 67). Lorsque le moteur est chaud, le niveau de liquide de refroidissement ne doit pas dépasser le repère MAXIMUM (à CHAUD).
Si le niveau de liquide de refroidissement est au-dessus du repère à FROID quand le moteur est froid, le liquide risque de fuir du vase d'expansion lorsque le moteur chauffe en cours d'utilisation.
Lorsque le moteur est froid, contrôlez le niveau de liquide de refroidissement dans le vase d'expansion.

Si le liquide de refroidissement froid n'est pas visible ou est en-dessous du repère à FROID, enlevez le bouchon du vase d'expansion et faites l'appoint de liquide recommandé [voir Spécifications du liquide de refroidissement] jusqu'à ce que le niveau atteigne le repère à FROID.
Important: N'utilisez pas seulement de l'eau pure ni de liquides de refroidissement à base d'alcool.Ne remplissez pas le vase d'expansion au-delà du repère à FROID.
Revissez le bouchon du vase d'expansion.
| Périodicité d'entretien | Procédure d'entretien |
|---|---|
| Toutes les 50 heures |
|

Ouvrez le capot ; voir Ouverture du capot.
Nettoyez la grille du capot à l'air comprimé (voir Figure 68). Dirigez l'air de l'intérieur vers l'extérieur de la machine.
| Périodicité d'entretien | Procédure d'entretien |
|---|---|
| Toutes les 50 heures |
|
| Toutes les 250 heures |
|
Nettoyez les ailettes du radiateur à l'air comprimé. Dirigez l'air de l'intérieur vers l'extérieur de la machine (Figure 69).
Important: Ne nettoyez pas les ailettes avec de l'eau.

Redressez les ailettes qui sont pliées.
| Périodicité d'entretien | Procédure d'entretien |
|---|---|
| Toutes les 200 heures |
|
| Tous les 2 ans |
|
Vérifiez que les flexibles du système de refroidissement ne présentent pas de fuites, ne sont pas pliés, usés, détériorés par les conditions atmosphériques ou les produits chimiques, et que les supports de montage et les raccords ne sont pas desserrés. Effectuez les réparations nécessaires avant d'utiliser la machine.
| Périodicité d'entretien | Procédure d'entretien |
|---|---|
| Toutes les 400 heures |
|
Placez des chandelles sous l'avant de la machine ; voir Levage de l'avant de la machine.
Déposez les roues avant.
Placez le frein de stationnement en position DESSERRéE ; voir Frein de stationnement.
Déposez les tambours de frein (Figure 70) à la main.
Si vous sentez une résistance en déposant les tambours de frein à la main, aucun réglage n'est nécessaire.
Si vous ne sentez pas de résistance en déposant les tambours de frein à la main, un réglage est nécessaire ; voir Réglage du frein de stationnement.

Montez les roues avant et serrez les écrous de roues ; voir Serrage des écrous de roues.
Calez les roues.
Vérifiez que le frein de stationnement est desserré.
Localisez le support du câble de frein (Figure 71) sous le côté gauche de la machine, près de la roue gauche.

Desserrez les écrous de blocage supérieurs afin d'obtenir un jeu de 3,2 à 4,8 mm.
Tirez le câble vers le bas jusqu'à ce que l'écrou de blocage supérieur touche le support.
Serrez l'écrou de blocage inférieur.
Répétez les opérations 5 et 6 pour l'autre câble.
Contrôlez le frein de stationnement ; voir Contrôle du frein de stationnement.
| Périodicité d'entretien | Procédure d'entretien |
|---|---|
| Après les 10 premières heures de fonctionnement |
|
| Après les 50 premières heures de fonctionnement |
|
| Toutes les 100 heures |
|
Lorsque la tension est correcte, la courroie présente une flèche de 10 mm quand une force de 4,5 kg est exercée à mi-chemin entre les poulies.
Si la flèche n'est pas 10 mm, procédez comme suit :
Desserrez le boulon de fixation de l'alternateur (Figure 63).

Augmentez ou diminuez la tension de la courroie et resserrez le boulon.
Contrôlez de nouveau la flèche de la courroie pour vérifier si la tension est correcte.
| Périodicité d'entretien | Procédure d'entretien |
|---|---|
| Toutes les 100 heures |
|
Vérifiez si la courroie de déplacement semble excessivement usée ou endommagée.
Remplacez la courroie si elle est excessivement usée ou endommagée ; voir Remplacement de la courroie d'entraînement.

Garez la machine sur une surface plane et horizontale, abaissez l'unité de coupe, serrez le frein de stationnement, coupez le moteur et enlevez la clé.
Détachez l'arbre de PDF du boîtier d'engrenages de l'outil ; voir le Manuel de l'utilisateur de l'outil.
Débranchez le connecteur du faisceau de l'embrayage du faisceau de la machine.

Déposez la butée en caoutchouc de la cale de retenue en métal et de l'embrayage (Figure 74).
Demandez à une autre personne de détendre la courroie à l'aide d'un cliquet, puis déposez la courroie de la poulie de la pompe, la poulie de tension et la poulie du moteur.
Pour retirer l'ancienne courroie, faites-la passer au-dessus de l'embrayage et vers l'avant sur l'arbre de PDF.
Faites passer la courroie le long de l'arbre de PDF, par dessus l'embrayage et sur la poulie du moteur.
Demandez à une autre personne d'abaisser la poulie de tension à l'aide d'un cliquet.
Acheminez la courroie sur la poulie du moteur, la poulie de tension et la poulie de la pompe (Figure 73).
Retirez le cliquet du bras de la poulie de tension.
Posez la butée en caoutchouc dans la cale de retenue en métal, et fixez la butée sur l'embrayage.
Rebranchez le connecteur du faisceau de l'embrayage sur le faisceau de la machine.
Montez l'arbre de PDF sur le boîtier d'engrenages de l'outil.
| Périodicité d'entretien | Procédure d'entretien |
|---|---|
| Toutes les 200 heures |
|
Laissez refroidir le moteur.
Soulevez le capot moteur.
Réglez l'entrefer de façon à pouvoir passer une jauge d'épaisseur de 0,3 mm entre la garniture d'embrayage et la plaque de frottement en poussant légèrement (Figure 75).
Note: Pour diminuer l'entrefer, tournez les écrous de réglage dans le sens horaire (Figure 75). L'entrefer ne doit pas dépasser 0,6 mm. Réglez les 3 entrefers à 0,4 mm.

Contrôlez à nouveau les 3 entrefers après les avoir réglés.
Note: Le réglage d'un entrefer peut modifier celui des deux autres.
Vous pouvez régler la pédale de déplacement à la position la plus confortable pour vous ou pour réduire la vitesse maximale de la machine en marche avant.
Poussez complètement la pédale de déplacement en avant (Figure 76).
Note: La pédale de déplacement doit toucher la butée avant que la pompe arrive en bout de course.

Si la pédale de déplacement ne touche pas la butée ou si vous voulez ralentir la vitesse de déplacement de la machine en marche avant, procédez comme suit :
Bloquez la butée de la pédale de déplacement (Figure 76) avec une clé.
Desserrez l'écrou de blocage au bas du repose-pied (Figure 77).

Poussez complètement la pédale de déplacement en position avant (Figure 76).
Tout en maintenant la butée de la pédale de déplacement, réglez l'écrou de blocage situé au-dessus du repose-pied (Figure 76) jusqu'à ce que la pédale touche la butée.
Allongez la position de la butée de la pédale de déplacement en tournant la butée d'un tour complet dans le sens antihoraire pour l'éloigner de l'écrou de blocage au-dessus du repose-pied.
Note: La vitesse de déplacement de la machine en marche avant augmente si vous réduisez la position de la butée de la pédale de déplacement.
Tout en maintenant la butée de la pédale de déplacement, serrez l'écrou de blocage au bas du repose-pied (Figure 76 et Figure 77) à un couple de 37 à 45 N·m.
Vérifiez que la pédale de déplacement touche la butée avant que la pompe arrive en bout de course.
Note: Si la pédale de déplacement ne touche pas la butée, répétez les opérations 1 à 7.
Consultez immédiatement un médecin si du liquide est injecté sous la peau. Toute injection de liquide hydraulique sous la peau doit être éliminée dans les quelques heures qui suivent par une intervention chirurgicale réalisée par un médecin.
Vérifiez l'état de tous les flexibles et conduits de liquide hydraulique, ainsi que le serrage de tous les branchements et raccords avant de mettre le système hydraulique sous pression.
N'approchez pas les mains ni aucune autre partie du corps des fuites en trou d'épingle ou des gicleurs d'où sort du liquide hydraulique sous haute pression.
Utilisez un morceau de papier ou de carton pour détecter les fuites.
Évacuez avec précaution toute la pression du système hydraulique avant toute intervention sur le système.
Le réservoir est rempli en usine d'environ 22,7 l de liquide hydraulique de haute qualité. Contrôlez néanmoins le niveau de liquide hydraulique avant le tout premier démarrage du moteur, puis tous les jours ; voir Contrôle du niveau de liquide hydraulique.
Liquide de remplacement recommandé : liquide hydraulique longue durée « Toro PX Extended Life » ; disponible en bidons de 19 litres ou barils de 208 litres.
Note: Si vous utilisez le liquide de remplacement recommandé dans la machine vous n'aurez pas besoin de vidanger le liquide et de remplacer le filtre aussi souvent.
Autres liquides hydrauliques possibles : si vous ne disposez pas de liquide hydraulique longue durée Toro PX, vous pouvez utiliser d'autres liquides hydrauliques classiques à base de pétrole à condition qu'ils soient conformes aux caractéristiques physiques et aux spécifications de l'industrie suivantes. N'utilisez pas de liquide synthétique. Consultez votre distributeur de lubrifiants pour identifier un produit qui convient.
Note: Toro décline toute responsabilité en cas de dommage causé par l'utilisation d'huiles de remplacement inadéquates. Utilisez uniquement des produits provenant de fabricants réputés qui répondent de leur recommandation.
| Propriétés physiques : | ||
| Viscosité, ASTM D445 | 44 à 48 cSt à 40 °C | |
| Indice de viscosité, ASTM D2270 | 140 ou plus | |
| Point d'écoulement, ASTM D97 | -37 à -45 °C | |
| Spécifications de l'industrie : | Eaton Vickers 694 (I-286-S, M-2950-S/35VQ25 ou M-2952-S) | |
Note: De nombreux liquides hydrauliques sont presque incolores, ce qui rend difficile la détection des fuites. Un additif colorant rouge pour liquide hydraulique est disponible en bouteilles de 20 ml. Une bouteille suffit pour 15 à 22 litres de liquide hydraulique. Vous pouvez commander ces bouteilles chez les concessionnaires Toro agréés (réf. 44-2500).
Important: Le liquide hydraulique biodégradable synthétique « Toro Premium Synthetic Bio Hyd Fluid » est le seul liquide biodégradable synthétique agréé par Toro. Il est compatible avec les élastomères utilisés dans les systèmes hydrauliques Toro et convient pour de larges plages de températures. Ce liquide est compatible avec les huiles minérales traditionnelles ; toutefois vous devez rincer soigneusement le système hydraulique pour le débarrasser de l'ancien liquide afin d'optimiser la biodégradabilité et les performances. Cette huile est disponible en bidons de 19 litres ou en barils de 208 litres chez votre distributeur Toro agréé.
| Périodicité d'entretien | Procédure d'entretien |
|---|---|
| À chaque utilisation ou une fois par jour |
|
Garez la machine sur une surface plane et horizontale, abaissez l'unité de coupe, serrez le frein de stationnement, coupez le moteur et enlevez la clé.
Enlevez le bouchon du réservoir de liquide hydraulique (Figure 78).

Sortez la jauge du réservoir hydraulique et essuyez-la sur un chiffon propre (Figure 78).
Insérez la jauge dans le réservoir de liquide hydraulique.
Ressortez la jauge et vérifiez le niveau de liquide (Figure 79).
Si l'unité de coupe est montée sur la machine : le niveau de liquide hydraulique est correct quand il se situe entre les 2 repères inférieurs sur la jauge (A de la Figure 79). Il est également acceptable que le niveau de liquide dépasse les repères inférieurs.
Si le kit flexible d'outil à entraînement hydraulique est monté sur la machine : le niveau de liquide hydraulique est correct quand il se situe entre les 2 repères supérieurs sur la jauge (B de la Figure 79).

Si le niveau de liquide est en-dessous du repère inférieur approprié (suivant l'outil monté ; voir l'opération 5) sur la jauge, faites l'appoint de liquide hydraulique spécifié. Répétez les opérations 3 à 5 jusqu'à ce que le niveau de liquide se situe entre les 2 repères appropriés sur la jauge.
Insérez la jauge et le bouchon dans le réservoir de liquide hydraulique.
Serrez le bouchon à la main.
Important: N'utilisez pas d'outil pour serrer le bouchon.
Vérifiez que les flexibles et les raccords hydrauliques ne fuient pas.
| Périodicité d'entretien | Procédure d'entretien |
|---|---|
| Après les 1000 premières heures de fonctionnement |
|
| Toutes les 800 heures |
|
| Toutes les 1000 heures |
|
| Toutes les 2000 heures |
|
Si le liquide hydraulique est contaminé, demandez à votre concessionnaire Toro agréé de rincer le système. Le liquide contaminé a un aspect laiteux ou noir comparé à de l'huile propre.
Important: Utilisez les filtres de rechange Toro ; voir le Catalogue de pièces de la machine. L'utilisation de tout autre filtre peut annuler la garantie de certaines pièces.
Garez la machine sur une surface plane et horizontale, abaissez l'unité de coupe, serrez le frein de stationnement, coupez le moteur et enlevez la clé.
Placez un grand bac de vidange sous le réservoir de liquide hydraulique.
Enlevez le bouchon et la jauge du réservoir hydraulique.
Retirez le bouchon de vidange (Figure 80) situé sur le côté du réservoir et laissez l'huile s'écouler dans le bac de vidange.

Nettoyez la zone autour de la surface de montage du filtre.
Placez un bac de vidange sous le filtre (Figure 80), déposez le filtre et vidangez le restant d'huile dans le bac.
Lubrifiez le joint du filtre de rechange et remplissez le filtre d'huile hydraulique.
Vérifiez la propreté de la surface de montage du filtre, puis vissez le filtre jusqu'à ce que le joint touche la plaque de montage. Serrez ensuite le filtre d'un demi-tour supplémentaire.
Remplissez le réservoir de liquide hydraulique ; voir Contrôle du niveau de liquide hydraulique.
Important: Utilisez uniquement les liquides hydrauliques spécifiés. Tout autre liquide est susceptible d'endommager le système.
Remettez le bouchon de vidange en place lorsque la vidange est terminée.
Remettez en place la jauge et le bouchon du réservoir.
Démarrez le moteur et actionnez toutes les commandes hydrauliques dans l'ordre suivant pour faire circuler l'huile dans tout le système :
Appuyez sur la pédale de déplacement pour déplacer la machine en marche avant ou arrière.
Avec le volant, tournez les roues complètement à droite puis à gauche.
Utilisez la commande de levage pour lever et baisser l'outil (par ex. unité de coupe).
Recherchez des fuites éventuelles, puis coupez le moteur.
Contrôlez le niveau de liquide hydraulique dans le réservoir ; voir Contrôle du niveau de liquide hydraulique.
| Périodicité d'entretien | Procédure d'entretien |
|---|---|
| À chaque utilisation ou une fois par jour |
|
| Tous les 2 ans |
|
Vérifiez chaque jour que les conduites et flexibles hydrauliques ne présentent pas de fuites, ne sont pas pliés, usés, détériorés par les conditions atmosphériques ou les produits chimiques, et que les supports de montage et les raccords ne sont pas desserrés. Effectuez les réparations nécessaires avant d'utiliser la machine.
Important: Faites attention près des joints de la cabine (Figure 81). Si vous utilisez un nettoyeur haute pression, n'approchez pas le jet à moins de 60 cm de la machine. N'utilisez pas le jet haute pression directement sur les joints de la cabine ni sur l'avancée arrière.

| Périodicité d'entretien | Procédure d'entretien |
|---|---|
| Toutes les 400 heures |
|
Enlevez les boutons et les grilles de l'avancée arrière de la cabine (Figure 82).

Déposez les filtres à air de la cabine.
Nettoyez les filtres en soufflant à travers de l'air comprimé propre et exempt d'huile.
Important: Remplacez les filtres s'ils sont percés, déchirés ou autrement endommagés.
Utilisez les boutons et les grilles pour reposer les filtres dans la cabine (Figure 82).
Le rôle du filtre du condenseur de la cabine et d'empêcher les gros débris, tels l'herbe et les feuilles, de pénétrer dans le condenseur et ses ventilateurs.
Tirez le couvercle de protection tout droit vers le bas.
Nettoyez le filtre du condenseur avec de l'eau.
Note: N'utilisez pas de jet haute pression.
Important: Remplacez le filtre s'il est percé, déchiré ou autrement endommagé.
Faites sécher le filtre avant de le monter dans la machine.
Faites pivoter le filtre sur les languettes jusqu'à ce que le pêne s'enclenche dans la gâche (Figure 83).

Note: Le réservoir de liquide lave-glace est situé près du moteur, sur le côté droit de la machine.
Enlevez le bouchon (Figure 85) du réservoir.

Remplissez le réservoir de liquide lave-glace.
Remettez le bouchon sur le réservoir.
Avant de quitter la position d'utilisation, coupez le moteur, enlevez la clé et attendez l'arrêt complet de tout mouvement. Laissez refroidir la machine avant de la régler, d'en faire l'entretien, de la nettoyer ou de la remiser.
Ne rangez pas la machine ni les bidons de carburant à proximité d'une flamme nue, d'une source d'étincelles ou d'une veilleuse, telle celle d'un chauffe-eau ou autre appareil.
Important: Ne nettoyez pas la machine avec de l'eau saumâtre ou recyclée.
Avant de quitter la machine, garez-la sur une surface plane et horizontale, serrez le frein de stationnement, coupez le moteur, enlevez la clé et attendez l'arrêt de tout mouvement.
Nettoyez soigneusement la machine, l'unité de coupe et le moteur.
Important: N'utilisez pas de jet d'eau haute pression près des commandes électriques ou des joints de la cabine au risque de les endommager.
Contrôlez et corrigez la pression des pneus ; voir Contrôle de la pression des pneus.
Contrôlez les conduites et flexibles hydrauliques ; réparez-les si nécessaire.
Contrôlez le niveau de liquide hydraulique ; voir Contrôle du niveau de liquide hydraulique.
Déposez, aiguisez, équilibrez et reposez les lames de l'unité de coupe.
Contrôlez le serrage des fixations et resserrez-les au besoin.
Graissez tous les graisseurs et appliquez de l'huile sur les points de pivotement. Essuyez tout excès de lubrifiant.
Poncez légèrement et retouchez la peinture rayée, écaillée ou rouillée. Réparez les déformations de la carrosserie.