Mantenimiento
Calendario recomendado de mantenimiento
| Intervalo de mantenimiento y servicio | Procedimiento de mantenimiento |
|---|---|
| Después de las primeras 8 horas |
|
| Cada vez que se utilice o diariamente |
|
| Cada 25 horas |
|
| Cada 50 horas |
|
| Cada 100 horas |
|
Limpieza de la rejilla de la tapa
| Intervalo de mantenimiento y servicio | Procedimiento de mantenimiento |
|---|---|
| Cada vez que se utilice o diariamente |
|
Es necesario limpiar las rejillas antes de cada uso. En hierba mojada, será necesario limpiarla más a menudo.
-
Desengrane la toma de fuerza (TDF) y ponga el freno de estacionamiento.
-
Pare el motor, retire la llave y espere a que se detengan todas las piezas en movimiento antes de abandonar el puesto del operador.
-
Abra el capó del ensacador.
-
Limpie la rejilla de residuos.
-
Cierre la tapa del ensacador.
Limpieza del ensacador y de las bolsas
| Intervalo de mantenimiento y servicio | Procedimiento de mantenimiento |
|---|---|
| Cada vez que se utilice o diariamente |
|
El ensacador debe ser limpiado diariamente.
-
Lave el interior y el exterior de la tapa del ensacador, las bolsas, el tubo y los bajos de la carcasa de corte. Utilice un detergente suave para automóviles para eliminar la suciedad.
-
Asegúrese de eliminar la hierba apelmazada de todas las piezas.
-
Después de lavar todas las piezas, deje que se sequen del todo.
Note: Con todas las piezas instaladas, arranque el motor y deje funcionar la máquina durante un minuto para facilitar el secado.
Inspección de la correa de soplador
| Intervalo de mantenimiento y servicio | Procedimiento de mantenimiento |
|---|---|
| Después de las primeras 8 horas |
|
| Cada 25 horas |
|
Compruebe que las correas no tienen grietas, bordes deshilachados, marcas de quemaduras u otros daños. Sustituya cualquier correa dañada.
Sustitución de la correa del soplador en máquinas de 152 cm y 183 cm
-
Desengrane la TDF, mueva las palancas de control de movimiento a la posición de BLOQUEO/PUNTO MUERTO, y ponga el freno de estacionamiento.
-
Pare el motor, retire la llave y espere a que se detengan todas las piezas en movimiento antes de abandonar el puesto del operador.
-
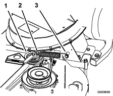
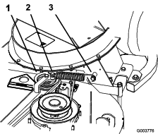
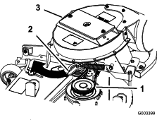
Tire hacia atrás de la polea tensora tensada con muelle para aliviar la tensión de la correa (Figura 42).
-
Retire la correa existente del ensacador de la polea de la carcasa de corte y luego de las poleas del soplador.
-
Instale la correa nueva alrededor de las poleas del soplador y de la polea de la carcasa de corte (Figura 42).

-
Instale el muelle según se muestra en Figura 43.

-
Tire hacia atrás de la polea tensada con muelle e instale la correa en la polea (Figura 42).
Sustitución de la correa del soplador en máquinas de 122 cm y 132 cm
-
Desengrane la TDF, mueva las palancas de control de movimiento a la posición de BLOQUEO/PUNTO MUERTO, y ponga el freno de estacionamiento.
-
Pare el motor, retire la llave y espere a que se detengan todas las piezas en movimiento antes de abandonar el puesto del operador.
-
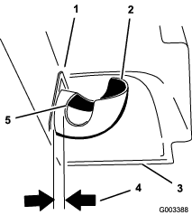
Afloje el perno de guía de la correa (Figura 44).
-
Retire la correa existente del soplador.
-
Instale la correa nueva alrededor de la polea del soplador (Figura 44).
-
Instale la correa entre la polea tensora fija y el perno de guía de la correa.
-
Apriete el perno de guía de la correa (Figura 44).

-
Instale el muelle según se muestra en Figura 45.

-
Coloque la correa sobre la polea tensora tensada con muelle (Figura 44).
Comprobación y ajuste del cierre del soplador
Cierre el conjunto del soplador para ver si los cierres están correctamente ajustados. Afloje o apriete los pernos de manera que los pestillos sujeten firmemente el conjunto del soplador contra la carcasa de corte, pero que puedan ser liberados a mano.

Engrase del brazo de la polea tensora
| Intervalo de mantenimiento y servicio | Procedimiento de mantenimiento |
|---|---|
| Cada 50 horas |
|
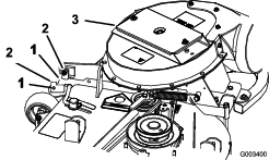
Engrase el brazo de la polea tensora del ensacador (Figura 47) cada 50 horas.

Inspección del ensacador
| Intervalo de mantenimiento y servicio | Procedimiento de mantenimiento |
|---|---|
| Después de las primeras 8 horas |
|
| Cada 100 horas |
|
-
Desengrane la TDF, mueva las palancas de control de movimiento a la posición de BLOQUEO/PUNTO MUERTO, y ponga el freno de estacionamiento.
-
Pare el motor, retire la llave y espere a que se detengan todas las piezas en movimiento antes de abandonar el puesto del operador.
-
Compruebe el tubo superior, el tubo inferior, el capó del ensacador y el conjunto del soplador. Cambie estos componentes si están agrietados o rotos.
-
Compruebe las bolsas, el bastidor del ensacador y la rejilla. Cambie cualquier pieza agrietada o rota.
-
Apriete todos los pernos, tuercas y tornillos.
Inspección de las cuchillas de la segadora
-
Inspeccione las cuchillas de la segadora regularmente, y siempre que una cuchilla haya golpeado algún objeto extraño.
-
Si las cuchillas están muy desgastadas o dañadas, instale cuchillas nuevas. Consulte en el Manual del operador de la máquina los procedimientos completos de mantenimiento de las cuchillas.
Instalación de las cuchillas de la segadora
En la mayoría de las condiciones de siega, las cuchillas de alta elevación de serie proporcionarán el mejor rendimiento de ensacado.
Se recomienda el uso de la cuchilla Toro Atomic para el ensacado de hojas en condiciones secas. En condiciones secas con mucho polvo, las cuchillas de baja o media elevación reducirán la expulsión de polvo y tierra, sin dejar de proporcionar un caudal de aire eficaz para el ensacado.
Póngase en contacto con un Servicio Técnico Autorizado, que dispone de las cuchillas correctas para diferentes condiciones de siega.
Consulte el Manual del operador de las máquinas si necesita más información sobre la instalación de las cuchillas.
Cambio del deflector de hierba
Advertencia
Si el hueco de descarga se deja destapado, la segadora podría arrojar objetos hacia usted o hacia otras personas y causar lesiones graves. También podría producirse un contacto con la cuchilla.
-
No utilice nunca la segadora sin tener instalado una placa de cierre, una placa de mulching o un conducto de hierba con recogedor.
-
Compruebe que el deflector de hierba está bajado.
-
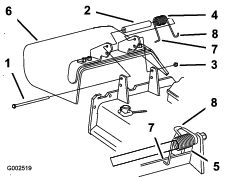
Retire la contratuerca, el perno, el muelle y el espaciador que sujetan el deflector a los soportes de pivote (Figura 48).
-
Retire el deflector de hierba dañado o desgastado.
-
Coloque el espaciador y el muelle en el deflector de hierba. Coloque el extremo en L del muelle detrás del reborde de la carcasa.
Note: Asegúrese de colocar el extremo en L del muelle detrás del reborde de la carcasa antes de instalar el perno, según muestra Figura 48.
-
Instale el perno y la tuerca
-
Coloque el extremo en J del muelle alrededor del deflector de hierba (Figura 48).
Important: El deflector de hierba debe poder bajar a su posición. Levante el deflector para verificar que puede bajar del todo.











































