Onderhoud
Aanbevolen onderhoudsschema
| Onderhoudsinterval | Onderhoudsprocedure |
|---|---|
| Na de eerste 8 bedrijfsuren |
|
| Bij elk gebruik of dagelijks |
|
| Om de 25 bedrijfsuren |
|
| Om de 50 bedrijfsuren |
|
| Om de 100 bedrijfsuren |
|
Het scherm van de kap reinigen.
| Onderhoudsinterval | Onderhoudsprocedure |
|---|---|
| Bij elk gebruik of dagelijks |
|
De schermen moeten voor elk gebruik worden gereinigd. Bij nat gras moeten de schermen vaker worden gereinigd.
-
Schakel de aftakas uit en stel de parkeerrem in werking.
-
Zet de motor af, verwijder het contactsleuteltje en wacht totdat alle bewegende onderdelen tot stilstand zijn gekomen voordat u de bestuurderspositie verlaat.
-
Open de kap van de grasvanger.
-
Verwijder het vuil van het scherm.
-
Sluit de kap van de grasvanger.
Grasvanger en graszakken reinigen
| Onderhoudsinterval | Onderhoudsprocedure |
|---|---|
| Bij elk gebruik of dagelijks |
|
De grasvanger moet dagelijks worden gereinigd.
-
Reinig de binnenzijde en buitenzijde van de kap van de grasvanger, de zakken, de buis en de onderzijde van het maaidek. Gebruik een mild reinigingsmiddel voor auto's om vuil te verwijderen.
-
Let erop dat u aangekoekt gras van alle onderdelen verwijdert.
-
Laat alle onderdelen na het reinigen goed drogen.
Note: Nadat alle onderdelen gemonteerd zijn, kunt u de machine starten en een minuut laten lopen om de machine sneller te laten drogen.
De riem van de blazer inspecteren
| Onderhoudsinterval | Onderhoudsprocedure |
|---|---|
| Na de eerste 8 bedrijfsuren |
|
| Om de 25 bedrijfsuren |
|
Controleer de riemen op scheuren, gerafelde randen, schroeiplekken of andere schade. Vervang beschadigde riemen.
Riem van blazer vervangen voor machines van 152 cm en 183 cm
-
Schakel de aftakas uit, zet de rijhendels in de VERGRENDELDE NEUTRAALSTAND en stel de parkeerrem in werking.
-
Zet de motor af, verwijder het contactsleuteltje en wacht totdat alle bewegende onderdelen tot stilstand zijn gekomen voordat u de bestuurderspositie verlaat.
-
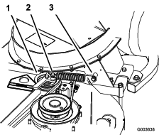
Trek aan de veerbelaste spanpoelie om de riemspanning te verminderen (Figuur 42).
-
Verwijder de bestaande riem van de grasvanger van de maaidekpoelie en vervolgens van de blazerpoelies.
-
Plaats de nieuwe riem rond de blazerpoelies en de maaidekpoelie (Figuur 42).

-
Bevestig de veer zoals wordt getoond in Figuur 43.

-
Trek de veerbelaste spanpoelie terug en plaats de riem op de veerbelaste spanpoelie (Figuur 42).
De blazerriem vervangen voor machines van 122 cm en 132 cm
-
Schakel de aftakas uit, zet de rijhendels in de VERGRENDELDE NEUTRAALSTAND en stel de parkeerrem in werking.
-
Zet de motor af, verwijder het contactsleuteltje en wacht totdat alle bewegende onderdelen tot stilstand zijn gekomen voordat u de bestuurderspositie verlaat.
-
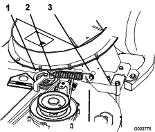
Draai de riemgeleiderbout los (Figuur 44).
-
Verwijder de bestaande blazerriem.
-
Leg de nieuwe riem rond de poelie van de blazer (Figuur 44).
-
Monteer de riem tussen de vaste spanpoelie en de riemgeleiderbout.
-
Draai de riemgeleiderbout vast (Figuur 44).

-
Bevestig de veer zoals wordt getoond in Figuur 45.

-
Monteer de riem op de veerbelaste spanpoelie (Figuur 44).
De vergrendeling van de blazer controleren en aanpassen
Sluit de blazer om te kijken of de vergrendelingen juist zijn aangepast. Draai de bouten vaster of losser zodat de vergrendelingen de blazer stevig tegen het maaidek houden, maar nog wel met de hand kunnen worden losgemaakt.

De arm van de spanpoelie smeren
| Onderhoudsinterval | Onderhoudsprocedure |
|---|---|
| Om de 50 bedrijfsuren |
|
Smeer de arm van de spanpoelie (Figuur 47) om de 50 bedrijfsuren.

De grasvanger controleren.
| Onderhoudsinterval | Onderhoudsprocedure |
|---|---|
| Na de eerste 8 bedrijfsuren |
|
| Om de 100 bedrijfsuren |
|
-
Schakel de aftakas uit, zet de rijhendels in de VERGRENDELDE NEUTRAALSTAND en stel de parkeerrem in werking.
-
Zet de motor af, verwijder het contactsleuteltje en wacht totdat alle bewegende onderdelen tot stilstand zijn gekomen voordat u de bestuurderspositie verlaat.
-
Controleer de bovenste buis, onderste buis, de kap van de grasvanger en de blazer. Vervang deze onderdelen als zij gebarsten of gebroken zijn.
-
Controleer de graszakken, het frame van de grasvanger en het scherm. Vervang onderdelen die gebarsten of gebroken zijn.
-
Draai alle moeren, bouten en schroeven goed aan.
De maaimessen controleren
-
Controleer de maaimessen regelmatig, en altijd als het mes een vreemd voorwerp heeft geraakt.
-
Als de messen sterk zijn versleten of beschadigd, moet u nieuwe messen monteren. Raadpleeg de Gebruikershandleiding van de maaimachine voor het volledige onderhoud van de messen.
Maaimessen monteren
In de meeste maaiomstandigheden bieden de standaardmessen met een hoge vleugel de beste grasvangresultaten.
Het Toro Atomic-mes wordt aanbevolen voor het opvangen van bladeren in droge omstandigheden. In droge, stoffige omstandigheden verminderen de messen met een gemiddelde of lage vleugel de hoeveelheid uitgeblazen stof en vuil terwijl er een effectieve luchtstroom is voor het grasvangen.
Neem contact op met een erkende servicedealer voor informatie over de juiste messen in verschillende maaiomstandigheden.
Raadpleeg de Gebruikershandleiding van de machine voor meer informatie over het monteren van de messen.
Grasgeleider vervangen
Waarschuwing
Als de uitworpopening niet afgedekt is, kan de maaimachine voorwerpen uitwerpen naar u of naar omstanders; dit kan ernstige letsels veroorzaken. Daarnaast kunt u ook in contact komen met het mes.
-
Gebruik de maaimachine nooit zonder afdekplaat, mulchplaat of een graskanaal en een grasvanger.
-
Controleer of de grasgeleider omlaag staat.
-
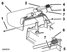
Verwijder de borgmoer, bout, veer en het afstandsstuk waarmee de bevestigingen van de grasgeleider vastzitten op de draaibeugels (Figuur 48).
-
Verwijder een beschadigde of versleten grasgeleider.
-
Plaats het afstandsstuk en de veer op de grasgeleider. Plaats het L-vormige uiteinde van de veer achter de rand van het maaidek.
Note: Zorg ervoor dat het L-vormige uiteinde van de veer is gemonteerd achter de rand van het maaidek voordat u de bout plaatst zoals wordt aangegeven in Figuur 48.
-
Monteer de bout en de moer.
-
Plaats het J-vormige haakuiteinde van de veer om de grasgeleider (Figuur 48).
Important: De grasgeleider moet volledig omlaag kunnen klappen. Til de grasgeleider omhoog om te controleren of deze volledig omlaag klapt.











































