Manutenzione
Programma di manutenzione raccomandato
| Cadenza di manutenzione | Procedura di manutenzione |
|---|---|
| Dopo le prime 8 ore |
|
| Prima di ogni utilizzo o quotidianamente |
|
| Ogni 25 ore |
|
| Ogni 50 ore |
|
| Ogni 100 ore |
|
Pulizia della griglia del cofano
| Cadenza di manutenzione | Procedura di manutenzione |
|---|---|
| Prima di ogni utilizzo o quotidianamente |
|
Pulite sempre gli schermi prima dell’utilizzo. Puliteli più spesso quando l’erba è bagnata.
-
Disinnestate la presa di forza e innestate il freno di stazionamento.
-
Prima di scendere dalla postazione di guida spegnete il motore, togliete la chiave di accensione e attendete che si fermino tutte le parti in movimento.
-
Aprite il cofano del sistema di raccolta.
-
Togliete i detriti dalla griglia.
-
Chiudete il cofano del sistema di raccolta.
Pulizia del sistema di raccolta e dei cesti
| Cadenza di manutenzione | Procedura di manutenzione |
|---|---|
| Prima di ogni utilizzo o quotidianamente |
|
È necessario pulire il sistema di raccolta quotidianamente.
-
Lavate, dentro e fuori, il cofano del sistema di raccolta, i cesti, il tubo e il sottoscocca del tosaerba. Rimuovete la morchia con un detersivo neutro per automobili.
-
Non dimenticate di eliminare l’erba feltrata da tutti i componenti.
-
Dopo avere lavato tutti i componenti, lasciateli asciugare completamente.
Note: Quando avete montato tutti i componenti, avviate la macchina e lasciatela in moto per un minuto, perché si asciughi meglio.
Ispezione della cinghia del soffiatore.
| Cadenza di manutenzione | Procedura di manutenzione |
|---|---|
| Dopo le prime 8 ore |
|
| Ogni 25 ore |
|
Verificate che non ci siano incrinature, bordi usurati per sfregamento, segni di bruciato o altri danni. Sostituite le cinghie avariate.
Sostituzione della cinghia del soffiatore per macchine con piatti di taglio da 152 cm e 183 cm
-
Disinnestate la PDF, spostate le leve di controllo del movimento in posizione di BLOCCO IN FOLLE e inserite il freno di stazionamento.
-
Prima di scendere dal posto di guida dell'operatore, spegnete il motore, togliete la chiave di accensione e attendete che si fermino tutte le parti in movimento.
-
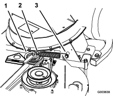
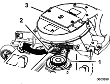
Tirate indietro la puleggia tendicinghia a molla, per allentare la tensione della cinghia (Figura 42).
-
Togliete la cinghia del sistema di raccolta dalla puleggia del piatto di taglio del tosaerba e poi dalle pulegge del soffiatore.
-
Montate la nuova cinghia attorno alle pulegge del soffiatore e alla puleggia del piatto di taglio del tosaerba (Figura 42).

-
Montate la molla come illustra Figura 43.

-
Tirate indietro la puleggia tendicinghia a molla e installate la cinghia nella puleggia tendicinghia a molla (Figura 42).
Sostituzione della cinghia del soffiatore per macchine con piatti di taglio da 122 cm e 132 cm
-
Disinnestate la PDF, spostate le leve di controllo del movimento in posizione di BLOCCO IN FOLLE e inserite il freno di stazionamento.
-
Prima di scendere dal posto di guida dell'operatore, spegnete il motore, togliete la chiave di accensione e attendete che si fermino tutte le parti in movimento.
-
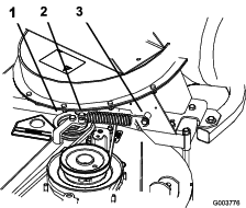
Allentate il bullone del guidacinghia (Figura 44).
-
Togliete la cinghia del soffiatore.
-
Montate la nuova cinghia sulla puleggia del soffiatore (Figura 44).
-
Montate la cinghia tra la puleggia di rinvio fissa e il bullone del guidacinghia.
-
Serrate il bullone del guidacinghia (Figura 44).

-
Montate la molla come illustra Figura 45.

-
Installate la cinghia sulla puleggia tendicinghia a molla (Figura 44).
Controllo e regolazione del dispositivo di fermo del soffiatore
Chiudete il gruppo soffiatore per vedere se i dispositivi di fermo sono regolati correttamente. Allentate o serrate i bulloni in modo che i dispositivi di fermo tengano saldamente il gruppo soffiatore contro il piatto di taglio, ma possano essere rilasciati manualmente.

Lubrificazione del braccio di rinvio
| Cadenza di manutenzione | Procedura di manutenzione |
|---|---|
| Ogni 50 ore |
|
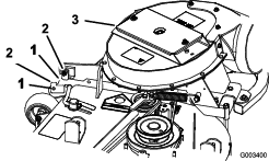
Lubrificate il braccio di rinvio della cinghia del sistema di raccolta (Figura 47) ogni 50 ore.

Controllo del sistema di raccolta
| Cadenza di manutenzione | Procedura di manutenzione |
|---|---|
| Dopo le prime 8 ore |
|
| Ogni 100 ore |
|
-
Disinnestate la PDF, spostate le leve di controllo del movimento in posizione di BLOCCO IN FOLLE e inserite il freno di stazionamento.
-
Prima di scendere dal posto di guida dell’operatore, spegnete il motore, togliete la chiave di accensione e attendete che si fermino tutte le parti in movimento.
-
Controllate il tubo superiore, il tubo inferiore, il cofano e il gruppo soffiatore. Se sono incrinati o rotti, sostituiteli.
-
Controllate i cesti, il telaio del sistema di raccolta e la griglia. Se un qualunque componente è rotto o incrinato, sostituitelo.
-
Serrate tutti i dadi, i bulloni e le viti.
Controllo delle lame del tosaerba
-
Controllate periodicamente le lame del tosaerba ed ogni volta che una lama colpisce un corpo estraneo.
-
Sostituite con delle lame nuove le lame usurate o danneggiate. Per la manutenzione completa delle lame si rimanda al Manuale dell'operatore della macchina.
Installazione delle lame del tosaerba
Nella maggior parte delle condizioni di tosatura, le lame ad alto sollevamento standard offriranno le prestazioni di insaccamento migliori.
La lama Toro Atomic è consigliata per la raccolta di foglie quando è asciutto. In ambienti asciutti e polverosi le lame a medio o basso sollevamento ridurranno l'espulsione di polvere e morchia assicurando un flusso d'aria d'insaccamento efficace.
Per ottenere le lame adatte a diverse condizioni di tosatura, rivolgetevi a un Centro Assistenza autorizzato.
Per ulteriori informazioni sull'installazione delle lame, si rimanda al Manuale dell'operatore della macchina.
Sostituzione del deflettore di sfalcio
Avvertenza
Lasciando scoperta l’apertura di scarico si permette al tosaerba di scagliare oggetti in direzione dell’operatore o di astanti, causando gravi lesioni; è inoltre possibile venire a contatto con la lama.
-
Non utilizzate mai il tosaerba se non avete montato una piastra di copertura, una piastra di mulching, o un camino di scarico ed un raccoglitore.
-
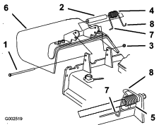
Accertatevi che il deflettore di sfalcio sia abbassato.
-
Togliete il dado di bloccaggio, il bullone, la molla e il distanziale che fissano il deflettore alle staffe orientabili del tosaerba (Figura 48).
-
Togliete il deflettore dell’erba tagliata se è danneggiato o consumato.
-
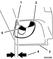
Inserite il distanziale e la molla sul deflettore dell’erba. Inserite l’estremità a L della molla dietro il bordo del piatto di taglio.
Note: Verificate che l'estremità a L della molla si trovi dietro il bordo del piatto di taglio prima di montare il bullone, come illustrato in Figura 48
-
Montate il bullone e il dado.
-
Infilate l'estremità a gancio J della molla attorno al deflettore di sfalcio (Figura 48).
Important: Il deflettore deve potersi abbassare nella posizione prevista. Alzate il deflettore e verificate che quando scatta si abbassi completamente.











































