Kunnossapito
Kunnossapitotaulukko
| Huoltoväli | Huoltotoimenpide |
|---|---|
| 8 ensimmäisen käyttötunnin jälkeen |
|
| Aina ennen käyttöä tai päivittäin |
|
| 25 käyttötunnin välein |
|
| 50 käyttötunnin välein |
|
| 100 käyttötunnin välein |
|
Suojuksen säleikön puhdistus
| Huoltoväli | Huoltotoimenpide |
|---|---|
| Aina ennen käyttöä tai päivittäin |
|
Säleiköt on puhdistettava ennen jokaista käyttökertaa. Kosteassa ruohossa ne on puhdistettava useammin.
-
Vapauta voimanulosotto (PTO) ja kytke seisontajarru.
-
Sammuta moottori, irrota avain ja odota, että kaikki liikkuvat osat ovat pysähtyneet, ennen kuin poistut käyttäjän paikalta.
-
Avaa kerääjän suojus.
-
Puhdista säleikkö roskista.
-
Sulje kerääjän suojus.
Kerääjän ja keräinten puhdistus
| Huoltoväli | Huoltotoimenpide |
|---|---|
| Aina ennen käyttöä tai päivittäin |
|
Kerääjä on puhdistettava päivittäin.
-
Pese sisä- ja ulkopuolelta kerääjän suojus, keräimet sekä putki ja pese leikkuupöydän alapuoli. Poista lika miedolla autoissa käytettävällä puhdistusaineella.
-
Varmista, että kaikki osiin takertunut ruoho poistetaan.
-
Kun osat on pesty, anna niiden kuivua täysin.
Note: Kun kaikki osat on asennettu, käynnistä kone ja anna sen käydä minuutti. Tämä nopeuttaa kuivumista.
Puhaltimen hihnan tarkistus
| Huoltoväli | Huoltotoimenpide |
|---|---|
| 8 ensimmäisen käyttötunnin jälkeen |
|
| 25 käyttötunnin välein |
|
Tarkasta, ettei hihnoissa ole murtumia, rispaantuneita reunoja, palojälkiä tai muita vaurioita. Vaihda vaurioituneet hihnat.
Puhaltimen hihnan vaihto (152 cm:n ja 183 cm:n koneet)
-
Vapauta voimanulosotto, lukitse liikkeenohjausvivut VAPAALLE ja kytke seisontajarru.
-
Sammuta moottori, irrota avain ja odota, että kaikki liikkuvat osat ovat pysähtyneet, ennen kuin poistut käyttäjän paikalta.
-
Vedä jousikuormitteinen kiristinpyörä taakse, jotta hihnan kireys hellittää (Kuva 42).
-
Irrota nykyinen kerääjän hihna leikkuupöydän hihnapyörästä ja sitten puhaltimen hihnapyöristä.
-
Asenna uusi hihna puhaltimen hihnapyörien ja leikkuupöydän hihnapyörän ympärille (Kuva 42).

-
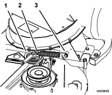
Asenna jousi kuvan mukaisesti (Kuva 43).

-
Vedä jousikuormitteinen kiristinpyörä taakse ja asenna hihna jousikuormitteiseen kiristinpyörään (Kuva 42).
Puhaltimen hihnan vaihto (122 cm:n ja 132 cm:n koneet)
-
Vapauta voimanulosotto, lukitse liikkeenohjausvivut VAPAALLE ja kytke seisontajarru.
-
Sammuta moottori, irrota avain ja odota, että kaikki liikkuvat osat ovat pysähtyneet, ennen kuin poistut käyttäjän paikalta.
-
Löysää hihnaohjaimen pulttia (Kuva 44).
-
Irrota vanha puhaltimen hihna.
-
Asenna uusi hihna puhaltimen hihnapyörän ympärille (Kuva 44).
-
Asenna hihna kiinteän kiristinpyörän ja hihnaohjaimen pultin väliin.
-
Kiristä hihnaohjaimen pultti (Kuva 44).

-
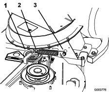
Asenna jousi kuvan mukaisesti (Kuva 45).

-
Asenna hihna jousikuormitteiseen kiristinpyörään (Kuva 44).
Puhaltimen salvan tarkistus ja säätö
Sulje puhallinkokoonpano ja tarkista, että salvat on säädetty oikein. Löysää tai kiristä pultteja siten, että salvat pitävät puhallinkokoonpanon tiukasti leikkuupöytää vasten, mutta kuitenkin siten, että salvat voidaan vapauttaa käsin.

Kiristinpyörän varren rasvaus
| Huoltoväli | Huoltotoimenpide |
|---|---|
| 50 käyttötunnin välein |
|
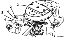
Rasvaa kerääjän hihnan kiristinpyörän varsi (Kuva 47) 50 tunnin välein.

Kerääjän tarkastus
| Huoltoväli | Huoltotoimenpide |
|---|---|
| 8 ensimmäisen käyttötunnin jälkeen |
|
| 100 käyttötunnin välein |
|
-
Vapauta voimanulosotto, lukitse liikkeenohjausvivut VAPAALLE ja kytke seisontajarru.
-
Sammuta moottori, irrota avain ja odota, että kaikki liikkuvat osat ovat pysähtyneet, ennen kuin poistut käyttäjän paikalta.
-
Tarkista ylempi putki, alempi putki, kerääjän suojus ja puhallinkokoonpano. Vaihda murtuneet tai rikkoutuneet osat.
-
Tarkista keräimet, kerääjän runko ja säleikkö. Vaihda murtuneet tai rikkoutuneet osat.
-
Kiristä kaikki mutterit, pultit ja ruuvit.
Leikkurin terien tarkistus
-
Tarkista leikkurin terät säännöllisesti ja aina, kun terä osuu esteeseen.
-
Jos terät ovat pahoin kuluneita tai vaurioituneita, asenna uudet terät. Koneen käyttöoppaassa on kattavat terien huolto-ohjeet.
Leikkurin terien asennus
Useimmissa leikkausolosuhteissa korkeiden vakioterien avulla saavutetaan paras keräystulos.
Toron Atomic-teriä suositellaan kuivien lehtien keräämiseen. Kuivissa ja pölyisissä olosuhteissa keskikorkeat ja matalat terät vähentävät ulos puhallettavan pölyn ja lian määrää ja tehostavat samalla kerääjän ilmavirtaa.
Hanki eri leikkausolosuhteisiin soveltuvat terät valtuutetusta huoltoliikkeestä.
Koneen käyttöoppaassa on lisätietoja terien asentamisesta.
Suuntaimen vaihto
Vaara
Jos heittoaukko ei ole peitossa, leikkuri saattaa singota esineitä käyttäjän tai sivullisten suuntaan, mistä voi olla seurauksena vakava tapaturma. Seurauksena voi olla myös kosketus terään.
-
Älä koskaan käytä leikkuria ilman suojuslevyä, leikkuujätelevyä tai ruohosuppiloa ja ruohonkerääjää.
-
Varmista, että suuntain on ala-asennossa.
-
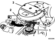
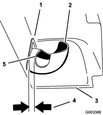
Irrota lukkomutteri, pultti, jousi ja välikappale, jotka kiinnittävät suuntaimen kääntökannattimiin (Kuva 48).
-
Irrota vaurioitunut tai kulunut suuntain.
-
Aseta välikappale ja jousi suuntaimeen. Aseta jousen L-pää leikkuupöydän reunan taakse.
Note: Varmista, että jousen L-pää on asennettu leikkuupöydän reunan taakse ennen pultin asennusta (Kuva 48).
-
Asenna pultti ja mutteri.
-
Aseta jousen J-koukkupää suuntaimen ympärille (Kuva 48).
Important: Suuntaimen on pystyttävä laskeutumaan asentoonsa. Nosta suuntain ylös ja testaa, että se on laskettavissa täysin alas.











































