Maintenance
Recommended Maintenance Schedule(s)
| Maintenance Service Interval | Maintenance Procedure |
|---|---|
| After the first 8 hours |
|
| After the first 100 hours |
|
| Before each use or daily |
|
| Every 25 hours |
|
| Every 50 hours |
|
| Every 100 hours |
|
Cleaning the Bagger Screen
| Maintenance Service Interval | Maintenance Procedure |
|---|---|
| Before each use or daily |
|
Clean the screen before each use (more often in wet grass).
-
Disengage the power take off (PTO) and set the parking brake.
-
Turn off the engine, remove the key, and wait for all moving parts to stop before leaving the operating position.
-
Open the bagger.
-
Clean the debris from the screen.
-
Close the bagger.
Cleaning the Collection System
| Maintenance Service Interval | Maintenance Procedure |
|---|---|
| Before each use or daily |
|
-
Wash the inside and outside of the bagger hood, tube, and the underside of the mower. Use a mild automotive detergent to remove dirt.
-
Make sure you remove matted grass from all parts.
-
After washing all parts, let them dry thoroughly.
Note: With all parts installed, start and run the machine for a minute to assist in drying.
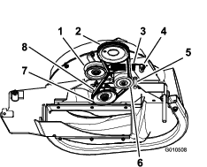
Inspecting the Blower Belt
| Maintenance Service Interval | Maintenance Procedure |
|---|---|
| After the first 8 hours |
|
| Every 25 hours |
|
Check the belts for cracks, frayed edges, burn marks, or any other damage. Replace damaged belts.
Replacing the Blower Belt for 60- and 72-inch Mowers
-
Disengage the PTO, move the motion-control levers to the NEUTRAL-LOCKED position, and set the parking brake.
-
Stop the engine, remove the key, and wait for all moving parts to stop before leaving the operating position.
-
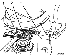
Pull back on the spring-loaded idler pulley to relieve the belt tension (Figure 40).
-
Remove the existing bagger belt from the mower-deck pulley and then the blower pulleys.
-
Install the new belt around the blower pulleys and the mower-deck pulley (Figure 40).

-
Install the spring as shown in Figure 41.

-
Pull back on the spring-loaded idler pulley and install the belt onto the spring-loaded idler pulley (Figure 40).
Replacing the Blower Belt for 48- and 52-inch Mowers
-
Disengage the PTO, move the motion-control levers to the NEUTRAL-LOCKED position, and set the parking brake.
-
Stop the engine, remove the key, and wait for all moving parts to stop before leaving the operating position.
-
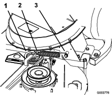
Loosen the belt guide bolt (Figure 42).
-
Remove the existing blower belt.
-
Install the new belt around the blower pulley (Figure 42).
-
Install the belt between the fixed-idler pulley and the belt-guide bolt.
-
Tighten the belt guide bolt (Figure 42).

-
Install the spring as shown in Figure 43.

-
Install the belt onto the spring-loaded idler pulley (Figure 42).
Checking and Adjusting the Blower Latch
Close the blower assembly to see if the latches are adjusted correctly. Loosen or tighten the bolts so the latches firmly hold the blower assembly against the mower deck but can be released by hand.

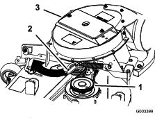
Greasing the Idler Arm and Handle Pivot
Inspecting the Collection System
| Maintenance Service Interval | Maintenance Procedure |
|---|---|
| After the first 8 hours |
|
| Every 100 hours |
|
-
Disengage the PTO, move the motion-control levers to the NEUTRAL-LOCKED position, and set the parking brake.
-
Stop the engine, remove the key, and wait for all moving parts to stop before leaving the operating position.
-
Check the upper tube, lower tube, bagger, and the blower assembly.
Note: Replace these parts if they are cracked or broken.
-
Check the bagger frame.
Note: Replace any parts that are cracked or broken.
-
Tighten all nuts bolts and screws.
Adjusting the Closed Door for 60- and 72-inch Mowers
-
Disengage the PTO, move the motion-control levers to the NEUTRAL-LOCKED position, and set the parking brake.
-
Stop the engine, remove the key, and wait for all moving parts to stop before leaving the operating position.
-
With the door closed, loosen the nuts and adjust the stop bolts so that the contact arm is straight up and down (Figure 47).
-
Adjust the length of the hinge links to so that the door completely closes and reasonable force is on the handle (Figure 47).
Note: Lengthen the links to reduce the force. Shorten the links to increase the force
Note: Make sure that both the left and right sides are adjusted the same distance. With the door closed, the links should be slightly tight to minimize rattling.
-
Tighten the nuts.

Adjusting the Open Door for 60- and 72-inch Mowers
Note: Perform this procedure after adjusting the door to completely close.
Adjust the handle link to so that the door opens as much as possible(Figure 48 and Figure 49).
Note: Lengthen the handle link to open the door farther. Shorten the handle link to open the door less
Note: How far the door opens is controlled by the contact arm hitting the stop. The stop is not adjustable and prevents the door from being opened too far.


Adjusting the Latches for 60- and 72-inch Mowers
Note: Adjust the open door and closed door positions before adjusting the latches.
-
Disengage the PTO, move the motion-control levers to the NEUTRAL-LOCKED position, and set the parking brake.
-
Stop the engine, remove the key, and wait for all moving parts to stop before leaving the operating position.
-
Close the door.
-
Ensure that the latches completely engage and contacts the latch rod welded to the door (Figure 50).
Note: The latches need to be tight against the latch rod. They need to be loose enough to move or wiggle.

Adjusting the Arm Position for 48- and 52-inch Mowers
The left and right bellcrank arms need to be equally positioned from the upper frame tube for proper use.
-
Disengage the PTO, move the motion-control levers to the NEUTRAL-LOCKED position, and set the parking brake.
-
Stop the engine, remove the key, and wait for all moving parts to stop before leaving the operating position.
-
Remove the side plate from both sides of the bagger (Figure 51).

-
Check the distance between the left and right bellcranks and the upper frame tube.
Note: These dimensions need to be the same on both sides.
-
To make the distances equal, loosen the Allen-head bolt on the hub of the right bellcrank (Figure 52).
-
Position the bellcrank arms the same distance from the upper frame tube.
-
Tighten the Allen-head bolt and install the side plates.

Adjusting the Closed Door for 48- and 52-inch Mowers
-
Disengage the PTO, move the motion-control levers to the NEUTRAL-LOCKED position, and set the parking brake.
-
Stop the engine, remove the key, and wait for all moving parts to stop before leaving the operating position.
-
With the door closed, check and ensure that it is slightly tight against the frame when closed.
-
If adjustment is needed, adjust the nuts.
Note: Lengthen the links to reduce the force. Shorten the links to increase the force.
Note: Make sure that both the left and right sides are adjusted the same distance. With the door closed, the links should be slightly tight to minimize rattling.
-
Tighten the nuts.

Adjusting the Open Door for 48- and 52-inch Mowers
Perform this after adjusting the closed door.
-
Remove the side plate from both sides of the bagger (Figure 54).

-
Open the door.
-
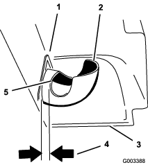
Check the distance between the upper tube of the door frame and the lower lip of the molded hood (Figure 55).
Note: The distance should be between 3.2 mm (1/8 inch) and 9.6 mm (3/8 inch).

-
If adjustment is needed, adjust the hinge stops on both sides so that the distance between the upper tube of the door frame and the lower lip of the molded hood is between an 3.2 mm (1/8 inch) and 9.6 mm (3/8 inch).
Note: Make sure that both the left and right hinge stops are adjusted the same distance.
-
Tighten the nuts and install the side plates.

Adjusting the Parking Brake
| Maintenance Service Interval | Maintenance Procedure |
|---|---|
| After the first 100 hours |
|
Refer to the Operator’s Manual for the machine to adjust the parking brake.
Inspecting the Mower Blades
-
Inspect the mower blades regularly and whenever a blade strikes a foreign object.
-
If blades are badly worn or damaged, install new blades. Refer to your mower Operator's Manual for complete blade maintenance.
Installing the Mower Blades
In most mowing conditions, the standard high-lift blades will provide the best bagging performance.
The Toro Atomic blade is recommended for bagging leaves in dry conditions. In dry dusty conditions, the medium-lift or low-lift blades reduces dust and dirt blowout while providing effective bagging air flow.
Contact an Authorized Service Dealer for the proper blades for different mowing conditions.
Refer to the mower Operator's Manual for more information on installing blades.
Installing the Grass Deflector
Warning
An uncovered discharge opening could allow the lawn mower to throw objects at you or others and result in serious injury. Also, contact with the blade could occur.
-
Never operate the lawn mower unless you install a cover plate, a mulch plate, or a grass chute and catcher.
-
Make sure that the grass deflector is in the down position.
-
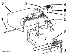
Remove the locknut, bolt, spring and spacer holding the deflector to the pivot brackets (Figure 57).
-
Remove the damaged or worn grass deflector.
-
Place the spacer and spring onto the grass deflector.
Note: Place the L end of the spring behind the deck edge.
Note: Make sure that the L end of the spring is installed behind the deck edge before installing the bolt as shown in Figure 57
-
Install the bolt and nut.
-
Place the J-hook end of the spring around the grass deflector (Figure 57).
Important: The grass deflector must be able to lower down into position. Lift the deflector up to test that it lowers into the full down position.


















































