Maintenance
Recommended Maintenance Schedule(s)
| Maintenance Service Interval | Maintenance Procedure |
|---|---|
| After the first 8 hours |
|
| Before each use or daily |
|
| Every 25 hours |
|
| Every 50 hours |
|
| Every 100 hours |
|
Cleaning the Hood Screen
| Maintenance Service Interval | Maintenance Procedure |
|---|---|
| Before each use or daily |
|
The screens need to be cleaned before each use. In wet grass they will need to be cleaned more often.
-
Disengage the power take-off (PTO) and engage the parking brake.
-
Shut off the engine, remove the key, and wait for all moving parts to stop before leaving the operating position.
-
Open the bagger hood.
-
Clean the debris from the screen.
-
Close the bagger hood.
Cleaning the Bagger and Bags
| Maintenance Service Interval | Maintenance Procedure |
|---|---|
| Before each use or daily |
|
The bagger needs to be cleaned daily.
-
Wash the inside and outside of the bagger hood, bags, tube, and the underside of the mower deck. Use a mild automotive detergent to remove dirt.
-
Make sure that you remove matted grass from all parts.
-
After washing all the parts, let them dry thoroughly.
Note: With all parts installed, start and run the machine for a minute to assist in drying.
Inspecting the Blower Belt
| Maintenance Service Interval | Maintenance Procedure |
|---|---|
| After the first 8 hours |
|
| Every 25 hours |
|
Check belts for cracks, frayed edges, burn marks or any other damage. Replace damaged belts.
Replacing the Blower Belt for 60- and 72-inch Machines
-
Disengage the PTO, move the motion-control levers to the NEUTRAL-LOCKED position, and engage the parking brake.
-
Shut off the engine, remove the key, and wait for all moving parts to stop before leaving the operating position.
-
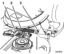
Pull back on the spring-loaded idler pulley to relieve the belt tension (Figure 43).
-
Remove the existing bagger belt from the mower-deck pulley and then the blower pulleys.
-
Install the new belt around the blower pulleys and the mower-deck pulley (Figure 43).

-
Install the spring as shown in Figure 44.

-
Pull back on the spring-loaded idler pulley and install the belt onto the spring-loaded idler pulley (Figure 43).
Replacing the Blower Belt for 48- and 52-inch Machines
-
Disengage the PTO, move the motion-control levers to the NEUTRAL-LOCKED position, and engage the parking brake.
-
Shut off the engine, remove the key, and wait for all moving parts to stop before leaving the operating position.
-
Loosen the belt-guide bolt (Figure 45).
-
Remove the existing blower belt.
-
Install the new belt around the blower pulley (Figure 45).
-
Install the belt between the fixed-idler pulley and the belt-guide bolt.
-
Tighten the belt-guide bolt (Figure 45).

-
Install the spring as shown in Figure 46.

-
Install the belt onto the spring-loaded idler pulley (Figure 45).
Checking and Adjusting the Blower Latch
Close the blower assembly to see if the latches are adjusted correctly. Loosen or tighten the bolts so that the latches firmly hold the blower assembly against the mower deck but can be released by hand.

Greasing the Idler Arm
| Maintenance Service Interval | Maintenance Procedure |
|---|---|
| Every 50 hours |
|
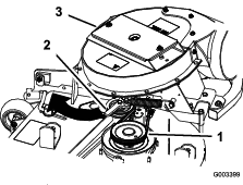
Grease the bagger belt idler arm (Figure 48) every 50 hours.

Inspecting the Bagger
| Maintenance Service Interval | Maintenance Procedure |
|---|---|
| After the first 8 hours |
|
| Every 100 hours |
|
-
Disengage the PTO, move the motion-control levers to the NEUTRAL-LOCKED position, and engage the parking brake.
-
Shut off the engine, remove the key, and wait for all moving parts to stop before leaving the operating position.
-
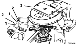
Check the upper tube, lower tube, bagger hood, and the blower assembly. Replace these parts if they are cracked or broken.
-
Check the bags, bagger frame, and screen. Replace any parts that are cracked or broken.
-
Tighten all nuts, bolts and screws.
Inspecting the Mower Blades
-
Inspect the mower blades regularly and whenever a blade strikes a foreign object.
-
If blades are badly worn or damaged, install new blades. Refer to your machine Operator's Manual for complete blade maintenance.
Installing the Mower Blades
In most mowing conditions, the standard high lift blades will provide the best bagging performance.
The Toro Atomic blade is recommended for bagging leaves in dry conditions. In dry dusty conditions, the medium lift or low lift blades will reduce dust and dirt blowout while providing effective bagging air flow.
Contact an Authorized Service Dealer for the proper blades for different mowing conditions.
Refer to the machines Operator's Manual for more information on installing blades.
Replacing the Grass Deflector
Warning
An uncovered discharge opening could allow the lawn mower to throw objects at you or bystanders, resulting in serious injury. Also, contact with the blade could occur.
-
Never operate the lawn mower unless you install a cover plate, a mulch plate, or a grass chute and catcher.
-
Make sure that the grass deflector is in the down position.
-
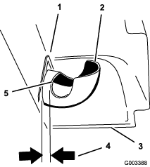
Remove the locknut, bolt, spring and spacer holding the deflector to the pivot brackets (Figure 49).
-
Remove the damaged or worn grass deflector.
-
Place the spacer and spring onto the grass deflector. Place the L-end of the spring behind the deck edge.
Note: Make sure that the L-end of the spring is installed behind the deck edge before installing the bolt as shown in Figure 49
-
Install the bolt and nut.
-
Place the J-hook end of the spring around the grass deflector (Figure 49).
Important: The grass deflector must be able to lower down into position. Lift the deflector up to test that it lowers into the full down position.









































