Bảo trì
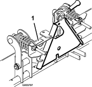
Bôi mỡ Đầu nối Bộ gá
Nếu cần khoá trên đầu nối bộ gá không thể xoay tự do và dễ dàng, hãy bôi một lớp mỡ nhẹ lên khu vực được minh họa trong Hình 7.

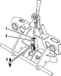
Điều chỉnh lò xo thanh khởi động
Lò xo và thanh khởi động được điều chỉnh tại nhà máy. Tuy nhiên, nếu lắp đặt các bộ phận mới hoặc tháo lò xo vì bất kỳ lý do gì, chiều dài lò xo cần phải được điều chỉnh thành 5,24 inch (133 mm) như minh họa trong Hình 8.

Cân bằng lưỡi dao máy san hoàn thiện
Để cân bằng lưỡi sao so với bộ kéo, hãy đặt bộ kéo trên bề mặt bằng phẳng (chẳng hạn như đường xe chạy bằng bê tông) và thay đổi áp suất lốp sau một chút nếu cần.
Đảo ngược lưỡi dao máy chà
Lưỡi dao máy chà (Hình 9) có thể được đảo ngược để có bề mặt mài mòn thứ hai sau khi mép ban đầu đã bị mòn quá mép dưới của hộp đựng máy san hoàn thiện mà nó được gắn vào.

Thiết bị tùy chọn
| Bộ bừa | Số bộ phận 140-0274 |
| Bộ đối trọng (Bắt buộc khi sử dụng 140-0274) | Số bộ phận 100-6442 |
| Gói răng cacbua (bao gồm 15 răng) | Số bộ phận 119-2152 |
| Răng nhổ cỏ (cần 15 răng cho mỗi máy) | Số bộ phận 110-0260-0P |
| Lưỡi dao nhổ cỏ (cần 5 lưỡi dao cho mỗi máy) | Số bộ phận 132-4427-0P |







