Bảo trì
Cảnh báo
Không bảo trì máy đúng cách có thể khiến hệ thống máy sớm bị hỏng, dẫn đến khả năng gây hại cho bạn hoặc những người xung quanh.
Giữ cho máy được bảo trì tốt và trong trạng thái hoạt động tốt như được chỉ ra trong hướng dẫn này.
Note: Xác định các mặt bên trái và bên phải của máy từ vị trí vận hành bình thường.
An toàn Bảo trì
-
Trước khi bạn rời khỏi vị trí của người vận hành, hãy làm như sau:
-
Đỗ máy trên bề mặt bằng phẳng.
-
Tắt (các) dao xoắn.
-
Đảm bảo lực kéo ở vị trí tự do.
-
Gài phanh tay.
-
Tắt máy và rút chìa khoá (nếu được trang bị).
-
Chờ cho tất cả chuyển động dừng lại.
-
-
Để các bộ phận của máy nguội trước khi tiến hành bảo trì.
-
Nếu có thể, không thực hiện bảo trì trong khi máy đang chạy. Tránh xa các bộ phận đang chuyển động.
-
Nếu máy phải đang chạy để thực hiện điều chỉnh bảo trì, hãy giữ tay, chân, quần áo và bất kỳ bộ phận nào của cơ thể tránh xa dao xoắn, bộ phận gắn kèm và bất kỳ bộ phận đang chuyển động nào. Người xung quanh phải tránh xa.
-
Làm sạch cỏ và mảnh vụn khỏi dao xoắn, bộ phận truyền động, động cơ và ắc quy để giúp phòng ngừa hỏa hoạn.
-
Giữ tất cả các bộ phận ở tình trạng hoạt động tốt. Thay thế tất cả các phụ tùng và nhãn mác bị mòn, hư hỏng hoặc còn thiếu. Siết chặt tất cả các phần cứng để đảm bảo máy ở trong tình trạng hoạt động an toàn.
-
Thường xuyên kiểm tra các bộ phận của bộ hứng cỏ và thay thế khi cần thiết.
-
Để đảm bảo máy hoạt động an toàn, tối ưu, chỉ sử dụng các phụ tùng thay thế chính hãng của Toro. Các phụ tùng thay thế do các nhà sản xuất khác sản xuất có thể gây nguy hiểm và việc sử dụng chúng có thể làm mất hiệu lực bảo hành của sản phẩm.
-
Nếu cần sửa chữa lớn hoặc nếu cần hỗ trợ, vui lòng liên hệ với nhà phân phối Toro được ủy quyền.
(Các) Lịch trình Bảo trì Khuyến nghị
| Khoảng thời gian Dịch vụ Bảo trì | Quy trình Bảo trì |
|---|---|
| Sau mỗi lần sử dụng |
|
| 750 giờ một lần |
|
Danh sách Kiểm tra Bảo trì Hàng ngày
Important: Sao chép trang này để sử dụng thường xuyên.
| Hạng mục Kiểm tra Bảo trì | Cho tuần từ: | ||||||
|---|---|---|---|---|---|---|---|
| Thứ Hai | Thứ Ba | Thứ Tư | Thứ Năm | Thứ Sáu | Thứ Bảy | Chủ Nhật | |
| Kiểm tra hoạt động của cần khoá phanh. | |||||||
| Kiểm tra tiếng ồn bất thường khi vận hành. | |||||||
| Kiểm tra điều chỉnh tiếp xúc giữa guồng xoắn và dao bụng. | |||||||
| Kiểm tra điều chỉnh độ cao cắt. | |||||||
| Đánh lại lớp sơn bị hỏng. | |||||||
| Vệ sinh máy. | |||||||
| Người thực hiện kiểm tra: | ||
| Mục | Ngày | Thông tin |
Quy trình Trước Bảo trì
Chuẩn bị Máy để Bảo trì
Cảnh báo
Trong khi bạn đang bảo trì hoặc điều chỉnh máy, có người có thể khởi động máy. Vô tình khởi động máy có thể khiến bạn hoặc những người xung quanh khác bị thương nghiêm trọng.
Tháo cần kéo, bật phanh đỗ, rút chìa khóa và ngắt kết nối ắc quy trước khi thực hiện bất kỳ bảo dưỡng nào.
Thực hiện các bước sau trước khi bảo dưỡng, vệ sinh hoặc thực hiện bất kỳ điều chỉnh nào đối với máy:
-
Đỗ máy trên bề mặt bằng phẳng.
-
Gài phanh tay.
-
Tắt máy.
-
Chờ cho tất cả các bộ phận chuyển động dừng lại trước khi bảo dưỡng, cất giữ hoặc sửa chữa.
-
Ngắt kết nối ắc quy bằng cách kéo đầu nối tay cầm chữ T ra khỏi đầu nối nguồn điện chính (Hình 34).

Bảo trì Hệ thống Điện
An toàn Hệ thống Điện
-
Ngắt kết nối ắc quy trước khi sửa chữa máy.
-
Sạc ắc quy ở khu vực thoáng, thông gió tốt, tránh xa tia lửa và ngọn lửa. Rút phích cắm bộ sạc trước khi kết nối hoặc ngắt kết nối ắc quy. Mặc quần áo bảo hộ và sử dụng các dụng cụ cách điện.
Bảo dưỡng bộ ắc quy
Bộ phận duy nhất mà người dùng có thể bảo dưỡng được trong bộ ắc quy là nhãn. Nếu bạn cố mở ngăn chính của bộ ắc quy hoặc bộ điều khiển chính, bạn sẽ mất hiệu lực bảo hành. Nếu bạn gặp sự cố với bộ ắc quy, vui lòng liên hệ với nhà phân phối Toro được ủy quyền của bạn để được trợ giúp.
Cảnh báo
Bộ ắc quy chứa điện áp cao, có thể gây bỏng hoặc gây điện giật cho bạn.
-
Không cố mở bộ ắc quy.
-
Không đặt bất cứ thứ gì trong đầu nối bộ ắc quy ngoài đầu nối bộ dây an toàn đi kèm với sản phẩm.
-
Phải hết sức cẩn thận khi xử lý bộ ắc quy có vỏ bị nứt.
-
Chỉ sử dụng bộ sạc được thiết kế riêng cho bộ ắc quy
Thải bỏ ắc quy
Ắc quy liti-ion phải được thải bỏ hoặc tái chế theo quy định của địa phương và liên bang.
Bảo trì về bộ sạc ắc quy
Important: Tất cả các lần sửa chữa phần điện chỉ được thực hiện bởi nhà phân phối Toro được ủy quyền.
Người vận hành có thể thực hiện rất ít công việc bảo trì ngoài việc bảo vệ bộ sạc khỏi hư hỏng và thời tiết.
Bảo trì dây nguồn bộ sạc ắc quy
-
Lau sạch dây nguồn bằng vải hơi ẩm sau mỗi lần sử dụng.
-
Cuộn dây lại khi không sử dụng.
-
Kiểm tra dây nguồn định kỳ để phát hiện hư hỏng và thay thế bằng các bộ phận được Toro phê duyệt, khi cần thiết.
Làm sạch hộp đựng bộ sạc ắc quy
Lau sạch hộp đựng bằng vải hơi ẩm sau mỗi lần sử dụng.
Thay Cầu chì
Nếu máy không bật, ngay cả sau khi sạc, hãy kiểm tra cầu chì của máy như sau:
-
Tắt máy và ngắt kết nối bộ ắc quy.
-
Tháo 4 vít (Hình 35) đang siết chặt nắp bộ ắc quy và tháo nắp ra.

-
Kiểm tra cầu chì trong khối nắp cầu chì (Hình 36).

-
Nếu cầu chì nào bị đứt, hãy thay thế bằng cầu chì có điện áp và cường độ dòng điện phù hợp. Tham khảo Hướng dẫn Bảo dưỡng bộ kéo để biết số bộ phận cầu chì cụ thể.
Important: Tất cả cầu chì trên máy đều có định mức 80 V. Không sử dụng cầu chì ô tô 12 V.
Xác nhận bảng giao diện ắc quy
Bảng giao diện trên ắc quy phát ra đèn chỉ báo trạng thái ắc quy, bao gồm trạng thái sạc, tình trạng sạc, lỗi và cập nhật ắc quy. Tham khảo nhà phân phối Toro được ủy quyền của bạn để biết thêm thông tin về bảng giao diện ắc quy.
Bảo trì Hệ thống Truyền động
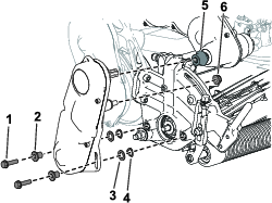
Thay chất lỏng truyền động
| Khoảng thời gian Dịch vụ Bảo trì | Quy trình Bảo trì |
|---|
Note: Tham khảo Hình 37 để biết quy trình này.

-
Tháo cụm lỗ ống thông hơi và bộ điều hợp ra khỏi bộ truyền động.
-
Yêu cầu một trợ lý nghiêng máy về phía sau và đặt chảo dưới bộ truyền động.
Note: Sử dụng chảo để thu gom dầu truyền động.
-
Tháo nút xả ra khỏi bộ truyền động và để chất lỏng chảy hết ra ngoài.
-
Lắp nút xả.
-
Tạo mô-men xoắn cho nút xả từ 4 đến 5 N∙m (32 đến 42 in-lb).
-
Thêm 473 ml (16 fl oz) chất lỏng truyền động tổng hợp Dexron VI qua lỗ thông hơi của bộ điều hợp.
-
Lắp cụm lỗ ống thông hơi và bộ điều hợp và siết chặt từ 12 đến 15 N∙m (110 đến 130 in-lb).
Bảo trì Hệ thống Điều khiển
Điều chỉnh Phanh Chân/Phanh Tay
Điều chỉnh phanh chân/phanh tay nếu phanh bị trượt trong khi vận hành.
-
Nhả phanh tay.
-
Đo độ dịch chuyển tự do ở đầu tay cầm phanh tay (Hình 38).
Độ dịch chuyển tự do của tay cầm phải nằm trong khoảng từ 12,7 đến 25,4 mm. Nếu độ dịch chuyển tự do không nằm trong giới hạn này, hãy chuyển sang bước 3 để điều chỉnh cáp phanh.

-
Thực hiện các bước sau để điều chỉnh độ căng của cáp phanh:
-
Để tăng độ căng của cáp, hãy nới lỏng đai ốc hãm phía trước cáp và siết chặt đai ốc hãm phía sau (Hình 39). Lặp lại bước 2 và điều chỉnh độ căng nếu cần.
-
Để giảm độ căng của cáp, hãy nới lỏng đai ốc hãm phía sau và siết chặt đai ốc hãm phía trước cáp (Hình 39). Lặp lại bước 2 và điều chỉnh độ căng nếu cần.
-

Bảo trì Dao xoắn
An toàn Lưỡi cắt
-
Cẩn thận khi kiểm tra dao xoắn của guồng xoắn. Đeo găng tay và thận trọng khi bảo dưỡng guồng xoắn.
-
Lưỡi cắt hoặc dao bụng mòn hoặc hư hỏng có thể bị gãy và mảnh vụn có thể văng về phía bạn hoặc những người xung quanh, gây chấn thương cá nhân nghiêm trọng hoặc tử vong.
-
Kiểm tra các lưỡi cắt và dao đỡ định kỳ xem có bị mòn hoặc hư hỏng quá mức hay không.
-
Cẩn thận khi kiểm tra các lưỡi cắt. Đeo găng tay và thận trọng khi bảo dưỡng. Chỉ thay hoặc mài bột đá cho lưỡi cắt và dao bụng; tuyệt đối không nắn thẳng hoặc hàn lưỡi cắt và dao bụng.
-
Khi bảo dưỡng lưỡi dao, cần lưu ý rằng bạn vẫn có thể di chuyển lưỡi dao sau khi ngắt nguồn điện.
Lắp đặt Dao xoắn (Mẫu máy 04835 và 04845)
-
Di chuyển chân chống đến vị trí BảO DưỡNG DAO XOắN.
-
Tháo phần cứng cố định cụm truyền động guồng xoắn vào tấm bên (Hình 40).

-
Tháo cụm truyền động guồng xoắn, vòng đệm phẳng, vòng đệm lò xo và vòng chêm ra khỏi tấm bên (Hình 40).
-
Căn chỉnh dao xoắn với khung.
-
Sử dụng 4 vít có lỗ đặt chìa vặn để siết chặt dao xoắn vào khung (Hình 41).

-
Sử dụng các vít có lỗ đặt chìa vặn, vòng đệm và vòng chêm đã tháo trước đó để siết chặt cụm truyền động guồng xoắn vào tấm bên của dao xoắn (Hình 42).
Đảm bảo rằng trục truyền động cụm truyền động guồng xoắn đã được lắp đặt vào khớp nối trục truyền động bộ phận truyền động (Hình 42).

Lắp đặt Dao xoắn (Mẫu máy 04865)
Tháo Dao xoắn(Model 04835 và 04845)
Tháo Dao xoắn (Mẫu máy 04865)
Note: Ống lục giác sẽ tách ra nếu bạn bật truyền động guồng xoắn khi dao xoắn được tháo ra.
-
Di chuyển chân chống đến vị trí BảO DưỡNG DAO XOắN.
-
Tháo giỏ đựng cỏ (nếu được trang bị).
-
Di chuyển vòng đai (Hình 46) vào rãnh trục truyền động.
Note: Thao tác này giải phóng sức căng từ lò xo.
-
Trượt ống lục giác ra khỏi trục khớp nối dao xoắn (Hình 46).

-
Di chuyển các chốt treo lên trên để nhả dao xoắn ra khỏi máy (Hình 46).
-
Tháo dao xoắn ra khỏi khung.
Mài bột đá cho Dao xoắn
Để mài rà ngược dao xoắn, hãy thực hiện 1 trong các tùy chọn sau:
-
Lắp Bộ tiếp cận mài rà ngược (Model 139-4342) và sử dụng máy mài rà ngược. Liên hệ với nhà phân phối Toro được ủy quyền của bạn để mua gói phụ tùng này.
-
Sử dụng InfoCenter để chuyển sang Chế độ mài rà ngược.
Để chuyển sang Chế độ mài rà ngược, hãy chọn MàI Rà NGượC từ menu DịCH Vụ. Làm theo hướng dẫn của InfoCenter để mài rà ngược dao xoắn.
Note: Ngay khi thả cần, Chế độ mài rà ngược sẽ được tắt. Bạn có thể sử dụng chạc giữ cần (được vận chuyển trong túi đựng bộ phận rời) để siết chặt cần ở vị trí đã bật.Tháo chạc giữ cần sau khi hoàn tất quá trình mài rà ngược.

Vệ sinh
Làm sạch Máy
| Khoảng thời gian Dịch vụ Bảo trì | Quy trình Bảo trì |
|---|---|
| Sau mỗi lần sử dụng |
|
Sau mỗi lần sử dụng, hãy rửa máy bằng chất tẩy rửa nhẹ và nước. Không rửa máy bằng áp lực. Tránh sử dụng quá nhiều nước, đặc biệt là gần đĩa cần số, InfoCenter, trung tâm điện và đầu nối nguồn điện của máy. Làm sạch mô-tơ để làm mát hiệu quả trong quá trình vận hành. Ngoài ra, giữ cho bộ ắc quy sạch nhất có thể để ắc quy luôn có màu trắng. Điều này sẽ phản xạ ánh sáng mặt trời và giúp ắc quy không bị quá nóng dưới ánh nắng mặt trời.
Important: Không sử dụng nước lợ hoặc nước tuần hoàn để làm sạch máy.
Important: Luôn cất giữ hoặc đỗ máy ở nơi tránh ánh nắng trực tiếp vì nhiệt từ mặt trời sẽ làm giảm thời hạn sử dụng của ắc quy.




, cụ thể là
Thận trọng, Cảnh báo hoặc Nguy hiểm – hướng
dẫn an toàn cá nhân. Việc không tuân
thủ hướng dẫn này có thể dẫn đến chấn thương
cá nhân hoặc tử vong.


























)
























(Tắt).
(Bật), cài đặt mã PIN và xoay chìa
khóa trong công tắc khóa điện sang vị trí TắT rồi đến vị trí BậT.

sẽ hiển thị ở góc
trên bên phải của màn hình.






