Mantenimiento
Seguridad en el mantenimiento
- Si deja la llave en el interruptor,
alguien podría arrancar el motor accidentalmente y causar lesiones
graves a usted o a otras personas. Retire
la llave del interruptor de encendido antes de realizar cualquier
operación de mantenimiento.
- Antes de abandonar el puesto del
operador, haga lo siguiente:
- Aparque la máquina en una
superficie nivelada.
- Desengrane las transmisiones.
- Ponga el freno de estacionamiento.
- Apague el motor y retire la llave.
- Espere a que la máquina se
enfríe antes de realizar tareas de mantenimiento.
- No permita que personas que no
hayan recibido formación realicen mantenimiento en la máquina.
- Mantenga las manos y los pies
alejados de las piezas en movimiento y las superficies calientes.
Si es posible, no haga ajustes mientras
el motor está funcionando.
- Mantenga colocados y en buenas
condiciones de funcionamiento todos los protectores, defensas e interruptores
y todos los dispositivos de seguridad.
Compruebe frecuentemente el estado de desgaste o deterioro de los
componentes y sustitúyalos con piezas genuinas
de Toro cuando sea necesario.
- Alivie con cuidado la tensión
de aquellos componentes que tengan energía almacenada.
 |
Advertencia |
|
La retirada o modificación
de equipos, piezas y/o accesorios originales puede afectar a la garantía,
la capacidad de control y la seguridad
de la máquina. La modificación sin autorización del
equipo original o el uso de piezas que no sean piezas originales
de Toro puede causar lesiones graves
o la muerte.
- Compruebe frecuentemente el funcionamiento
del freno de estacionamiento. Ajústelo y realice el mantenimiento
cuando sea necesario.
- No manipule nunca los dispositivos
de seguridad. Compruebe regularmente que funcionan correctamente.
- Limpie la hierba, las hojas, el
exceso de grasa y aceite y otros residuos de la unidad de corte, el
silenciador, las transmisiones, el recogedor
y el compartimento del motor para prevenir incendios.
- Limpie cualquier derrame de aceite
o combustible y retire cualquier residuo empapado en combustible.
- No confíe únicamente
en gatos mecánicos o hidráulicos para apoyar la máquina.
Utilice caballetes apropiados.
- Mantenga todas las piezas en buenas
condiciones de uso y todas las fijaciones bien apretadas, especialmente
las fijaciones de las cuchillas.
- Para asegurar un rendimiento óptimo,
utilice únicamente piezas y accesorios genuinos de Toro. Las piezas de repuesto
y los accesorios de otros fabricantes podrían ser peligrosos.
Calendario de mantenimiento recomendado
| Después de las 8 primeras horas
|
Cambie el aceite del motor.
|
| Después de las 50 primeras horas
|
Compruebe el par de apriete de las tuercas de las ruedas. |
| Después de las 75 primeras horas
|
Cambio del fluido hidráulico y del filtro. |
| Antes de cada
uso o a diario
|
Compruebe el sistema de interruptores de seguridad. |
| Compruebe que el limpiador de aire no tiene piezas sucias, sueltas
o dañadas. |
| Compruebe el nivel de aceite del motor.
|
| Limpie la rejilla de la entrada de aire.
|
| Inspeccione las cuchillas
|
| Compruebe que el deflector de hierba no está deteriorado. |
| Después de cada uso |
Limpie la hierba y los residuos de la máquina. |
| Limpie la carcasa de corte.
|
| Cada 25 horas |
Engrase los cojinetes de las ruedas giratorias (más a menudo
si se trabaja en suelos arenosos).
|
| Compruebe la presión de los neumáticos. |
| Compruebe que las correas no están desgastadas ni agrietadas. |
| Cada 100 horas |
Cambie el aceite del motor (más a menudo en condiciones de mucho
polvo o suciedad). |
| Cambie o limpie la bujía y ajuste la distancia entre los electrodos. |
| Cambie el filtro de combustible en línea. |
| Cada 100 horas o cada año,
lo que ocurra primero |
Cambie el elemento de papel del limpiador de aire (más a menudo
en condiciones de mucho polvo o suciedad).
|
| Cada 200 horas
|
Cambie el filtro de aceite del motor (más a menudo en condiciones
de mucho polvo o suciedad).
|
| Cada 300 horas
|
Compruebe y ajuste la holgura de las válvulas. Póngase
en contacto con el Servicio Técnico Autorizado. |
| Cada 400 horas
|
Cambio del fluido hidráulico y del filtro. |
| Cada año |
Compruebe el par de apriete de las tuercas de las ruedas. |
| Antes del almacenamiento |
Cargue la batería y desconecte los cables. |
| Realice todos los procedimientos de mantenimiento arriba citados
antes del almacenamiento.
|
| Pinte cualquier superficie desconchada. |
| |
Consulte en el manual del propietario
del motor los procedimientos adicionales de mantenimiento.
Procedimientos previos al mantenimiento
Cómo mover una máquina
averiada
-
Aparque la
máquina en una superficie nivelada, desengrane el mando de control
de las cuchillas y mueva las palancas de control
de movimiento hacia fuera a la posición Aparcar.
-
Apague el
motor y espere a que se detengan todas las piezas en movimiento antes
de abandonar el puesto del operador.
-
Localice
las palancas de desvío
en el bastidor en cada
lado del motor.
-
Mueva ambas
palancas de desvío hacia delante a través del orificio ranurado
y hacia el lado para bloquearlas en esa posición
.
 |
Advertencia |
|
El
contacto con superficies calientes puede causar lesiones personales.
Mantenga las manos, los pies,
la cara, la ropa y otras partes del cuerpo alejados del motor, del
silenciador y de otras superficies
calientes.
 |
Advertencia |
|
La
máquina podría desplazarse accidentalmente mientras las
palancas de derivación están bloqueadas hacia adelante en
la ranura, y causar lesiones a usted
o a otras personas.
Bloquee las palancas de desvío
hacia atrás después de mover la máquina.
-
Para quitar
el freno de estacionamiento, mueva ambas palancas de control de movimiento
hacia abajo a la posición central desbloqueada.
Nota: No arranque la máquina.
-
Mueva la
máquina según sea necesario.
Empuje
siempre la máquina a mano. No remolque la máquina porque
podría dañarla.
-
Mueva las
palancas de control de movimiento hacia fuera, a la posición Aparcar.
-
Mueva ambas
palancas de desvío hacia atrás y hacia el lado a través
del orificio ranurado para bloquearlas en esa posición
.
Mantenimiento del motor
Seguridad del motor
- Mantenga las manos, los pies,
la cara, otras partes del cuerpo y la ropa alejados del silenciador
y de otras superficies calientes. Espere
a que se enfríe el motor antes de realizar tareas de mantenimiento.
- No cambie la velocidad del regulador
del motor ni haga funcionar el motor a una velocidad excesiva.
Mantenimiento del limpiador de
aire
Retirada del elemento del limpiador de aire
-
Aparque la
máquina en una superficie nivelada, desengrane el mando de control
de las cuchillas y mueva las palancas de control
de movimiento hacia fuera a la posición Aparcar.
-
Apague el
motor y espere a que se detengan todas las piezas en movimiento antes
de abandonar el puesto del operador.
-
Limpie alrededor
de la tapa del limpiador de aire
para evitar que entre suciedad
en el motor y cause daños.
-
Afloje la
abrazadera
y retire el elemento de papel
.
Mantenimiento del elemento de papel del limpiador de aire.
-
Limpie el
elemento de papel golpeándolo suavemente para eliminar el polvo.
Nota: Si está muy sucio, cambie el elemento de papel por uno nuevo.
-
Inspeccione
el filtro por si estuviera roto, tuviera una película aceitosa
o la junta de goma estuviera dañada.
-
Cambie el
elemento de papel si está dañado.
No
limpie el filtro de papel.
Mantenimiento del aceite del motor
Especificaciones de aceite del motor
| Tipo de aceite |
Aceite detergente (servicio API
SF, SG, SH, SJ o SL) |
| Capacidad del cárter |
1.8 litros
(61 onzas fluidas) sin filtro; 2.1 litros (70 onzas
fluidas) con filtro
|
| Viscosidad |
Consulte la tabla siguiente |
| |
Comprobación del nivel de aceite del motor
-
Aparque la
máquina en una superficie nivelada, desengrane el mando de control
de las cuchillas y mueva las palancas de control
de movimiento hacia fuera a la posición Aparcar.
-
Apague el
motor, retire la llave y espere a que se detengan todas las piezas
en movimiento antes de abandonar el puesto del
operador.
-
Espere hasta
que el motor esté frío y el aceite haya tenido tiempo para
drenarse al cárter.
-
Para que
no entre suciedad, recortes de hierba, etc., en el motor, limpie la
zona alrededor del tapón de llenado/varilla de
aceite antes de retirarlo.
-
Compruebe
el nivel de aceite del motor como se indica.
Si
sobrecarga o no llena lo suficiente el cárter del motor con aceite,
podría dañarse el motor al ponerse en marcha.
Cambio del aceite del motor
-
Aparque la
máquina de manera que el lado de drenaje esté ligeramente
más bajo que el lado opuesto para asegurar que el aceite
se drene completamente.
-
Desengrane
el mando de control de las cuchillas (TDF) y ponga las palancas de
control de movimiento hacia fuera a la posición
Aparcar.
-
Apague el
motor, retire la llave y espere a que se detengan todas las piezas
en movimiento antes de abandonar el puesto del
operador.
-
Drene el
aceite del motor.
-
Vierta lentamente
un 80% aproximadamente del aceite especificado por el tubo de llenado,
luego añada lentamente el resto del
aceite hasta que llegue a la marca de Lleno.
-
Elimine el
aceite usado según la normativa local.
Sustitución del filtro de aceite del motor
-
Drene el
aceite del motor.
-
Sustituya
el filtro de aceite del motor como se indica.
Nota: Asegúrese de que la junta del filtro de aceite toca el motor,
luego apriete el filtro de aceite ¾ de vuelta más.
-
Vierta lentamente
aceite del tipo especificado en el tubo de llenado hasta que el nivel
llegue a la marca Full (lleno).
Mantenimiento de la bujía
Asegúrese
de que la distancia entre los electrodos central y lateral es correcta
antes de instalar la bujía. Utilice una llave
para bujías para desmontar e instalar la bujía
y una galga de espesores/herramienta de separación de electrodos
para comprobar y ajustar la distancia entre
los mismos. Instale una bujía nueva si es necesario.
Tipo: NGK® BPR4ES
Distancia entre electrodos: 0.76 mm (0.03")
Retirada de la bujía
-
Aparque la
máquina en una superficie nivelada, desengrane el mando de control
de las cuchillas y mueva las palancas de control
de movimiento hacia fuera a la posición Aparcar.
-
Apague el
motor, retire la llave y espere a que se detengan todas las piezas
en movimiento antes de abandonar el puesto del
operador.
-
Limpie la
zona alrededor de la base de la bujía para que no caiga suciedad
en el motor.
-
Retire la
bujía.
Inspección de la bujía
No limpie la(s) bujía(s).
Cambie siempre las bujías si tienen un revestimiento negro, electrodos
desgastados, una película aceitosa
o grietas.
Si
se observa un color gris o marrón claro en el aislante, el motor
está funcionando correctamente. Si el aislante aparece
de color negro, significa que el limpiador de
aire está sucio.
-
Ajuste la
distancia a 0.75 mm (0.03").
Limpieza del sistema de refrigeración
-
Aparque la
máquina en una superficie nivelada, desengrane el mando de control
de las cuchillas y mueva las palancas de control
de movimiento hacia fuera a la posición Aparcar.
-
Apague el
motor, retire la llave y espere a que se detengan todas las piezas
en movimiento antes de abandonar el puesto del
operador.
-
Retire el
filtro de aire del motor.
-
Afloje los
pernos que sujetan la cubierta del motor y retire la cubierta.
-
Para evitar
que se introduzcan residuos en la entrada de aire, instale el filtro
de aire en la base del filtro.
-
Limpie la
hierba y los residuos de las piezas.
-
Retire el
filtro de aire e instale la cubierta del motor; apriete los pernos
a 8.8 N·m (78 pulgadas-libra).
-
Instale el
filtro de aire.
Mantenimiento del combustible
 |
Peligro |
|
En ciertas condiciones, el combustible
es extremadamente inflamable y altamente explosivo. Un incendio o
una explosión provocados por el combustible
puede causarle quemaduras a usted y a otras personas así como
daños materiales.
Cambio del filtro de combustible
-
Aparque la
máquina en una superficie nivelada, desengrane el mando de control
de las cuchillas y mueva las palancas de control
de movimiento hacia fuera a la posición Aparcar.
-
Apague el
motor, retire la llave y espere a que se detengan todas las piezas
en movimiento antes de abandonar el puesto del
operador.
-
Bloquee los
tubos de combustible en ambos lados del filtro de combustible.
-
Cambie el
filtro.
Nota: Asegúrese de que la flecha de dirección de flujo del filtro
nuevo apunta hacia el motor.
No
instale nunca un filtro sucio después de retirarlo del tubo de
combustible.
-
Retire las
abrazaderas que bloquean el flujo de combustible.
Mantenimiento del sistema eléctrico
Seguridad del sistema eléctrico
- Desconecte el cable del borne
negativo de la batería antes de reparar la máquina.
- Cargue la batería en una
zona abierta y bien ventilada, lejos de chispas y llamas. Desenchufe
el cargador antes de conectar o desconectar
la batería. Lleve ropa protectora y utilice herramientas aisladas.
Mantenimiento de la batería
Retirada de la batería
 |
Advertencia |
|
Los bornes de la batería
o una herramienta metálica podrían hacer cortocircuito si
entran en contacto con los componentes
metálicos de la máquina, causando chispas. Las chispas
podrían hacer explotar los gases de la batería, causando
lesiones personales.
- Al retirar o colocar la batería,
no deje que los bornes toquen ninguna parte metálica de la máquina.
- No deje que las herramientas metálicas
hagan cortocircuito entre los bornes de la batería y las partes
metálicas de la máquina.
-
Aparque la
máquina en una superficie nivelada, desengrane el mando de control
de las cuchillas y mueva las palancas de control
de movimiento hacia fuera a la posición Aparcar.
-
Apague el
motor, retire la llave y espere a que se detengan todas las piezas
en movimiento antes de abandonar el puesto del
operador.
-
Desconecte
el cable negativo de tierra (negro) del borne de la batería.
Nota: Guarde todas las fijaciones.
 |
Advertencia |
|
Una
desconexión incorrecta de los cables de la batería podría
dañar la máquina y los cables, causando chispas. Las chispas
podrían hacer explotar los
gases de la batería, causando lesiones personales.
- Desconecte siempre el cable negativo
(negro) de la batería antes de desconectar el cable positivo
(rojo).
- Conecte siempre el cable positivo
(rojo) de la batería antes de conectar el cable negativo (negro).
-
Retire la
cubierta de goma del cable positivo (rojo).
-
Desconecte
el cable positivo (rojo) del borne de la batería (+).
Nota: Guarde todas las fijaciones.
-
Retire la
correa de sujeción de la batería y levante la batería
de la bandeja.
G440221
-
Batería
-
Cubierta del borne
-
Borne negativo (-) de la batería
-
Tuerca de orejeta, arandela, y
perno
-
Correa de sujeción de la
batería
-
Perno, arandela y tuerca
-
Borne positivo (+) de la batería
Cómo cargar la batería
 |
Advertencia |
|
El proceso de carga de la batería
produce gases que pueden explotar.
No fume nunca cerca de
la batería, y mantenga alejados de la batería chispas y
llamas.
Mantenga siempre la batería
completamente cargada. Esto es especialmente importante para evitar
daños a la batería cuando
la temperatura está por debajo de los 0 ºC (32 °F).
-
Retire la
batería de la máquina.
-
Cargue la
batería siguiendo las indicaciones del fabricante del cargador
de baterías.
No
sobrecargue la batería; de lo contrario, podría dañarla.
G003792S
- Borne
positivo de la batería
- Borne
negativo de la batería
- Cable
rojo (+) del cargador
- Cable
negro (-) del cargador
-
Cuando la
batería esté completamente cargada, desconecte el cargador
de la toma de corriente (en su caso), luego desconecte
los cables del cargador de los bornes de la batería.
Limpieza de la batería
Nota: Mantenga limpios los bornes y toda la carcasa de la batería,
porque una batería sucia se descargará lentamente.
-
Aparque la
máquina en una superficie nivelada, desengrane el mando de control
de las cuchillas y mueva las palancas de control
de movimiento hacia fuera a la posición Aparcar.
-
Apague el
motor y espere a que se detengan todas las piezas en movimiento antes
de abandonar el puesto del operador.
-
Retire la
batería de la máquina.
-
Lave toda
la carcasa con una solución de bicarbonato y agua.
-
Enjuague
la batería con agua limpia.
-
Aplique una
capa de grasa Grafo 112X o de vaselina a los conectores de los cables
y a los bornes de la batería para evitar
la corrosión.
-
Instale la
batería.
Instalación de la batería
-
Coloque la
batería en la bandeja.
-
Usando las
fijaciones que retiró anteriormente, conecte el cable positivo
(rojo) al borne positivo (+) de la batería.
-
Usando las
fijaciones que retiró anteriormente, conecte el cable negativo
al borne negativo (-) de la batería.
-
Deslice la
cubierta de goma roja sobre el borne positivo (rojo) de la batería.
-
Fije la batería
con la correa de sujeción.
G440221
-
Batería
-
Cubierta del borne
-
Borne negativo (-) de la batería
-
Tuerca de orejeta, arandela, y
perno
-
Correa de sujeción de la
batería
-
Perno, arandela y tuerca
-
Borne positivo (+) de la batería
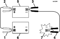
Arranque de la máquina con
cables puente
 |
Advertencia |
|
El arranque de la batería
con cables puente puede producir gases explosivos.
No fume cerca
de la batería, y mantenga alejada de la batería cualquier
chispa o llama.
 |
Peligro |
|
Cualquier intento de arrancar
una batería agrietada, congelada, con bajo nivel de electrolito
o que tenga una celda abierta o cortocircuitada
podría provocar una explosión y causar lesiones personales
graves.
No arranque una batería descargada
si existe cualquiera de estas condiciones.
-
Compruebe
y limpie cualquier corrosión de los bornes de la batería
antes de arrancar el motor con la ayuda de una batería
externa. Asegúrese de que las conexiones
están bien apretadas.
 |
Precaución |
|
La
corrosión y las conexiones sueltas pueden causar picos de voltaje
no deseados en cualquier momento durante el procedimiento
de arranque externo.
No intente
arrancar la máquina con cables externos si los bornes de la batería
están sueltos o corroídos, porque podría dañar
el motor.
-
Asegúrese
de que la batería externa es una batería de ácido-plomo
de 12.6 voltios o más, y que está en buenas condiciones
y completamente cargada.
Nota: Utilice cables pasa-corriente de la sección correcta que no
sean demasiado largos a fin de reducir la caída de voltaje entre
los dos sistemas. Asegúrese
de que los cables están codificados por color o etiquetados con
la polaridad correcta.
 |
Advertencia |
|
Las
baterías contienen ácido y producen gases explosivos.
- Proteja los ojos y la cara de
las baterías en todo momento.
- No se incline sobre las baterías.
Nota: Asegúrese de que los tapones de ventilación están
apretados y nivelados. Coloque un paño húmedo, si tiene
uno, sobre los tapones de ventilación
de ambas baterías. Asegúrese también de que las máquinas
no están en contacto entre sí y que los sistemas eléctricos
de ambas están desconectados
y son del mismo voltaje nominal. Estas instrucciones son aplicables
únicamente a sistemas con negativo
a tierra.
-
Conecte el
cable positivo (+) al borne positivo (+) de la batería descargada
que está conectado al motor de arranque o al
solenoide, como se indica:
g012785
- Cable
positivo (+) a la batería descargada
- Cable
positivo (+) a la batería externa
- Cable
negativo (-) a la batería externa
- Cable
negativo (–) al bloque motor
- Batería
externa
- Batería
descargada
- Bloque
motor
-
Conecte el
otro extremo del cable puente positivo (+) al borne positivo de la
batería de la otra máquina.
-
Conecte un
extremo del cable puente negativo (-) al borne negativo de la batería
de la otra máquina.
-
Conecte el
otro extremo del cable puente negativo (-) a una conexión de
tierra, por ejemplo un perno o un travesaño del bastidor
sin pintar.
-
Arranque
el motor en la otra máquina. Déjelo funcionar durante unos
minutos, luego arranque su motor.
-
Retire los
cables en el orden inverso de conexión.
-
Coloque la
tapa del borne auxiliar.
Mantenimiento de los fusibles
El sistema eléctrico está
protegido con fusibles. No requiere mantenimiento; no obstante, si
se funde un fusible, compruebe que no hay
avería ni cortocircuito en el componente/circuito.
-
Aparque la
máquina en una superficie nivelada, desengrane el mando de control
de las cuchillas y mueva las palancas de control
de movimiento hacia fuera a la posición Aparcar.
-
Apague el
motor, retire la llave y espere a que se detengan todas las piezas
en movimiento antes de abandonar el puesto del
operador.
-
Cambie el
fusible fundido por un fusible nuevo.
G440132
- Circuito
de carga (15 A)
- Principal
(25 A)
Mantenimiento del sistema de transmisión
Comprobación de la presión
de los neumáticos
Mantenga la presión especificada
de los neumáticos delanteros y traseros. Una presión desigual
en los neumáticos puede hacer que el
corte sea desigual. Compruebe la presión en la válvula cuando
los neumáticos están fríos para obtener una lectura
de presión más exacta.
-
Infle las
ruedas giratorias delanteras a 1,03 bar o a la presión indicada
en la pared lateral, la que sea inferior.
-
Infle los
neumáticos de las ruedas motrices traseros a 0,90 bar.
Comprobación de las tuercas
de las ruedas
-
Compruebe
la torsión de las tuercas de las ruedas y apriételas a 95-122 N·m (70-90 pies-libra).
Ajuste de la dirección
Si la máquina se desvía
hacia un lado al conducirla hacia adelante a velocidad máxima
en una superficie plana y nivelada, ajuste
la dirección.
Si la máquina se desvía
hacia la izquierda, ajuste la palanca de control de movimiento derecha;
si la máquina se desvía hacia la
derecha, ajuste la palanca de control de movimiento izquierda.
Nota: Sólo puede ajustar la dirección para la conducción
hacia adelante.
-
Aparque la
máquina en una superficie nivelada, desengrane el mando de control
de las cuchillas y mueva las palancas de control
de movimiento hacia fuera a la posición Aparcar.
-
Apague el
motor, retire la llave y espere a que se detengan todas las piezas
en movimiento antes de abandonar el puesto del
operador.
-
Localice
el perno de ajuste de la dirección cerca de la palanca de control
de movimiento del lado que debe ajustarse.
-
Gire el perno
para reducir la velocidad de esa rueda en particular.
Nota: Gire el perno una pequeña cantidad para realizar ajustes menores.
-
Arranque
la máquina y conduzca hacia adelante por una superficie plana
y nivelada con las palancas de control de movimiento
totalmente hacia adelante para comprobar si la máquina
avanza en línea recta. Repita el procedimiento según sea
necesario.
Mantenimiento de la correa
Inspección de las correas
-
Aparque la
máquina en una superficie nivelada, desengrane el mando de control
de las cuchillas y mueva las palancas de control
de movimiento hacia fuera a la posición Aparcar.
-
Apague el
motor y espere a que se detengan todas las piezas en movimiento antes
de abandonar el puesto del operador.
-
Ajuste la
altura de corte a la posición más baja.
-
Compruebe
que la correa no está desgastada. Cambie la correa si está
desgastada.
Las señales
de una correa desgastada incluyen chirridos cuando la correa está
en movimiento; patinaje de las cuchillas durante
la siega; bordes deshilachados, o marcas de quemaduras
o grietas en la correa.
Sustitución de la correa
del cortacésped
Las señales de una correa
desgastada incluyen chirridos cuando la correa está en movimiento,
patinaje de las cuchillas durante la siega,
bordes deshilachados, o marcas de quemaduras o grietas. Cambie la
correa si observa cualquiera de estas condiciones.
-
Aparque la
máquina en una superficie nivelada, desengrane el mando de control
de las cuchillas y mueva las palancas de control
de movimiento hacia fuera a la posición Aparcar.
-
Apague el
motor, retire la llave y espere a que se detengan todas las piezas
en movimiento antes de abandonar el puesto del
operador.
-
Ajuste la
altura de corte a la posición más baja.
-
Retire las
cubiertas de las poleas.
-
Afloje la
tuerca que sujeta el soporte de alambre a la polea tensora.
-
Usando una
herramienta para la retirada de muelles (Pieza Toro N.º 92-5771), retire el
muelle tensor del gancho de la carcasa para eliminar la tensión
de la polea tensora.
 |
Advertencia |
|
El
muelle está tensado cuando está instalado, y puede causar
lesiones personales.
Tenga cuidado al retirar la correa.
G453682
- Polea
de la carcasa
- Correa
del cortacésped
- Polea
del motor
- Polea
tensora
- Muelle
- Herramienta
para la retirada de muelles
-
Retire la
correa de las poleas.
-
Pase la correa
nueva alrededor de las poleas del motor y del cortacésped.
-
Utilice la
herramienta para la retirada de muelles para instalar el muelle tensor
sobre el gancho de la carcasa, y tense la
polea tensora y la correa del cortacésped.
-
Inserte el
soporte de alambre en la ranura del brazo tensor y apriete la tuerca.
-
Instale las
cubiertas de las poleas.
Mantenimiento del sistema hidráulico
Seguridad del sistema hidráulico
- Busque atención médica
inmediatamente si el fluido hidráulico penetra en la piel. Cualquier
fluido inyectado debe ser eliminado
quirúrgicamente en pocas horas por un médico familiarizado
con este tipo de lesión; de lo contrario podría causar gangrena.
- Asegúrese de que todas las
mangueras y líneas de fluido hidráulico están en buenas
condiciones de uso y que todos los acoplamientos
y conexiones hidráulicos están apretados antes
de aplicar presión al sistema hidráulico.
- Mantenga el cuerpo y las manos
alejados de fugas pequeñas o boquillas que expulsan fluido hidráulico
a alta presión.
- Utilice un cartón o un papel,
no las manos, para buscar fugas hidráulicas.
- Alivie de manera segura toda la
presión del sistema hidráulico antes de realizar trabajo
alguno en el sistema hidráulico.
Especificaciones del fluido hidráulico
Tipo de fluido hidráulico: Toro Aceite
hidráulico Premium (recomendado) o Mobil 1™ 15W50
Capacidad del sistema hidráulico: 2.3 litros
(77 onzas fluidas) en cada lado
Utilice el fluido especificado.
Otros fluidos podrían causar daños en el sistema.
Comprobación del fluido hidráulico
-
Aparque la
máquina en una superficie nivelada, desengrane el mando de control
de las cuchillas y mueva las palancas de control
de movimiento hacia fuera a la posición Aparcar.
-
Apague el
motor, retire la llave y espere a que se detengan todas las piezas
en movimiento antes de abandonar el puesto del
operador.
-
Deje que
la máquina se enfríe.
Compruebe
el fluido hidráulico únicamente con el sistema frío
(menos de 38 °C / 100 °F). Si se añade fluido
cuando el sistema está caliente,
el transeje podría llenarse demasiado y dañar el conjunto
del respiradero.
-
Retire el
tapón del orificio de llenado y asegúrese de que aparece
fluido en la parte inferior del orificio.
-
Si el nivel
es bajo, añada fluido del tipo especificado a través del
orificio hasta que llegue al borde inferior del orificio.
-
Instale el
tapón y apriételo a 13.6 N·m
(120 pulgadas-libra).
Cambio del fluido hidráulico
y del filtro
No cambie el fluido hidráulico
sin cambiar el filtro a menos que se haya contaminado el fluido o
haya estado extremadamente caliente. Si
no, podría contaminar el sistema y dañarlo.
-
Aparque la
máquina en una superficie nivelada, desengrane el mando de control
de las cuchillas y mueva las palancas de control
de movimiento hacia fuera a la posición Aparcar.
-
Apague el
motor, retire la llave y espere a que se detengan todas las piezas
en movimiento antes de abandonar el puesto del
operador.
-
Deje que
la máquina se enfríe.
Cambie
el fluido hidráulico únicamente con el sistema frío
(menos de 38 °C (100 °F)). Si se cambia el fluido
con el sistema caliente, el transeje
podría llenarse demasiado y dañar el conjunto del respiradero.
-
Retire el
protector del filtro del transeje.
-
Limpie cuidadosamente
la zona alrededor del filtro.
No
permita que entre suciedad en el sistema hidráulico porque lo
puede contaminar.
-
Coloque un
recipiente debajo del filtro.
-
Cambie el
filtro.
-
Instale el
protector del filtro. Apriete los pernos a 7 N∙m (65 pulgadas-libra).
-
Retire el
tapón del orificio de llenado y añada fluido del tipo especificado
a través del orificio hasta que llegue al borde
inferior del orificio.
-
Instale el
tapón y apriételo a 13.6 N·m
(120 pulgadas-libra).
-
Repita el
procedimiento con el otro transeje.
-
Purgue el
sistema hidráulico; consulte .
Purga del sistema hidráulico
-
Aparque la
máquina en una superficie nivelada, desengrane el mando de control
de las cuchillas y mueva las palancas de control
de movimiento hacia fuera a la posición Aparcar.
-
Apague el
motor, retire la llave y espere a que se detengan todas las piezas
en movimiento antes de abandonar el puesto del
operador.
-
Eleve la
parte trasera de la máquina sobre caballetes, de manera que las
ruedas motrices no toquen el suelo.
-
Arranque
el motor, mueva el control del acelerador hacia adelante a la posición
intermedia y quite el freno de estacionamiento
moviendo ambas palancas de control de movimiento hacia abajo
a la posición central desbloqueada.
-
Con las válvulas
de desvío abiertas y el motor en marcha, mueva lentamente las
palancas de control de movimiento hacia adelante
y hacia atrás 5 o 6 veces.
-
Con las válvulas
de desvío cerradas y el motor en marcha, mueva lentamente las
palancas de control de movimiento hacia adelante
y hacia atrás 5 o 6 veces.
-
Apague el
motor y retire la llave.
-
Compruebe
el nivel del fluido hidráulico y añada más fluido si
es necesario.
-
Repita el
procedimiento según sea necesario hasta que se haya purgado todo
el aire del sistema.
Nota: El aire está completamente purgado cuando el transeje funciona
con un nivel de ruido normal y se desplaza suavemente hacia
adelante y hacia atrás a una velocidad
normal.
-
Retire los
caballetes.
Mantenimiento de la carcasa de
corte
Seguridad de las cuchillas
- Inspeccione periódicamente
las cuchillas en busca de desgaste y daños.
- Tenga cuidado al revisar las cuchillas.
Envuelva la(s) cuchilla(s) o lleve guantes, y extreme las precauciones
al manejarlas. Si las cuchillas están
dañadas, la única solución es cambiarlas; no las enderece
ni las suelde nunca.
- En máquinas con múltiples
cuchillas, tenga cuidado puesto que hacer girar una de las cuchillas
puede hacer que también giren otras.
- Sustituya las cuchillas o los
pernos gastados o dañados en conjuntos completos para no desequilibrar
la máquina.
Mantenimiento de las cuchillas
Para garantizar
una calidad de corte superior, mantenga afiladas las cuchillas. Para
que el afilado y la sustitución sean
más cómodos, conserve un stock de cuchillas de repuesto.
Cambie
las cuchillas si han golpeado un objeto sólido o si una cuchilla
está desequilibrada o doblada.
Antes de inspeccionar o realizar mantenimiento en las cuchillas
-
Aparque la
máquina en una superficie nivelada, desengrane el mando de control
de las cuchillas y mueva las palancas de control
de movimiento hacia fuera a la posición Aparcar.
-
Apague el
motor, retire la llave y espere a que se detengan todas las piezas
en movimiento antes de abandonar el puesto del
operador.
-
Desconecte
los cables de las bujías.
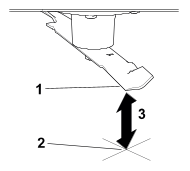
Verificación de la rectilinealidad de las cuchillas
La
máquina debe estar sobre una superficie nivelada para realizar
este procedimiento.
-
Eleve la
carcasa de corte a la altura de corte más alta.
-
Llevando
guantes fuertemente acolchados u otro tipo de protección apropiada
para las manos, gire la cuchilla lentamente hasta
una posición que permita medir la distancia entre
el filo de corte y la superficie nivelada.
-
Mida aquí
la distancia entre la punta de la cuchilla y la superficie plana.
G513132
- Cuchilla
(posicionada para la medición)
- Superficie
nivelada
- Distancia
medida entre la cuchilla y la superficie (A)
-
Gire la misma
cuchilla 180 grados de manera que el otro extremo esté en la
misma posición.
G513133
- Filo
medido anteriormente
- Filo
opuesto
-
Mida aquí
la distancia entre la punta de la cuchilla y la superficie plana.
G513132
- Cuchilla
(posicionada para la medición)
- Superficie
nivelada
- Distancia
medida entre la cuchilla y la superficie (B)
-
Si la diferencia
entre A y B es de más de 3 mm (⅛"), sustituya la cuchilla.
Nota: Si después de cambiar la cuchilla la diferencia sigue siendo
superior a 3 mm (⅛"), el eje de la cuchilla
podría estar doblado. Póngase en contacto con su Servicio
Técnico Autorizado para que revise la
máquina.
-
Repita este
procedimiento con cada cuchilla.
Retirada de las cuchillas
-
Sujete el
extremo de la cuchilla usando un trapo o un guante grueso.
-
Retire la
cuchilla como se indica.
Afilado de las cuchillas
-
Utilice una
lima para afilar el filo de corte en ambos extremos de la cuchilla.
Asegúrese de mantener el ángulo original
.
Nota: Retire la misma cantidad de material de ambos filos de corte para
que la cuchilla mantenga su equilibrio.
-
Verifique
el equilibrio de la cuchilla
colocándola sobre un equilibrador
de cuchillas
.
Nota: Si la cuchilla se mantiene horizontal, está equilibrada y puede
utilizarse.
Si la cuchilla
no está equilibrada, rebaje algo el metal afilando únicamente
el extremo de la zona de la vela.
-
Repita este
procedimiento hasta que la cuchilla esté equilibrada.
Cómo instalar las cuchillas
 |
Advertencia |
|
Si se utiliza la máquina
después de instalar de forma incorrecta el conjunto de la cuchilla,
o si no se usan cuchillas y fijaciones
de cuchillas genuinas Toro, una cuchilla o uno de sus componentes
podría salir despedido desde debajo de la carcasa y causar lesiones
graves o la muerte.
Instale siempre cuchillas y fijaciones
de cuchillas genuinas Toro siguiendo las instrucciones.
-
Instale la
cuchilla tal y como se muestra.
Nota: La parte curva de la cuchilla debe apuntar hacia arriba, hacia el
interior del cortacésped, para asegurar un corte correcto.
-
Apriete el
perno de la cuchilla a entre 136
y 149 N∙m.
Nivelación de la carcasa
de corte
Compruebe que
la carcasa de corte está nivelada cada vez que instale la carcasa
de corte o cuando observe un corte desigual
en el césped.
Preparación para nivelar la carcasa de corte
-
Aparque la
máquina en una superficie nivelada, desengrane el mando de control
de las cuchillas y mueva las palancas de control
de movimiento hacia fuera a la posición Aparcar.
-
Apague el
motor, retire la llave y espere a que se detengan todas las piezas
en movimiento antes de abandonar el puesto del
operador.
-
Asegúrese
de que los neumáticos están inflados a las especificaciones
correctas, y que las ruedas giratorias están orientadas
hacia adelante en línea recta.
-
Compruebe
que las cuchillas de la carcasa de corte no están dobladas; retire
y sustituya cualquier cuchilla que esté doblada.
-
Eleve la
carcasa de corte a la posición de altura de corte de 76 mm
(3").
Comprobación de la nivelación de la carcasa de corte
-
Coloque las
cuchillas en posición lateral.
-
Mida en las
posiciones
y
desde una superficie nivelada
hasta el filo de corte en los extremos de la cuchilla
.
La diferencia entre las medidas
no debe ser superior a 5 mm (3/16"). Si la medida es superior,
ajuste la nivelación lateral.
-
Coloque una
cuchilla en posición longitudinal.
-
Mida en las
posiciones
y
desde una superficie nivelada
hasta el filo de corte en los extremos de la cuchilla
.
La punta delantera de la cuchilla
debe estar entre 1.6 y 7.9 mm (1/16" y 5/16") más baja que la
punta trasera de la cuchilla. Si
la medida no es correcta, ajuste el nivel longitudinal.
Nivelación de la carcasa del cortacésped
-
Ajuste los
rodillos protectores del césped en los taladros superiores o
retírelos completamente para este procedimiento.
-
Ponga la
palanca de ajuste de altura de corte en la posición de 76 mm.
-
Coloque 2
bloques
de 6,6 cm de grosor debajo
de cada lado del borde delantero de la carcasa.
No
coloque los bloques bajo los soportes de los rodillos protectores
del césped.
-
Coloque 2
bloques
de 7,3 cm de grosor debajo de
cada lado del borde trasero de la carcasa.
-
Afloje las
fijaciones inferiores que fijan los soportes a las 4 esquinas de la
carcasa y asegúrese de que la carcasa del cortacésped
se asiente con seguridad en los 4 bloques.
-
Eliminar
cualquier holgura de los soportes de la carcasa y asegúrese de
que el pedal de elevación de la carcasa está hacia
atrás, contra el tope.
-
Apriete de
las fijaciones.
-
Asegúrese
de que los bloques estén ajustados debajo del borde de la carcasa
y de que todos los pernos de fijación estén bien
apretados.
-
Compruebe
la nivelación lateral y la nivelación longitudinal; repita
este procedimiento hasta que las medidas sean correctas.
Retirada de la carcasa del cortacésped
-
Aparque la
máquina en una superficie nivelada, desengrane el mando de control
de las cuchillas y ponga las palancas de control
de movimiento hacia fuera en la posición de Aparcar.
-
Apague el
motor, retire la llave y espere a que se detengan todas las piezas
en movimiento antes de abandonar el puesto del
operador.
-
Baje la palanca
de ajuste de la altura de corte a la posición más baja.
-
Retire el
faldón de la carcasa del cortacésped.
-
Retire el
pasador de horquilla y la arandela de la varilla de soporte delantera
y retire la varilla del soporte
de la carcasa
.
Nota: Guarde todas las piezas para instalaciones futuras.
-
Retire las
fijaciones superiores que sujetan los soportes a los 4 brazos de elevación.
-
Deslice la
carcasa de corte hacia atrás para retirar la correa del cortacésped
de la polea del motor.
-
Retire la
carcasa de corte de debajo de la máquina.
Instalación de la carcasa
del cortacésped
-
Aparque la
máquina en una superficie nivelada, desengrane el mando de control
de las cuchillas y ponga las palancas de control
de movimiento hacia fuera en la posición de Aparcar.
-
Apague el
motor, retire la llave y espere a que se detengan todas las piezas
en movimiento antes de abandonar el puesto del
operador.
-
Deslice la
carcasa de corte debajo de la máquina.
-
Baje la palanca
de ajuste de la altura de corte a la posición más baja.
-
Instale los
acoplamientos de elevación a los brazos de elevación de
la carcasa con las fijaciones que se retiraron anteriormente.
-
Conecte la
varilla de soporte delantera
al soporte de la carcasa
con el pasador de horquilla y
la arandela.
-
Instale la
correa del cortacésped sobre la polea del motor.
-
Apriete los
pernos del faldón de la carcasa del cortacésped.
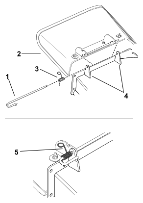
Cambio del deflector de hierba
 |
Peligro |
|
Si el hueco de descarga se deja
destapado, podrían salir despedidos objetos hacia usted u otras
personas. También podría producirse
un contacto con la cuchilla. Los objetos lanzados o cualquier
contacto con las palas causarán lesiones graves o la muerte.
No
utilice el cortacésped con el deflector de descarga elevado,
retirado o modificado, a menos que tenga colocado y en buenas
condiciones de funcionamiento un sistema de
recogida de hierba o un kit de mulching.
-
Aparque la
máquina en una superficie nivelada, desengrane el mando de control
de las cuchillas y ponga las palancas de control
de movimiento hacia fuera a la posición de Aparcar.
-
Pare el motor,
retire la llave y espere a que se detengan todas las piezas en movimiento
antes de abandonar el puesto del operador.
-
Desenganche
el muelle de la muesca del soporte del deflector, y retire la varilla
de los soportes soldados de carcasa, el
muelle y el deflector de descarga.
G509097
- Varilla
- Deflector
de hierba
- Muelle
- Soportes
de la carcasa
- Muelle
instalado en la varilla
-
Retire el
deflector de hierba dañado o desgastado.
-
Coloque el
nuevo deflector de descarga con los extremos de los soportes entre
los soportes soldados de la carcasa, como se
indica.
G509096
- Conjunto
de varilla y muelle instalado
- Extremo
con bucle del muelle instalado en la muesca del soporte del deflector
- Extremo
corto de la varilla colocado detrás del soporte del cortacésped
- Extremo
corto retenido por el soporte del cortacésped
-
Fije el conjunto
de varilla y muelle torciéndolo de manera que el extremo corto
de la varilla se sitúe detrás del soporte
delantero que está soldado a la carcasa.
El
muelle debe mantener el deflector de hierba en la posición de
abatido. Levante el deflector para verificar que puede bajarse
del todo.
Limpieza
Eliminación de residuos
El aceite de
motor, las baterías, el fluido hidráulico y el refrigerante
del motor son contaminantes medioambientales. Elimínelos
de acuerdo con la normativa estatal y local.
Solución de Problemas
El motor se sobrecalienta.
| Posible causa |
Acción correctora |
| La carga del motor es excesiva. |
-
Reduzca la
velocidad de avance.
|
| El nivel de aceite del
cárter está bajo. |
-
Añada
aceite al cárter.
|
| Las aletas de refrigeración
y los conductos de aire situados debajo del alojamiento del soplador
del motor están obstruidos.
|
-
Elimine la
obstrucción de las aletas de refrigeración y de los conductos
de aire.
|
| El limpiador de aire está
sucio. |
-
Limpie o
cambie el elemento del limpiador de aire.
|
| Hay suciedad, agua o combustible
viejo en el sistema de combustible.
|
-
Póngase
en contacto con el Servicio Técnico Autorizado.
|
El motor de arranque no se engrana.
| Posible causa |
Acción correctora |
| El mando de control de
las cuchillas está engranado.
|
-
Desengrane
el mando de control de las cuchillas.
|
| Las palancas de control
de movimiento no están en la posición Aparcar.
|
-
Mueva las
palancas de control de movimiento hacia fuera, a la posición Aparcar.
|
| La batería está
descargada. |
-
Cargue la
batería.
|
| Las conexiones eléctricas
están corroídas o sueltas.
|
-
Verifique
que hay buen contacto en las conexiones eléctricas.
|
| Un fusible esta fundido. |
-
Cambie el
fusible.
|
| Un relé o interruptor
está dañado. |
-
Póngase
en contacto con el Servicio Técnico Autorizado.
|
El motor no arranca, arranca con
dificultad, o no sigue funcionando.
| Posible causa |
Acción correctora |
| El depósito de combustible
está vacío. |
-
Llene el
depósito de combustible.
|
| El estárter (en su
caso) no está activado. |
-
Mueva la
palanca del estárter a la posición de Activado.
|
| El limpiador de aire está
sucio. |
-
Limpie o
cambie el elemento del limpiador de aire.
|
| El/los cable(s) de la(s)
bujía(s) está(n) suelto(s) o desconectado(s). |
-
Instale el/los
cable(s) en la bujía.
|
| La bujía está
picada, sucia o la distancia entre los electrodos es incorrecta. |
-
Instale una
bujía nueva, con los electrodos a la distancia correcta.
|
| El filtro de combustible
está sucio. |
-
Cambie el
filtro de combustible.
|
| Hay suciedad, agua o combustible
viejo en el sistema de combustible.
|
-
Póngase
en contacto con el Servicio Técnico Autorizado.
|
| Hay combustible incorrecto
en el depósito de combustible.
|
-
Drene el
depósito y rellene con combustible del tipo correcto.
|
| El nivel de aceite del
cárter está bajo. |
-
Añada
aceite al cárter.
|
El motor pierde potencia.
| Posible causa |
Acción correctora |
| La carga del motor es excesiva. |
-
Reduzca la
velocidad de avance.
|
| El limpiador de aire está
sucio. |
-
Limpie el
elemento del limpiador de aire.
|
| El nivel de aceite del
cárter está bajo. |
-
Añada
aceite al cárter.
|
| Las aletas de refrigeración
y los conductos de aire situados debajo del alojamiento del soplador
del motor están obstruidos.
|
-
Elimine la
obstrucción de las aletas de refrigeración y de los conductos
de aire.
|
| La bujía está
picada, sucia o la distancia entre los electrodos es incorrecta. |
-
Instale una
bujía nueva, con los electrodos a la distancia correcta.
|
| El orificio de ventilación
del depósito de combustible está obstruido. |
-
Póngase
en contacto con el Servicio Técnico Autorizado.
|
| El filtro de combustible
está sucio. |
-
Cambie el
filtro de combustible.
|
| Hay suciedad, agua o combustible
viejo en el sistema de combustible.
|
-
Póngase
en contacto con el Servicio Técnico Autorizado.
|
| Hay combustible incorrecto
en el depósito de combustible.
|
-
Póngase
en contacto con el Servicio Técnico Autorizado.
|
No es posible conducir la máquina.
| Posible causa |
Acción correctora |
| Las válvulas de desvío
están abiertas. |
-
Cierre las
válvulas de remolcado.
|
| Las correas de tracción
están desgastadas, sueltas o rotas.
|
-
Póngase
en contacto con el Servicio Técnico Autorizado.
|
| Las correas de tracción
se han salido de las poleas. |
-
Póngase
en contacto con el Servicio Técnico Autorizado.
|
| La transmisión se
ha averiado. |
-
Póngase
en contacto con el Servicio Técnico Autorizado.
|
La máquina vibra de manera
anormal.
| Posible causa |
Acción correctora |
| La(s) cuchilla(s) de corte
está(n) doblada(s) o desequilibrada(s).
|
-
Instale cuchilla(s)
nueva(s).
|
| El perno de montaje de
la cuchilla está suelto.
|
-
Apriete el
perno de montaje de la cuchilla.
|
| Los pernos de montaje del
motor están sueltos. |
-
Apriete los
pernos de montaje del motor.
|
| La polea del motor, la
polea tensora o la polea de las cuchillas está suelta. |
-
Apriete la
polea correspondiente.
|
| La polea del motor está
dañada. |
-
Póngase
en contacto con el Servicio Técnico Autorizado.
|
| El eje de la cuchilla está
doblado. |
-
Póngase
en contacto con el Servicio Técnico Autorizado.
|
| El soporte del motor está
suelto o roto. |
-
Póngase
en contacto con el Servicio Técnico Autorizado.
|
La altura de corte no es homogénea.
| Posible causa |
Acción correctora |
| La(s) cuchilla(s) no está(n)
afilada(s). |
-
Afile la(s)
cuchilla(s).
|
| Una de la(s) cuchilla(s)
de corte está(n) doblada(s).
|
-
Instale cuchilla(s)
nueva(s).
|
| El cortacésped no
está nivelado. |
-
Nivele el
cortacésped lateral y longitudinalmente.
|
| Uno de los rodillos protectores
del césped (en su caso) no está correctamente ajustado. |
-
Ajuste la
altura de la rueda protectora del césped.
|
| Los bajos de la carcasa
de corte están sucios. |
-
Limpie los
bajos de la carcasa de corte.
|
| La presión de los
neumáticos es incorrecta.
|
-
Ajuste la
presión de los neumáticos.
|
| El eje de una cuchilla
está doblado. |
-
Póngase
en contacto con el Servicio Técnico Autorizado.
|
Las cuchillas no giran.
| Posible causa |
Acción correctora |
| La correa de transmisión
está desgastada, suelta o rota.
|
-
Instale una
nueva correa de transmisión.
|
| La correa de transmisión
se ha salido de la polea. |
-
Instale la
correa de transmisión y verifique la posición correcta de
los ejes de ajuste y de las guías de la correa.
|
| El mando de la toma de
fuerza (TDF) o el embrague de la TDF está defectuoso. |
-
Póngase
en contacto con el Servicio Técnico Autorizado.
|
| La correa del cortacésped
está desgastada, suelta o rota.
|
-
Instale una
nueva correa de cortacésped.
|