Kunnossapito
Note: Koneen vasen ja oikea puoli määritellään normaalista käyttöasennosta käsin.
Kunnossapitotaulukko
| Huoltoväli | Huoltotoimenpide |
|---|---|
| 10 ensimmäisen käyttötunnin jälkeen |
|
| Aina ennen käyttöä tai päivittäin |
|
| Ennen varastointia |
|
Varoitus
Jos jätät avaimen virtalukkoon, joku voi vahingossa käynnistää moottorin ja vahingoittaa vakavasti lähellä olijoita.
Irrota avain virtalukosta ja irrota sytytystulpan johto ennen huoltotoimenpiteitä. Työnnä johto sivuun, jotta se ei pääse vahingossa koskettamaan sytytystulppaa.
Hengenvaara
Moottori voi kuumentua käytön aikana. Kuumien pintojen koskettaminen voi aiheuttaa vakavia palovammoja.
Moottorin ja erityisesti äänenvaimentimien on annettava jäähtyä ennen kuin niihin kosketaan.
Hengenvaara
Kuivat lehdet, heinä ja aluskasvillisuus voi syttyä palamaan. Moottoritilassa syttyvä tulipalo voi aiheuttaa henkilö- ja omaisuusvahinkoja.
-
Moottoritila ja äänenvaimentimen alue on pidettävä puhtaana.
-
Kerääjän suojus on avattava varovasti, jotta moottoritilaan ja äänenvaimentimen alueelle ei putoa roskia.
-
Koneen on annettava jäähtyä ennen varastointia.
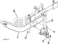
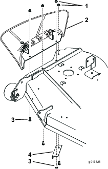
Kerääjäkokoonpanon tarkastus
| Huoltoväli | Huoltotoimenpide |
|---|---|
| 10 ensimmäisen käyttötunnin jälkeen |
|
| Ennen varastointia |
|
Tarkasta kerääjäkokoonpano 10 ensimmäisen käyttötunnin jälkeen ja sen jälkeen kuukauden välein.
-
Tarkasta suppilo, heittoputki ja kerääjän yläosa. Vaihda haljenneet tai rikkoutuneet osat.
-
Kiristä kaikki mutterit, pultit ja ruuvit.
-
Tarkasta kaikki kiinnikkeet ja salvat. Vaihda puuttuvat tai vaurioituneet osat.
-
Tarkasta, että ruohonkeräimet ovat hyvässä kunnossa.
Vaara
Käyttäjä tai sivulliset voivat loukkaantua repeytyneen, kuluneen tai muuten rikkoutuneen ruohonkeräimen läpi sinkoutuvista roskista tai kappaleista.
-
Tarkasta, että ruohonkeräimissä ei ole reikiä, repeytymiä tai muita vikoja.
-
Älä pese ruohonkeräimiä.
-
Jos keräin on vaurioitunut, asenna tämän kerääjäkokoonpanon valmistajan toimittamat uudet ruohonkeräimet.
-
Leikkurin terien tarkistus
Tarkista leikkurin terät säännöllisesti ja aina, kun terä osuu esteeseen.
Jos terät ovat pahoin kuluneita tai vaurioituneita, asenna uudet terät. Leikkurin käyttöoppaassa on kattavat terien huolto-ohjeet.
Kerääjäkokoonpanon puhdistus
| Huoltoväli | Huoltotoimenpide |
|---|---|
| Aina ennen käyttöä tai päivittäin |
|
| Ennen varastointia |
|
Note: Keräimien valmistusmateriaalin rikkoutumisen voi estää säilyttämällä keräimiä niin, että ne kuivuvat kokonaan jokaisen käytön jälkeen.
-
Irrota ja pese kerääjän yläosan, heittoputken ja suppilon sisä- ja ulkopuolet sekä leikkurin alapuoli jokaisen käyttökerran jälkeen puutarhaletkulla. Poista pinttynyt lika miedolla puhdistusaineella.
-
Varmista, että kaikki osiin takertunut ruoho poistetaan.
-
Huuhtele ruohonkeräimistä roskat puutarhaletkulla.
-
Kun osat on pesty, anna niiden kuivua kokonaan.















































