![]() |
任何潜在危险区附近均贴有操作员清晰可见的安全标贴和说明。更换受损或丢失的标贴。 |

请根据正常操作位置确定机器的左右侧。
将机器停在水平地面上。
停止 PTO 动力输出,放低附件。
接合驻车刹车。
关闭发动机并拔下钥匙。
等待所有移动完全停止。
等待机器组件冷却。
此程序中需要的物件:
| 传感器模块 | 1 |
| LED 灯 | 1 |
| 螺栓(¼ x 1¼ 英寸) | 2 |
| 凸缘螺母(¼ 英寸) | 4 |
| 螺栓(¼ x ¾ 英寸) | 2 |
| 安装支架 | 1 |
| 线束 | 1 |
| 警报器 | 1 |
| 标贴 | 1 |
| 扎带 | 2 |
断开电池的连接。参阅操作员手册了解如何断开电池。
从机器上取下机罩。参阅操作员手册了解如何取下机罩。
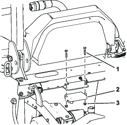
检查图 1中显示的机器机架中现有的孔。如果有孔,继续执行步骤 6。

使用安装支架作为模板,标记孔的位置以便钻孔(图 1)。
在机器机架中钻 9/32 英寸的孔(图 1)。
用 2 个螺栓(¼ x ¾ 英寸)和 2 个凸缘螺母(¼ 英寸)将安装支架安装到机器机架上。

用 2 个螺栓(¼ x 1¼ 英寸)和 2 个螺母(¼ 英寸)将传感器安装到安装支架上。


向前翻转座椅。
卸下座椅后面和控制台侧面的检修门(图 5)。

将警报器安装到控制器面板(图 6)。

Note: 安装灯具和取下标贴区域仅适用于不带 InfoCenter 信息中心的机器。
对于没有 InfoCenter 信息中心的机器,在控制台标贴上挖出适用于灯具的孔。
将灯具安装到控制台顶部(图 7)。
