![]() |
Des autocollants de sécurité et des instructions bien visibles par l'opérateur sont placés près de tous les endroits potentiellement dangereux. Remplacez tout autocollant endommagé ou manquant. |

Les côtés gauche et droit de la machine sont déterminés d'après la position d'utilisation normale.
Garez la machine sur une surface plane et horizontale.
Désengagez la prise de force et abaissez les outils.
Serrez le frein de stationnement.
Coupez le moteur et retirez la clé.
Attendez l'arrêt complet de tout mouvement.
Laissez refroidir les composants de la machine.
Pièces nécessaires pour cette opération:
| Module capteur | 1 |
| Diode | 1 |
| Boulon (1/4" x 1¼") | 2 |
| Écrou à embase (¼") | 4 |
| Boulon (1/4" x 3/4") | 2 |
| Support de montage | 1 |
| Faisceau de câblage | 1 |
| Alarme | 1 |
| Autocollant | 1 |
| Attache-câble | 2 |
Débranchez la batterie. Voir comment débrancher la batterie dans le Manuel de l'utilisateur.
Déposez le capot de la machine. Voir comment déposer le capot dans le Manuel de l'utilisateur.
Vérifiez si le cadre de la machine comporte déjà des trous, comme montré à la Figure 1. S'il n'y a pas de trous, passez à l'opération 6.

En vous servant du support de montage comme gabarit, repérez l'emplacement des trous à percer (Figure 1).
Percez des trous de 9/32 pouce dans le cadre de la machine (Figure 1).
Fixez le support de montage sur le cadre de la machine à l'aide de 2 boulons (1/4" x 3/2") et 2 écrous à embase (1/4").

Montez le capteur sur le support de à l'aide de 2 boulons (1/4" x 1¼") et 2 écrous (1/4").

Branchez le connecteur à 90° sur le capteur (Figure 4 et Figure 8).

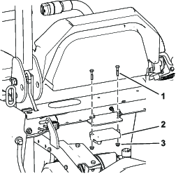
Basculez le siège en avant.
Déposez le panneau d'accès derrière le siège et sur le côté de la console (Figure 5).

Montez l'alarme sur le panneau de la console (Figure 6).

Note: L'installation du témoin et le retrait de la partie correspondante sur l'autocollant ne concerne que les machines non équipées de l'InfoCenter.
Sur les machines sans InfoCenter, découpez le trou dans l'autocollant de la console pour la diode.
Installez le témoin sur le haut de la console (Figure 7).

Faites passer le faisceau de câblage sous le plateau du siège et le long du faisceau existant dans le profilé transversal (Figure 8).
Branchez le connecteur central sur le connecteur du faisceau de la machine étiqueté TELEATICS PORT ou EXPANSION PORT (Figure 8).
Reliez le faisceau de câblage au témoin et à l'alarme (Figure 8).
Acheminez le faisceau jusqu'aux commandes en suivant le faisceau existant de la machine.

Attachez le nouveau faisceau au faisceau existant de la machine avec des attache-câbles.
Note: Veillez à attacher les faisceaux à l'écart des pièces mobiles et des surfaces chaudes.
Connectez la batterie. Voir la procédure dans le Manuel de l'utilisateur.
Pièces nécessaires pour cette opération:
| Autocollant | 1 |
Apposez l'autocollant sur la machine, comme montré à la Figure 9.

Sur une surface plane, enlevez le capuchon des connecteurs d'étalonnage (Figure 10).
Branchez les connecteurs d'étalonnage ensemble, comme montré à la Figure 10.


Tournez la clé de contact à la position CONTACT, mais ne démarrez pas le moteur.
Utilisez les procédures suivantes en fonction de la diode installée sur votre machine.
Diode de la console (Figure 11) :
La diode (Figure 11) clignote pendant l'étalonnage du capteur.
Lorsque la diode s'éteint et que le capteur émet un bip sonore, le capteur est étalonné.
Tournez la clé de contact à la position ARRêT.

Diode de l'InfoCenter (Figure 12) :
L'InfoCenter affiche l'avis 195, Étalonnage du capteur d'inclinaison.
Note: La diode en haut de l'écran d'affichage (Figure 12) clignote pendant l'étalonnage du capteur.
Lorsque l'InfoCenter affiche l'avis 196, Capteur d'inclinaison étalonné, et que la diode ne clignote plus et que l'alarme émet un bip sonore, tournez la clé de contact à la position ARRêT.

Débranchez les connecteurs d'étalonnage et remettez le capuchon sur les connecteurs (Figure 13).

Utilisez les procédures suivantes en fonction de l'équipement de votre machine.
Les pentes augmentent significativement les risques de perte de contrôle et de basculement de la machine pouvant entraîner des accidents graves, voire mortels.
Faites preuve d'une extrême prudence quand vous utilisez la machine sur une pente.
La diode et l'alarme indiquent l'importance de l'inclinaison (Figure 11) :
Diode éteinte – conditions normales d'utilisation
Clignotement lent en rouge de la diode – pente modérée
Clignotement rapide en rouge de la diode et alarme sonore – forte pente ; rendez-vous sur une pente moins forte.
La diode et l'alarme indiquent l'importance de l'inclinaison (Figure 12) :
Diode éteinte – conditions normales d'utilisation
Clignotement lent en rouge de la diode – pente modérée
Clignotement rapide en rouge de la diode, alarme sonore – forte pente ; rendez-vous sur une pente moins forte.