![]() |
Sikkerheds- og instruktionsmærkaterne kan nemt ses af operatøren og er placeret tæt på potentielle risikoområder. Beskadigede eller bortkomne mærkater skal udskiftes. |

Maskinens venstre og højre side er som set fra den normale betjeningsposition.
Parker maskinen på en plan overflade.
Sørg for at udkoble kraftudtaget, og sænk redskaberne.
Aktiver parkeringsbremsen.
Sluk motoren, og tag nøglen ud.
Vent, til al bevægelse er standset.
Lad maskinkomponenterne køle af.
Dele, der skal bruges til dette trin:
| Sensormodul | 1 |
| Lysdiodelygte | 1 |
| Bolt (1/4 x 1-1/4 tommer) | 2 |
| Flangemøtrik (¼") | 4 |
| Bolt (¼" x ¾") | 2 |
| Monteringsbeslag | 1 |
| Ledningsnet | 1 |
| Alarm | 1 |
| Mærkat | 1 |
| Kabelbånd | 2 |
Frakobl batteriet. Se betjeningsvejledningen for at få anvisninger i frakobling af batteriet.
Fjern motorhjelmen fra maskinen. Se betjeningsvejledningen for at få anvisninger i afmontering af motorhjelmen.
Efterse maskinstellet, der er vist i Figur 1, for eksisterende huller. Hvis der er eksisterende huller, skal du gå videre trin 6.

Anvend monteringsbeslaget som skabelon, og marker placeringen af hullet, der skal bores (Figur 1).
Bor huller på 9/32" i maskinens stel (Figur 1).
Monter monteringsbeslaget på maskinens stel med 2 bolte (¼" x ¾") og 2 flangemøtrikker (¼").

Fastgør sensoren på monteringsbeslaget med 2 bolte (¼" x 1¼") og 2 møtrikker (¼").

Sæt 90°-stikket i sensoren (Figur 4 og Figur 8).

Vip sædet fremad.
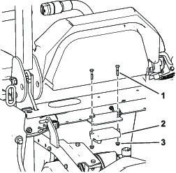
Fjern adgangspanelet bag sædet og på konsollens side (Figur 5).

Monter alarmen på konsolpanelet (Figur 6).

Note: Montering af lygten og afmontering af mærkatområdet skal kun udføres på maskiner uden InfoCenter.
På maskiner uden InfoCenter skal der skæres et hul i konsollens mærkat til lygten.
Monter lygten i toppen af konsollen (Figur 7).

Før ledningsnettet under sædeskålen og langs med det eksisterende ledningsnet i tværkanalen (Figur 8).
Monter mellemstikket på maskinens ledningsnetstik, der er mærket TELEMATICS-port eller EXPANSION-port (Figur 8).
Tilslut ledningsnettet til lygten og alarmen (Figur 8).
Før ledningsnettet til betjeningsanordningerne langs maskinens eksisterende ledningsnet.

Anvend kabelbåndene til at tilslutte det nye ledningsnet til maskinens eksisterende ledningsnet.
Note: Sørg for, at ledningsnettene er fastgjort på sikker afstand af bevægelige dele og varme overflader.
Tilslut batteriet. Se betjeningsvejledningen for at få oplysninger om fremgangsmåden.
Når du befinder dig på en plan overflade, skal du fjerne proppen fra kalibreringsstikkene (Figur 10).
Sæt kalibreringsstikkene sammen som vist i Figur 10.


Drej tændingsnøglen til positionen ON (til), men start ikke motoren.
Anvend følgende fremgangsmåder afhængigt af, hvilken lysdiodelygte der er monteret på din maskine.
Konsollens lysdiodelygte (Figur 11):
Lysdiodelygten (Figur 11) blinker, når sensoren kalibrerer.
Når lysdiodelygten slukkes, og sensoren bipper én gang, er sensoren kalibreret.
Drej tændingsnøglen til positionen OFF (fra).

Lysdiodelygte for InfoCenter (Figur 12):
InfoCenter viser rådgivningsmeddelelse 195: "Slope Sensor Calibrating" (Kalibrering af hældningssensor).
Note: Lysdiodelygten øverst på displayskærmen (Figur 12) blinker, når sensoren kalibreres.
Når InfoCenter viser rådgivningsmeddelelse 196: "Slope Sensor Calibrated" (Hældningssensoren blev kalibreret), lygten er holdt op med at blinke, og alarmen bipper én gang, skal du dreje tændingsnøglen til positionen OFF (fra).

Frakobl kalibreringsstikkene, og fastgør proppen på stikkene (Figur 13).

Anvend følgende fremgangsmåder, afhængigt af hvad der er monteret på din maskine.
Skråninger er væsentlige årsager til kontroltabs- og vælteulykker, som kan medføre alvorlige personskader eller dødsfald.
Udvis stor forsigtighed, når du betjener maskinen på skråninger.
Lygten og alarmen angiver hældningens grad (Figur 11):
Intet lys – normale driftsomgivelser
Langsomt blinkende rødt lys – moderat hældning
Hurtigt blinkende rødt lys og akustisk alarm – stejl hældning. Fortsæt til en mindre stejl hældning.
Lygten og alarmen angiver hældningens grad (Figur 12):
Intet lys – normale driftsomgivelser
Langsomt blinkende rødt lys – moderat hældning
Hurtigt blinkende rødt lys, akustisk alarm – stejl hældning. Fortsæt til en mindre stejl hældning.