![]() |
Säkerhetsdekalerna och anvisningarna är fullt synliga för föraren och finns nära alla potentiella farozoner. Ersätt dekaler som har skadats eller saknas. |

Vänster och höger sida på maskinen är lika med förarens vänstra respektive högra sida vid normal körning.
Ställ maskinen på ett plant underlag.
Koppla ur kraftuttaget och sänk ner redskapen.
Koppla in parkeringsbromsen.
Stäng av motorn och ta ut nyckeln.
Vänta tills alla rörliga delar har stannat.
Låt maskinkomponenterna svalna.
Delar som behövs till detta steg:
| Sensormodul | 1 |
| Lysdiod | 1 |
| Skruv (1/4 x 1 1/4 tum) | 2 |
| Flänsmutter (¼ tum) | 4 |
| Skruv (¼ x ¾ tum) | 2 |
| Monteringsfäste | 1 |
| Kablage | 1 |
| Larm | 1 |
| Dekal | 1 |
| Kabelband | 2 |
Koppla loss batteriet. Information om hur du kopplar loss batteriet finns i bruksanvisningen.
Avlägsna motorhuven från maskinen. Information om hur du avlägsnar motorhuven finns i bruksanvisningen.
Kontrollera om maskinramen som visas i Figur 1 har befintliga hål. Om det finns befintliga hål fortsätter du till steg 6.

Använd monteringsfästet som mall för att markera platsen för hålet som ska borras (Figur 1).
Borra hål på 7,1 mm i maskinramen (Figur 1).
Montera monteringsfästet på maskinramen med två skruvar (¼ x ¾ tum) och två flänsmuttrar (¼ tum).

Montera sensorn på monteringsfästet med två skruvar (¼ x 1 ¼ tum) och två muttrar (¼ tum).

Anslut 90-graderskontakten till sensorn (Figur 4 och Figur 8).

Fäll sätet framåt.
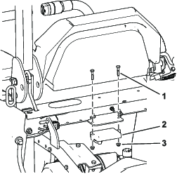
Ta bort åtkomstpanelen bakom sätet och på sidan av konsolen (Figur 5).

Montera larmet på konsolpanelen (Figur 6).

Note: Montering av lampan och borttagning av dekalområdet är endast avsett för maskiner utan InfoCenter.
För maskiner utan InfoCenter ska du klippa ut hålet i konsolens dekal för lampan.
Montera lampan i konsolens överkant (Figur 7).

För kablaget under sätets sittdel och längs med det befintliga kablaget i korskanalen (Figur 8).
Montera den mellersta kontakten på maskinkablagekontakten som har markerats som TELEMATICS-porten eller EXPANSION-porten (Figur 8).
Anslut kablaget till lampan och larmet (Figur 8).
Dra kablaget till reglagen längs med maskinens befintliga kablage.

Använd kabelbanden för att ansluta det nya kablaget till det befintliga maskinkablaget.
Note: Se till att kablagen sitter långt ifrån rörliga delar och heta ytor.
Anslut batteriet. Mer information om proceduren finns i bruksanvisningen.
Ställ maskinen på ett plant underlag och ta bort pluggen från kalibreringskontakterna (Figur 10).
Koppla ihop kalibreringskontakterna enligt Figur 10.


Vrid tändningsnyckeln till det PåSLAGNA läget, men starta inte motorn.
Genomför nedanstående processer beroende på vilken lampa som är monterad i maskinen.
Konsolens lampa (Figur 11):
Lampan (Figur 11) blinkar medan sensorn kalibreras.
När lampan släcks och sensorn piper en gång har sensorn kalibrerats.
Vrid tändningsnyckeln till det AVSTäNGDA läget.

Lampa för InfoCenter (Figur 12):
I InfoCenter visas meddelande 195, kalibrering av lutningssensor.
Note: Lampan högst upp på skärmen (Figur 12) blinkar när sensorn kalibreras.
När meddelande 196: Lutningssensor kalibrerad visas i InfoCenter, lampan inte längre blinkar och larmet har pipit en gång vrider du tändningsnyckeln till läget AV.

Koppla loss kalibreringskontakterna och montera pluggen i kontakterna (Figur 13).

Genomför nedanstående procedurer beroende på vad som har monterats på maskinen.
Sluttningar är en betydande faktor vid olyckor som orsakas av förlorad kontroll eller tippning. Sådana olyckor kan orsaka allvarliga personskador eller dödsfall.
Var ytterst försiktig när du använder maskinen i sluttningar.
Lampan och larmet anger sluttningens lutningsgrad (Figur 11):
Inget ljus – normala driftförhållanden
Långsamt blinkande rött ljus – måttlig lutning
Snabbt blinkande rött ljus och ljudlarm – brant lutning. Förflytta dig till en mindre brant sluttning.
Lampan och larmet anger sluttningens lutningsgrad (Figur 12):
Inget ljus – normala driftförhållanden
Långsamt blinkande rött ljus – måttlig lutning
Snabbt blinkande rött ljus, ljudlarm – brant lutning. Förflytta dig till en mindre brant sluttning.