![]() |
Os autocolantes de segurança e instruções estão facilmente visíveis para o operador e situam-se próximos das zonas de potencial perigo. Substitua todos os autocolantes danificados ou perdidos. |

Determine os lados direito e esquerdo da máquina a partir da posição normal de operação.
Estacione a máquina numa superfície nivelada.
Desative a tomada de força e desça os acessórios.
Engate o travão de estacionamento.
Desligue o motor e retire a chave.
Aguarde que todo o movimento pare.
Deixe que os componentes da máquina arrefeçam.
Peças necessárias para este passo:
| Módulo do sensor | 1 |
| Luz LED | 1 |
| Parafuso (¼ pol. x 1¼ pol.) | 2 |
| Porca flangeada (¼ pol.) | 4 |
| Parafuso (¼ pol. x ¾ pol.) | 2 |
| Suporte de montagem | 1 |
| Cablagem | 1 |
| Alarme | 1 |
| Autocolante | 1 |
| Braçadeira de cabos | 2 |
Desligue a bateria. Consulte o Manual do utilizador para desligar a bateria.
Retire o capot da máquina. Consulte o Manual do utilizador para remover o capot.
Verifique a estrutura da máquina mostrada na Figura 1 para ver os furos existentes. Se existirem furos, passe para o passo 6.

Utilize o suporte de montagem como modelo, marque a localização do furo para perfurar (Figura 1).
Faça furos de 9/32 pol. na estrutura da máquina (Figura 1).
Instale o suporte de montagem inferior na estrutura da máquina com dois parafusos de carroçaria (¼ pol. x ¾ pol.) e duas porcas flangeadas (¼ pol.).

Monte o sensor no suporte de montagem com dois parafusos (¼ pol. x 1¼ pol.) e duas porcas (¼ pol.).

Ligue o conector de 90° ao sensor (Figura 4 e Figura 8).

Incline o banco para a frente.
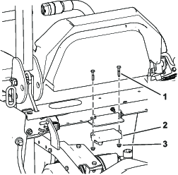
Retire o painel de acesso por detrás do banco e na lateral da consola (Figura 5).

Instale o alarme no painel da consola (Figura 6).

Note: Instalar a luz e remover o autocolante é apenas para máquinas sem um InfoCenter.
Para máquinas sem um InfoCenter, faça o furo no autocolante da consola para a luz.
Instale a luz na parte superior da consola (Figura 7).

Encaminhe a cablagem por baixo do painel do banco e ao longo da cablagem existente no canal transversal (Figura 8).
Instale o conector intermédio no conector da cablagem da máquina rotulado porta TELEMATICS ou porta EXPANSION (Figura 8).
Ligue a cablagem à luz e ao alarme (Figura 8).
Encaminhe a cablagem aos controlos e ao longo da cablagem existente da máquina.

Utilize as braçadeiras de cabos para ligar a nova cablagem à cablagem existente da máquina.
Note: Certifique-se de que as cablagens são presas afastadas de quaisquer peças em movimento e superfícies quentes.
Ligue a bateria. Consulte o Manual do utilizador para o procedimento.
Peças necessárias para este passo:
| Autocolante | 1 |
Instale o autocolante na máquina como se mostra na Figura 9.

Enquanto numa superfície nivelada, remova o tampão dos conectores de calibração (Figura 10).
Ligue os conectores de calibração em conjunto como se mostra na Figura 10.


Rode a chave na ignição para a posição LIGAR, mas não ligue o motor.
Utilize os processos seguintes dependendo da luz LED que a sua máquina tem instalada.
Luz LED da consola (Figura 11):
A luz LED (Figura 11) pisca enquanto o sensor calibra.
Quando a luz LED desliga e o sensor apita uma vez, o sensor está calibrado.
Rode a chave da ignição para a posição DESLIGAR.

Luz LED do InfoCenter (Figura 12):
O InfoCenter mostra o Conselho 195, A calibrar o sensor de declive.
Note: A luz LED na parte superior do ecrã (Figura 12) pisca enquanto o sensor calibra.
Quando o InfoCenter mostrar o Conselho 196, Sensor de declive calibrado, a luz deixar de piscar e o alarme apitar uma vez, rode a chave da ignição para a posição DESLIGAR.

Desligue os conectores de calibração e instale o tampão nos conectores (Figura 13).

Utilize os procedimentos seguintes dependendo do que a sua máquina tem instalado.
Os declives são um dos principais fatores que contribuem para a perda de controlo e acidentes de capotamento que podem resultar em ferimentos graves ou morte.
Tenha muito cuidado ao operar a máquina num declive.
A luz e o alarme indicam a gravidade do declive (Figura 11):
Sem luz – condições de operação normal
Luz vermelha a piscar, devagar – declive moderado
Luz vermelha a piscar depressa e alarme audível – declive acentuado; siga para um declive mais suave.
A luz e o alarme indicam a gravidade do declive (Figura 12):
Sem luz – condições de operação normal
Luz vermelha a piscar, devagar – declive moderado
Luz vermelha a piscar depressa, alarme audível – declive acentuado; siga para um declive mais suave.