![]() |
Informatieve en veiligheidsstickers zijn gemakkelijk zichtbaar voor de bestuurder en bevinden zich bij plaatsen waar gevaar kan ontstaan. Vervang alle beschadigde of verdwenen stickers. |

Bepaal vanuit de normale bedieningspositie de linker- en rechterzijde van de machine.
Parkeer de machine op een horizontaal oppervlak.
Schakel de aftakas uit en laat de werktuigen zakken.
Haal de parkeerrem aan.
Zet de motor af en verwijder het sleuteltje.
Wacht totdat alle bewegende onderdelen tot stilstand zijn gekomen.
Laat de onderdelen van de machine afkoelen.
Benodigde onderdelen voor deze stap:
| Sensormodule | 1 |
| Ledlamp | 1 |
| Bout (¼" x 1¼") | 2 |
| Flensmoer (¼") | 4 |
| Bout (¼" x ¾") | 2 |
| Montagebeugel | 1 |
| Kabelboom | 1 |
| Alarm | 1 |
| Sticker | 1 |
| Kabelbinder | 2 |
Koppel de accu los. Raadpleeg de Gebruikershandleiding om de accu los te koppelen.
Verwijder de motorkap op de machine. Raadpleeg de Gebruikershandleiding om de motorkap te verwijderen.
Controleer of er openingen zijn in het frame van de machine dat wordt afgebeeld in Figuur 1. Als er openingen zijn, gaat u naar stap 6.

Gebruik de montagebeugel als sjabloon om de locatie van de te boren opening te markeren (Figuur 1).
Boor openingen met een diameter van 9/32" in het frame van de machine (Figuur 1).
Bevestig de montagebeugel aan het frame van de machine met behulp van 2 bouten (¼" x ¾") en 2 flensmoeren (¼").

Monteer de sensor aan de montagebeugel met 2 bouten (¼" x 1¼") en 2 moeren (¼").

Sluit de 90°-connector aan op de sensor (Figuur 4 en Figuur 8).

Kantel de stoel naar voren.
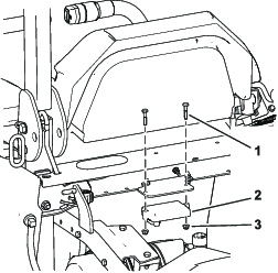
Verwijder het inspectieluik achter de stoel en aan de zijkant van het bedieningspaneel (Figuur 5).

Monteer het alarm op het bedieningspaneel (Figuur 6).

Note: U moet alleen het lampje monteren en het gebied van de sticker verwijderen als het gaat om een machine zonder een InfoCenter.
Voor machines zonder infoCenter: snijd de opening voor het lampje in de bedieningspaneelsticker uit.
Monteer het lampje in de bovenkant van het bedieningspaneel (Figuur 7).

Leid de kabelboom onder de stoelsteun en langs de bestaande kabelboom in de dwarsbuis (Figuur 8).
Monteer de middelste connector aan de connector van de machinekabelboom met de aanduiding TELEMATICS-poort of EXPANSION-poort (Figuur 8).
Sluit de kabelboom aan op het lampje en het alarm (Figuur 8).
Leid de kabelboom naar de bedieningsorganen langs de bestaande kabelboom van de machine.

Gebruik de kabelbinders om de nieuwe kabelboom te bevestigen aan de bestaande machinekabelboom.
Note: Zorg ervoor dat de kabelbomen uit de buurt van bewegende onderdelen en hete oppervlakken zijn bevestigd.
Sluit de accu aan. Raadpleeg de Gebruikershandleiding voor de procedure.
Verwijder de plug van de kalibratieconnectoren terwijl de machine op een vlak oppervlak staat (Figuur 10).
Sluit de kalibratieconnectoren aan op elkaar zoals getoond in Figuur 10.


Draai het contactsleuteltje naar de stand AAN, maar start de motor niet.
Gebruik de volgende procedures afhankelijk van welke ledlamp geïnstalleerd is op uw machine.
Ledlamp van bedieningspaneel (Figuur 11):
De ledlamp (Figuur 11) knippert terwijl de sensor gekalibreerd wordt.
Wanneer de ledlamp uitgaat en de sensor één keer piept, is de sensor gekalibreerd.
Draai het contactsleuteltje op UIT.

Ledlamp van InfoCenter (Figuur 12)
Het InfoCenter toont melding 195, Hellingsensor wordt gekalibreerd.
Note: De ledlamp aan de bovenkant van het scherm (Figuur 12) knippert terwijl de sensor gekalibreerd wordt.
Wanneer het InfoCenter melding 196, Hellingsensor gekalibreerd, toont, het lampje niet langer knippert en het alarm één keer piept, draait u het contactsleuteltje op UIT.

Maak de kalibratieconnectoren los en monteer de plug op de connectoren (Figuur 13).

Gebruik de volgende procedures afhankelijk van wat geïnstalleerd is op uw machine.
Hellingen zijn de belangrijkste oorzaak dat de bestuurder de macht over de machine verliest en deze omkantelt. Dit kan leiden tot ernstig of dodelijke letsel.
Ga zeer voorzichtig te werk wanneer u de machine op een helling gebruikt.
Het lampje en het alarm geven de aard van de helling aan (Figuur 11):
Geen licht – normale werkomstandigheden
Traag, knipperend rood licht – matige helling
Snel, knipperend rood licht en weerklinkend alarm – steile helling; ga naar een flauwere helling.
Het lampje en het alarm geven de aard van de helling aan (Figuur 12):
Geen licht – normale werkomstandigheden
Traag, knipperend rood licht – matige helling
Snel, knipperend rood licht, weerklinkend alarm – steile helling; ga naar een minder steile helling.