![]() |
Gli adesivi di sicurezza e quelli con le istruzioni sono chiaramente visibili e sono affissi accanto a zone particolarmente pericolose. Sostituite eventuali adesivi danneggiati o mancanti. |

Stabilite i lati sinistro e destro della macchina rispetto alla normale posizione di guida.
Parcheggiate la macchina su un terreno pianeggiante.
Disinnestate la presa di forza e abbassate al suolo l'attrezzatura.
Inserite il freno di stazionamento.
Spegnete il motore e togliete la chiave.
Attendete che tutte le parti in movimento si arrestino.
Lasciate raffreddare i componenti della macchina.
Parti necessarie per questa operazione:
| Modulo sensore | 1 |
| Luce LED | 1 |
| Bullone (¼" x 1¼") | 2 |
| Dado flangiato (¼") | 4 |
| Bullone (¼" x ¾") | 2 |
| Staffa di montaggio | 1 |
| Cablaggio preassemblato | 1 |
| Allarme | 1 |
| Adesivo | 1 |
| Fascetta per cavi | 2 |
Scollegate la batteria. Per scollegare la batteria fate riferimento al Manuale dell'operatore.
Rimuovete il cofano dalla macchina. Per la rimozione del cofano fate riferimento al Manuale dell'operatore.
Controllate se nel telaio della macchina mostrato nella Figura 1 sono presenti fori. Se vi sono fori, procedete al passaggio 6.

Utilizzando la staffa di montaggio come riferimento, contrassegnate la posizione del foro da praticare (Figura 1).
Praticate fori da 9/32" nel telaio della macchina (Figura 1).
Fissate la staffa di montaggio sul telaio della macchina con 2 bulloni (¼" x ¾") e 2 dadi flangiati (¼").

Fissate il sensore alla staffa di montaggio utilizzando 2 bulloni (¼" x 1¼") e 2 dadi (¼").

Inserite il connettore a 90° nel sensore (Figura 4 e Figura 8).

Spostate il sedile in avanti.
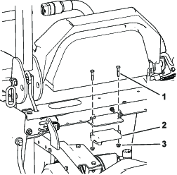
Rimuovete il pannello di accesso dietro al sedile e sul lato della consolle (Figura 5).

Installate l'allarme nel pannello della consolle (Figura 6).

Note: L'installazione della luce e la rimozione dell'area dell'adesivo si riferiscono solo alle macchine senza InfoCenter.
Nelle macchine senza InfoCenter, ritagliare il foro nell'adesivo della consolle per installare la luce.
Montate la luce nella parte superiore della consolle (Figura 7).

Fate passare il cablaggio preassemblato sotto alla scocca del sedile e lungo il cablaggio esistente nel profilo trasversale (Figura 8).
Collegate il connettore mediano al connettore del cablaggio della macchina con l'etichetta della porta TELEMATICS oppure EXPANSION (Figura 8).
Collegate il cablaggio preassemblato alla luce e all'allarme (Figura 8).
Instradate il cablaggio verso i comandi passando lungo il cablaggio preassemblato esistente della macchina.

Utilizzate le fascette per cavi per fissare il nuovo cablaggio al cablaggio preesistente della macchina.
Note: Accertatevi che i cablaggi siano fissati lontano dalle parti in movimento e dalle superfici calde.
Collegate la batteria. Per informazioni sulla procedura fate riferimento al Manuale dell'operatore.
Parti necessarie per questa operazione:
| Adesivo | 1 |
Applicate l'adesivo sulla macchina come illustrato in Figura 9.

Quando vi trovate su una superficie piana, rimuovete il tappo dai connettori di calibrazione (Figura 10).
Collegate tra loro i connettori di calibrazione come mostrato nella Figura 10.


Girate la chiave di accensione in posizione di ACCENSIONE ma non avviate il motore.
A seconda delle luci LED installate sulla vostra macchina attenetevi ai processi indicati di seguito.
Luce LED della consolle (Figura 11):
La luce LED (Figura 11) lampeggia durante la calibrazione del sensore.
Quando la luce LED si spegne e l'allarme acustico suona una volta, il sensore è calibrato.
Girate la chiave di accensione in posizione OFF.

Luce LED dell'InfoCenter (Figura 12):
Sull'InfoCenter appare l'avviso 195, Calibrazione del sensore di pendenza.
Note: Durante la calibrazione del sensore, la luce LED in cima al display (Figura 12) lampeggia.
Quando sull'InfoCenter compare l'avviso 196, Sensore di pendenza calibrato, la luce smette di lampeggiare e l'avvisatore acustico suona una volta, girate la chiave di accensione in posizione di SPEGNIMENTO.

Scollegate i connettori di calibrazione e inserite il tappo sui connettori (Figura 13).

A seconda di quanto è installato sulla vostra macchina attenetevi alle procedure indicate di seguito.
Le pendenze sono un importante fattore che influisce sugli incidenti causati da perdita di controllo e ribaltamento, che possono comportare gravi infortuni o la morte.
Prestate estrema attenzione quando utilizzate la macchina in pendenza.
La spia e l'allarme indicano la pericolosità della pendenza (Figura 11):
Nessuna luce: condizioni operative normali
Luce rossa con lampeggio lento: pendenza media
Luce rossa che lampeggia velocemente e allarme sonoro: pendenza ripida, spostatevi in un'area con meno pendenza.
La spia e l'allarme indicano la pericolosità della pendenza (Figura 12):
Nessuna luce: condizioni operative normali
Luce rossa con lampeggio lento: pendenza media
Luce rossa che lampeggia velocemente, allarme sonoro: pendenza ripida, spostatevi in un'area con meno pendenza.