![]() |
Las pegatinas e instrucciones de seguridad están a la vista del operador y están ubicadas cerca de cualquier zona de peligro potencial. Sustituya cualquier pegatina que esté dañada o que falte. |

Los lados derecho e izquierdo de la máquina se determinan desde la posición normal del operador.
Aparque la máquina en una superficie nivelada.
Desengrane la toma de fuerza y baje los accesorios.
Accione el freno de estacionamiento.
Apague el motor y retire la llave.
Espere a que se detenga todo movimiento.
Deje que se enfríen los componentes de la máquina.
Piezas necesarias en este paso:
| Módulo del sensor | 1 |
| Luz LED | 1 |
| Perno (¼" x 1¼") | 2 |
| Tuerca con arandela prensada (¼") | 4 |
| Perno (¼" × ¾") | 2 |
| Soporte de montaje | 1 |
| Arnés de cables | 1 |
| Alarma | 1 |
| Pegatina | 1 |
| Brida | 2 |
Desconecte la batería. Consulte el Manual del operador para obtener información sobre la desconexión de la batería.
Retire el capó de la máquina. Consulte el Manual del operador para obtener información sobre el desmontaje del capó.
Compruebe si ya existen orificios en el bastidor de la máquina (Figura 1). Si ya hay orificios, vaya al paso 6.

Usando el soporte de montaje como plantilla, marque la posición del orificio a perforar (Figura 1).
Perfore orificios de 9/32" en el bastidor de la máquina (Figura 1).
Instale el soporte de montaje en el bastidor de la máquina con 2 pernos (¼" × ¾") y 2 tuercas con arandela prensada (¼").

Monte el sensor en el soporte de montaje con 2 pernos (¼" x 1¼") y 2 tuercas (¼").

Enchufe el conector de 90° en el sensor (Figura 4 y Figura 8).

Incline el asiento hacia adelante.
Retire el panel de acceso situado detrás del asiento y en el lateral de la consola (Figura 5).

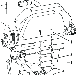
Instale la alarma en el panel de la consola (Figura 6).

Note: La instalación de la luz y la retirada de la zona de la pegatina es aplicable únicamente a máquinas que no tengan InfoCenter.
En máquinas que no tengan InfoCenter, recorte el hueco de la luz en la pegatina de la consola.
Instale la luz en la parte superior de la consola (Figura 7).

Enrute el arnés de cables por debajo de la base del asiento y junto al arnés de cables existente en el travesaño (Figura 8).
Enchufe el conector central en el conector del arnés de cables de la máquina marcado TELEMATICS o en el conector EXPANSION (Figura 8).
Conecte el arnés de cables a la luz y a la alarma (Figura 8).
Enrute el arnés de cables hasta los controles junto al arnés de cables existente de la máquina.

Utilice las bridas para conectar el arnés nuevo al arnés existente de la máquina.
Note: Asegúrese de que los arneses están sujetos lejos de las piezas en movimiento y las superficies calientes.
Conecte la batería. Consulte el procedimiento en el Manual del operador.
Piezas necesarias en este paso:
| Pegatina | 1 |
Instale la pegatina en la máquina como se muestra en la Figura 9.

Sobre una superficie plana, retire el tapón de los conectores de calibración (Figura 10).
Enchufe entre sí los conectores de calibración, como se muestra en la Figura 10.


Gire la llave de contacto a la posición de CONECTADO, pero no arranque el motor.
Utilice los procedimientos siguientes en función de la luz LED que esté instalada en su máquina.
Luz LED de la consola (Figura 11):
La luz LED (Figura 11) parpadea mientras se calibra el sensor.
Cuando se apaga la luz LED y el sensor emite un solo pitido, el sensor está calibrado.
Gire la llave de contacto a la posición DESCONECTADO.

Luz LED del InfoCenter (Figura 12):
El InfoCenter muestra el aviso 195, Calibrando el sensor de pendientes.
Note: La luz LED de la parte superior de la pantalla (Figura 12) parpadea mientras se calibra el sensor.
Cuando el InfoCenter muestre el aviso 196, Sensor de pendientes calibrado, la luz ya no parpadee, y la alarma emita un pitido, gire la llave de encendido a la posición de DESCONECTADO.

Desconecte los conectores de calibración e instale el tapón en los conectores (Figura 13).

Utilice los procedimientos siguientes en función de lo que esté instalado en su máquina.
Las pendientes son una de las principales causas de accidentes por pérdida de control y vuelcos que pueden causar lesiones graves o la muerte.
Extreme las precauciones al utilizar la máquina en una pendiente.
La luz y la alarma indican la naturaleza de la pendiente (Figura 11):
Sin luz – condiciones de operación normales
La luz roja parpadea lentamente – pendiente moderada
La luz roja parpadea rápidamente y suena la alarma – pendiente pronunciada; vaya a una pendiente con menos inclinación.
La luz y la alarma indican la naturaleza de la pendiente (Figura 12):
Sin luz – condiciones de operación normales
La luz roja parpadea lentamente – pendiente moderada
La luz roja parpadea rápidamente, suena la alarma – pendiente pronunciada; vaya a una pendiente con menos inclinación.