![]() |
Предупреждающие наклейки и инструкции по технике безопасности должны быть хорошо видны оператору и установлены во всех местах потенциальной опасности. При отсутствии или повреждении наклейки следует установить новую наклейку. |

Определите левую и правую стороны машины относительно места оператора.
Установите машину на ровной поверхности.
Выключите вал механизма отбора мощности и опустите навесное оборудование.
Включите стояночный тормоз.
Выключите двигатель и извлеките ключ из замка зажигания.
Дождитесь остановки всех движущихся частей.
Дайте компонентам машины остыть.
Детали, требуемые для этой процедуры:
| Модуль датчика | 1 |
| Светодиодный индикатор | 1 |
| Болт (¼ x 1¼ дюйма) | 2 |
| Фланцевая гайка (¼ дюйма) | 4 |
| Болт (¼ x ¾ дюйма) | 2 |
| Монтажный кронштейн | 1 |
| Жгут проводов | 1 |
| Звуковой сигнал | 1 |
| Наклейка | 1 |
| Кабельная стяжка | 2 |
Отсоедините аккумулятор. Порядок отсоединения аккумулятора см. в Руководстве оператора.
Снимите капот машины. Порядок снятия капота см. в Руководстве оператора.
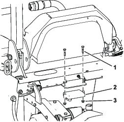
Проверьте раму машины, показанную на Рисунок 1, на наличие отверстий. Если есть отверстия, перейдите к пункту 6.

Используя монтажный кронштейн как шаблон, отметьте расположение отверстий и просверлите их (Рисунок 1).
Просверлите отверстия диаметром 9/32 дюйма в раме машины (Рисунок 1).
Установите монтажный кронштейн на раму машины с помощью 2 болтов (¼ x ¾ дюйма) и 2 фланцевых гаек (¼ дюйма).

Установите датчик на монтажный кронштейн с помощью 2 болтов (¼ x 1¼ дюйма) и 2 гаек (¼ дюйма).

Вставьте прямоугольный разъем в датчик (Рисунок 4 и Рисунок 8).

Отклоните сиденье вперед.
Снимите панели доступа позади сиденья и на боковой стороне консоли (Рисунок 5).

Установите звуковой сигнал на панель консоли (Рисунок 6).

Note: Установка светового индикатора и удаление места в наклейке выполняется только на машинах без Инфоцентра.
На машинах без Инфоцентра вырежьте отверстие в наклейке консоли, чтобы установить световой индикатор.
Установите световой индикатор в верхнюю часть консоли (Рисунок 7).

Проложите жгут проводов под чашей сиденья и вдоль существующего жгута проводов в поперечном швеллере (Рисунок 8).
Подсоедините средний разъем к разъему жгута проводов машины, обозначенному TELEMATICS port [порт ТЕЛЕМАТИКА] или EXPANSION port [порт РАСШИРЕНИЕ] (Рисунок 8).
Подсоедините жгут проводов к световому индикатору и звуковому сигналу (Рисунок 8).
Проложите жгут проводов к органам управления вдоль имеющегося жгута проводов машины.

Используйте кабельные стяжки для крепления нового жгута проводов к имеющемуся жгуту проводов машины.
Note: Проследите за тем, чтобы жгуты проводов были закреплены на расстоянии от движущихся частей и горячих поверхностей.
Подсоедините аккумулятор. Порядок выполнения этой процедуры см. в Руководстве оператора.
Детали, требуемые для этой процедуры:
| Наклейка | 1 |
Прикрепите наклейку к машине, как показано на Рисунок 9.

Находясь на горизонтальной поверхности, извлеките заглушку из калибровочных разъемов (Рисунок 10).
Соедините калибровочные разъемы друг с другом, как показано на Рисунок 10.


Поверните ключ зажигания в положение ON [Вкл.], но не запускайте двигатель.
Выполните следующие действия в зависимости от того, какой светодиодный индикатор установлен на вашей машине.
Светодиодный индикатор на консоли (Рисунок 11):
Светодиодный индикатор (Рисунок 11) мигает во время выполнения калибровки датчика.
Когда светодиодный индикатор гаснет и звуковой сигнал подаст сигнал один раз, датчик откалиброван.
Поверните ключ в замке зажигания в положение OFF [Выкл].

Светодиодный индикатор Инфоцентра (Рисунок 12):
На дисплее появится рекомендующее сообщение 195, Slope Sensor Calibrating («195. Идет калибровка датчика уклона»).
Note: Светодиодный индикатор в верхней части экрана дисплея (Рисунок 12) мигает во время выполнения калибровки датчика.
Когда на дисплее Инфоцентра появится сообщение 196, Slope Sensor Calibrated (196. Датчик уклона откалиброван), световой индикатор перестанет мигать и звуковой сигнал подаст сигнал один раз, поверните ключ зажигания в положение OFF [Выкл.].

Разъедините калибровочные разъемы и установите на них заглушку (Рисунок 13).

Выполните следующие процедуры в зависимости от того, что установлено на вашей машине.
Основная опасность при работе на склонах — потеря управляемости и опрокидывание машины, которое может привести к травме или гибели.
Будьте предельно осторожны при эксплуатации машины на склонах.
Световой индикатор и звуковой сигнал показывают степень крутизны уклона (Рисунок 11):
Световой индикатор не горит – штатные рабочие условия
Медленно мигающий красный световой индикатор – уклон средней степени крутизны.
Быстро мигающий красный световой индикатор, подача звукового сигнала – крутой уклон, переместите машину на более пологое место.
Световой индикатор и звуковой сигнал показывают степень крутизны уклона (Рисунок 12):
Световой индикатор не горит – штатные рабочие условия
Медленно мигающий красный световой индикатор – уклон средней степени крутизны.
Быстро мигающий красный световой индикатор, подача звукового сигнала – крутой уклон, переместите машину на более пологое место.