![]() |
Safety decals and instructions are easily visible to the operator and are located near any area of potential danger. Replace any decal that is damaged or missing. |

Determine the left and right sides of the machine from the normal operating position.
Park the machine on a level surface.
Disengage the power takeoff and lower the attachments.
Engage the parking brake.
Shut off the engine and remove the key.
Wait for all movement to stop.
Allow machine components to cool.
Parts needed for this procedure:
| Sensor module | 1 |
| LED light | 1 |
| Bolt (1/4 x 1-1/4 inch) | 2 |
| Flange nut (1/4 inch) | 4 |
| Bolt (1/4 x 3/4 inch) | 2 |
| Mounting bracket | 1 |
| Wire harness | 1 |
| Alarm | 1 |
| Decal | 1 |
| Cable tie | 2 |
Disconnect the battery. Refer to the Operator’s Manual for disconnecting the battery.
Remove the hood on the machine. Refer to the Operator’s Manual for removing the hood.
Check the machine frame shown in Figure 1 for existing holes. If there are existing holes, proceed to step 6.

Using the mounting bracket as a template, mark the location of the hole to drill (Figure 1).
Drill 9/32 inch holes into the machine frame (Figure 1).
Install the mounting bracket to the machine frame with 2 bolts (1/4 x 3/4 inch) and 2 flange nuts (1/4 inch).

Mount the sensor to the mounting bracket with 2 bolts (1/4 x 1-1/4 inch) and 2 nuts (1/4 inch).

Plug the 90° connector into the sensor (Figure 4 and Figure 8).

Flip the seat forward.
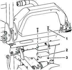
Remove the access panel behind the seat and on the side of the console (Figure 5).

Install the alarm to the console panel (Figure 6).

Note: Installing the light and removing the decal area is for machines without an InfoCenter only.
For machines with no InfoCenter, cut out the hole in the console decal for the light.
Install the light into the top of the console (Figure 7).

Route the wire harness under the seat pan and along the along the existing wire harness in the cross channel (Figure 8).
Install the middle connector to the machine wire harness connector labeled TELEMATICS port or EXPANSION port (Figure 8).
Connect the wire harness to the light and the alarm (Figure 8).
Route the harness to the controls along the machine’s existing wire harness.

Use the cable ties to connect the new harness to the existing machine harness.
Note: Ensure the harnesses are secured away from moving parts and hot surfaces.
Connect the battery. Refer to the Operator’s Manual for the procedure.
While on a flat surface, remove the plug from the calibration connectors (Figure 10).
Plug the calibration connectors together as shown in Figure 10.


Turn the ignition key to the ON position, but do not start the engine.
Use the following processes depending what LED light your machine has installed.
Console LED light (Figure 11):
The LED light (Figure 11) blinks as the sensor calibrates.
When the LED light turns off and the sensor beeps once, the sensor is calibrated.
Turn the ignition key to the OFF position.

InfoCenter LED light (Figure 12):
The InfoCenter shows advisory 195, Slope Sensor Calibrating.
Note: The LED light at the top of the display screen (Figure 12) blinks as the sensor calibrates.
When the InfoCenter shows advisory 196, Slope Sensor Calibrated, the light no longer blinks, and the alarm beeps once, turn the ignition key to the OFF position.

Disconnect the calibration connectors and install the plug onto the connectors (Figure 13).

Use the following procedures depending what your machine has installed.
Slopes are a major factor related to loss-of-control and tip-over accidents, which can result in severe injury or death.
Use extreme caution when operating the machine on a slope.
The light and alarm indicates the severity of the slope (Figure 11):
No light—normal operating conditions
Slow, flashing red light—moderate slope
Fast, flashing red light and audible alarm—steep slope; proceed to a more shallow slope.
The light and alarm indicates the severity of the slope (Figure 12):
No light—normal operating conditions
Slow, flashing red light—moderate slope
Fast, flashing red light, audible alarm—steep slope; proceed to a more shallow slope.