| Karbantartási időköz | Karbantartási intézkedés |
|---|---|
| Minden egyes használat előtt, vagy naponta |
|
A gép professzionális kezelők számára, kereskedelmi alkalmazásokra készült többcélú munkagép. Elsősorban parkok, sportpályák, valamint kereskedelmi területeken létesített füves területek jól karbantartott gyepének karbantartására készült. A termék nem rendeltetésszerű használata Önre és a közelben tartózkodókra nézve egyaránt veszélyes lehet.
Gondosan olvassa el ezt a tájékoztatót, hogy a termék megfelelő üzemeltetését és karbantartását elsajátítva elkerülje a sérüléseket, valamint a termék károsodását. Ön felelős a termék megfelelő és biztonságos üzemeltetéséért.
A www.Toro.com webhelyen további információk is találhatók, például munkavédelmi tanácsok, oktatóanyagok, tartozékokról szóló információk, segítség márkakereskedés kereséséhez, valamint a termékregisztráció is itt végezhető el.
Ha szervizre, eredeti Toro-alkatrészekre vagy további információkra van szüksége, forduljon hivatalos márkaszervizhez vagy a Toro-ügyfélszolgálathoz, és tartsa kéznél terméke típusszámát és gyári számát. Az Ábra 1 jelzi a típusszám és gyári szám helyét a terméken. Írja a számokat a megfelelő helyre.
Important: Mobileszköze segítségével a gyári számot tartalmazó címkén található QR-kódot (ha van) beolvasva elérheti a garanciális tudnivalókat, az alkatrészekre vonatkozó adatokat és az egyéb termékinformációkat.

Ez a kézikönyv meghatározza a lehetséges veszélyeket, és biztonsági figyelmeztető jelzéssel (Ábra 2) azonosított munkavédelmi üzeneteket tartalmaz. A jelzés olyan veszélyt jelez, amely súlyos sérülést vagy halált okozhat, amennyiben nem tartja be az ajánlott óvintézkedéseket.

Ez a kézikönyv 2 szót használ az információ kiemelésére. A Fontos szó speciális műszaki információkra hívja fel a figyelmet, a Megjegyzés szó külön figyelemre érdemes általános információkat emel ki.
A termék megfelel minden vonatkozó európai irányelvnek. A részletekért kérjük, olvassa el a különálló termékspecifikus megfelelőségi nyilatkozatot (DOC).
A közös természeti erőforrásokról szóló kaliforniai törvény (California Public Resource Code) 4442. és 4443. szakasza értelmében tilos a motor járatása erdős, bokros vagy fűvel fedett talajon, kivéve, ha a motor a 4442. szakaszban meghatározott szikrafogó berendezéssel rendelkezik, rendszeres karbantartáson esik át, vagy a motor kialakítása, felszerelése és karbantartása a tűzesetek megakadályozásának szem előtt tartásával történt.
A motor mellékelt kezelési útmutatója tartalmazza az USA környezetvédelmi hivatalával (EPA) és a kipufogórendszerek, a karbantartás és jótállás szabályozásáról szóló California Emission Control Regulation jogszabállyal kapcsolatos tudnivalókat. Pótalkatrészek a motorgyártótól rendelhetők.
Ha a gép telematikai eszközzel van felszerelve, az eszköz aktiválásához szükséges utasításokért forduljon a hivatalos Toro-forgalmazóhoz.
KALIFORNIA
65-ös számú figyelmeztetés
A dízelmotor kipufogógázai és azok bizonyos összetevői Kalifornia államban rákkeltő hatásúnak, születési rendellenességeket és egyéb reproduktív károsodást okozónak minősülnek.
Az akkumulátor sarkai, telepkapcsai és alkatrészei ólmot és ólomvegyületeket tartalmaznak, melyek Kalifornia állam hatóságainak ismeretei szerint olyan vegyi anyagok, amelyek rákot és reproduktív károsodást okoznak. Az anyagokkal való érintkezést követően mosson kezet.
A termék használata Kalifornia állam jogszabályai által rákkeltőnek, születési, illetve reprodukciós rendellenességet okozónak nyilvánított vegyi anyag vagy vegyi anyagok hatásának való kitettséget eredményezhet.
Ez a termék levághatja a kezét és lábát, továbbá tárgyakat dobhat ki. A súlyos személyi sérülések elkerülése érdekében mindig kövesse a biztonsági előírásokat.
A motor beindítása előtt olvassa el és értelmezze a kezelői kézikönyv tartalmát.
A gép használatát teljes odafigyeléssel végezze. Ne végezzen olyan tevékenységet, amely elvonhatja a figyelmét, különben személyi sérülés vagy anyagi kár lehet a következmény.
Ne használja a gépet, ha a védőburkolatok és egyéb védőelemek nincsenek a helyükön, és nem működnek.
Tartsa távol kezét és lábát a forgó alkatrészektől. Ne tartózkodjon a kimeneti nyílás előtt.
Tartsa távol a nézelődőket és a gyerekeket a működtetési területtől. Soha ne engedje, hogy a gépet gyerekek üzemeltessék.
Állítsa le a motort, vegye ki az indítókulcsot, és várja meg, amíg az összes mozgó alkatrész leáll, csak ezután hagyja el a kezelőülést. Hagyja lehűlni a gépet, mielőtt beállítási, szervizelési, tisztítási vagy tárolási munkába kezd rajta.
A gép nem megfelelő használata vagy karbantartása
személyi sérüléshez vezethet. A lehetséges
sérülések elkerülése érdekében
kövesse a biztonsági útmutatóban leírtakat,
és mindig ügyeljen a biztonsági figyelmeztető
szimbólumra (
), amelynek jelentése lehet Figyelem, Vigyázat
vagy Veszély – személyes munkavédelmi utasítások.
Az utasítások be nem tartása személyi
sérülést vagy halált okozhat.
![]() |
A biztonságra figyelmeztető és utasító feliratok a kezelő által jól látható helyen, a potenciális veszélyforrás közelében találhatók. A sérült vagy hiányzó feliratot (matricát) cserélje, illetve pótolja. |





Csak a fülkés típusok















144-3952 címke: CE szabványt használó országokban ragassza fel a 139-6215 címkére (a CE-készlet felszerelési utasítása szerint) (csak a 31900 és a 31901 típusjelű termékre).

Távolítsa el a hátsó kerékagyakat a raklaphoz rögzítő csavarokat.
Vágja el a hajtótengelyt a hátsó kerekekhez rögzítő kábelkötegelőt.
Távolítsa el a hátsó kerekeket a raklapról.
A bukócső felhajtása; lásd A bukócső felhajtása.
Emelje fel a gépet egy a bukócső felső, középső részéhez kapcsolt emelőeszközzel.
Távolítsa el a raklapot a gép alól.
Tegyen be 2 emelőállványt a gép hátsó része alá, lásd A gép hátuljának megemelése.
Engedje rá a gépet az emelőállványokra.
Ehhez az eljáráshoz szükséges alkatrészek:
| Hátsó kerék | 2 |
| Kerékanya | 8 |
Szerelje fel a kereket a kerékagyra a 4 kerékanyával (Ábra 3).

Húzza meg a kerékanyákat; lásd A kerékanyák meghúzása.
Note: Erre az eljárásra az emelőkarok megfelelő felszerelése miatt van szükség.
Az első kerekek megemeléséhez helyezzen emelőbakot az első oldalsó vázcsövek alá; lásd: A gép elejének megemelése.
Lazítsa meg, majd távolítsa el a kerékanyákat (Ábra 10).

A kerékagyról leszerelt kerék (Ábra 10).
Ehhez az eljáráshoz szükséges alkatrészek:
| Jobb emelőkar | 1 |
| Bal emelőkar | 1 |
| Nagy csap | 2 |
| Csavar (⅜ × 2¾") | 2 |
| Anya (⅜") | 4 |
| Kis csap | 2 |
| Csavar (⅜ × 1¼") | 2 |
| Zsírzószem | 2 |
Note: Szükség esetén kérje meg egy munkatársát, hogy segítsen felszerelni az emelőkarokat.
Távolítsa el az emelőkarokat a raklapról.
A két nagy csap segítségével szerelje fel az emelőkarokat a gépvázra (Ábra 5).

Szerelje fel a zsírzószemeket a nagy csapokra (Ábra 5).
Rögzítse a nagy csapot a gépvázhoz a 2 anya (⅜") és 2 csavar (⅜ × 2¾") segítségével (Ábra 6).

Az alábbi lépéseket elvégezve rögzítse a hidraulikus munkahengereket az emelőkarokhoz:
Helyezzen el egy olajleeresztő tálcát a hidraulikus vezérlőtömb alá (Ábra 7).
Note: Az emelő munkahengerek kézi behúzásakor némi hidraulikafolyadék kiáramlik.

Lazítsa meg a tömlőt a hidraulikus vezérlőtömb C1 csatlakozójához rögzítő hollandi anyát (Ábra 8).

Igazítsa össze lyukasztó segítségével a munkahenger rúdjának furatát az emelőkar furataival (Ábra 9).
Note: Az összeigazítás megkönnyítéséhez emelje fel teljesen az emelőkart.

Rögzítse az emelőkarokat a munkahengerekhez 2 csavar (⅜ × 1¼"), 2 anya (⅜") és 2 kis csap segítségével (Ábra 9).
Húzza meg a hollandi anyát a C1 (Ábra 8) csatlakozón 41 N∙m nyomatékkal.
Note: A tömlő elcsavarodását előzze meg egy másik kulccsal ellentartva a tömlőt.
Zsírozza meg a munkaeszköz forgócsapjait és az emelőkar forgócsapjait; lásd A csapágyak és perselyek zsírzása.
Szerelje fel a kerekeket a kerékagyakra a korábban eltávolított kerékanyákkal (Ábra 10).

Húzza meg a kerékanyákat; lásd A kerékanyák meghúzása.
Ehhez az eljáráshoz szükséges alkatrészek:
| Rögzítőkonzol | 1 |
| Csavar (⅜ × 3¼") | 2 |
| Anya (⅜") | 2 |
Rögzítse a rögzítőkonzolt a kezelőálláshoz 2 csavar (⅜ × 3¼") és 2 anya (⅜") segítségével (Ábra 11).

Ehhez az eljáráshoz szükséges alkatrészek:
| Üléskészlet (külön kell megrendelni; forduljon a hivatalos Toro-forgalmazóhoz) | 1 |
Szerelje fel az ülést; lásd az üléskészlet Felszerelési utasítását.
Ehhez az eljáráshoz szükséges alkatrészek:
| Kormánykerék | 1 |
| Burkolat | 1 |
Távolítsa el a kormánykereket a raklapról (Ábra 12).

Távolítsa el az önbiztosító anyát és az alátétet a kormánytengelyről.
Note: A szivacskarima maradjon a kormánytengelyen (Ábra 12).
Csúsztassa rá a kormánykereket és az alátétet a kormánytengelyre (Ábra 12).
Rögzítse a kormánykereket a tengelyére az önbiztosító anyával, miközben a kormánykereket fogja. Húzza meg az önbiztosító anyát 27–35 Nm nyomatékkal.
Szerelje fel a burkolatot a kormánykerékre (Ábra 12).
Ehhez az eljáráshoz szükséges alkatrészek:
| Lökhárító | 1 |
| Csavar (⅜ × 2¾") | 2 |
| Csavar (⅜ × 3¼") | 4 |
| Anya (⅜") | 6 |
Távolítsa el a lökhárítót a raklapról.
Rögzítse lazán a lökhárító felső részét a gépvázra a 4 csavar (⅜ × 3¼") és 4 anya (⅜") segítségével a Ábra 13 szerint.

Rögzítse lazán a lökhárítót a gépváz alatt a 2 csavar (⅜ × 2¾") és 2 anya (⅜") segítségével a Ábra 13 szerint.
Húzza meg a kötőelemeket 37–45 N∙m nyomatékkal.
Kösse be az akkumulátort; lásd Az akkumulátor bekötése.
Ehhez az eljáráshoz szükséges alkatrészek:
| Választható munkaeszköz (külön kell megrendelni; forduljon a hivatalos Toro forgalmazóhoz) | 1 |
| Imbuszcsavar (⅜") | 2 |
| Alátét (⅜") | 2 |
| Peremes rögzítőanya (⅜") | 2 |
Important: Ha munkaeszközt vált, érdeklődje meg a hivatalos Toro forgalmazótól az adott munkaeszközhöz szükséges ellensúlyok megfelelő számát.
Szerelje fel az első munkaeszközt (pl. nyíróegységet, szárzúzót, ekekést vagy fúvót); végezze el az alábbi lépéseket, a további szerelési utasításokért pedig olvassa el a munkaeszköz kezelői kézikönyvét.
A kardántengelyt megtartva távolítsa el a kardántengely kengyelét a kormányszelepet tartó konzolhoz rögzítő fejescsavart és önbiztosító anyát (Ábra 14), majd engedje le óvatosan a kardántengelyt.
Note: Selejtezze a fejescsavart és az önbiztosító anyát.

Győződjön meg arról, hogy a TLT-tengely megfelelő helyzetben áll; lásd: A TLT hajtótengely beigazítása.
Ültesse be egy munkatársát az ülésbe, fordítsa az indítókulcsot BE helyzetbe, majd a munkaeszköz-emelő kapcsoló segítségével engedje le az emelőkarokat, miközben kézzel lenyomja az emelőkarokat.
Igazítsa össze az emelőkar furatait a munkaeszköz karján található furatokkal a munkaeszköz felszerelési utasításai szerint.
Igazítsa össze a kardántengely kengyelének bordáit a munkaeszköz bemenőtengelyének bordáival (Ábra 15), majd csúsztassa rá a kengyelt a tengelyre.

Dugjon át egy imbuszcsavart (⅜" × 2¼") alátéttel (⅜") együtt a kardántengely kengyelének furatán (Ábra 16), és rögzítse peremes rögzítőanyával (⅜").

Dugjon át egy imbuszcsavart (⅜" × 2¼") alátéttel (⅜") együtt a kardántengely kengyelének furatán az ellenkező oldalról (Ábra 16), és rögzítse peremes rögzítőanyával (⅜").
Húzza meg felváltva fokozatosan a rögzítőanyákat 61 N∙m nyomatékkal.
A motor első beindítása előtt végezze el az alábbi folyadékszint-ellenőrzéseket:
Ellenőrizze a motorolaj szintjét; lásd A motorolaj szintjének ellenőrzése.
Ellenőrizze a hűtőfolyadék szintjét; lásd A hűtőrendszer és a hűtőfolyadékszint ellenőrzése.
Ellenőrizze a hidraulikafolyadék szintjét; lásd A hidraulikafolyadék szintjének ellenőrzése.
Ellenőrizze a gumiabroncsok nyomását; lásd A gumiabroncsok nyomásának ellenőrzése.
Important: Mindig gondoskodjon az előírt nyomásról az összes gumiabroncsban, hogy biztosítsa a megfelelő vágásminőséget és gépteljesítményt. Ne használja alacsony nyomáson a gumiabroncsokat.
Ehhez az eljáráshoz szükséges alkatrészek:
| CE-készlet (külön kell megrendelni; forduljon a hivatalos Toro-forgalmazóhoz) | 1 |
Ha a gépet CE-szabványt használó országban használja, szerelje fel a CE-készletet; lásd a készlet Felszerelési utasítását.
Ehhez az eljáráshoz szükséges alkatrészek:
| Súly – 19 kg (a mennyisége az adott típustól függ) | |
| Súly – 6 kg (a mennyisége az adott típustól függ) |
Az egyes gépekhez tartozékként szállított súlyokkal kapcsolatban lásd az alábbi táblázatot:
| Típus | Tartozék hátsó ellensúly |
| 31902A | 0 súly |
| 31903A | 5 súly (19 kg/db) és 2 súly (6 kg/db) |
Gondoskodjon arról, hogy a gépen fent legyen a vontatóegység-munkaeszköz kombinációhoz szükséges minimális hátsó ellensúly. A 31902A típusnál további hátsó ellensúlyt felszerelve a gép jobban használható lesz lejtős területeken.
Az ellensúly előírt minimális mennyiségének meghatározásához lásd a Minimálisan szükséges hátsó ellensúly táblázatot.
A lejtőn való használhatóság növelése érdekében tegyen fel mindegyik súlytípusból a Megnövelt lejtőteljesítményhez szükséges hátsó ellensúly táblázatban feltüntetett mennyiséget.
A bukócső megfelelő teljesítményének biztosítása érdekében ne tegyen fel több súlyt, mint amennyit a táblázat javasol.
Note: Felszerelt CE-készlet esetén a készlet felszerelési utasítása tartalmazza a vontatóegység-munkaeszköz kombinációhoz megfelelő lejtőcímkét. Feltétlenül a megfelelő mennyiségű hátsó ellensúlyt szerelje fel (azaz, a kívánt lejtőszabványnak vagy a nagyobb lejtőteljesítménynek megfelelőt).
| Vontatóegység típusjele | Munkaeszköz típusjele vagy neve | Szükséges súlyok száma | ||
|---|---|---|---|---|
| 19 kg | 6 kg | Összesen | ||
![]() | ![]() |
|||
| 31902A | 31970, 31971, 31974 | 0 | 0 | 0 |
| 31970, 31971, 31974 és napellenző | 0 | 0 | 0 | |
| 31972, 31973, 31975 | 0 | 0 | 0 | |
| 31972, 31973, 31975 és napellenző | 1 | 0 | 1 | |
| 02835 | 1 | 0 | 1 | |
| 02835 és napellenző | 1 | 0 | 1 | |
| M-B hengerseprű | 1 | 0 | 1 | |
| 31903A | 31970, 31971 | 5 | 2 | 7 |
| 31972, 31973 | ||||
| 02835 | ||||
| MSC23345 | ||||
| M-B hengerseprű | ||||
| Erskine hómaró | ||||
| Vontatóegység típusjele | Munkaeszköz típusjele vagy neve | Szükséges súlyok száma | ||
|---|---|---|---|---|
| 19 kg | 6 kg | Összesen | ||
![]() | ![]() |
|||
| 31902A | 31970, 31971, 31974 | 4 | 0 | 4 |
| 31970 és napellenző | 4 | 0 | 4 | |
| 31971, 31974 és napellenző | 3 | 0 | 3 | |
| 31972, 31973, 31975 | 3 | 1 | 4 | |
| 31972, 31973, 31975 és napellenző | 2 | 0 | 2 | |
| 02835 | 2 | 2 | 4 | |
| 02835 és napellenző | 1 | 0 | 1 | |
Ha további hátsó ellensúlyra van szüksége, forduljon ennek ügyében a hivatalos Toro-forgalmazóhoz, majd kövesse az alábbi felszerelési eljárást:
Lazítsa meg a súlyrögzítő rudat a lökhárítóhoz rögzítő kötőelemeket.

Tegye fel a szükséges mennyiségű súlyt.
Húzza meg a súlyrögzítő rudat a lökhárítóhoz rögzítő kötőelemeket.
Rendelje meg a hivatalos Toro-forgalmazótól az alábbi alkatrészeket:
| Alkatrész neve | Mennyiség | Cikkszám |
| Csavar (⅜ × 3½") | 2 | 116-4701 |
| Alátét | 2 | 125-9676 |
| Anya (⅜") | 2 | 104-8301 |
Rögzítse a kötőelemekkel a súlyokat a lökhárítóhoz (Ábra 18).

Ezt az eljárást csak akkor kell elvégezni, ha nem szabványos forgó nyíróegységet (pl. hómaró, kés vagy szárzúzó) szerel fel.
A munkaeszköz súlya a vontatóegységre átvivő hidraulikus nyomás a hidraulikus vezérlőtömbön található súlyátadó szeleppel módosítható. A legjobb teljesítmény érdekében állítsa be úgy a súlyátadó szelepet, hogy minimális legyen a munkaeszköz pattogása egyenetlen terepen, de a munkaeszköz ne nehezedjen túlságosan a sík talajra, és ne süllyedjen túl gyorsan.
Egyenetlen talajon a munkaeszköz talajkövetési teljesítményének javítása érdekében csökkentse a súlyátadás (hidraulikus) nyomását a hidraulikus vezérlőtömbön.
Note: Ha a munkaeszköz önbeálló kerekei vagy a hómaró belépő éle nem érnek talajt, a súlyátadási szelep hidraulikus nyomása túl nagy.
Sík gyep nyírásakor, ha a nyíróegység lenyesi a gyepet vagy a vágásminőség kétoldalt nem azonos, esetleg a hómaró belépő éle túl mélyre mar, növelje a súlyátadási nyomást a hidraulikus vezérlőtömbön.
Note: A súlyátadási nyomás növelése egyben a munkaeszköz súlyának egy részét a vontatóegység kerekeire helyezi át, ami növeli a vontatóegység tapadását.
Állítsa be a súlyátadási nyomást az alábbi módon:
Működtesse a gépet 10 percen át.
Note: Ezzel bemelegíti a hidraulikafolyadékot.
Parkolja le a gépet sík talajon, engedje le a munkaeszközt, húzza be a rögzítőféket, állítsa le a motort és vegye ki az indítókulcsot.
Keresse meg az emelés vezérlőtömbjét a gép alján (Ábra 19).

Csatlakoztasson egy nyomásmérőt a tesztcsatlakozóra (jelzése G1; Ábra 20).

Távolítsa el a sapkát az emelés vezérlőtömbjének oldalán található tesztcsatlakozóról (a jelzése G1; Ábra 20).
Lazítsa meg az ellenanyát a teherátadási orsószelepen (jelzése LC; Ábra 20).
Indítsa be a motort, állítsa a gázkart MAGAS ALAPJáRATRA.
Állítson a teherátadási orsószelep kiegyenlítő szelepén dugókulcs segítségével annyit, hogy a nyomásmérő a kívánt értéket mutassa; a munkaeszközhöz javasolt nyomásértéket olvassa ki az alábbi táblázatból.
A nyomás növeléséhez forgassa jobbra az állítócsavart.
A nyomás csökkentéséhez forgassa balra az állítócsavart.
| Munkaeszköz | Súlyátadási nyomás |
|---|---|
| Forgó nyíróegység | 1724 kPa |
| Szárzúzó fűnyíró (típusjel 02835) | 1379 kPa |
| Hómaró | 1724 kPa |
| Hótolólap (típusjel MSC23345 és STB13567B) | 1379 kPa |
| Hengerseprű (1,5 m-es) | 1724 kPa |
Állítsa le a motort, és vegye ki az indítókulcsot.
Húzza meg az ellenanyát a teherátadási orsószelep végén 13–16 Nm nyomatékkal.
Szerelje le a nyomásmérőt a tesztcsatlakozóról.
Tegye vissza a sapkát a tesztcsatlakozóra.

Note: A gép használatának megkezdése előtt állítsa be az ülés helyzetét. Az ülés beállításával kapcsolatos utasításokért lásd az üléskészlet Felszerelési utasítását.
A menetpedál (Ábra 22) segítségével haladhat a géppel előre- vagy hátramenetben.
Előremenet: nyomja le a lábujjaival a pedál felső részét.
Hátramenet: nyomja le a lábujjaival a pedál alsó részét.
Note: Az egyenletes haladás érdekében támassza a sarkát a kezelőállás padlójának, és nyomja a pedált a lábujjaival.
A haladási sebesség a pedál lenyomásának mértékétől függ. A maximális sebesség eléréséhez nyomja le teljesen a menetpedált a gázkar GYORS helyzetében. Maximális sebességek előremenetben:
31902A típus: 23 km/h
31903A típus: 19 km/h
Nagy terhelés mellett vagy hegymenetben a maximális teljesítmény leadásához állítsa a gázkart GYORS helyzetbe, a menetpedált pedig csak kissé nyomja le, hogy magas maradjon a motor fordulatszáma. Ha a motor fordulatszáma hirtelen csökkenni kezd, engedje kissé fel a menetpedált, hogy a motor fordulatszáma növekedhessen.

Ha maga felé billentené a kormányt, nyomja le a kormánybillentő kart (Ábra 22), és húzza maga felé a kormányoszlopot. Engedje fel a kart, ha a kormányoszlop olyan helyzetbe került, amelynél már kényelmes a kormányzás.
Amikor leállítja a motort, mindig húzza be a rögzítőféket (16. ábra), hogy a gép ne mozdulhasson el.
A rögzítőfék behúzása: húzza fel a kart BEHúZOTT helyzetbe.

A rögzítőfék kiengedése: nyomja be a hüvelykujjával a kar végén található gombot, és engedje le a kart KIENGEDETT helyzetbe.
Note: Ha a kar nincs teljesen leengedve, a menetpedálra lépve a motor leáll.
A konzol kezelőszerveinek leírását a következő fejezetek tartalmazzák (Ábra 24).

A munkaeszköz-emelő kapcsoló a munkaeszközt a legmagasabb (VONULáSI) helyzetbe emeli és a legalacsonyabb (ÜZEMI) helyzetbe süllyeszti.
A munkaeszköz felemelése: nyomja meg a kapcsoló hátulját.
A munkaeszköz leengedése: nyomja meg a kapcsoló elejét.
Emelje fel a munkaeszközt mindig VONULáSI helyzetbe, ha a helyszínek között közlekedik a géppel. Ha nem használja a gépet, engedje le a munkaeszközt ÜZEMI helyzetbe.
A TLT bekapcsolása: húzza fel a kapcsolót.
A TLT kikapcsolása: nyomja le a kapcsolót.
A TLT-t egyedül akkor kell bekapcsolni, amikor a TLT-munkaeszköz ÜZEMI helyzetbe került (le lett engedve a talajra csatlakoztatott hajtótengellyel), és Ön készen áll a munka megkezdésére.
Note: Ha a TLT-kapcsoló BEKAPCSOLT helyzetében hagyja el a kezelőülést, a gép automatikusan leállítja a motort; lásd A TLT-funkció visszaállítása.
A gyújtáskapcsoló 3 helyzetbe állítható: KI, BE/IZZíTáS és INDíTóZáS.
Ennek a kapcsolónak a segítségével indítható be és állítható le a motor (lásd A motor beindítása vagy A motor leállítása) és tekinthetők meg a kijelzőn megjelenő információk (lásd A kijelzőn megjelenő információk magyarázata).
A kapcsoló segítségével állítható a motorfordulatszám.
A motorfordulatszám növelése: nyomja meg röviden a kapcsoló elejét, a fordulatszám minden nyomásra 100 fordulat/perc értékkel nő. A kapcsoló elejét hosszan lenyomva a motorfordulatszám a maximális értékre nő.
A motorfordulatszám csökkentése: nyomja meg röviden a kapcsoló hátsó részét, a fordulatszám minden nyomásra 100 fordulat/perc értékkel csökken. A kapcsoló hátulját hosszan lenyomva a motorfordulatszám a minimális értékre csökken (alapjárat).
A kijelzőn a géppel kapcsolatos információk jelennek meg, például az üzemállapot, valamint különféle diagnosztikai és egyéb információk.
A kijelzővel kapcsolatos további tájékoztatásért lásd A kijelzőn megjelenő információk magyarázata.
Lásd: A kijelzőgomb használata.

Ezzel kapcsolhatja be és ki az ablaktörlőt (Ábra 25).
A gombot elforgatva szabályozhatja a ventilátor fordulatszámát (Ábra 25).
A gombot elforgatva szabályozhatja a fülke belső hőmérsékletét (Ábra 25).
Note: A műszaki adatok és a kialakítások külön értesítés nélkül változhatnak.

| Megnevezés | Ábra 26 hivatkozás | Méretek és tömeg | |
| Magasság felhajtott bukócsővel | D | 200 cm | |
| Magasság lehajtott bukócsővel | C | 111 cm | |
| Magasság fülkével | J | 226 cm | |
| Teljes hossz (hátsó ellensúlyok nélkül) [31902A típusjelű gép] | Felszerelt munkaeszközzel | F | Maximum 312 cm |
| Csak vontatóegység | H | Maximum 253 cm | |
| Teljes hossz (hátsó ellensúlyokkal) [31903A típusjelű gép] | Felszerelt munkaeszközzel | G | Maximum 332 cm |
| Csak vontatóegység | I | Maximum 272 cm | |
| Teljes szélesség | B | Lásd: Műszaki adatok. | |
| Tengelytáv | E | 132 cm | |
| Elsőkerék-nyomtáv | A | 136 cm | |
| Hátsókerék-nyomtáv | 128 cm | ||
| Hasmagasság | 21 cm | ||
| Nettó tömeg (31902A típus) | 860 kg | ||
| Nettó tömeg (31903A típus) | 1132 kg | ||
Az alábbi táblázat a felszerelt nyíróegység szerinti szélességi méreteket tartalmazza:
| Nyíróegység | Szélesség |
| 31970-as modell | 198 cm |
| 31971-as modell | 168 cm |
| 31972-as modell | 228 cm |
| 31973-as modell | 198 cm |
| 31974-as modell | 158 cm |
| 31975-as modell | 188 cm |
| 02835 típus (szárzúzó) | 218 cm |
A géphez a Toro által jóváhagyott munkagépek és tartozékok széles választéka kapható, amelyek javítják és bővítik a gép képességeit. A jóváhagyott tartozékok és adapterek listájáért forduljon hivatalos márkaszervizhez, hivatalos Toro-forgalmazóhoz, vagy látogasson el a www.Toro.com webhelyre.
Az optimális teljesítmény érdekében csak eredeti Toro-pótalkatrészeket és -tartozékokat használjon. A más által gyártott cserealkatrészek és tartozékok használata veszélyes lehet, és emellett a jótállást is érvényteleníti
Soha ne engedje, hogy gyermekek vagy oktatásban nem részesült személyek üzemeltessék vagy szervizeljék a gépet. A helyi szabályozások korlátozhatják a kezelő életkorát. Az összes kezelő és szerelő képzéséért a tulajdonos tartozik felelősséggel.
Ismerkedjen meg a berendezés biztonságos üzemeltetésével, a kezelőszervekkel és a biztonsági jelzésekkel.
Állítsa le a motort, vegye ki az indítókulcsot, és várja meg, amíg az összes mozgó alkatrész leáll, csak ezután hagyja el a kezelőülést. Hagyja lehűlni a gépet, mielőtt beállítási, szervizelési, tisztítási vagy tárolási munkába kezd rajta.
Ismerje meg, hogyan kell gyorsan megállítani a gépet, és leállítani a motorját.
Ellenőrizze, hogy a kezelőijelenlét-kapcsolók, biztonsági kapcsolók és védőelemek fel vannak szerelve, és megfelelően működnek. Ne üzemeltesse a gépet, csak ha ezek megfelelően működnek.
A fűnyírás megkezdése előtt mindig vizsgálja meg a gépet, hogy meggyőződjön a kések, a kések csavarjai és a nyíróegységek megfelelő üzemállapotáról. Mindig együtt, teljes készletben cserélje a kopott vagy sérült késeket és csavarokat, hogy megőrizze az egyensúlyt.
Vizsgálja át a területet, ahol használni fogja a gépet, és távolítson el minden objektumot, amelyet a gép esetleg kidobhat.
Az üzemanyag kezelése során járjon el különös körültekintéssel. Az üzemanyag rendkívül gyúlékony, és a gőzei robbanásveszélyesek.
Oltson el minden cigarettát, szivart, pipát és egyéb gyújtóforrást.
Csak jóváhagyott üzemanyagtartályt használjon.
Járó vagy meleg motornál ne vegye le a tanksapkát és ne tankoljon.
Ne zárt helyen tankoljon vagy ürítse le az üzemanyagot.
Ne tárolja a gépet vagy az üzemanyagtartályt olyan helyen, ahol nyílt láng, szikra vagy őrláng fordul elő, például vízmelegítőkön vagy más hasonló eszközökön.
Ha kifolyt az üzemanyag, ne kísérelje meg a motor beindítását. Kerülje minden gyújtóforrás kialakulását, amíg az üzemanyag gőze el nem oszlott.
A gép használata előtt ellenőrizze az alábbi rendszereket minden nap:
Légszűrő-visszajelző; lásd A légszűrő szervizelése
Motorolaj; lásd A motorolaj szintjének ellenőrzése
Hűtőrendszer; lásd A hűtőrendszer és a hűtőfolyadékszint ellenőrzése
Hűtőrács és hűtő; lásd A hűtőlamellák ellenőrzése
Hidraulikafolyadék-szint; lásd: A hidraulikafolyadék szintjének ellenőrzése
TLT-tengely zsírzási pontjai; lásd A csapágyak és perselyek zsírzása
| Karbantartási időköz | Karbantartási intézkedés |
|---|---|
| Minden egyes használat előtt, vagy naponta |
|
A gumiabroncsok előírt légnyomása: 138 kPa
Az alacsony abroncsnyomás csökkenti a gép lejtőstabilitását. Emiatt a gép felborulhat, ami súlyos, akár halálos sérüléssel is járhat.
Ne használja alacsony nyomáson a gumiabroncsokat.
Ellenőrizze a légnyomást az első és a hátsó gumiabroncsokban. Szükség szerint a levegőt kieresztve vagy belepumpálva állítsa be a gumiabroncsok nyomását az előírt értékre.
Important: Mindig gondoskodjon az előírt nyomásról az összes gumiabroncsban, hogy biztosítható legyen a megfelelő vágásminőség és gépteljesítmény.Ellenőrizze a légnyomást az összes gumiabroncsban, mielőtt használni kezdené a gépet.

Important: Csak ultraalacsony kéntartalmú dízelüzemanyagot használjon.Az alábbi figyelmeztetések be nem tartása károsíthatja a motort.
Ne használjon kerozint vagy benzint dízelüzemanyag helyett.
Ne keverjen a dízelüzemanyagba kerozint vagy használt motorolajat.
Ne tárolja az üzemanyagot horganyzott belső felületű tartályban.
Ne használjon üzemanyag-adalékot.
Csak tiszta, friss dízelüzemanyagot vagy biodízel üzemanyagot használjon.
A frissesség biztosítása érdekében csak olyan mennyiségben vásároljon üzemanyagot, amennyit 180 napon belül felhasznál.
Cetánszám: 40 vagy magasabb
Kéntartalom: ultraalacsony kéntartalmú (<15 ppm)
–7 °C hőmérséklet felett használjon nyári (No. 2-D), ez alatt téli (No. 1-D vagy No. 1-D/2-D keverék) üzemanyagot.
Note: Alacsonyabb hőmérsékleten a téli üzemanyag használata alacsonyabb lobbanáspontot és hideg áramlási jellemzőket biztosít, ami megkönnyíti az indítást, és csökkenti az üzemanyagszűrő eldugulásának kockázatát.–7 °C hőmérséklet felett a nyári üzemanyag használata jóvoltából megnő az üzemanyag-szivattyú élettartama, és a motor teljesítménye is nagyobb lesz a téli üzemanyaggal való működtetéshez képest.
A gép legfeljebb B20 (20% biodízel üzemanyag, 80% gázolaj) biodízel üzemanyag-keverékkel is üzemeltethető.
Kéntartalom: ultraalacsony kéntartalmú (<15 ppm)
A biodízel üzemanyaggal kapcsolatos előírások: ASTM D6751 vagy EN14214
A kevert üzemanyaggal kapcsolatos előírások: ASTM D975, EN590 vagy JIS K2204
Important: A gázolajrész legyen ultraalacsony kéntartalmú.
Tegye meg a következő óvintézkedéseket:
A biodízel keverékek károsíthatják a fényezett felületeket.
Hideg időben használjon B5 (5% biodízel-tartalom) vagy még kevesebb biodízelt tartalmazó keveréket.
Figyelje az üzemanyaggal kapcsolatba kerülő szigeteléseket, tömlőket és tömítéseket; idővel ezek állaga romolhat.
Biodízel keverékekre való átállást követően egy idő után előfordulhat az üzemanyagszűrő eldugulása.
A biodízel üzemanyaggal kapcsolatos további tájékoztatásért forduljon a hivatalos Toro-forgalmazóhoz.
Az üzemanyagtartály befogadóképessége: 45 l
Note: Lehetőség szerint minden használat után tankoljon tele; ezzel minimálisra csökkenthető az üzemanyagtartályban a páralecsapódás kialakulása.
Parkolja le a gépet sík talajon (Ábra 28), húzza be a rögzítőféket, állítsa le a motort, és vegye ki az indítókulcsot
Csavarja le a tanksapkát.
Töltsön az üzemanyagtartályba az előírt üzemanyagból, amíg az üzemanyag-szintjelző azt nem jelzi, hogy az üzemanyagtartály megtelt.
Csavarja rá a tanksapkát az üzemanyagtartályra.

| Karbantartási időköz | Karbantartási intézkedés |
|---|---|
| Minden egyes használat előtt, vagy naponta |
|
A biztonsági reteszelőrendszer feladata meggátolni a motor indítózását vagy beindulását, ha a menetpedál nincs semleges helyzetben, a TLT-kapcsoló pedig nincs KIKAPCSOLT helyzetben. A motor emellett az alábbi esetekben leáll:
A kezelő a TLT-kapcsoló BEKAPCSOLT helyzetében elhagyja a kezelőülést.
A menetpedált lenyomják, miközben a kezelő nem ül a kezelőülésben.
A menetpedált lenyomják, miközben a rögzítőfék be van húzva.
A biztonsági reteszelő kapcsolók lekötése vagy károsodása esetén a gép váratlanul működni kezdhet, amivel személyi sérülést okozhat.
Ne bolygassa a reteszelő kapcsolókat.
Mielőtt működtetni kezdené a gépet, ellenőrizze naponta a reteszelő kapcsolók működését, és cserélje ki a sérült kapcsolókat.
Állítsa a TLT-kapcsolót KIKAPCSOLT helyzetbe, és lépjen le a menetpedálról.
Fordítsa a gyújtáskapcsolót INDíTóZáS helyzetbe. Ha a motor beindult, folytassa a 3. lépéssel.
Note: Ha a motor nem indul be, probléma lehet a biztonsági reteszelőrendszerrel.
Ha jár a motor, álljon fel az ülésből, és kapcsolja BE helyzetbe a TLT-kapcsolót. A motornak 2 másodpercen belül le kell állnia. Ha a motor leállt, folytassa a 4. lépéssel.
Important: Ha a motor nem állt le, probléma lehet a biztonsági reteszelőrendszerrel. Forduljon a hivatalos Toro-forgalmazóhoz.
Járó motor mellett és a TLT-kapcsoló KIKAPCSOLT helyzetében álljon fel az ülésből és nyomja le a menetpedált. A motornak 2 másodpercen belül le kell állnia. Ha a motor leállt, folytassa a 5. lépéssel.
Important: Ha a motor nem állt le, probléma lehet a biztonsági reteszelőrendszerrel. Forduljon a hivatalos Toro-forgalmazóhoz.
Húzza be a rögzítőféket. Járó motor mellett és a TLT-kapcsoló BEKAPCSOLT helyzetében nyomja le a menetpedált. A motornak 2 másodpercen belül le kell állnia. Ha a motor leállt, a kapcsoló megfelelően működik; a reteszelőrendszer készen áll a gép üzemeltetéséhez.
Important: Ha a motor nem állt le, probléma lehet a biztonsági reteszelőrendszerrel. Forduljon a hivatalos Toro-forgalmazóhoz.
A felborulás személyi sérülést vagy halált okozhat.
A bukócső legyen mindig felhajtva, reteszelt helyzetben.
A biztonsági öv használata.
A bukócső lehajtott helyzetében nincs borulásvédelem.
Ne üzemeltesse a gépet egyenetlen talajon vagy hegyoldalban a bukócső lehajtott helyzetében.
Csak akkor hajtsa le a bukócsövet, ha ez elengedhetetlen.
A bukócső lehajtott helyzetében ne használja a biztonsági övet.
Vezessen lassan és óvatosan.
Hajtsa fel a bukócsövet, mihelyt a gép így is elfér.
Ügyeljen körültekintően arra, hogy ne ütközzön akadályba (pl. ágakba, ajtókeretbe, elektromos vezetékbe), ha elhalad valami alatt.
Important: Csak akkor hajtsa le a bukócsövet, ha ez elengedhetetlen.
Parkolja le a gépet sík talajon, húzza be a rögzítőféket, engedje le a nyíróegységet, állítsa le a motort, és vegye ki az indítókulcsot.
Távolítsa el a rugós sasszegeket és a csapokat a bukócsőből (Ábra 29).
Hajtsa le a bukócsövet, és rögzítse ebben a helyzetben a csapokkal és rugós sasszegekkel (Ábra 29).


Parkolja le a gépet sík talajon, húzza be a rögzítőféket, engedje le a nyíróegységet, állítsa le a motort, és vegye ki az indítókulcsot.
Távolítsa el a rugós sasszegeket és a csapokat a bukócsőből (Ábra 30).
Hajtsa fel a bukócsövet, és rögzítse ebben a helyzetben a csapokkal és rugós sasszegekkel (Ábra 30).

A kijelzőn a géppel kapcsolatos információk jelennek meg, például az üzemállapot, valamint különféle diagnosztikai és egyéb információk. Van két fő információs (Ábra 31) és egy főmenü képernyő.

A kijelzőgomb segítségével (Ábra 32) válthat a két fő információs képernyő között és érheti el a főmenüt.

A főmenü elérése: nyomja meg hosszan a kijelzőgombot, amíg meg nem jelennek a menüelemek a képernyőn.
Menüelem kiválasztása: nyomja meg gyorsan kétszer a kijelzőgombot.
Ugyanígy válthat beállítások között is (pl. az angolszász és a metrikus mértékegységek között a SETTINGS (Beállítások) képernyőn).
Visszatérés az előző képernyőre (pl. a FőMENü képernyőre a SETTINGS (Beállítások) képernyőről, vagy a fő információs képernyőkre a FőMENü képernyőről): nyomja meg hosszan a kijelzőgombot, amíg meg nem jelenik az előző képernyő.
Görgetés a következő menüelemre: nyomja meg röviden a kijelzőgombot.
| Menüelem | Megnevezés |
| FAULTS (HIBáK) | A gép mostanában előfordult hibáinak listáját tartalmazza. A Faults (Hibák) menüvel kapcsolatban további tájékoztatásért olvassa el a SZERVIZKéZIKöNYVET, vagy forduljon a hivatalos Toro-forgalmazóhoz. |
| SERVICE (SZERVIZ) | A géppel kapcsolatos olyan információkat közöl, mint például az üzemóraszám, számlálók és DPF-regenerálás. Lásd a Service (Szerviz) táblázatot. |
| DIAGNOSTICS (DIAGNOSZTIKA) | A gép különféle aktuális állapotait és adatait sorolja fel. Az információt hibakeresésre használhatja adott problémáknál, mivel hamar megmutatja, hogy melyik gépvezérlés aktív, melyik nem, és szabályozási szinteket is közöl (pl. érzékelő értékek). |
| SETTINGS (BEáLLíTáSOK) | Az InfoCenter kijelző testreszabására és a konfigurációs változók módosítására szolgál. Lásd a Settings (Beállítások) táblázatot. |
| ABOUT (NéVJEGY) | A gép típusjelét, sorozatszámát és szoftververzióját jeleníti meg. Lásd a About (Névjegy) táblázatot. |
| Menüelem | Megnevezés |
| HOURS | Azt a teljes óraszámot jeleníti meg, amikor bekapcsolt gyújtás mellett a motor és a TLT is működött. |
| COUNTS | A motor és a TLT indításainak száma. |
| DPF REGENERATION (DPF-REGENERáLáS) | Lehetővé teszi a DPF beállítások kezelését; lásd A dízel részecskeszűrő és a regenerálás ismertetése. |
| Menüelem | Megnevezés |
| UNITS (MéRTéKEGYSéGEK) | A kijelző által használt mértékegységek beállítása. A választható beállítások az English (Angolszász) és a metric (Metrikus). |
| LANGUAGE (NYELV) | A kijelző által használt nyelv beállítása. |
| BACKLIGHT (HáTTéRVILáGíTáS) | A kijelző fényerejének beállítása. |
| CONTRAST (KONTRASZT) | A kijelző kontrasztjának beállítása. |
| PROTECTED MENUS (VéDETT MENüK) | Lehetővé teszi egy a vállalat által megbízott személy számára a PIN-kóddal védett menük elérését (pl. hozzáférhet a lejtésérzékelő beállításához és a törölheti a hibanaplót). |
| PROTECT SETTINGS (BEáLLíTáSOK VéDELME) | Ezt kikapcsolva a védett beállítások a PIN-kód nélkül is hozzáférhetővé válnak. |
TURNAROUND (FORDULáS)![]() | A fordulás üzemmód be- és kikapcsolása. Ezt a beállítást a szárzúzós fűnyíróval használják; további információkért lásd a szárzúzós fűnyíró kezelői kézikönyvét. |
SLOPE SENSOR INSTALLED (LEJTéSéRZéKELő
FELSZERELVE)![]() | Azt mutatja meg, hogy van-e felszerelve lejtésérzékelő. A lejtésérzékelőt a gépről eltávolítva a menüelemet kikapcsolt helyzetbe kell állítani, hogy ne jelenjen meg a lejtésérzékelővel a kommunikációs hiba. |
| LOW RPM PTO ENGAGE (TLT BEKAPCSOLáSA ALACSONY FORDULATSZáMON) | Az erőleadó tengely be- és kikapcsolása csökkentett fordulatszámon. Ezt a beállítást a szárzúzós fűnyíróval használják; további információkért lásd a szárzúzós fűnyíró kezelői kézikönyvét. |
Védett
menükkel védve – csak PIN-kód megadása
után érhető el
| Menüelem | Megnevezés |
| VáGóASZTAL | Azt jelzi, hogy aktívak-e a nyíróegység bemenetei/kimenetei. |
| PTO | Azt jelzi, hogy aktív-e a TLT. |
| ENGINE | Azt jelzi, hogy aktívak-e a motor bemenetei/kimenetei. |
| Menüelem | Megnevezés |
| TíPUS | A gép típusjelét jeleníti meg. |
| SN | A gép sorozatszámát jeleníti meg. |
| S/W REV | A fő vezérlőegység szoftverének verziószámát jeleníti meg. |
| CE MODE (CE üZEMMóD) | Azt jelzi, hogy a CE üzemmód be van-e kapcsolva. |
Az alábbi táblázat a kijelzőn megjelenő ikonok jelentését tartalmazza:
![]() | Motorfordulatszám |
![]() | Motorhiba |
![]() | Üzemóra-számláló |
![]() | Izzítás aktív |
![]() | A kezelő üljön le az ülésbe |
![]() | Rögzítőfék behúzva |
![]() | Üres fokozat |
![]() | TLT bekapcsolva |
![]() | TLT kikapcsolva |
![]() | A nyíróegységek leengedését jelzi |
![]() | A nyíróegységek felemelését jelzi |
![]() | PIN-kód |
![]() | Akkumulátor |
![]() | Hűtőfolyadék-hőmérséklet |
![]() | Készenléti regenerálás visszaállításának kérése |
| Álló helyzeti vagy helyreállítási regenerálás kérése | |
![]() | Álló helyzeti vagy helyreállító készenléti regenerálás van folyamatban. |
![]() | Magas kipufogó-hőmérséklet |
![]() | A NOx ellenőrző diagnosztika hibája; menjen vissza a géppel a műhelybe, és vegye fel a kapcsolatot a hivatalos Toro-márkakereskedővel. |
Note: A gép gyári alapértelmezett PIN-kódja 1234.
Ha megváltoztatta a PIN-kódot és elfelejtette, forduljon segítségért a hivatalos Toro-forgalmazóhoz.
Válassza ki a SETTINGS (Beállítások) lehetőséget.
Válassza ki a PROTECTED MENUS (Védett menük) lehetőséget.
A PIN-kód megadásához nyomkodja addig a kijelzőgombot, amíg meg nem jelenik a megfelelő számjegy, majd a gombot gyorsan kétszer megnyomva lépjen a következő számjegyre.
Miután bevitte mind a négy számjegyet, a PIN-kód megadásához nyomja meg röviden a kijelzőgombot.
Ha megfelelően adta meg a PIN-kódot, a PIN ikon látható lesz az összes menüképernyő jobb felső sarkában.
A tulajdonos/üzemeltető megakadályozhatja a személyi sérüléssel vagy anyagi kárral járó baleseteket, és ő viseli értük a felelősséget.
Viseljen megfelelő öltözéket, beleértve a védőszemüveget, a hosszú szárú nadrágot, a megfelelő, csúszásmentes lábbelit és a hallásvédelmi eszközt is. Hosszú haját kösse hátra, és ne viseljen bő ruházatot vagy ékszert. Poros körülmények között viseljen porvédő maszkot.
Ne üzemeltesse a gépet, ha fáradt, illetve alkohol vagy gyógyszer hatása alatt áll.
A gép használatát teljes odafigyeléssel végezze. Ne végezzen olyan tevékenységet, amely elvonhatja a figyelmét, különben személyi sérülés vagy anyagi kár lehet a következmény.
Mielőtt beindítaná a motort, gondoskodjon az összes meghajtó kezelőszerv semleges helyzetéről és a rögzítőfék behúzásáról, és tartózkodjon a kezelői helyen.
Ne végezzen személyszállítást a gépen, és tartsa távol a bámészkodókat és gyerekeket a működtetési területtől.
A gépet csak jó láthatóság esetén működtesse, hogy elkerülhesse a gödröket vagy rejtett veszélyeket.
Kerülje a fűnyírást nedves füvön. A gyengébb tapadás miatt a gép megcsúszhat.
Tartsa távol kezét és lábát a forgó alkatrészektől. Ne tartózkodjon a kimeneti nyílás előtt.
Tolatás előtt nézzen hátra és lefelé, hogy szabad-e az út.
Ügyeljen, amikor be nem látható kanyarokhoz, cserjékhez, fákhoz vagy más olyan tárgyakhoz közelít, amelyek akadályozhatják a látást.
Állítsa le a késeket, ha nem végez fűnyírást.
Állítsa meg a gépet, vegye ki a kulcsot, és várja meg, amíg minden mozgó alkatrész megáll, csak ezután ellenőrizze a munkaeszközt, amennyiben az nekiütközött valaminek, vagy a gép rendellenes rezgését észleli. Végezzen el minden szükséges javítást, mielőtt folytatná a munkát.
Amikor kanyarodik, illetve utakat vagy járdákat keresztez a géppel, lassítson le, és járjon el körültekintően. Mindig adja meg az elsőbbséget.
Kapcsolja ki a nyíróegységek meghajtását, állítsa le a motort, vegye ki a kulcsot, és várja meg, amíg minden mozgó alkatrész megáll, mielőtt a vágásmagasság beállításába kezd (kivéve, ha a kezelőállásból el tudja ezt végezni).
A motort csak jól szellőző helyen járassa. A kipufogógázok szén-monoxidot tartalmaznak, amely belélegezve halált okoz.
Soha ne hagyjon járó gépet felügyelet nélkül.
A kezelőállás elhagyása előtt végezze el az alábbiakat:
Parkolja le a gépet sík talajon.
Kapcsolja ki a mellékhajtást, és engedje le a tartozékokat.
Húzza be a rögzítőféket.
Állítsa le a motort, és vegye ki az indítókulcsot.
Várja meg, amíg minden mozgó alkatrész megáll.
Csak megfelelő fényviszonyok mellett használja a gépet. Ne használja a gépet, ha villámcsapás lehetősége áll fenn.
Ne használja a gépet vontató járműként.
Csak a Toro által jóváhagyott tartozékokat, kiegészítőket és pótalkatrészeket használja.
A sebességtartó automatikát (ha van) csak akkor használja, ha a gépet nyílt, sík, akadályoktól mentes területen tudja üzemeltetni, ahol a gép megszakítás nélkül, állandó sebességgel haladhat.
A borulásvédelmi rendszer (ROPS) egy integrált és hatékony biztonsági berendezés.
Ne távolítsa el a borulásvédelmi rendszer egyetlen elemét se a gépről.
Ellenőrizze, hogy a biztonsági öv a géphez legyen rögzítve.
Húzza át az ölén a biztonsági övet, és csatolja be az ülés túlsó oldalán található csatba.
A kicsatolásához fogja meg a biztonsági övet, a csat gombját megnyomva oldja ki, majd vezesse vissza az övet az automatikus visszacsévélő nyílásáig. Győződjön meg arról, hogy vészhelyzetben gyorsan ki tudja csatolni az övet.
Ügyeljen a magasban található akadályokra és arra, hogy ne ütközzön nekik.
Tartsa a borulásvédelmi rendszert biztonságos üzemállapotban – rendszeres időközönként alaposan ellenőrizze az épségét és a csavarok meghúzott állapotát.
A borulásvédelmi rendszer sérült elemeit cserélje le. Ne végezzen rajtuk javítást vagy átalakítást.
A Toro által felszerelt fülke egyben bukócső is.
Mindig viselje a biztonsági övet.
Tartsa a lehajtható bukócsövet felhajtott és rögzített helyzetben, és használja a biztonsági övet, amikor a gépet felhajtott bukócsővel működteti.
A bukócsövet csak indokolt helyzetben és csak átmenetileg hajtsa le. A bukócső lehajtott helyzetében ne használja a biztonsági övet.
Ne feledje, hogy a bukócső lehajtott helyzetében nincs borulásvédelem.
Ellenőrizze a területet, ahol fűnyírásra készül, soha ne hajtsa le a bukócsövet olyan területeken, ahol lejtő, suvadás vagy víz található.
A lejtők jelentős szerepet játszanak a megcsúszásos és borulásos balesetekben, amelyek súlyos sérülésekhez vagy halálhoz vezethetnek. A lejtőn történő biztonságos munkavégzésért Ön a felelős. A gép üzemeltetése bármilyen lejtőn különös óvatosságot igényel.
Értékelje ki a helyszínt, ideértve a helyszín bejárását is, hogy meghatározza, biztonságos-e a gépet az adott lejtőn használni. A felmérés során mindig használja a józan eszét és ítélőképességét.
Olvassa el a gép lejtős területen történő üzemeltetésére vonatkozó alábbi utasításokat, hogy eldönthesse, használható-e a gép az adott körülmények között az adott napon és az adott helyen. A terep változásával megváltozhatnak a gép lejtőn való üzemeltetésének körülményei is.
Kerülje a lejtőn való elindulást, megállást és kanyarodást. Ne változtasson hirtelen se sebességet, se haladási irányt. Lassan és fokozatosan kanyarodjon.
Ne használja a gépet, ha a tapadása, a kormányzása vagy a stabilitása kérdéses lehet.
Távolítsa el vagy jelölje meg az akadályokat, például árkot, lyukakat, keréknyomokat, kiemelkedéseket, köveket és egyéb rejtett veszélyeket. A magas fű akadályokat rejthet. Egyenetlen terepen a gép felborulhat.
Ne felejtse el, hogy nedves fűben, lejtőn keresztirányban vagy lefelé haladva a gép elveszítheti a tapadását. Ha a hajtó kerekek elveszítik a tapadásukat, a gép megcsúszhat, és megszűnhet a fékhatás és a kormányozhatóság.
Nagyon óvatosan dolgozzon a géppel szakadék, árok, töltés, veszélyes vizek és más veszélyek közelében. A gép hirtelen felborulhat, ha egyik kereke alól eltűnik a talaj. Tartson biztonságos távot a gép és bármilyen veszélyes hely között.
Mérje fel a veszélyt az emelkedő aljánál. Veszély esetén a lejtőn gyalogirányítású géppel végezze a fűnyírást.
Lejtőn való munkavégzéskor tartsa a nyíróegysége(ke)t lehetőség szerint a talajra leengedett helyzetben. Lejtőn a nyíróegység(ek) felemelt helyzetében a gép instabillá válhat.
A fűgyűjtő rendszereket és egyéb tartozékokat használja fokozott körültekintéssel. Ezek ronthatják a gép stabilitását, és az irányítás elvesztését okozhatják.
A dízel részecskeszűrő (DPF) eltávolítja a kormot a motor kipufogógázából.
A részecskeszűrő regenerálási folyamata a motor kipufogógázából származó hőt használja fel, amelyet a katalizátor tovább növel, hogy a felgyülemlett kormot hamuvá alakítsa.
Annak érdekében, hogy a DPF-ben ne legyen korom, ügyeljen a következőkre:
A DPF öntisztulásának elősegítése érdekében lehetőleg teljes fordulatszámon járassa a motort.
A megfelelő motorolajat használja.
Csökkentse minimálisra a motor üresjárati üzemidejének időtartamát.
Csak ultraalacsony kéntartalmú dízelüzemanyagot használjon.
A gépet a DPF működését szem előtt tartva kell üzemeltetnie és karbantartania. A motor terhelés alatt általában megfelelő kipufogógáz-hőmérsékletet produkál a részecskeszűrő regenerálásához.
Important: Csökkentse minimálisra a motor üresjárati idejét vagy a motor alacsony fordulatszámon történő üzemeltetését a korom DPF-ben történő felhalmozódásának csökkentése érdekében.
A kipufogógáz hőmérséklete forró (körülbelül 600 °C) a DPF regenerálása közben. A forró kipufogógáz sérülést okozhat Önnek vagy másoknak.
Ne működtesse a motort zárt térben.
Ügyeljen, hogy a kipufogórendszer körül ne legyen gyúlékony anyag.
Ügyeljen arra, hogy a forró kipufogógáz ne érintkezzen olyan felületekkel, amelyek a hő hatására károsodhatnak.
Ne érjen hozzá a kipufogórendszer forró alkatrészeihez.
Ne álljon a gép kipufogócsöve mellett vagy közelében.
| Ikon | Ikon meghatározása |
![]() | • Álló helyzeti vagy helyreállítási regenerálás igénylése. |
| • Azonnal végezze el a regenerálást. | |
![]() | • Regenerálás nyugtázva |
![]() | • Zajlik a regenerálás, és a kipufogógáz hőmérséklete megemelkedett |
![]() | • Regenerálás gátlása kiválasztva |
![]() | • Az NOx-szabályozó rendszer meghibásodása; a gép szervizelést igényel. |
| Regenerálás típusa | A DPF-regenerálást kiváltó körülmények | A DPF működésének leírása |
|---|---|---|
| Visszaállítás | 100 üzemóránként történik | • Ha a magas kipufogógáz-hőmérséklet
ikonja megjelenik
az InfoCenterben, akkor regenerálás van folyamatban. |
| Akkor is bekövetkezik, ha a motor normál működése meghaladja a szűrőben megengedett koromfelhalmozódási mennyiséget | ||
| • A visszaállítási regenerálás során a motor számítógépe magas fordulatszámot tart fenn a szűrő regenerálásának biztosítása érdekében. | ||
| • Ne állítsa le a motort, amíg a visszaállítási regenerálás folyamatban van. |
| Regenerálás típusa | A DPF-regenerálást kiváltó körülmények | A DPF működésének leírása |
|---|---|---|
| Álló helyzetben | Azért fordul elő, mert a számítógép úgy ítéli meg, hogy a részecskeszűrő automatikus tisztítása nem volt elegendő. | • Amikor a visszaállítási
készenléti/álló helyzeti vagy helyreállítási
regenerálás ikonja megjelenik, vagy regenerálás lett
igényelve. |
| Akkor is előfordul, ha a kezelő álló helyzeti regenerálást kezdeményez | ||
| Akkor is előfordulhat, ha a regenerálás gátlás elindult, és letiltotta a DPF automatikus tisztítását | • Végezze el az álló helyzeti regenerálást a lehető leghamarabb, hogy ne legyen szükség helyreállítási regenerálásra. | |
| Nem megfelelő üzemanyag vagy motorolaj használata miatt is előfordulhat | • Az álló helyzeti regenerálás 30–60 percet vesz igénybe. | |
| • Az üzemanyagtartály legyen legalább félig feltöltve. | ||
| • Az álló helyzeti regeneráláshoz a gépet le kell parkolnia. | ||
| Helyreállítás | Azért következik be, mert a parkolás helyreállítására vonatkozó kérést figyelmen kívül hagyták, és így a DPF kritikusan eltömődött | • Amikor megjelenik a visszaállítási
készenléti/álló helyzeti vagy helyreállítási
regenerálás ikonja , helyreállítási regenerálás
lett igényelve. |
| • A helyreállítási regenerálás 3 órát vesz igénybe. | ||
| • A tankban legalább ½-ig kell lennie az üzemanyagszintnek. | ||
| • A helyreállítási regeneráláshoz a gépet le kell parkolnia. |
Navigáljon a főmenüből a SERVICE (SZERVIZELéS) menüpontra.
Válassza a DPF REGENERATION (DPF-REGENERáLáS) pontot.
Nyissa meg a DPF Regeneration (DPF-regenerálás) menüt, majd görgessen a LAST REGEN (UTOLSó REGENERáLáS) mezőhöz.
A LAST REGEN (UTOLSó REGENERáLáS) mezőben láthatja, hogy a motort hány órát működtette az utolsó visszaállítási, álló helyzeti és helyreállítási regenerálás óta.
A visszaállítási regenerálás nagyobb mennyiségű kipufogógázt eredményez. Ha fák, bokrok, magas fű, illetve egyéb hőérzékeny növények vagy anyagok közelében működteti a gépet, az INHIBIT REGEN (REGENERáLáS TILTáSA) beállítás használatával megakadályozhatja, hogy a motort vezérlő számítógép visszaállító regenerálást végezzen.
Note: Mindig használja az INHIBIT REGEN (REGENERáLáS TILTáSA) beállítást, ha a gépen zárt térben végeznek karbantartást.
Note: Ha az InfoCenterben letiltja a regenerálást, az InfoCenter kijelzőjén 15 percenként megjelenik a tájékoztatás, miközben a motor visszaállítási visszaállítást kér.
Important: Amikor leállítja, majd újraindítja a motort, az Inhibit Regen (Regen. tiltása) beállítás visszaáll az alapértelmezés szerinti KI értékre.
Nyissa meg a DPF Regeneration (DPF-regenerálás) menüt, majd görgessen le az INHIBIT REGEN (REGENERáLáS TILTáSA) ponthoz.
Válassza ki az Inhibit REGEN (Regenerálás tiltása) lehetőséget.
Módosítsa a regeneráció gátlásának beállítását Off (Kikapcsolva) értékről On (Bekapcsolva) értékre.
Győződjön meg arról, hogy a gép tankjában elegendő üzemanyag van a kívánt regenerálástípus elvégzéséhez:
Álló helyzeti regenerálás: Az álló helyzeti regenerálás elvégzése előtt győződjön meg arról, hogy legalább ¼-ig van a tank üzemanyaggal.
Helyreállítási regenerálás: Az álló helyzeti regenerálás elvégzése előtt győződjön meg arról, hogy legalább ½-ig van a tank üzemanyaggal.
Vigye a gépet olyan helyre, ahol nincsenek éghető anyagok vagy olyan tárgyak, amelyek a hő hatására megsérülhetnek.
Parkolja le a gépet sík talajon.
Kapcsolja ki a TLT-t és engedje le a tartozékot (ha van).
Húzza be a rögzítőféket.
Állítsa a gázkart alacsony ALAPJáRATI helyzetbe.
Győződjön meg arról, hogy a légkondicionáló ki van kapcsolva (csak a fülkével felszerelt gépeknél).
Amikor a motor számítógépe álló helyzeti regenerálást kér, kövesse az InfoCenteren megjelenő üzeneteket.
Important: A gép számítógépe törli a DPF-regenerálást, ha alacsony alapjáratról növeli a motorfordulatszámot, vagy kioldja a rögzítőféket.
Nyissa meg a DPF Regeneration (DPF-regenerálás) menüt, majd görgessen le a PARKED REGEN (ÁLLó HELYZETI REGENERáLáS) vagy a RECOVERY REGEN (HELYREáLLíTáSI REGENERáLáS) lehetőséghez.
Válassza ki a PARKED REGEN (ÁLLó HELYZETI REGENERáLáS) vagy a RECOVERY REGEN (HELYREáLLíTáSI REGENERáLáS) lehetőséget.
A VERIFY FUEL LEVEL (ÜZEMANYAGSZINT ELLENőRZéSE) képernyőn ellenőrizze, hogy álló helyzeti regenerálás esetén legalább ¼-ig, helyreállítási regenerálás esetén pedig legalább félig van a tank üzemanyaggal, majd érintse meg a kijelzőn az ikont a folytatáshoz.
A Parked Regen (Álló helyzeti regenerálás) vagy a Recovery Regen (Helyreállítási regenerálás) menüben érintse meg a képernyő gombját a regenerálás elindításához.
A DPF checklist (DPF-ellenőrzőlista) képernyőn ellenőrizze, hogy a rögzítőfék be van-e húzva, a motor fordulatszáma alacsony alapjáratra van-e állítva, majd érintse meg a kijelzőn az ikont a folytatáshoz.
Az INITIATE DPF REGEN (DPF REGENERáLáS INDíTáSA) képernyőn érintse meg a képernyő gombját a regenerálás elindításához.
Az InfoCenter megjeleníti az INITIATING DPF REGEN (DPF regenerálás indítása) üzenetet.
Note: Szükség esetén tartsa lenyomva a képernyő gombját a regenerálási folyamat megszakításához.
Az InfoCenter megjeleníti az elvégzéshez szükséges időt jelző üzenetet.
Az InfoCenter megjeleníti a kezdőképernyőt,
és megjelenik a regenerálás nyugtázása
ikon
.
Note: A DPF regenerálása közben az InfoCenter megjeleníti
a magas kipufogógáz-hőmérsékletet
jelző ikont
.
Amikor a motor számítógépe befejezi az álló helyzeti vagy helyreállítási regenerálást, az InfoCenter megjeleníti a tájékoztatást. Nyomja meg bármelyik gombot a kezdőképernyőre való kilépéshez.
Note: Ha a regenerálás nem fejeződik be, kövesse a tájékoztatást, és bármelyik gomb megnyomásával lépjen vissza a kezdőképernyőre.
A PARKED REGEN CANCEL (ÁLLó HELYZETI REGEN. TöRLéSE) vagy RECOVERY REGEN CANCEL (HELYREáLLíTáSI REGEN. TöRLéSE) beállítással törölheti a folyamatban lévő álló helyzeti vagy helyreállítási regenerálási folyamatot.
Nyissa meg a DPF Regeneration (DPF-regenerálás) menüt, és görgessen le a PARKED REGEN (ÁLLó HELYZETI REGENERáLáS) vagy a RECOVERY REGEN (HELYREáLLíTáSI REGENERáLáS) lehetőséghez.
Érintse meg a következő képernyőt az álló helyzeti vagy a helyreállítás regenerálás törléséhez.
Üljön a kezelőülésbe, és kösse be a biztonsági övet.
Ellenőrizze, hogy a rögzítőfék be van húzva, a TLT pedig kikapcsolt helyzetben van.
Fordítsa a kulcsos kapcsolót BE/IZZíTáS helyzetbe a motor előmelegítéséhez.
Note: Az automatikus időzítő 6 másodpercre bekapcsolja az izzítást.
Az izzítás után fordítsa a gyújtáskapcsolót INDíTáS helyzetbe, indítózzon legfeljebb 15 másodpercig, majd engedje vissza a kulcsot BE/IZZíTáS helyzetbe.
Note: Ha további izzítás szükséges, fordítsa a kulcsot KI, majd vissza BE/IZZíTáS helyzetbe. Ismételje meg az eljárást, ha szükséges.
Állítsa a gázkart alapjárati fordulatszámra vagy adjon némi gázt, és járassa a motort, amíg az be nem melegszik.
Note: Ha a TLT-kapcsoló BEKAPCSOLT helyzetében hagyja el a kezelőülést, a gép automatikusan leállítja a motort.
A TLT-funkció visszaállításához végezze el a következőket:
Nyomja le a TLT-kapcsoló gombját.
Indítsa be a motort; lásd A motor beindítása.
Húzza fel a TLT-kapcsoló gombját.
Mindig kapcsolja be a fordulás üzemmódot, amikor a szárzúzó fűnyírót (02835) használja.
Fordulás üzemmódban gyorsan a gyep fölé emelheti a szárzúzó fűnyírót, amikor gyors fordulást végez a fűnyírási menet végén vagy akadályok körül navigál.
Amikor a szárzúzó fűnyíró le van engedve üZEMI helyzetbe, a munkaeszköz-emelő kapcsolót gyors fordulónál röviden előretolva, majd visszaengedve kissé felemelkedik a szárzúzó. Ha befejezte a fordulást, nyomja meg az emelő kapcsolót, hogy a szárzúzó visszaereszkedjen a talajra és folytathassa vele a fűnyírást.
A gázkar segítségével állítsa alacsonyra a motor fordulatszámát.
Állítsa a TLT-kapcsolót KIKAPCSOLT helyzetbe.
Fordítsa a gyújtáskapcsolót KI helyzetbe, és vegye ki a kulcsot.
Állítsa le a motort, vegye ki az indítókulcsot, és várja meg, amíg az összes mozgó alkatrész leáll, csak ezután hagyja el a kezelőülést. Hagyja lehűlni a gépet, mielőtt beállítási, szervizelési, tisztítási vagy tárolási munkába kezd rajta.
Tisztítsa le a füvet és törmeléket a nyíróegységekről, valamint a tűzveszély megelőzése érdekében a hangtompítókról és a motortérből. Takarítsa fel a kiömlött olajat vagy üzemanyagot.
Ha a nyíróegységek szállítási helyzetben vannak, használja a mechanikus zárat (ha van), mielőtt a gépet őrizetlenül hagyná.
Bármilyen zárt térben való tárolás előtt hagyja a motort lehűlni.
Vegye ki a kulcsot és zárja el az üzemanyagcsapot (ha van), mielőtt a gép tárolásába vagy szállításába kezd.
Soha ne tárolja a gépet vagy az üzemanyagtartályt olyan helyen, ahol nyílt láng, szikra vagy őrláng fordul elő, mint például vízmelegítőkön vagy más eszközökön.
Végezze el a biztonsági öv(ek) karbantartását és tisztítását szükség szerint
A nyíróegységet VONULáSI helyzetből (Ábra 33, A) SZERVIZELéSI helyzetbe (Ábra 33, B) fordíthatja. A SZERVIZELéSI helyzet a nyíróegység késeinek karbantartására és a nyíróegység aljának a tisztítására használható; lásd a nyíróegység kezelői kézikönyvét.
Fordítsa el ezzel az eljárással a nyíróegységet VONULáSI helyzetből SZERVIZELéSI helyzetbe.
Ha a kulcsot a gyújtáskapcsolóban hagyja, mások véletlenül beindíthatják a motort, és a közelben állók súlyos sérülését okozhatják.
Vegye ki az indítókulcsot, ne indítsa be a motort, amíg a nyíróegység SZERVIZELéSI helyzetben van.
Parkolja le a gépet sík talajon.
Az emelőkapcsolót megnyomva emelje fel le a nyíróegységet VONULáSI helyzetbe.
Húzza be a rögzítőféket, állítsa le a motort, és vegye ki az indítókulcsot.
Vegye ki a csapot a vágásmagasság-lemezekből (Ábra 34).

Fordítsa el úgy a nyíróegységet (Ábra 35), hogy a retesz beakadjon a rögzítőkonzolba (Ábra 36).
A nyíróegység nehéz.
A nyíróegység felhajtását ne egyedül végezze.


Fordítsa el ezzel az eljárással a nyíróegységet SZERVIZELéSI helyzetből VONULáSI helyzetbe.
Oldja el a nyíróegység reteszét a rögzítőkonzoltól (Ábra 37) a nyíróegységet kissé elfordítva (Ábra 35), majd a retesz karját meghúzva.

Hajtsa le lassan a nyíróegységet, amíg a csap az emelőkar lemezéhez nem ér (Ábra 38, A).

A lábával nyomja le a nyíróegységet, majd húzza ki a csapot (Ábra 38, B), hogy a nyíróegység VONULáSI helyzetbe kerüljön.
Dugja be a vágásmagasságcsapokat a vágásmagasság-lemezekbe és a láncokba.
Ha vontatni vagy tolni kell a gépet, állítsa át a vontatószivattyút a hidraulikafolyadék megkerüléséhez. A gépet csak 4,8 km/h alatti sebességgel és csak nagyon rövid úton szabad mozgatni.
Important: A vontatási korlátozások meghaladása esetén a hidraulikaszivattyú súlyosan sérülhet.Ha a gépet nagyobb távolságra kell elvinni, utánfutón szállítsa.
A megkerülőszelephez a gép alja felől lehet hozzáférni.

Lazítsa meg 14 mm-es csillagkulccsal a megkerülőszelepet, és nyissa meg maximum 3 fordulattal.
Important: Ne indítsa be vagy járassa a motort, amíg a szelep megkerülési helyzetben van.
A vontatás után és a motor beindítása előtt húzza meg a megkerülőszelepet 12 N nyomatékkal.
Óvatosan járjon el a gép utánfutóra vagy teherjárműre történő felrakásakor, vagy levételekor.
A gép utánfutóra vagy teherjárműre történő felrakásakor használjon teljes szélességű rámpákat.
Kösse le a gépet biztonságosan.
A gép eltárolása vagy szállítása előtt vegye ki az indítókulcsot.
Note: A gép jobb és bal oldalát normál üzemeltetési helyzetben határozza meg.
Note: Az elektromos vagy hidraulikus bekötési rajz ingyenes példánya letölthető a www.Toro.com weboldalról, miután megkereste a honlap Manuals (Kézikönyvek) hivatkozásán keresztül az adott gépet.
A kezelőállás elhagyása előtt végezze el az alábbiakat:
Parkolja le a gépet sík talajon.
Kapcsolja ki a mellékhajtást, és engedje le a tartozékokat.
Húzza be a rögzítőféket.
Állítsa le a motort, és vegye ki az indítókulcsot.
Várja meg, amíg minden mozgó alkatrész megáll.
Ha a kulcsot a gyújtáskapcsolóban hagyja, mások véletlenül beindíthatják a motort, és a közelben állók súlyos sérülését okozhatják. Karbantartási munkák előtt vegye ki a kulcsot a gyújtáskapcsolóból.
A karbantartás megkezdése előtt hagyja a gép elemeit lehűlni.
Ha a nyíróegységek szállítási helyzetben vannak, használja a mechanikus zárat (ha van), mielőtt a gépet őrizetlenül hagyná.
Ha lehet, járó motorú gépen ne végezzen karbantartást. Maradjon távol a mozgó alkatrészektől.
Bakolja alá a gépet, ha alatta végez munkát.
Az energiát tároló alkatrészekből óvatosan engedje ki a nyomást.
A gép minden alkatrészét tartsa megfelelő üzemállapotban. Az összes csavar legyen meghúzva, különösen a késeket rögzítő csavarok.
Cseréljen ki minden kopott vagy sérült címkét.
A biztonság és az optimális teljesítmény érdekében csak eredeti Toro-pótalkatrészeket használjon. A más által gyártott pótalkatrészek használata veszélyes lehet, és emellett a jótállást is érvényteleníti.
| Karbantartási időköz | Karbantartási intézkedés |
|---|---|
| Az első óra után |
|
| Az első 10 óra után |
|
| Az első 50 óra után |
|
| Az első 1000 óra után |
|
| Minden egyes használat előtt, vagy naponta |
|
| Minden 50 órában |
|
| Minden 100 órában |
|
| Minden 200 órában |
|
| Minden 250 órában |
|
| Minden 400 órában |
|
| Minden 500 órában |
|
| Minden 800 órában |
|
| Minden 1000 órában |
|
| Minden 2000 órában |
|
| Havonta |
|
| Évente |
|
| Minden 2 évben |
|
Important: A további karbantartási eljárásokra vonatkozóan lásd a motor kezelői kézikönyvét.
Rendszeres használatához másolja le az oldalt.
| A karbantartás során ellenőrzendő elem | Hét: | ||||||
|---|---|---|---|---|---|---|---|
| H. | K. | Sze. | Cs. | P. | Szo. | V. | |
| Ellenőrizze a biztonsági reteszelő berendezéseket. | |||||||
| A bukócső teljesen felhajtott és reteszelt helyzetének ellenőrzése. | |||||||
| Ellenőrizze a rögzítőfék működését. | |||||||
| Ellenőrizze az üzemanyagszintet. | |||||||
| A motorolaj szintjének ellenőrzése | |||||||
| A hűtőfolyadék szintjének ellenőrzése | |||||||
| A vízleválasztó leürítése. | |||||||
| A légszűrő visszajelző ellenőrzése.3 | |||||||
| A hűtő és a hűtőrács ellenőrzése törmelék szempontjából. | |||||||
| Szokatlan motorzajok ellenőrzése.1. | |||||||
| Szokatlan üzemi zajok ellenőrzése. | |||||||
| A hidraulikatömlők épségének ellenőrzése | |||||||
| A folyadékszivárgás ellenőrzése | |||||||
| Ellenőrizze a gumiabroncsok nyomását. | |||||||
| Ellenőrizze a műszerek működését. | |||||||
| Kenje meg az összes zsírzószemet.2 | |||||||
| Sérült fényezés javítása javítófestékkel. | |||||||
| A biztonsági öv ellenőrzése. | |||||||
|
1Ellenőrizze az izzítógyertyát és a befecskendező fúvókákat, ha a motor nehezen indul, erősen füstöl vagy egyenetlenül jár 2Lemosás után mindig azonnal, az előírt időköztől függetlenül 3Nem világít-e pirosan a visszajelző |
|||||||
| A problémás területekkel kapcsolatos megjegyzések | ||
| Az ellenőrzést végezte: | ||
| Tétel | Dátum | Információk |
A mechanikus vagy hidraulikus emelők nem feltétlenül bírják el a gépet, így súlyos sérülést okozhatnak.
Használjon emelőállványt a felemelt gép alátámasztására.
Csak mechanikus vagy hidraulikus emelőt használjon a gép emelésére.
Important: Ügyeljen arra, hogy ne kerüljön kábel vagy hidraulikarendszer-alkatrész az emelő és a gépváz közé.

Ékelje ki a két hátsó kereket, hogy meggátolja a gép elmozdulását.
Helyezze az emelőt biztonságosan a megfelelő emelési pont alá.
A gép elejének megemelése után tegyen megfelelő emelőállványt a gépváz alá a gép alátámasztásához.
Important: Ügyeljen arra, hogy ne kerüljön kábel vagy hidraulikarendszer-alkatrész az emelő és a gépváz közé.

Ékelje ki a két első kereket, hogy meggátolja a gép elmozdulását.
Helyezze az emelőt biztonságosan a megfelelő emelési pont alá.
Important: Négykerék-meghajtású gépeknél hidraulikavezetékek futnak a váz közelében. Helyezze el úgy az emelőt, hogy a gép megemelése során a hidraulikavezetékek ne károsodhassanak.
A gép elejének megemelése után tegyen megfelelő emelőállványt a gépváz alá a gép alátámasztásához.
| Karbantartási időköz | Karbantartási intézkedés |
|---|---|
| Minden egyes használat előtt, vagy naponta |
|
| Minden 50 órában |
|
A gép zsírzószemekkel rendelkezik, melyeket rendszeresen kenni kell 2. sz. lítiumos kenőzsírral.
Important: Végezze el a zsírzást az összes zsírzóponton rögtön minden lemosás után.
Feszítőkar (Ábra 43)

TLT hajtótengely (Ábra 44)
Important: Zsírozza meg a hajtótengelyt minden használat előtt vagy naponta.

Tengelycsuklócsap (Ábra 45)

A gép eleje (Ábra 46):
Munkaeszköz-csuklóagyak (2)
Emelőmunkahenger-perselyek (2)
Emelőkar-forgócsapok (2)

A gép hátulja (Ábra 47):
Hidraulikus munkahenger gömbcsuklója (2)
Tengelycsonkagyak (2)

Az olajszint ellenőrzése és az olaj forgattyúházba való betöltése előtt állítsa le a motort, és vegye ki az indítókulcsot.
Ne változtassa meg a motor szabályozási beállításait, és ne pörgesse túl a motort.
Az olaj típusa: Használjon kiváló minőségű, alacsony koromszintű, az alábbi előírásoknak megfelelő vagy azokat túlszárnyaló motorolajat:
CJ-4 vagy magasabb API-besorolás
E6 ACEA-besorolás
DH-2 JASO-besorolás
A forgattyúház kapacitása: Szűrővel együtt körülbelül 6,2 l.
Viszkozitás: Használja az alábbi motorolaj-viszkozitási kategóriát:
Javasolt olaj: SAE 15W-40 (0°C fölött)
Alternatív olaj: SAE 10W-30 vagy 5W-30 (bármilyen hőmérsékleten)
A Toro Premium motorolaj 15W-40 és 10W-30 viszkozitású változata egyaránt kapható a hivatalos Toro-forgalmazóknál.
| Karbantartási időköz | Karbantartási intézkedés |
|---|---|
| Minden egyes használat előtt, vagy naponta |
|
A motorolaj szintjének ellenőrzésére a legalkalmasabb időpont a munkanap eleje, amikor a motor még hideg a beindítás előtt. Ha járt a motor, hagyja visszacsorogni az olajat az olajteknőbe legalább 10 percig, mielőtt ellenőrzi a szintjét.
Ha az olajszint a nívópálcán levő alacsony jelölésen vagy az alatt látható, olajat betöltve emelje a szintet a tele jelölésig. Ne töltse túl a motort olajjal.
Important: Ellenőrizze a motorolajat naponta. Ha a szintje a nívópálcán a tele jelzés fölött látható, a motorolaj üzemanyaggal hígulhatott. Ha a szintje a nívópálcán a tele jelzés fölött látható, cserélje le a motorolajat.
Important: Tartsa az olajszintet a nívópálca alsó és felső szintjelzése között. A motor meghibásodhat, ha túl sok vagy túl kevés olajjal járatja.
Hajtsa fel a motorháztetőt; lásd A motorháztető felnyitása.
Ellenőrizze a motorolaj szintjét; lásd Ábra 48.

| Karbantartási időköz | Karbantartási intézkedés |
|---|---|
| Minden 500 órában |
|
Indítsa be a motort és járassa 5 percig, hogy felmelegedjen az olaj.
A géppel vízszintes felületre leparkolva húzza be a rögzítőféket, állítsa le a motort, vegye ki a kulcsot és várja meg, amíg minden mozgó alkatrész megáll, mielőtt elhagyja a kezelői helyet.
Cserélje le a motorolajat a Ábra 49 szerint.

Cserélje ki az olajszűrőt az Ábra 50 szerint.
Note: Csavarja fel a helyére a szűrőt annyira, hogy a tömítése felüljön a motorblokkon, majd húzzon rá még ¾ fordulatot.

| Karbantartási időköz | Karbantartási intézkedés |
|---|---|
| Minden egyes használat előtt, vagy naponta |
|
| Minden 250 órában |
|
Ellenőrizze a légszűrőházat olyan sérülések szempontjából, amelyek levegőszivárgást okozhatnak. Cserélje ki a légszűrőházat, ha károsodott. Ellenőrizze a szívórendszert szivárgás, károsodás és laza tömlőbilincsek szempontjából
A légszűrő szervizelésére csak akkor van szükség, ha az eltömődés-visszajelző (Ábra 51) ezt szükségessé teszi. A légszűrőbetét korábbi cseréjével csak növekszik annak kockázata, hogy szennyeződés jut a motorba a légszűrőbetétet eltávolításakor.

Important: Ellenőrizze, hogy a légszűrőfedél megfelelően felült a légszűrőházra és jól tömít, a kapcsok pedig megfelelően zárnak.
A gázolaj és az üzemanyagpára bizonyos körülmények között rendkívül tűzveszélyes és robbanásveszélyes. Az üzemanyag okozta tűz vagy robbanás megégetheti Önt vagy másokat, valamint anyagi kárt okozhat.
Ne dohányozzon, amikor üzemanyaggal foglalkozik, és maradjon távol nyílt lángtól és olyan helyektől, ahol az üzemanyag gőzeit begyújthatják a szikrák.
| Karbantartási időköz | Karbantartási intézkedés |
|---|---|
| Minden 50 órában |
|
Ürítse le a vizet a vízleválasztóból az Ábra 53 alapján.

Töltse fel a szűrőt és a vezetékeket a nagynyomású szivattyúig; lásd: Az üzemanyagrendszer légtelenítése.
| Karbantartási időköz | Karbantartási intézkedés |
|---|---|
| Minden 400 órában |
|
Cserélje le a vízleválasztót az Ábra 53 alapján.

Töltse fel a szűrőt és a vezetékeket a nagynyomású szivattyúig; lásd: Az üzemanyagrendszer légtelenítése.
| Karbantartási időköz | Karbantartási intézkedés |
|---|---|
| Minden 400 órában |
|
Tisztítsa meg az üzemanyagszűrő-fej körüli területet (Ábra 55).

Távolítsa el a szűrőt, és tisztítsa meg a szűrőfej rögzítési felületét (Ábra 55).
Kenje meg a szűrő tömítését tiszta motorolajjal; további tájékoztatásért lásd a motor kezelői kézikönyvét.
Szerelje fel és húzza meg kézzel a száraz szűrőtartályt annyira, hogy a tömítése felüljön a szűrőfejre, majd húzzon még rajta további ½ fordulatot.
Töltse fel a szűrőt és a vezetékeket a nagynyomású szivattyúig; lásd: Az üzemanyagrendszer légtelenítése.
Indítsa be a motort, és ellenőrizze, hogy nincs-e szivárgás a szűrőfejnél.
| Karbantartási időköz | Karbantartási intézkedés |
|---|---|
| Évente |
|
Ürítse le és tisztítsa ki az üzemanyagtartályt, ha az üzemanyag-ellátó rendszer elszennyeződött, vagy a gépet hosszabb ideig tárolni fogja. Öblítse ki a tartályt tiszta dízelüzemanyaggal.
| Karbantartási időköz | Karbantartási intézkedés |
|---|---|
| Minden 400 órában |
|
| Minden 2 évben |
|
Vizsgálja meg az üzemanyagcsöveket elhasználódás, sérülés és laza csatlakozók szempontjából.
Az alábbi tevékenységeket követően végezze el az üzemanyagrendszer légtelenítését:
Az üzemanyagszűrő cseréje.
A vízleválasztó leürítése minden használat után vagy naponta.
Kifogyott az üzemanyag.
Üzemanyagtömlő cseréje vagy az üzemanyagrendszer bármilyen okból történő megnyitása.
Az üzemanyagrendszer légtelenítéséhez végezze el az alábbi lépéseket:
Important: Ne indítózással végezze az üzemanyagrendszer légtelenítését.
Gondoskodjon arról, hogy legyen üzemanyag az üzemanyagtartályban.
Végezze el az alábbi lépéseket a szűrő és a nagynyomású szivattyúig tartó vezetékek feltöltéséhez, hogy megelőzze a szivattyú kopását és károsodását:
Kapcsolja a gyújtáskapcsolót BE helyzetbe 15–20 másodpercig.
Kapcsolja a gyújtáskapcsolót KI helyzetbe 30–40 másodpercig.
Note: Ez lehetővé teszi, hogy az ECU leálljon.
Kapcsolja a gyújtáskapcsolót BE helyzetbe 15–20 másodpercig.
Keressen esetleges szivárgást a szűrő és a tömlők környékén.
Indítsa be a motort és keressen szivárgást.
A gép javítása előtt kösse le az akkumulátort. Először a negatív sarut kösse le, és utána a pozitívot. Először a pozitív sarut kösse vissza, és utána a negatívot.
Az akkumulátor töltését nyitott, jól szellőző helyen végezze, szikráktól és nyílt lángtól távol. A töltőt az akkumulátorra való csatlakoztatása vagy leválasztása előtt húzza ki a fali aljzatból. Viseljen védőöltözéket, és használjon szigetelt szerszámokat.
| Karbantartási időköz | Karbantartási intézkedés |
|---|---|
| Minden 50 órában |
|
Az akkumulátor a gép bal oldalán, az üzemanyagtartály mellett található. Az akkumulátorhoz való hozzáféréshez nyissa fel a motorháztetőt, hajtsa ki az akkumulátorfedelet rögzítő recésfejű csavarokat, és távolítsa el a fedelet (Ábra 56).
Note: A csavart biztosító alátét rögzíti a fedélhez.

Az akkumulátor pólusai vagy a fémszerszámok fém alkatrészekhez érve szikrázást keltő rövidzárlatot okozhatnak. A szikrák hatására az akkumulátor gázai berobbanhatnak, ami személyi sérüléshez vezethet.
Az akkumulátor ki- vagy beszerelése során ügyeljen arra, hogy annak pólusai ne érjenek a gép fém alkatrészeihez.
Ügyeljen arra, hogy a fémszerszámok ne okozzanak rövidzárlatot az akkumulátor pólusai és a gép fémalkatrészei között.
Az akkumulátor kábeleinek helytelen elvezetése szikrákat okozva károsíthatja a gépet és a kábeleket. A szikrák hatására az akkumulátor gázai berobbanhatnak, ami személyi sérüléshez vezethet.
Először mindig a negatív (fekete) akkumulátorkábelt kösse le, és csak azután a pozitív (piros) kábelt.
Az akkumulátor kábeleinek helytelen elvezetése szikrákat okozva károsíthatja a gépet és a kábeleket. A szikrák hatására az akkumulátor gázai berobbanhatnak, ami személyi sérüléshez vezethet.
Először mindig a pozitív (piros) akkumulátorkábelt kösse vissza, csak ezután a negatív (fekete) kábelt.
Az akkumulátort rögzítőelem (Ábra 59) rögzíti a tálcán. Az akkumulátor eltávolításához lazítsa meg a rögzítőelem kötőelemeit; az akkumulátor beszerelésekor húzza meg azokat.
Note: Az akkumulátorhoz való hozzáféréshez lásd Hozzáférés az akkumulátorhoz. Az akkumulátor beszerelése után szerelje vissza az akkumulátorfedelet is.

| Karbantartási időköz | Karbantartási intézkedés |
|---|---|
| Minden 50 órában |
|
Important: A gépen történő hegesztés megkezdése előtt kösse le a negatív kábelt az akkumulátorról, hogy ne károsodjon a villamos rendszer.
Ellenőrizze az akkumulátor állapotát hetente vagy 50 üzemóránként. Tartsa tisztán a csatlakozókat és a teljes akkumulátorházat, mert a szennyezett akkumulátor lassan kisül.
Tegye szabaddá az akkumulátort; lásd Hozzáférés az akkumulátorhoz.
Távolítsa el a gumiszigetelést a pozitív pólusról, és vizsgálja át az akkumulátort. Ha az akkumulátor szennyezett, végezze el az alábbi lépéseket:
Mossa le kívülről az akkumulátort vízben feloldott szódabikarbónával.
Vonja be a sarukat és az akkumulátorpólusokat Grafo 112X védőzsírral (Toro-cikksz. 505-47) a korrózió megelőzésére.
Tegye vissza a gumiszigetelést a pozitív pólusra.
Zárja vissza az akkumulátorfedelet.
A vontatóegység biztosítékaihoz való hozzáféréshez távolítsa el a konzol fedelét (Ábra 60).
Note: A vontatóegység biztosítékainak címkéje a konzolfedél túloldalán található.

A Vontatóegység biztosítékdoboza táblázata leírást ad a vontatóegység biztosítékdobozában található biztosítékokról (Ábra 61):

| A | B | |
| 1 | Fülke (10 A) | Képernyő áramellátása (15 A) |
| 2 | Szabad foglalat | Kijelzővezérlő gyújtáskapcsoló utáni áramellátása (10 A) |
| 3 | Légrugós ülés (15 A) | Indítóáramkör (10 A) |
| 4 | USB-csatlakozó, üzemóra-számláló, telematika, bővítő csatlakozó (20 A) | Gyújtáskapcsoló tápellátása (15 A) |
A fülke biztosítékai az utasülés fölött találhatók. A biztosítékokhoz való hozzáféréshez vegye le a biztosítékdoboz fedelét (Ábra 62).

A Fülke biztosítékdoboza táblázata leírást ad a vontatóegység biztosítékdobozában található biztosítékokról (Ábra 63):

| A | |
| 1 | Kondenzátorventilátor; légkondicionáló rendszer tengelykapcsolója (25 A) |
| 2 | Szélvédőmosó (20 A) |
| 3 | Ventilátor és belső világítás (40 A) |
| 4 | Szabad foglalat |
| Karbantartási időköz | Karbantartási intézkedés |
|---|---|
| Az első óra után |
|
| Az első 10 óra után |
|
| Minden 200 órában |
|
Kerékanyák előírt meghúzási nyomatéka: 102–108 Nm
Húzza meg az első és (csak négykerék-meghajtású gépeknél) a hátsó kerekeket rögzítő kerékanyákat a Ábra 64 és Ábra 65 szerinti mintát követve az előírt nyomatékkal.
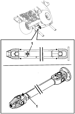
Ha leválasztotta a TLT-hajtótengely teleszkópos végét a tengelykapcsoló felőli végről, ügyeljen arra, hogy a teleszkópos vég visszaszerelésekor a festékjelölések egymáshoz legyenek igazítva, és a retesz egybeessen a tengelykapcsoló felőli vég (Ábra 66) hiányzó bordájával. A végkengyeleknek is egybe kell esniük a Ábra 66 szerint.
Important: Amennyiben a tengelyen a jelzések nem egymásra mutatnak, súlyos kiegyenlítetlenség jöhet létre a hajtásrendszerben.

A hűtőfolyadék lenyelése mérgezést okozhat. Gyermekektől és háziállatoktól elzárva tartandó.
A nyomás alatt lévő, forrón kiáramló hűtőfolyadék, valamint a forró hűtő és kapcsolódó alkatrészei súlyos égési sérüléseket okozhatnak.
Hagyja hűlni a motort legalább 15 percig, mielőtt levenné a hűtősapkát.
A hűtősapka megnyitásakor használjon rongyot, a sapkát pedig lassan nyissa meg, hogy a gőz eltávozhasson.
Ne működtesse a gépet, ha nincsenek a helyükön a védőburkolatok.
Tartsa távol ujjait, kezét és ruházatát a forgó ventilátortól és az ékszíjtól.
A hűtőrendszert a gyárban feltöltik víz és etilén-glikol alapú, hosszú élettartamú hűtőfolyadék 50/50 arányú keverékével.
Important: Csak olyan, kereskedelmi forgalomban kapható hűtőfolyadékot használjon, amely megfelel a hosszú élettartamú hűtőfolyadékokra vonatkozó szabványok táblázatában szereplő előírásoknak.Ne töltsön a munkagépbe hagyományos (zöld), szervetlen savas technológiájú (IAT) hűtőfolyadékot. Ne keverje a hagyományos hűtőfolyadékot a hosszú élettartamú hűtőfolyadékkal.
|
Etilén-glikolos hűtőfolyadék típusa |
Korróziógátló adalék típusa |
|
Hosszú élettartamú fagyálló |
Szerves savas technológiájú (OAT) |
|
Important: Ne hagyatkozzon a hűtőfolyadék színére a hagyományos (zöld) szervetlen savas technológiájú (IAT) hűtőfolyadék és a hosszú élettartamú hűtőfolyadék közötti különbség azonosításához.A hűtőfolyadék-gyártók a hosszú élettartamú hűtőfolyadékot a következő színek bármelyikével megfesthetik: piros, rózsaszín, narancs, sárga, kék, kékeszöld, ibolya és zöld. Csak olyan hűtőfolyadékot használjon, amely megfelel a hosszú élettartamú hűtőfolyadékokra vonatkozó szabványok táblázatában szereplő előírásoknak. |
|
|
Nemzetközi ATSM |
Nemzetközi SAE |
|
D3306 és D4985 |
J1034, J814 és 1941 |
Important: A hűtőfolyadékot 50/50 koncentrációban kell vízzel keverni.
Javaslat: a hűtőfolyadék-koncentrátumot keverje desztillált vízzel.
Választható megoldás: ha a desztillált víz nem hozzáférhető, koncentrátum helyett használjon előre bekevert hűtőfolyadékot.
Minimális követelmény: ha sem desztillált víz, sem előre bekevert hűtőfolyadék nem hozzáférhető, keverje a koncentrátumot ivóvízzel.
| Karbantartási időköz | Karbantartási intézkedés |
|---|---|
| Minden egyes használat előtt, vagy naponta |
|
| Minden 2000 órában |
|
Hideg motornál a hűtőfolyadék szintje nem haladhatja meg a tágulási tartály oldalán látható HIDEG jelzést (Ábra 67). Meleg motor esetén a hűtőfolyadék szintje nem haladhatja meg a TELE (MELEG) jelzést.
Ha hideg motornál a szintje magasabb a HIDEG jelzésnél, a hűtőfolyadék kiszivároghat a tartályból, amikor a motor a használat során felmelegszik.
Ellenőrizze a hűtőfolyadék szintjét a tágulási tartályban hideg motornál.

Ha a hűtőfolyadék hideg motornál nem látható a HIDEG jelzésnél vagy a szintje nem éri el azt, vegye le a tágulási tartály sapkáját, és töltsön bele a javasolt hűtőfolyadékból (lásd A hűtőfolyadékra vonatkozó előírások) szükség szerint, hogy a szintje elérje a HIDEG jelzést.
Important: Ne használjon csak vizet vagy alkoholalapú hűtőfolyadékot.Ne töltse a tartály HIDEG jelzése fölé a hűtőfolyadékot.
Tegye vissza a tágulási tartály sapkáját.
| Karbantartási időköz | Karbantartási intézkedés |
|---|---|
| Minden 50 órában |
|

Hajtsa fel a motorháztetőt; lásd A motorháztető felnyitása.
Tisztítsa meg sűrített levegővel a hűtőrácsot (Ábra 68). A levegőt a gépből kifelé irányítsa.
| Karbantartási időköz | Karbantartási intézkedés |
|---|---|
| Minden 50 órában |
|
| Minden 250 órában |
|
A hűtőlamellák tisztításához használjon sűrített levegőt. A levegőt a gépből kifele irányítsa (Ábra 69).
Important: A hűtőlamellák tisztításához ne használjon vizet.

Egyenesítse ki az esetleg elgörbült hűtőlamellákat.
| Karbantartási időköz | Karbantartási intézkedés |
|---|---|
| Minden 200 órában |
|
| Minden 2 évben |
|
Vizsgálja meg a hűtőrendszer tömlőit szivárgás, megcsavarodott tömlők, laza tartóelemek, kopás, időjárás miatti öregedés és kémiai elhasználódás szempontjából. A gép használatának megkezdése előtt végezze el az összes szükséges javítást.
| Karbantartási időköz | Karbantartási intézkedés |
|---|---|
| Minden 400 órában |
|
Helyezzen emelőállványokat a gép eleje alá; lásd A gép elejének megemelése.
Szerelje le az első kerekeket.
Állítsa a rögzítőféket KIENGEDETT helyzetbe; lásd Rögzítőfék.
Távolítsa el kézzel a fékdobokat (Ábra 70).
Ha a fékdobok kézzel történő eltávolításakor ellenállást érez, nincs szükség beállításra.
Ha a fékdobok kézzel történő eltávolításakor nem érez ellenállást, beállítás szükséges; lásd A rögzítőfék beállítása.

Szerelje fel az első kerekeket, és húzza meg a kerékanyákat; lásd A kerékanyák meghúzása.
Ékelje ki a kerekeket.
A rögzítőfék legyen kiengedve.
Keresse meg a fékbovdenek bekötését (Ábra 71) a gép bal oldalánál alul, a bal oldali kerék közelében.

Lazítsa meg a felső ellenanyákat annyira, hogy 3,2 mm – 4,8 mm méretű rés keletkezzen.
Húzza le a bovdent annyira, hogy a felső ellenanya a konzolhoz érjen.
Húzza meg az alsó ellenanyát.
Ismételje meg az 5. és 6. lépést a másik bovdennél.
Ellenőrizze a rögzítőféket; lásd A rögzítőfék ellenőrzése.
| Karbantartási időköz | Karbantartási intézkedés |
|---|---|
| Az első 10 óra után |
|
| Az első 50 óra után |
|
| Minden 100 órában |
|
Megfelelő feszesség mellett a szíj 10 mm-t behajlik, ha 4,5 kg súly nehezedik rá a szíjtárcsák között középen.
Ha az ékszíj behajlása nem 10 mm, végezze el az alábbi lépéseket:
Lazítsa meg a generátort rögzítő csavart (Ábra 63).

Növeljen vagy csökkentsen a generátorékszíj feszességén, majd húzza meg a csavart.
Mérje meg újra az ékszíj behajlását a szíjfeszesség ellenőrzéséhez.
| Karbantartási időköz | Karbantartási intézkedés |
|---|---|
| Minden 100 órában |
|
Vizsgálja meg a hajtásékszíjat túlzott elhasználódás és károsodás szempontjából.
Cserélje ki az ékszíjat, ha túlságosan elhasználódott vagy megsérült; lásd A hajtásékszíj cseréje.

Parkolja le a gépet sík talajon, engedje le a nyíróegységet, húzza be a rögzítőféket, állítsa le a motort és vegye ki az indítókulcsot.
Kösse le a TLT-tengelyt a munkaeszköz hajtóműházáról; lásd a munkaeszköz kezelői kézikönyvét.
Válassza le a tengelykapcsoló vezetékköteg-csatlakozóját a gép vezetékkötegéről.

Távolítsa el a gumiütközőt a fém rögzítőelemből és a tengelykapcsolóról (Ábra 74).
Kérjen meg egy segítőt, hogy a hajtókar segítségével szüntesse meg az ékszíj feszességét, majd távolítsa el az ékszíjat a szivattyútárcsáról, a feszítőtárcsáról és a motorszíjtárcsáról.
A régi ékszíj eltávolításához vegye azt ki a tengelykapcsolón át, a TLT tengely eleje felé.
Tegye fel az ékszíjat a TLT tengelyen és a tengelykapcsolón át a motorszíjtárcsára.
A segítő a hajtókarral húzza meg lefelé a feszítőtárcsát.
Igazítsa fel az ékszíjat a motorszíjtárcsára, a feszítőtárcsára és a szivattyútárcsára (Ábra 73).
Vegye ki a hajtókart a feszítőkarból.
Szerelje be a gumiütközőt a fém rögzítőelembe, és rögzítse a tengelykapcsolóhoz.
Dugja be a tengelykapcsoló vezetékköteg-csatlakozóját a gép vezetékkötegébe.
Rögzítse a TLT tengelyt a munkaeszköz hajtóműházhoz.
| Karbantartási időköz | Karbantartási intézkedés |
|---|---|
| Minden 200 órában |
|
Hagyja lehűlni a motort.
Hajtsa fel a motorháztetőt.
Állítsa be úgy a légrést, hogy egy 0,3 mm vastag hézagmérőt enyhe nyomással be lehessen csúsztatni a tengelykapcsoló súrlódóbetétje és a nyomólap közé (Ábra 75).
Note: A légrés az állítóanyát jobbra forgatva csökkenthető (Ábra 75). A maximális üzemi légrés 0,6 mm. Állítsa be mindhárom légrést 0,4 mm-re.

Miután mindhárom légrést beállította, ellenőrizze újra mind a hármat.
Note: Egy légrés beállításakor a többi is módosulhat.
A menetpedálon végezhető beállítás a kezelő kényelmére, vagy a gép maximális előremeneti sebességének korlátozása érdekében.
Nyomja a menetpedált teljesen előre (Ábra 76).
Note: A menetpedálnak még azelőtt fel kell ütköznie a menetpedál-ütközőn, hogy a szivattyú elérné a teljes szállítását.

Ha a menetpedál nem éri el a menetpedál-ütközőt, vagy csökkenteni szeretné a gép előremeneti sebességét, tegye a következőket:
Tartsa meg csavarkulccsal a menetpedál-ütközőt (Ábra 76).
Lazítsa meg a lábtartó lemez alatti ellenanyát (Ábra 77).

Állítsa a menetpedált előremeneti véghelyzetbe (Ábra 76).
A menetpedál-ütközőt a csavarkulccsal megtartva állítson a lábtartó lemez fölötti ellenanyán (Ábra 76) annyit, hogy a menetpedál elérje az ütközőt.
A menetpedál-ütköző meghosszabbításához forgassa el az ütközőt 1 teljes fordulattal az óra járásával ellentétes irányban, a lábtartó lemez fölötti ellenanyától távolítva.
Note: A menetpedál-ütköző kinyúlásának rövidítésével a gép maximális előremeneti sebessége nő.
A menetpedál-ütközőt megtartva húzza meg a lábtartó lemez alatti ellenanyát (Ábra 76 és Ábra 77) 37–45 Nm nyomatékkal.
Ellenőrizze, hogy a menetpedál még azelőtt felütközik a menetpedál-ütközőn, hogy a szivattyú elérné a teljes szállítását.
Note: Ha a menetpedál nem éri el a menetpedál-ütközőt, ismételje meg az 1–7. lépéseket.
Ha hidraulikafolyadék került a bőre alá, azonnal kérjen orvosi segítséget. A bejutott folyadékot pár órán belül orvossal, sebészi úton el kell távolíttatni.
Mielőtt nyomás alá helyezi a hidraulika-rendszert, győződjön meg arról, hogy minden hidraulikacső és -tömlő megfelelő állapotban van, valamint az összes hidraulikus csatlakozó és szerelvény jól zár.
Egyetlen testrészével se kerüljön közel olyan szivárgó furatokhoz vagy fúvókákhoz, ahonnan nagynyomású hidraulikafolyadék távozhat.
A hidraulikafolyadék esetleges szivárgását ellenőrizze kartonlap vagy papírlap segítségével.
Szüntesse meg biztonságosan a nyomást a hidraulika-rendszerben, mielőtt bármilyen munkába kezd rajta.
A tartály gyárilag kb. 22,7 l kiváló minőségű hidraulikafolyadékkal lett feltöltve. Ellenőrizze a hidraulikafolyadék szintjét, mielőtt először beindítja a motort, majd utána naponta; lásd A hidraulikafolyadék szintjének ellenőrzése.
Javasolt hidraulikafolyadék: Toro PX Extended Life Hydraulic Fluid (megnövelt élettartamú hidraulikafolyadék); kapható 19 literes (5 US gallon) kannában és 208 literes (55 US gallon) hordóban.
Note: A javasolt cserefolyadék használata esetén ritkábban kell cserélni a folyadékot és a szűrőt.
Alternatív hidraulikafolyadékok: ha a Toro PX Extended Life Hydraulic Fluid nem kapható, használhat olyan hagyományos, petróleumalapú hidraulikafolyadékot, amelynek a tulajdonságai megfelelnek az alábbi anyagjellemzőknek és az iparági szabványoknak. Ne használjon szintetikus folyadékot. A megfelelő termékről érdeklődjön valamilyen kenőanyag-forgalmazónál.
Note: A Toro nem vállalja a felelősséget a nem megfelelő helyettesítő termék használatából eredő károkért, ezért használja megbízható, neves gyártók termékét.
| Anyagjellemzők: | ||
| Viszkozitás, ASTM D445 | 40 °C-on 44–48 cSt | |
| Viszkozitási index, ASTM D2270 | 140 vagy magasabb | |
| Dermedéspont, ASTM D97 | –-37 °C és –45 °C között | |
| Iparági előírások: | Eaton Vickers 694 (I-286-S, M-2950-S/35VQ25 vagy M-2952-S) | |
Note: Sok hidraulikafolyadék majdnem színtelen, ezért nehéz észrevenni a szivárgását. A hidraulikafolyadékhoz piros festékadalék kapható 20 ml-es palackban. A palack tartalma 15–22 l hidraulikafolyadékhoz elegendő. Rendelje meg 44-2500 cikkszámon a hivatalos Toro-forgalmazótól.
Important: A Toro által egyedüliként elfogadott, biológiailag lebomló szintetikus hidraulikafolyadék a Toro Premium Synthetic Biodegradable Hydraulic Fluid. Ez a folyadék kompatibilis a Toro hidraulika-rendszereiben használt elasztomerekkel, és széles hőmérséklet-tartományban használható. Ez a folyadék kompatibilis a hagyományos ásványi olajokkal, de maximális a teljesítménye, és biológiailag lebomlik. A hidraulika-rendszerből alaposan ki kell mosni a hagyományos folyadékot. Az olaj 19 l-es kannában és 208 l-es hordóban kapható a hivatalos Toro-márkakereskedésekben.
| Karbantartási időköz | Karbantartási intézkedés |
|---|---|
| Minden egyes használat előtt, vagy naponta |
|
Parkolja le a gépet sík talajon, engedje le a nyíróegységet, húzza be a rögzítőféket, állítsa le a motort és vegye ki az indítókulcsot.
Távolítsa el a zárósapkát a hidraulikatartályról (Ábra 78).

Vegye ki a nívópálcát a hidraulikatartályból, és törölje le egy tiszta ronggyal (Ábra 78).
Tegye vissza a nívópálcát a hidraulikatartályba.
Vegye ki a nívópálcát, és ellenőrizze a folyadék szintjét (Ábra 79).
Ha nyíróegység van felszerelve: a hidraulikafolyadék-szint akkor megfelelő, ha a nívópálca alsó két jelzése között van (Ábra 79, A). Az is elfogadható, ha a folyadékszint az alsó jelzések fölé esik.
Ha a hidraulikus hajtású munkaeszközhöz való tömlőkészlet van felszerelve: a hidraulikafolyadék-szint akkor megfelelő, ha a nívópálca felső két jelzése között van (Ábra 79, B).

Ha a folyadékszint a (felszerelt munkaeszköz függvényében; lásd az 5. lépést) megfelelő alsó jelzés alatt látható a nívópálcán, töltsön hidraulikafolyadékot a tartályba. Ismételje addig a 3–5. lépéseket, amíg a folyadékszint a nívópálca megfelelő két jelzése közé nem kerül.
Tegye vissza a nívópálcát és a zárósapkát a hidraulikatartályba.
A zárósapkát húzza meg kézzel.
Important: Ne használjon szerszámot a zárósapka meghúzásához.
Ellenőrizze az összes hidraulikatömlő és -szerelvény tömítettségét.
| Karbantartási időköz | Karbantartási intézkedés |
|---|---|
| Az első 1000 óra után |
|
| Minden 800 órában |
|
| Minden 1000 órában |
|
| Minden 2000 órában |
|
Ha a hidraulikafolyadék elszennyeződött, forduljon a hivatalos Toro-forgalmazóhoz; a rendszert át kell öblíteni. A szennyezett hidraulikafolyadék a tiszta folyadékhoz képest tejszerűnek vagy feketének tűnik.
Important: Használjon Toro-csereszűrőket; lásd a gép alkatrészjegyzékét. Bármilyen más szűrő használata érvénytelenítheti az egyes részegységekre vállalt garanciát.
Parkolja le a gépet sík talajon, engedje le a nyíróegységet, húzza be a rögzítőféket, állítsa le a motort és vegye ki az indítókulcsot.
Helyezzen el egy nagy olajleeresztő edényt a hidraulikafolyadék-tartály alá.
Távolítsa el a hidraulikatartály-zárósapkát és a nívópálcát.
Szerelje ki a leeresztőcsavart (Ábra 80) a tartály aljából, és engedje ki a hidraulikafolyadékot az edénybe.

Tisztítsa meg a szűrő rögzítési területének környékét.
Helyezzen egy olajleeresztő edényt a szűrő alá (Ábra 80), szerelje le a szűrőt, és folyassa ki a maradék olajat az edénybe.
Kenje meg az új szűrő tömítését és töltse fel a szűrőt hidraulikafolyadékkal.
Ellenőrizze, hogy a szűrő rögzítési területe tiszta, csavarja fel a szűrőt annyira, hogy a tömítése elérje a rögzítőlemezt, majd húzzon rá még ½ fordulatot.
Töltse fel a hidraulikatartályt hidraulikafolyadékkal; lásd A hidraulikafolyadék szintjének ellenőrzése.
Important: Csak a megadott hidraulikafolyadékot használja. Más folyadékok károsíthatják a rendszert.
Szerelje vissza a leeresztőcsavart, ha már nem áramlik kifelé a hidraulikafolyadék.
Szerelje vissza a nívópálcát és a tartály zárósapkáját.
Indítsa be a motort, és mozgassa át az összes hidraulikus kezelőszervet az alábbi sorrendben, hogy eloszlassa a hidraulikafolyadékot a rendszerben:
A menetpedál segítségével haladjon a géppel előre- és hátramenetben.
A kormánykerék segítségével térítse ki a kerekeket jobbra és balra végkitérésig.
Az emelőkapcsoló segítségével emelje fel és engedje le a munkaeszközt (pl. nyíróegységet).
Keressen esetleges szivárgást, ezután állítsa le a motort.
Ellenőrizze a folyadékszintet a hidraulikatartályban; lásd A hidraulikafolyadék szintjének ellenőrzése.
| Karbantartási időköz | Karbantartási intézkedés |
|---|---|
| Minden egyes használat előtt, vagy naponta |
|
| Minden 2 évben |
|
Ellenőrizze naponta a hidraulikavezetékeket és -tömlőket szivárgás, megcsavarodott tömlők, laza tartóelemek, kopás, időjárás miatti öregedés és kémiai elhasználódás szempontjából. A gép használatának megkezdése előtt végezze el az összes szükséges javítást.
Important: A fülke tömítéseinek tisztításakor körültekintően járjon el (Ábra 81). Nagynyomású mosóberendezés használatakor a vízsugarat legalább 0,6 m távolságra tartsa a géptől. Ne használjon nagynyomású mosóberendezést közvetlenül a fülke tömítésein, valamint a hátsó túlnyúló részek alatt.

| Karbantartási időköz | Karbantartási intézkedés |
|---|---|
| Minden 400 órában |
|
Távolítsa el a gombokat és rostélyokat a fülke hátsó túlnyúló részéből (Ábra 82).

Szerelje ki a légszűrőket a fülkéből.
Tiszta, olajmentes sűrített levegővel tisztítsa meg a szűrőket.
Important: Ha valamelyik szűrő lyukas, szakadt vagy egyéb módon sérült, cserélje ki.
Szerelje vissza a szűrőket a gombok és rostélyok segítségével (Ábra 82).
A fülkekondenzátor-szűrő feladata a nagyobb hulladékdarabok, például fű és levelek távol tartása a fülkekondenzátortól és a kondenzátorventilátortól.
Húzza meg egyenesen lefelé a szűrő fedelét.
Tisztítsa meg vízzel a kondenzátorszűrőt.
Note: Ne használjon nagynyomású mosót.
Important: Ha a szűrő lyukas, szakadt vagy egyéb módon sérült, cserélje ki.
Hagyja megszáradni a szűrőt, mielőtt visszaszereli a gépbe.
Fordítsa el a szűrőt a fülek körül, hogy a retesz beakadjon a reteszhorogegységbe (Ábra 83).

Note: Az ablakmosófolyadék-tartály a motor mellett található a gép jobb oldalán.
Vegye le a tartály sapkáját (Ábra 85).

Töltse fel a tartályt ablakmosó folyadékkal.
Tegye vissza a tartály sapkáját.
Állítsa le a motort, vegye ki az indítókulcsot, és várja meg, amíg az összes mozgó alkatrész leáll, csak ezután hagyja el a kezelőülést. Hagyja lehűlni a gépet, mielőtt beállítási, szervizelési, tisztítási vagy tárolási munkába kezd rajta.
Ne tárolja a gépet vagy az üzemanyagtartályt olyan helyen, ahol nyílt láng, szikra vagy őrláng fordul elő, mint például vízmelegítőkön vagy más eszközökön.
Important: A gép tisztítására ne használjon se sós vizet (brakkvíz), se tisztított szennyvizet.
Parkolja le a gépet sík talajon, húzza be a rögzítőféket, állítsa le a motort, vegye ki a kulcsot és várja meg, amíg minden mozgó alkatrész megáll, mielőtt elhagyja a gépet.
Tisztítsa meg alaposan a gépet, a nyíróegységet és a motort.
Important: Ne használjon nagynyomású mosót az elektromos kezelőszervek és a fülke tömítése közelében, mert károsodást okozhat.
Ellenőrizze és állítsa be a légnyomást a gumiabroncsokban; lásd A gumiabroncsok nyomásának ellenőrzése.
Ellenőrizze a hidraulikus vezetékeket és tömlőket; végezze el a szükséges javítást.
Ellenőrizze a hidraulikafolyadék szintjét; lásd A hidraulikafolyadék szintjének ellenőrzése.
Szerelje le, élezze meg, egyensúlyozza ki és szerelje vissza a nyíróegység késeit.
Ellenőrizze a kötőelemek meghúzott állapotát, szükség esetén húzza meg azokat.
Kenje meg az összes zsírzószemet és olajozza meg a forgáspontokat. Törölje le a felesleges kenőanyagot.
Finoman csiszolja meg és fesse le javítófestékkel a festett területet ott, ahol az megkarcolódott, lepattogzott vagy rozsdás lett. Javítson ki minden horpadást a fémvázon.