Important: Den här satsen kan endast installeras på Groundsmaster e3200-maskiner med serienummer 417500000 och högre.
Parkera maskinen på en plan yta.
Säkerställ att parkeringsbromsen är inkopplad.
Stäng av maskinen och ta ut nyckeln.
Vrid batteribortkopplingsbrytaren till det AVSTäNGDA läget.
Delar som behövs till detta steg:
| Backningssignal | 1 |
| Monteringsfäste | 1 |
| Sexkantsskruv (¼ x ¾ tum) | 2 |
| Flänsmutter (¼ tum) | 2 |
| Kablage | 1 |
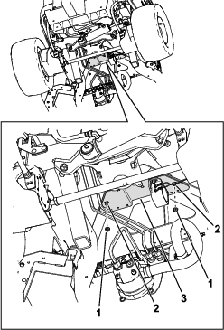
Använd bultarna och muttrarna för att fästa signalenheten på monteringsfästet (Figur 1).

Använd de befintliga muttrarna på signalenheten för att fästa kablagets ringkopplingar på signalenheten (Figur 2).

Använd de befintliga bultarna och muttrarna från huvstödsfästet för att fästa monteringsfästet på traktorenhetens ram (Figur 3).

Använd ett kabelband och ett tryckfästelement för att fästa kablaget på maskinramen (Figur 4).

Höj upp huven och dra kablagets kabel (Figur 5) mot kontakterna ovanför hydraultanklocket och anslut den till maskinens kablagekontakt som är märkt DRIVING LIGHT KIT POWER (ström till ljussats).

Utför följande steg för att säkerställa att backningssignalen fungerar.
Vrid batteribortkopplingsbrytaren till det PåSLAGNA läget.
Sätt dig i förarsätet, fäst säkerhetsbältet, slå på maskinen och tryck ned gaspedalens nederdel för att backa traktorenheten.
Lyssna efter signalljudet.