Important: Questo kit può essere installato su macchine Groundsmaster e3200 solo se dotate di un numero di serie pari a 417500000 o successivo.
Parcheggiate la macchina su un terreno pianeggiante.
Verificate che il freno di stazionamento sia inserito.
Spegnete la macchina e togliete la chiave.
Girate l'interruttore di scollegamento della batteria in posizione di SPEGNIMENTO.
Parti necessarie per questa operazione:
| Allarme allarme di retromarcia | 1 |
| Staffa di montaggio | 1 |
| Bullone a testa esagonale (¼" x ¾") | 2 |
| Dado flangiato (¼") | 2 |
| Cablaggio preassemblato | 1 |
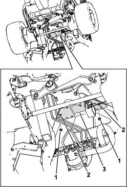
Utilizzate i bulloni e i dadi per fissare l'allarme alla staffa di montaggio (Figura 1).

Utilizzate i dadi presenti sull'allarme per fissare i terminali ad anello del cablaggio preassemblato all'allarme (Figura 2).

Utilizzate i bulloni e i dadi presenti sulla staffa di supporto del cofano per fissare la staffa di montaggio al telaio del trattorino (Figura 3).

Utilizzate una fascetta per cavi e una chiusura a pressione per fissare il cablaggio preassemblato al telaio della macchina (Figura 4).

Sollevate il cofano e instradate il terminale del cablaggio preassemblato (Figura 5) in direzione dei connettori che si trovano sopra al tappo del serbatoio idraulico e collegate il terminale al connettore del cablaggio preassemblato della macchina contrassegnato come ALIMENTAZIONE KIT LUCI GUIDA.

Effettuate i seguenti passaggi per assicurarvi che l'allarme di retromarcia funzioni.
Girate l'interruttore di scollegamento della batteria in posizione di ACCENSIONE.
Sedetevi al posto di guida, allacciate la cintura di sicurezza, accendete la macchina e premete la base del pedale della trazione per far muovere il trattorino in retromarcia.
Ascoltate per sentire il suono dell'allarme.