Important: Dieses Kit kann nur in Groundsmaster e3200 Maschinen mit einer Seriennummer von 417500000 und höher installiert werden.
Stellen Sie die Maschine auf einer ebenen Fläche ab.
Vergewissern Sie sich, dass die Feststellbremse angezogen ist.
Stellen Sie den Motor ab und ziehen Sie den Zündschlüssel ab.
Stellen Sie den Trennschalter des Akkus in die AUS-Stellung.
Für diesen Arbeitsschritt erforderliche Teile:
| Rückfahralarm | 1 |
| Befestigungshalterung | 1 |
| Sechskantschraube (¼" x ¾") | 2 |
| Bundmutter (¼") | 2 |
| Kabelbaum | 1 |
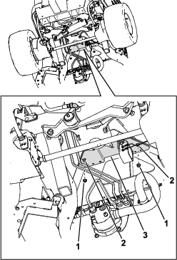
Befestigen Sie den Rückfahralarm mit den Schrauben und Muttern an der Befestigungshalterung (Bild 1).

Verwenden Sie die vorhandenen Muttern des Rückfahralarms, um die Ringkabelschuhe des Kabelbaums am Rückfahralarm zu befestigen (Bild 2).

Verwenden Sie die vorhandenen Schrauben und Muttern der Haubenstützhalterung, um die Befestigungshalterung am Rahmen der Zugmaschine zu befestigen (Bild 3).

Verwenden Sie einen Kabelbinder und eine Druckbefestigung, um den Kabelbaum am Rahmen der Maschine zu befestigen (Bild 4).

Öffnen Sie die Haube und verlegen Sie den Kabelbaumstrang (Bild 5) zu den Anschlüssen oberhalb des Hydraulikbehälterdeckels und schließen Sie ihn an den Kabelbaumanschluss der Maschine mit der Bezeichnung DRIVING LIGHT KIT POWER an.

Führen Sie die folgenden Schritte aus, um die Funktion des Rückfahralarms zu überprüfen.
Stellen Sie den Trennschalter des Akkus in die EIN-Stellung.
Setzen Sie sich auf den Fahrersitz, legen Sie den Sicherheitsgurt an, starten Sie die Maschine ein und drücken Sie das untere Ende des Fahrpedals, um die Zugmaschine rückwärts zu bewegen.
Hören Sie auf den Alarmton.