Important: Este kit puede instalarse en máquinas Groundsmaster e3200 únicamente con número de serie 417500000 y superiores.
Aparque la máquina en una superficie nivelada.
Asegúrese de que el freno de estacionamiento está puesto.
Apague la máquina y retire la llave.
Gire el interruptor de desconexión de las baterías a la posición de APAGADO.
Piezas necesarias en este paso:
| Alarma de marcha atrás | 1 |
| Soporte de montaje | 1 |
| Perno de cabeza hexagonal (¼" × ¾") | 2 |
| Tuerca con arandela prensada (¼") | 2 |
| Arnés de cables | 1 |
Utilice los pernos y las tuercas para fijar la alarma al soporte de montaje (Figura 1).

Utilice las tuercas existentes de la alarma para fijar los terminales de anillo del arnés de cables a la alarma (Figura 2).

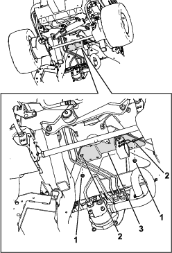
Utilice los pernos y las tuercas existentes del soporte del capó para fijar el soporte de montaje al bastidor de la unidad de tracción (Figura 3).

Utilice una brida y una grapa de fijación para sujetar el arnés de cables al bastidor de la máquina (Figura 4).

Levante el capó y enrute el ramal del arnés de cables (Figura 5) hacia los conectores situados encima del tapón del depósito hidráulico, y conéctelo al conector del arnés de cables de la máquina marcado DRIVING LIGHT KIT POWER.

Realice los pasos indicados a continuación para asegurarse de que la alarma de marcha atrás funciona.
Ponga el interruptor de desconexión de la batería en la posición de CONECTADO.
Siéntese en el asiento del operador, abroche el cinturón de seguridad, encienda la máquina y presione la parte inferior del pedal de tracción para desplazar la unidad de tracción hacia atrás.
La alarma debe sonar.