Important: Dette settet kan kun monteres på Groundsmaster e3200-maskiner med et serienummer på 417500000 eller høyere.
Parker maskinen på en jevn flate.
Kontroller at parkeringsbremsen er aktivert.
Slå av maskinen og ta ut nøkkelen.
Vri batterifrakoblingsbryteren til AV-posisjonen.
Deler som er nødvendige for dette trinnet:
| Ryggealarm | 1 |
| Monteringsbrakett | 1 |
| Sekskantskrue (¼ x ¾ tomme) | 2 |
| Flensmutter (¼ tomme) | 2 |
| Ledningssats | 1 |
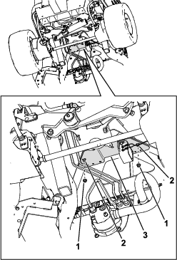
Bruk boltene og mutterne til å feste alarmen til festebraketten (Figur 1).

Bruk de eksisterende mutterne på alarmen til å feste ledningssatsens ringklemmer til alarmen (Figur 2).

Bruk de eksisterende boltene og mutterne fra panserstøttebraketten for å feste monteringsbraketten til rammen for trekkenheten (Figur 3).

Bruk et kabelfeste og et skyvefeste til å feste ledningssatsen til maskinrammen (Figur 4).

Åpne panseret og før ledningssatsenheten (Figur 5) mot kontaktene over hydraulikktanklokket og koble den til maskinens ledningssatskontakt merket DRIVING LIGHT KIT POWER (strøm til fjernlyssett).

Utfør følgende trinn for å sikre at ryggealarmen fungerer.
Vri batterifrakoblingsbryteren til På-stillingen.
Sitt i førersetet, fest sikkerhetsbeltet, slå på maskinen og trykk på bunnen av trekkraftspedalen for å rygge trekkenheten.
Lytt etter alarmlyden.