Important: Tämä sarja voidaan asentaa Groundsmaster e3200 ‑koneisiin, joiden sarjanumero on 417500000 tai suurempi.
Pysäköi kone tasaiselle alustalle.
Varmista, että seisontajarru on kytkettynä.
Sammuta kone ja irrota virta-avain.
Käännä akun eristyskytkin POIS-asentoon.
Vaiheeseen tarvittavat osat:
| Peruutushälytin | 1 |
| Asennuskannatin | 1 |
| Kuusiokantapultti (¼ × ¾ tuumaa) | 2 |
| Laippamutteri (¼ tuumaa) | 2 |
| Johdinsarja | 1 |
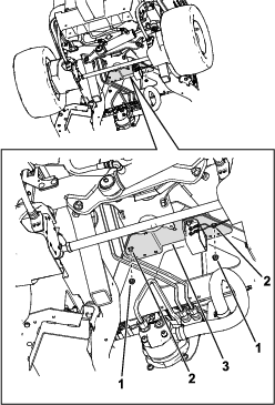
Kiinnitä hälytin pulteilla ja muttereilla asennuskannattimeen (Kuva 1).

Kiinnitä johdinsarjan rengasliittimet hälyttimeen hälyttimen nykyisillä muttereilla (Kuva 2).

Kiinnitä asennuskannatin ajoyksikön runkoon konepellin tukikannattimessa olevilla pulteilla ja muttereilla (Kuva 3).

Kiinnitä johdinsarja koneen runkoon nippusiteellä ja painettavalla kiinnittimellä (Kuva 4).

Nosta konepelti ja vedä johdinsarjan pää (Kuva 5) kohti hydraulinestesäiliön korkin yläpuolella olevia liittimiä ja kytke se koneen johdinsarjan liittimeen, jossa on merkintä DRIVING LIGHT KIT POWER.

Varmista peruutushälyttimen toiminta suorittamalla seuraavat vaiheet.
Käännä akun eristyskytkin PääLLä-asentoon.
Istu käyttäjän istuimelle, kiinnitä turvavyö, käynnistä kone ja liikuta ajoyksikköä taaksepäin painamalla ajopolkimen alaosaa.
Kuuntele, kuuluuko äänimerkki.