Important: Dette settet kan kun monteres på Groundsmaster e3200-maskiner med serienummer 417500000 og oppover.
Parker maskinen på en jevn flate.
Påse at parkeringsbremsen er på. Se brukerhåndboken.
Senk klippeenheten (hvis utstyrt).
Slå av maskinen og ta ut nøkkelen.
Vri batterifrakoblingsbryteren til AV-posisjonen.
Deler som er nødvendige for dette trinnet:
| Monteringsbrakett | 2 |
| Låsebolt (¼ x 2 tommer) | 4 |
| Låsemutter (¼ tomme) | 2 |
| Sekskantskrue (1/4 x 3/4 tomme) | 2 |
| Flensmutter (¼ tomme) | 2 |
| Blinklys | 1 |
| Ledningssats | 1 |
| Kabelfeste | 2 |
| Sikringsdeksel | 1 |
| Vingeskrue | 2 |
| Låseskive | 2 |
| Skrue (nr. 10 x 3/8 tomme) | 2 |
| Flerfunksjonsbryter | 1 |
| Hullplugg | 3 |
| Vippebryter | 1 |
| Kontrolldeksel | 1 |
| Sekskantskrue (1/4 x 3/4 tomme) | 6 |
| Bryterklemme | 2 |
| Støtnagle | 2 |
Monter bryterfestet rundt rattstammen med fire låsebolter (¼ x 2 tommer), to monteringsbraketter, sikringsmonteringsplate og fire låsemuttere (¼ tomme) som vist i Figur 3.

Monter flerfunksjonsbryteren på bryterfestet, og fest den med bryterklemmene under hullet for bryteren (Figur 4).

Monter vippebryteren og hullpluggene inn i bryterfestet (Figur 5).

Monter blinklyset på sikringsmonteringsplaten med en skrue (nr. 10 x ⅜ tomme) som vist i Figur 6.

Fest blinklyset med et kabelfeste (Figur 7).
Koble ledningssatsen inn i vippebryteren og flerfunksjonsbryteren (Figur 7).

Koble ledningssatsen til blinklyset (Figur 7).
Løsne boltene rundt rattstammebasen (Figur 8).
Løft opp basen, og bor et hull på 22 mm som vist i Figur 8.
Bruk av drill uten egnede vernebriller kan føre til at det kommer rusk inn i øynene og forårsake skade.
Bruk alltid vernebriller når du borer.

Før ledningssatsen gjennom hullet du boret i basen.
Monter sikringsdekslet på bryterfestet med to vingeskruer og to låseskiver (Figur 9).
Note: Påse at låseskivene er montert på innsiden av sikringsdekslet (Figur 9).

Juster kontrollenheten, slik at bryterne er tilgjengelige.
Stram alle festene.
Monter kontrolldekslet på bryterfestet med to støtnagler og seks sekskantskruer (¼ x ¾ tomme) som vist i Figur 10.

Deler som er nødvendige for dette trinnet:
| Venstre lysfeste | 1 |
| Høyre lysfeste | 1 |
| Venstre lysenhet | 1 |
| Høyre lysenhet | 1 |
| Bolt med halvrundt hode (¼ x ⅝ tomme) | 6 |
| Låsemutter (⅜ tomme) | 4 |
| Kryssfeste for lys | 1 |
Fjern festebraketten fra plattformen (Figur 11).
Ta vare på delene.

Fest kryssfestet for lys til plattformen ved hjelp av de tidligere fjernede boltene, mutterne og festebraketten (Figur 12).

Fest det venstre lysfestet og det høyre lysfestet til kryssfestet for lys ved hjelp av tre bolter med halvrundt hode (¼ x ⅝ tomme) gjennom hastighetsmutterne på hver side (Figur 13).

Fest den venstre lysenheten og den høyre lysenheten til det venstre lysfestet og det høyre lysfestet ved å bruke låseskiven og sekskantmutteren på lysenhetene (Figur 14).
Note: Monter lysene med den lave strålen mot ytterkanten av maskinen.Se på bunnen av lysene for høy stråle og lav stråle retning.

Deler som er nødvendige for dette trinnet:
| Venstre feste | 1 |
| Høyre feste | 1 |
| Venstre korte feste | 1 |
| Høyre korte feste | 1 |
| Høyre lange feste | 1 |
| Låsebolt (5/16 x ¾ tomme) | 6 |
| Flensmutter (5/16 tomme) | 6 |
| Låsebolt (¼ x ⅝ tomme) | 4 |
| Låsemutter (¼ tomme) | 9 |
| Indre monteringsenhet | 2 |
| Baklys | 2 |
| Flathodeskrue (nr. 10 x 1¼ tomme) | 4 |
| Flensmutter (nr. 10) | 4 |
| Sekskantskrue (⅜ x 3¼ tomme) | 4 |
| Låsemutter (⅜ tomme) | 4 |
| Markørfeste | 1 |
| Hurtigplatefeste | 1 |
| Låsebolt (¼ x ½ tomme) | 5 |
| Hornmonteringsbrakett | 1 |
| Horn | 1 |
| Hastighetsmerke | 3 |
| Venstre lyshus | 1 |
| Høyre lyshus | 1 |
Fjern flensehodebolten (⅜ x 3 tommer) og flensmutteren (⅜ tomme) som monterer støtfangeren til den bakre rørrammen, fra hver side av støtfangeren (Figur 15).

Hev batteriholderen litt, og sett inn venstre og høyre feste mellom batteriholderen og rørrammen (Figur 16).

Fest venstre og høyre feste til de bakre rammerørene med fire sekskantskruer (⅜ x 3¼ tomme) og fire låsemuttere (⅜ tomme) på hver side (Figur 17).

Fest venstre korte feste til venstre feste med to låsebolter (5/16 x ¾ tomme) og to flensmuttere (5/16 tomme) som vist i Figur 18.

Utfør følgende trinn for klippeenheten som er utstyrt på maskinen din:
Modell 31980 utstyrt: Fest høyre lange feste (Figur 19) til høyre feste med to låsebolter (5/16 x ¾ tomme) og to flensmuttere (5/16 tommer).
Modell 31981 utstyrt: Fest høyre korte feste (Figur 19) til høyre feste med to låsebolter (5/16 x ¾ tomme) og to flensmuttere (5/16 tomme).

Fest det venstre lyshuset og det høyre lyshuset til det venstre korte festet og det høyre korte festet ved hjelp av fire låsebolter (¼ x ⅝ tomme) og fire låsemuttere (¼ tomme) som vist i Figur 20.

Påfør et hastighetsmerke på hastighetsplatefestet (Figur 21).

Monter hurtigplatefestet til markørfestet med fem låsebolter (¼ x ½ tomme) og fem låsemuttere (¼ tomme) som vist i (Figur 22).

Fjern de tolv plastpluggene som vist i Figur 23, fra panseret.

Fjern platen under panserdekselet (Figur 24).

Monter de fem pluggene på panserdekselet som du beholdt i trinn 10.
Hev panseret. Se brukerhåndboken for trekkenheten.
Bruk den eksisterende mutteren på hornet for å montere hornet til hornmonteringsbraketten (Figur 25).

Bruk to låsebolter (5/16 x ¾ tomme) og to flensmuttere (5/16 tomme) fra panserets støttebrakett for å montere hornmonteringsbraketten til trekkenhetsrammen (Figur 26).

Påfør hastighetsmerkene på hver side av panseret (Figur 27).

Deler som er nødvendige for dette trinnet:
| Lysledningssats | 1 |
| Flat skive | 3 |
| Sokkelskrue med sekskanthode (¼ x 1 tomme) | 3 |
| Klemme | 3 |
| Flensmutter (1/4 tomme) | 3 |
| Indre monteringsenhet | 2 |
| Baklys | 2 |
| Flathodeskrue (nr. 10 x 1¼ tomme) | 4 |
| Flensmutter (nr. 10) | 4 |
| Bolt med halvrundt hode (¼ x ¾ tomme) | 8 |
| Skiltlys | 1 |
| Skrue (nr. 6 x 1 tomme) | 2 |
| Låsemutter (nr. 6) | 2 |
| Bakfeste | 2 |
| Flenshodebolt (¼ x ¾ tomme) | 4 |
| Låsemutter (¼ tomme) | 4 |
| Kabelfeste | 9 |
Se de følgende figurene og instruksjonene for å føre lysledningssatsen.

Før ledningssatskontakten merket (venstre frontlys) til venstre side på enheten (Figur 28). Koble ledningssatsen til lyset.
Før ledningssatskontakten merket (høyre frontlys) til høyre side på enheten (Figur 28). Koble ledningssatsen til lyset.
Før ledningssatskontakten merket (venstre frontlys) til bakre venstre side på enheten (Figur 28).
Før ledningssatskontakten merket (høyre frontlys) til bakre høyre side på enheten (Figur 28).
Før ledningssatskontakten merket til hornet. Koble ledningssatsen til hornet (Figur 29).

Fest baklysene til de indre monteringsenhetene med fire flathodeskruer (nr. 10 x 1¼ tomme) og fire flensmuttere (nr. 10) som vist i Figur 30.

Koble til ledningssatskontakten merket (venstre frontlys) til baklyset (Figur 28).
Koble til ledningssatskontakten merket (høyre frontlys) til baklyset (Figur 28).
Fest de monterte baklysene til baklyshusene ved hjelp av åtte bolter med halvrundt hode (¼ x ¾ tomme) som vist i Figur 31.
Sørg for at du monterer baklysene med den gule linsen på toppen (Figur 30 og Figur 31).

Før ledningssatskontakten merket (nummerskiltlys) gjennom panseret og koble den til nummerskiltlyset (Figur 32).

Fest ledningssatsen til panseret med tre sokkelskruer med sekskanthode (¼ x 1 tomme), tre flate skiver, tre klemmer og 3 flensmuttere (¼ tomme) som vist i Figur 32.
Fest det monterte hurtigplatefestet til panseret ved hjelp av fire flenshodebolter (¼ x ¾ tomme), to bakfester og fire låsemuttere (¼ tomme) som vist i Figur 33.

Monter skiltlyset til det monterte hastighetsplatefestet med to låsemuttere (nr. 6) og to skruer (#6 x 1 tomme) som vist i Figur 34.

Koble ledningssatsen til skiltlyset (Figur 34).
Monter kabelfestene til ledningssatsen som vist i Figur 28.
Deler som er nødvendige for dette trinnet:
| Kontrolledningssats | 1 |
| Kabelfeste | 2 |
Før kontrolledningssatsen gjennom plattformåpningen (Figur 35).

Koble ledningssatskontakten merket PLATFORM HARNESS (P71) (ledningssats for plattform) til ledningssatskontakten for lyset merketTO POD HARNESS (P03) (til Pod-ledningssats) (Figur 35).
Monter kabelfestene til kontrolledningssatsen som vist i Figur 35.
Deler som er nødvendige for dette trinnet:
| Serieplate | 1 |
| Serieplate teip | 1 |
Stemple serienummeret inn i rammen.
Tekststørrelsen må være 7 mm eller større.
Stemple den aktuelle informasjonen på serienummerplaten.
Tørk av bunnen av rammen og den serienummerplaten med et alkoholbasert stoff (Figur 36).

Påfør teipen på serienummerplaten.
Monter platen på rammen (Figur 37).
Bruk dimensjonene som vises i Figur 38.


Deler som er nødvendige for dette trinnet:
| Høyspenningsmerke | 11 |
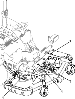
Bruk høyspenningsmerkene på følgende områder på trekkenheten og klippeenheten:
Klippeenhetsmotorer (Figur 39)
Klippeenhetens kontrollerdeksel (Figur 39)
Laderport/strømfrakoblingsbryter (Figur 41)
Kanalstøtter i batterirommet (Figur 40)
Kun for Groundsmaster e3300-maskiner: Bakhjulsmotorer (Figur 42)




Deler som er nødvendige for dette trinnet:
| Kabelrør (147 cm) | 1 |
| Kabelrør (51 cm) | 3 |
Monter et kabelrør (147 cm) på koblingskabelen til klippeenheten.
Monter kabelrørene (51 cm) på de tre motorkablene for klippeenheten.

Vri batterifrakoblingsbryteren til På-posisjonen.