Park the machine on a level surface.
Engage the parking brake.
Shut off the engine and remove the key.
Allow the engine to cool.
Disconnect the battery; refer to your machine Operator’s Manual.
Parts needed for this procedure:
| Wire harness | 1 |
| Cable tie | 8 |
| Indicator light (for Models 04510 and 04520 only) | 1 |
| Audio alarm | 1 |
| Spout | 1 |
Remove the hex-head screws that secure the console arm cover and remove the cover.
Note: Save the screws for securing the console arm cover later.
Route the wire harness by positioning the light indicator and alarm leads in the console arm, following the main wire harness under the seat to the other side of the machine, and then behind the seat along the left-hand rail, so that the oil-level sensor and solenoid-valve leads are near the main-hydraulic tank (diesel model only).
Refer to Figure 1 for an overview of the wire-harness position and the connector locations.

Use cable ties to secure the wire harness to the main wire harness and frame members away from any hot or moving parts (for diesel model only).
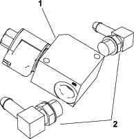
For Models 04510 and 04520, remove the plug on the console arm panel and insert the indicator light.
For Models 04510 and 04520, connect the indicator-light connector to the main wire harness (gasoline model only) or to the kit wire harness (diesel model only).
Install the audio alarm into the console-arm frame (Figure 2).

Connect the audio alarm to the main wire harness (gasoline model only) or to the kit wire harness (diesel model only).
If your machine is equipped with an overflow hose, loosen the worm-drive clamps and remove the overflow hose (Figure 3).
Note: Discard the overflow hose and worm-drive clamps.

Remove the 4 bolts, washers, spacers, and rubber washers that secure the tank cover to the main-hydraulic tank.
Note: Save the bolts, spacers, and washers for securing the leak-detector tank to the main-hydraulic tank later.
Remove the tank cover from the main-hydraulic tank.
Remove the plug from the hydraulic tank (if equipped); refer to Figure 4.

Insert the spout into the rubber grommet (Figure 4).
Parts needed for this procedure:
| Leak-detector tank | 1 |
| Oil-level sensor | 1 |
| O-ring | 1 |
| Valve hose | 1 |
| Tank-valve hose | 1 |
| Hex-head bolt (1/4 x 2 inches) | 2 |
| Shield bracket | 1 |
| Hose clamp | 4 |
| Solenoid-valve assembly | 1 |
| Jumper cable | 1 |
| Straight fitting | 1 |
| 90° hydraulic fitting | 2 |
| 90° hydraulic fitting (beaded) | 1 |
| Delay timer (diesel model only) | 1 |
| Screw (5/8 inch) | 1 |
| Locknut | 1 |
| Oil-level cover (diesel model only) | 1 |
| Oil-level cover (gasoline model only) | 1 |
| Oil-level cover (Greensmaster 3250 model only) | 1 |
| Overflow hose | 1 |
| Worm-drive clamp | 2 |
Find the appropriate oil-level cover for your machine from loose parts.
There are 2 different oil-level covers in the kit, 1 for gasoline machines and the other for diesel machines. The cover for the diesel machine is longer than the cover for the gasoline machine and may have a “D” etched in it.
Use the screw (5/8 inch) and locknut to install the delay timer on the oil-level cover (diesel TriFlex models and Greensmaster 3250 models only); refer to Figure 5 or Figure 6.


Set the oil-level cover in place, but do not secure it to the main-hydraulic tank yet (Figure 5).
Install 2 hydraulic fittings (90°) onto the front and back of the solenoid valve (Figure 7).
Note: Position the 90° hydraulic fittings so that the hoses that attach to them are parallel to the ground when installed.

Install the 90° beaded hydraulic fitting to the main-hydraulic tank (Figure 8).

Install the jumper cable connector labeled P02 to the solenoid. Connect the jumper cable connector labeled P01 to the main wire harness.

Install 1 end of the tank-valve hose to the 90° hydraulic fitting connected to the front of the solenoid valve with a worm-drive clamp.
Slip a worm-drive clamp over the other end of the tank-valve hose.
Connect the free end of the tank-valve hose onto the 90° beaded hydraulic fitting on the main-hydraulic tank as you lower the solenoid-valve assembly onto the oil-level cover.
Install the oil-level cover and solenoid-valve assembly to the main-hydraulic tank with 2 hex-head bolts and the shield bracket (Figure 5).
Note: Before installing the bolts, coat the bottom 2 or 3 threads with anti-seize compound.
Torque the bolts to 3 to 7 N∙m (30 to 60 in-lb).
Secure the tank-valve-hose end onto the 90° beaded hydraulic fitting with the worm-drive clamp.
Install the straight-hydraulic fitting into the opening on the underside of the leak-detector tank (Figure 10).

Secure 1 end of the valve hose to the 90° hydraulic fitting connected to the back of the solenoid valve with a worm-drive clamp.
Slip a worm-drive clamp over the free end of the valve hose, and secure the end of the valve hose to the straight-hydraulic fitting on the leak-detector tank.
Use 2 worm-drive clamps to secure the overflow hose to the leak-detector tank and the hydraulic tank (Figure 3).
Connect the delay time connector to the connector on the wire harness (diesel model only).
Connect the solenoid-valve connector to the connector marked “Leak Detector Solenoid” on the wire harness.
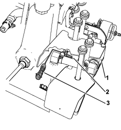
Remove the plug from the main-hydraulic tank (Figure 11).

Slide the O-ring onto the hydraulic-oil-level sensor and install the sensor into the hydraulic tank (Figure 11).
Important: Ensure that the indicator arrow on each side of the nut that secures the hydraulic-oil-level sensor points downward (Figure 11).
Connect the oil-level sensor connector to the connector marked “Leak Detector Switch” on the wire harness.
Secure the leak-detector tank onto the main-hydraulic tank with the 4 bolts, washers, spacers, and rubber washers that you previously removed.
Torque the bolts to 3.4 to 6.7 N∙m (30 to 60 in-lb).
Ensure that all the fittings are tight.
Parts needed for this procedure:
| Plug | 1 |
| Dipstick | 1 |
Remove and discard the breather and top off the main-hydraulic tank with hydraulic fluid (Figure 12).

Install a plug in place of the breather (Figure 12).
Trim the dipstick to the marked trim line shown in Figure 13. Ensure that the trimmed end is smooth; deburr the end as needed.

Fill the leak-detector tank according to the characteristics of your leak-detector tank, as follows:
If your leak-detector tank has a sight window:
Fill the leak-detector tank with hydraulic fluid until the fluid level is at the middle of the sight window.
If your leak-detector tank does not have a sight window:
Fill the leak-detector tank with hydraulic fluid until the fluid level is at the middle of the fill marks on the dipstick; refer to Figure 13.
Install the dipstick on the leak-detector tank (Figure 14).

Install the console arm cover using the hex-head screws that you previously removed.
Connect the battery; refer to your machine Operator’s Manual.
The leak detector system is designed to assist in early detection of hydraulic-fluid-system leaks. If the fluid level in the main-hydraulic reservoir is lowered by 118 to 177 ml (4 to 6 fl oz), the float switch in the tank will close. After a 1 second delay, the alarm sounds, alerting the operator (Figure 17). Expansion of fluid, due to normal heating during machine operation, causes the fluid to transfer into the auxiliary-fluid reservoir. The fluid returns to the main tank when you turn off the ignition switch.



With the ignition switch in the ON position, move the leak-detector switch rearward and hold. After the 1-second delay elapses, the alarm should sound.
Release the leak-detector switch.
Move the ignition switch to the ON position. Do not start the engine.
Remove the hydraulic-tank cap from the neck of the tank.
Insert a clean rod or screwdriver into the tank neck and gently push down on the float switch (Figure 18); the alarm should sound after the 1-second delay.

Release the float; the alarm should stop sounding.
Install the hydraulic-tank cap.
Move the ignition switch to the OFF position.
The leak-detector alarm may sound for 1 of the following reasons:
A leak of 118 to 177 ml (4 to 6 fl oz) has occurred.
The fluid level in the main reservoir is reduced by 118 to 177 ml (4 to 6 fl oz) due to contraction of the fluid by cooling.
If the alarm sounds, turn off the machine as quickly as possible and inspect it for leaks. If the alarm sounds while operating on a green, drive off the green first. Determine the source of the leak and repair it before continuing operation.
If you do not find a leak and suspect a false alarm, move the ignition switch to the OFF position and allow the machine to stand for 1 to 2 minutes to allow the fluid levels to stabilize. Then start the machine and operate it in a non-sensitive area to confirm that no leak exists.
False alarms, due to fluid contraction, may be caused by extended idling of the machine after normal operation. A false alarm may also occur if you work the machine at a reduced workload after an extended period of a heavier workload. To avoid false alarms, turn the machine off rather than idling for extended periods.