维护
Note: 请根据正常操作位置来判定机器的左侧和右侧。
推荐使用的维护计划
| 维护间隔时间 | 维护程序 |
|---|---|
| 初次使用2小时后 |
|
| 初次使用10小时后 |
|
| 在每次使用之前或每日 |
|
| 每次使用之后 |
|
| 每50个小时 |
|
| 每400个小时 |
|
日常维护检查表
复印本页以供日常使用。
| 维护检查项 | 第____周: | ||||||
|---|---|---|---|---|---|---|---|
| 周一 | 周二 | 周三 | 周四 | 周五 | 周六 | 周日 | |
| 检查处于下方位置的草折流板(如适用) | |||||||
| 检查轮胎气压 | |||||||
| 检查刀片的状况 | |||||||
| 给所有黄油嘴加润滑脂1 | |||||||
| 为掉漆部分补漆 | |||||||
|
1. 不管间隔多久,每次清洗后立即执行。 |
|||||||
| 疑点记录 | ||
| 检查人员: | ||
| 项目 | 日期 | 情况 |
小心
如果将钥匙留在点火开关上,可能会有人无意中启动发动机,对您或其他旁观者造成严重伤害。
执行任何维护前,请拔下点火钥匙。
Important: 本机器护罩上的紧固件可在拆卸后依然保留在护罩上。将各个护罩上的所有紧固件都拧松几圈,这样护罩虽然松开但仍与机器相连,然后进一步拧松各紧固件,直到护罩完全松脱。这样可以防止螺栓与卡环意外脱离。
润滑
检查齿轮箱润滑油
| 维护间隔时间 | 维护程序 |
|---|---|
| 每50个小时 |
|
| 每400个小时 |
|
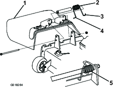
齿轮箱经专门设计,可使用 SAE 80W–90 齿轮润滑油。尽管齿轮箱在出厂时带有润滑油,但在操作滚刀组之前,请检查油位。齿轮箱容量为 283ml。
-
将机器和滚刀组停放在水平地面上。
-
请从齿轮箱顶部拆下量油尺/加油塞(图 23),确保润滑油介于量油尺上的标记之间。如果润滑油油位较低,请添加足够的润滑油,直至油位介于标记之间。

取下护罩
Important: 本机器护罩上的紧固件可在拆卸后依然保留在护罩上。将各个护罩上的所有紧固件都拧松几圈,这样护罩虽然松开但仍与机器相连,然后进一步拧松各紧固件,直到护罩完全松脱。这样可以防止螺栓与卡环意外脱离。
将滚刀组与主机分离
将滚刀组安装到主机上
维修脚轮臂内的轴套
脚轮臂将轴套压入管的顶部和底部,运行几个小时后,轴套会磨损。
要检查轴套,请前后左右移动脚轮叉。如果脚轮锭轴在轴套内松动,表明轴套磨损;请更换轴套。
-
提起滚刀组,使脚轮离开地面。挡住滚刀组以防止意外坠落。
-
从脚轮锭轴顶部卸下张紧帽、隔片和止推垫圈。
-
将脚轮锭轴拉出安装管。止推垫圈和隔片可以保留在锭轴的底部。
-
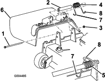
将销冲头插入安装管的顶部或底部,然后将轴套从管中推出(图 27)。以同样的方式,将另一个轴套推出安装管。清洁安装管内部的任何污垢。

-
在新轴套的内外涂抹润滑脂。使用锤子和平板将衬套敲入安装管。
-
检查脚轮锭轴是否磨损,如果损坏则更换。
-
将脚轮锭轴推过轴套和安装管,将止推垫圈和隔片滑到锭轴上,然后将张紧帽安装到脚轮锭轴上。
维修脚轮和轴承
维修剪草刀片
刀片安全
磨损或受损的刀片可能会断裂,刀片碎片可能被抛掷到您或旁观者所在的区域,导致严重人身伤害甚至死亡事故。
-
定期检查刀片是否磨损或损坏。
-
检查刀片时需小心谨慎。维护刀片时,请把刀片包起来或戴上手套并极其小心。仅更换或磨快刀片;切勿拉直或焊接刀片。
-
使用多刀片机器时应小心谨慎,因为 1 个刀片旋转可能导致其他刀片跟着旋转。
检查刀片是否弯曲
拆装刀片
如果刀片受到坚硬物体的撞击、失去平衡、发生磨损或弯曲,必须更换。始终使用 Toro 真品更换刀片,以保证安全和最佳性能。切勿使用其他制造商制造的刀片,因为它们可能造成危险。
-
将滚刀组提升至最高位置,接合手刹,关闭发动机,然后拔下点火钥匙。挡住滚刀组以防止意外坠落。
-
使用抹布或厚垫手套抓住刀片的端部。卸掉刀片螺栓、防刮罩,并从锭轴上取下刀片 (图 30)。

-
使用防刮罩和刀片螺栓安装刀片,刀翼面向滚刀组。上紧刀片螺栓扭矩至 115~149N∙m。
Important: 刀片的曲面必须指向滚刀组的内部,确保适当的剪草。
检查并磨快刀片
| 维护间隔时间 | 维护程序 |
|---|---|
| 初次使用10小时后 |
|
| 在每次使用之前或每日 |
|
| 每50个小时 |
|
危险
磨损或受损的刀片可能会断裂,刀片碎片可能被抛掷到您或旁观者所在的区域,导致严重人身伤害甚至死亡事故。
-
定期检查刀片是否磨损或损坏。
-
切勿尝试拉直弯曲的刀片。
-
切勿焊接断裂或碎裂的刀片。
-
用新的 Toro 刀片更换磨损或损坏的刀片,确保产品的持续安全认证。
刀刃和刀翼(与刀刃相对的翻边部分)都有助于实现良好的剪草质量。刀翼只所以重要是因为它可以保持草向上直立,从而实现均匀的剪草效果。但是,刀翼在运行过程中会逐渐磨损,这种情况是正常现象。尽管刀刃锋利,但随着刀翼的磨损,剪草质量仍会降低。刀片的刀刃必须锋利,才能使草被剪断,而不是被撕裂。当草的尖端显示为棕色且被切碎时,很明显刀刃已钝化。请打磨刀刃以纠正这种状况。
-
将机器停在水平地面上。提起滚刀组,接合手刹,将驱动踏板置于空档,将 PTO 杆放于关闭位置,关闭发动机,然后拔下钥匙。
-
仔细检查刀片的剪草端,特别是刀片平面和曲面交接的部分 (图 31)。 由于沙子和研磨材料可能导致连接刀片平面与曲面的金属磨损,请在使用机器之前检查刀片。如果看到出现磨损(图 31),请更换刀片;请参阅拆装刀片。

警告
如果刀片能够经受磨损,刀片的刀翼与平面部分之间也会形成凹槽 (图 31)。 最终刀片可能断裂并被抛掷出刀片外壳,可能对您自己或旁观者造成严重的伤害。
-
定期检查刀片是否磨损或损坏。
-
用新的 Toro 刀片更换磨损或损坏的刀片,确保产品的持续安全认证。
-
-
检查所有刀片的刀刃。如果刀片变钝或出现豁口,请磨快刀刃。仅打磨刀刃的顶边,并保持最初的切割角度,以保证锋利度(图 32)。如果从两片刀刃上磨掉相同量的金属,刀片会保持平衡。

Note: 卸下刀片并在磨床上打磨;请参阅“卸下刀片”。打磨刀刃后,使用防刮罩和刀片螺栓安装刀片。刀片的刀翼必须位于刀片的顶部。上紧刀片螺栓扭矩至 115~149N·m。
更换传动皮带
| 维护间隔时间 | 维护程序 |
|---|---|
| 每50个小时 |
|
刀片传动皮带由弹簧加载式怠轮皮带轮拉紧,十分结实耐用。。然而,经过许多个小时的使用后,皮带可能会显露出磨损的迹象。皮带磨损的迹象包括:皮带旋转时发出尖啸声、剪草时刀片打滑、边缘磨损、烧痕及断裂。如果出现上述任何情况,请更换皮带。
更换草折流板
警告
无盖的排放口可能会使机器朝着您或旁观者的方向抛出物体,导致严重的伤害。此外,还可能会让您或旁观者接触到刀片。
-
除非安装了盖板、碎草板或排草斜槽和集草器,否则切勿操作机器。
-
确保草折流板处于向下位置。
清洁滚刀组下方
| 维护间隔时间 | 维护程序 |
|---|---|
| 每次使用之后 |
|
每天都要清除滚刀组下方堆积的草。
-
分离 PTO,松开驱动踏板至空档位置并接合手刹。
-
在离开操作员位置之前,应将油门杆移到慢速位置,关闭发动机,拔下钥匙,并等待所有活动部件停下来。
-
将滚刀组升起到行驶位置。
-
用千斤顶抬起机器前面,并使用顶车架支撑。
-
用水彻底清洁滚刀组的下侧。






































