| Wartungsintervall | Wartungsmaßnahmen |
|---|---|
| Bei jeder Verwendung oder täglich |
|
Dieser Mehrzweck-Aufsitzmaschine sollte nur von geschultem Personal gewerblich verwendet werden. Er ist hauptsächlich für das Pflegen von Gras auf gepflegten Grünflächen in Parkanlagen, Sportplätzen und öffentlichen Anlagen gedacht. Wenn diese Maschine für einen anderen Zweck als vorgesehen eingesetzt wird, kann das für Sie und andere Personen gefährlich sein.
Lesen Sie diese Informationen sorgfältig durch, um sich mit dem ordnungsgemäßen Einsatz und der Wartung des Geräts vertraut zu machen und Verletzungen und eine Beschädigung des Geräts zu vermeiden. Sie tragen die Verantwortung für einen ordnungsgemäßen und sicheren Einsatz des Geräts.
Besuchen Sie Toro.com, hinsichtlich Produktsicherheit und Schulungsunterlagen, Zubehörinformationen, Standort eines Händlers oder Registrierung des Produkts.
Wenden Sie sich an Ihren autorisierten Service-Vertragshändler oder Toro-Kundendienst, wenn Sie eine Serviceleistung, Toro Originalersatzteile oder zusätzliche Informationen benötigen. Halten Sie hierfür die Modell- und Seriennummern Ihres Produkts griffbereit. In Bild 1 ist angegeben, wo an dem Produkt die Modell- und die Seriennummer angebracht sind. Tragen Sie hier die Modell- und Seriennummern des Geräts ein.
Important: Scannen Sie mit Ihrem Mobilgerät den QR-Code auf dem Seriennummernaufkleber (falls vorhanden), um auf Garantie-, Ersatzteil- oder andere Produktinformationen zuzugreifen.

In dieser Anleitung werden potenzielle Gefahren angeführt und Sicherheitshinweise werden vom Sicherheitswarnsymbol (Bild 2) gekennzeichnet. Dieses Warnsymbol weist auf eine Gefahr hin, die zu schweren oder tödlichen Verletzungen führen kann, wenn Sie die empfohlenen Sicherheitsvorkehrungen nicht einhalten.

In dieser Anleitung werden zwei Begriffe zur Hervorhebung von Informationen verwendet. Wichtig weist auf spezielle mechanische Informationen hin, und Hinweis hebt allgemeine Informationen hervor, die Ihre besondere Beachtung verdienen.
Dieses Produkt erfüllt alle relevanten europäischen Richtlinien; weitere Details finden Sie in der produktspezifischen Konformitätserklärung (DOC).
Entsprechend dem California Public Resource Code Section 4442 oder 4443 ist der Einsatz des Motors in bewaldeten oder bewachsenen Gebieten ohne richtig gewarteten und funktionsfähigen Funkenfänger, wie in Section 4442 definiert, oder ohne einen Motor verboten, der nicht für die Brandvermeidung konstruiert, ausgerüstet und gewartet ist.
Die beiliegende Motoranleitung enthält Angaben zu den Emissionsbestimmungen der US Environmental Protection Agency (EPA) und den Kontrollvorschriften von Kalifornien zu Emissionsanlagen, der Wartung und Garantie. Sie können einen Ersatz beim Motorhersteller anfordern.
Wenn diese Maschine mit einem Telematikgerät ausgestattet ist, wenden Sie sich an Ihren Toro Vertragshändler, um Anweisungen zur Aktivierung des Geräts zu erhalten.
KALIFORNIEN
Warnung zu Proposition 65
Die Dieselauspuffgase und einige Bestandteile wirken laut den Behörden des Staates Kalifornien krebserregend, verursachen Geburtsschäden oder andere Defekte des Reproduktionssystems
Batteriepole, -klemmen und -zubehör enthalten Blei und Bleibestandteile. Dies sind Chemikalien, die laut den Behörden des Staates Kalifornien krebserregend sind und zu Erbschäden führen können. Waschen Sie sich nach dem Umgang mit diesen Materialien die Hände.
Bei Verwendung dieses Produkts sind Sie ggf. Chemikalien ausgesetzt, die laut den Behörden des Staates Kalifornien krebserregend wirken, Geburtsschäden oder andere Defekte des Reproduktionssystems verursachen.
Dieses Produkt kann Hände und Füße amputieren und Gegenstände aufschleudern. Befolgen Sie zum Vermeiden von schweren Verletzungen immer alle Sicherheitshinweise.
Lesen und verstehen Sie vor dem Anlassen des Motors den Inhalt dieser Bedienungsanleitung.
Konzentrieren Sie sich immer bei der Verwendung der Maschine. Tun Sie nichts, was Sie ablenken könnte, sonst können Verletzungen oder Sachschäden auftreten.
Bedienen Sie die Maschine niemals, wenn nicht alle Schutzvorrichtungen und Abdeckungen angebracht und funktionstüchtig sind.
Berühren Sie bewegliche Teile nicht mit den Händen oder Füßen. Bleiben Sie immer von der Auswurföffnung fern.
Halten Sie Unbeteiligte und Kinder vom Arbeitsbereich fern. Die Maschine darf niemals von Kindern betrieben werden.
Stellen Sie vor dem Verlassen des Fahrersitzes den Motor ab, ziehen Sie den Schlüssel ab und warten Sie, bis alle beweglichen Teile zum Stillstand gekommen sind. Lassen die Maschine abkühlen, bevor Sie sie einstellen, warten, reinigen, oder einlagern.
Der unsachgemäße Einsatz oder die falsche Wartung
dieser Maschine kann zu Verletzungen führen. Befolgen Sie zur
Verringerung des Verletzungsrisikos diese Sicherheitshinweise und
beachten Sie das Warnsymbol
mit der Bedeutung Achtung, Warnung oder Gefahr
– Sicherheitsrisiko. Wenn diese Hinweise nicht beachtet werden,
kann es zu schweren bis tödlichen Verletzungen kommen.
![]() |
Die Sicherheits- und Bedienungsaufkleber sind für den Bediener gut sichtbar und befinden sich in der Nähe der möglichen Gefahrenbereiche. Tauschen Sie beschädigte oder verloren gegangene Aufkleber aus. |





Nur Modell mit Kabine















Aufkleber 144-3952: Aufkleber 139-6215 (wie in der Installationsanleitung des CE-Kits angegeben) für den Einsatz in CE-konformen Ländern anbringen (nur Modelle 31900 und 31901).

Entfernen Sie die Schrauben, mit denen die Naben der Hinterräder auf der Versandpalette angeschraubt sind.
Schneiden Sie den Kabelbinder ab, mit der die Antriebswelle an den Hinterrädern befestigt ist.
Nehmen Sie die Hinterräder von der Versandpalette ab.
Klappen Sie den Überrollbügel hoch, siehe Hochklappen des Überrollbügels.
Schließen Sie ein Hebezeug an den oberen, mittleren Bereich des Überrollbügels an und heben Sie die Maschine an.
Entfernen Sie die Versandpalette von der Unterseite der Maschine.
Stellen Sie zwei Achsständer unter das Heck der Maschine, wie in Anheben des Maschinenhecks dargestellt.
Senken Sie die Maschine auf die Achsständer ab.
Für diesen Arbeitsschritt erforderliche Teile:
| Hinterrad | 2 |
| Radmutter | 8 |
Verwenden Sie vier Radmuttern, um das Rad an der Radnabe zu befestigen (Bild 3).

Ziehen Sie sie Radmuttern an, siehe Radmuttern festziehen.
Note: Sie müssen diesen Vorgang durchführen, um die Hubarme korrekt montieren zu können.
Stellen Sie Achsständer unter die Rohre des vorderen Seitenrahmens, um die Vorderräder anzuheben; siehe Anheben der Vorderseite der Maschine.
Lösen und entfernen Sie die Radmuttern (Bild 10).

Nehmen Sie Räder von den Radnaben ab (Bild 10).
Für diesen Arbeitsschritt erforderliche Teile:
| Rechter Hubarm | 1 |
| Linker Hubarm | 1 |
| Großer Stift | 2 |
| Schraube (⅜" x 2-¾") | 2 |
| Mutter (⅜") | 4 |
| Kleiner Stift | 2 |
| Schraube (⅜" x 1¼") | 2 |
| Schmiernippel | 2 |
Note: Lassen Sie sich bei Bedarf von einer weiteren Person bei der Installation der Hubarme helfen.
Nehmen Sie die Hubarme von der Versandpalette.
Verwenden Sie beide große Stifte, um die Hubarme am Maschinenrahmen zu befestigen (Bild 5).

Installieren Sie die Schmiernippel an den großen Stiften (Bild 5).
Verwenden Sie zwei Muttern (⅜") und zwei Schrauben (⅜" x 2¾"), um die großen Stifte am Rahmen zu befestigen (Bild 6).

Führen Sie die folgenden Schritte aus, um die Hydraulikzylinder an den Hubarmen zu befestigen:
Stellen Sie eine Auffangwanne unter den Hydraulikverteiler (in Bild 7 dargestellt).
Note: Eine kleine Menge Hydrauliköl muss abgelassen werden, um die Hubzylinder manuell einzuziehen.

Lösen Sie die Schlauchüberwurfmutter, die den Anschluss C1 am Hydraulikverteiler befestigt (Bild 8).

Verwenden Sie einen Austreiber, um die Löcher der Zylinderstange mit den Löchern des Hubarms auszurichten (Bild 9).
Note: Heben Sie den Hubarm vollständig an, um die Ausrichtung zu unterstützen.

Verwenden Sie zwei Schrauben (⅜" x 1¼"), zwei Muttern (⅜") und zwei kleine Stifte, um die Hubarme an den Zylindern zu befestigen (Bild 9).
Ziehen Sie die Schlauchüberwurfmutter am Anschluss C1 (Bild 8) auf ein Drehmoment von 41 N∙m an.
Note: Verwenden Sie einen zweiten Schraubenschlüssel, damit sich der Schlauch nicht verdreht.
Fetten Sie die Befestigungsstiftgelenke und Hubarmstiftgelenke ein, siehe Einfetten der Lager und Büchsen.
Verwenden Sie die zuvor entfernten Radmuttern, um die Räder an der Radnabe zu befestigen (Bild 10).

Ziehen Sie sie Radmuttern an, siehe Radmuttern festziehen.
Für diesen Arbeitsschritt erforderliche Teile:
| Befestigungshalterung | 1 |
| Schraube (⅜" x 3¼") | 2 |
| Mutter (⅜") | 2 |
Befestigen Sie die Befestigungshalterung mit zwei Schrauben (⅜" x 3¼") und zwei Muttern (⅜") an der Plattform (Bild 11).

Für diesen Arbeitsschritt erforderliche Teile:
| Sitzkit (separat zu bestellen; wenden Sie sich an Ihren autorisierten Toro-Vertragshändler) | 1 |
Montieren Sie den Sitz; beachten Sie die Installationsanleitung des Sitzkits.
Für diesen Arbeitsschritt erforderliche Teile:
| Lenkrad | 1 |
| Abdeckung | 1 |
Nehmen Sie das Lenkrad von der Versandpalette ab (Bild 12).

Entfernen Sie die Nylock-Mutter und Scheibe von der Lenkwelle.
Note: Stellen Sie sicher, dass der Schaumkragen auf der Lenkwelle verbleibt (Bild 12).
Ziehen Sie das Lenkrad und die Scheibe auf die Lenkwelle auf (Bild 12).
Halten Sie das Lenkrad fest und verwenden Sie die Nylock-Mutter, um das Lenkrad an der Lenkwelle zu befestigen. Ziehen Sie die Nylock-Mutter bis auf ein Drehmoment von 27 bis 35 N∙m an.
Befestigen Sie die Abdeckung am Lenkrad (Bild 12).
Für diesen Arbeitsschritt erforderliche Teile:
| Dämpfungselement | 1 |
| Schraube (⅜" x 2¾") | 2 |
| Schraube (⅜" x 3¼") | 4 |
| Mutter (⅜") | 6 |
Nehmen Sie die Stoßstange von der Versandpalette.
Befestigen Sie den oberen Bereich des Stoßfängers mit vier Schrauben (⅜" x 3¼") und 4 Muttern (⅜") lose am Maschinenrahmen, wie in Bild 13 dargestellt.

Befestigen Sie den Stoßfänger mit zwei Schrauben (⅜" x 2¾") und zwei Muttern (⅜") lose unter dem Maschinenrahmen, wie in Bild 13 dargestellt.
Ziehen Sie die Befestigungselemente auf ein Drehmoment von 37 bis 45 N∙m an.
Schließen Sie den Akku an, siehe Anschließen des Akkus.
Für diesen Arbeitsschritt erforderliche Teile:
| Optionales Anbaugerät (separat erhältlich; wenden Sie sich an Ihren autorisierten Toro-Vertragshändler) | 1 |
| Innensechskantschraube (⅜") | 2 |
| Scheibe (⅜") | 2 |
| Sicherungsmutter (⅜") | 2 |
Important: Bestätigen Sie beim Wechseln der Anbaugeräte mit Ihrem Toro Vertragshändler die richtige Anzahl des Heckballasts für das jeweilige Anbaugerät.
Bringen Sie das frontseitige Anbaugerät an (z. B. Mähwerk, Schlegelmähwerk, Schneeschild oder Gebläse); führen Sie die folgenden Schritte durch und lesen die Bedienungsanleitung Ihres Anbaugeräts.
Entfernen Sie, während Sie die Antriebswelle abstützen, die Innensechskantschraube und die Sicherungsmutter, mit denen das Antriebswellenjoch an der Befestigungshalterung des Steuerventils befestigt ist (Bild 14), und senken Sie die Antriebswelle vorsichtig ab.
Note: Entsorgen Sie die Innensechskantschraube und die Sicherungsmutter.

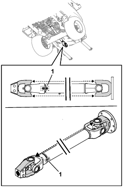
Stellen Sie sicher, dass die Zapfwelle ausgerichtet ist; siehe Ausrichten der Zapfwellen-Antriebswelle.
Lassen Sie eine Person auf den Sitz sitzen, drehen Sie den Schlüssel in die EIN-Stellung und benutzen Sie den Hubschalter des Anbaugeräts, um die Hubarme abzusenken, während Sie dabei die Hubarme nach unten drücken.
Richten Sie die Löcher im Hubarm mit den Löchern im Arm des Anbaugeräts aus, wie in der Montageanleitung des Anbaugeräts beschrieben.
Richten Sie die Verzahnung des Antriebswellenjochs auf die Verzahnung der Eingangswelle des Anbaugeräts (Bild 15) aus und schieben Sie das Joch über die Welle.

Montieren Sie eine Innensechskantschraube (⅜" x 2¼") durch eine Unterlegscheibe (⅜") und die Bohrung in der Antriebswellengabel (Bild 16), und sichern Sie die Innensechskantschraube mit einer Sicherungsbundmutter (⅜").

Montieren Sie eine Innensechskantschraube (⅜" x 2¼") durch eine Unterlegscheibe (⅜") und die Bohrung in der Antriebswellengabel von der entgegengesetzten Richtung (Bild 16), und sichern Sie die Innensechskantschraube mit einer Sicherungsbundmutter (⅜").
Ziehen Sie die Sicherungsmuttern schrittweise abwechselnd auf ein Drehmoment von 61 N∙m an.
Bevor Sie den Motor für den ersten Einsatz starten, führen Sie die folgenden Flüssigkeitsstandskontrollen durch:
Prüfen Sie den Ölstand im Motor, siehe Überprüfen des Motorölstands.
Prüfen Sie den Stand des Kühlmittels, siehe Kühlsystem und Füllstand prüfen.
Prüfen Sie den Stand des Hydrauliköls, siehe Prüfen des Hydraulikölstands.
Prüfen Sie den Reifendruck, siehe Prüfen des Reifendrucks.
Important: Stellen Sie sicher, dass alle Reifen den gleichen Druck haben, um eine gute Schnittqualität und optimale Maschinenleistung zu gewährleisten. Achten Sie darauf, dass der Reifendruck nicht zu niedrig ist.
Für diesen Arbeitsschritt erforderliche Teile:
| CE-Kit (separat zu bestellen; wenden Sie sich an Ihren autorisierten Toro-Vertragshändler) | 1 |
Wenn Sie diese Maschine in einem Land betreiben, das den CE-Normen unterliegt, installieren Sie das CE-Kit; siehe Installationsanleitung des Kits.
Für diesen Arbeitsschritt erforderliche Teile:
| Ballast – 19 kg [das Gewicht ist modellabhängig] | |
| Ballast – 6 kg [das Gewicht ist modellabhängig] |
In der folgenden Tabelle finden Sie den Ballast, der mit der jeweiligen Maschine ausgeliefert wird:
| Model | Mitgelieferter Heckballast |
| 31902A | 0 Ballaste |
| 31903A | 5 Gewichte (je 19 kg) und 2 Gewichte (je 6 kg) |
Stellen Sie sicher, dass Ihre Maschine für das Mindestgewicht für Ihre Zugmaschine und Ihre Anbaugerätekombination ausgelegt ist. Am Modell 31902A können Sie auch mehr Heckballast hinzufügen, um die Steigungsleistung zu verbessern.
Die minimal benötigte Ballastanzahl können Sie anhand der Tabelle Minimal erforderlicher Heckballast ermitteln.
Um eine verbesserte Steigungsleistung zu erreichen, addieren Sie die Anzahl des jeweiligen Ballasts, wie in Tabelle Erforderlicher Heckballast für verbesserte Steigungsleistung aufgeführt.
Um die ordnungsgemäße Funktion des Überrollschutzes zu gewährleisten, dürfen Sie nicht mehr Ballast hinzufügen als in dieser Tabelle angegeben ist.
Note: Wenn Ihre Maschine mit einem CE-Kit ausgestattet ist, finden Sie den passenden Aufkleber für Hanglagen für Ihre Zugmaschine und Anbaugerätekombination in der Installationsanleitung des Kits. Stellen Sie sicher, dass die richtige Ballastanzahl hinzugefügt wird (d. h. Ballast zur Erfüllung der erforderlichen Neigungsnorm oder Ballast zur Erfüllung der verbesserten Steigungsleistung).
| Modellnummer der Zugmaschine | Modellnummer oder Name des/der Anbaugerät(e) | Benötigte Ballastanzahl | ||
|---|---|---|---|---|
| 19 kg | 6 kg | Summe | ||
![]() | ![]() |
|||
| 31902A | 31970, 31971, 31974 | 0 | 0 | 0 |
| 31970, 31971, 31974 und Sonnendach | 0 | 0 | 0 | |
| 31972, 31973, 31975 | 0 | 0 | 0 | |
| 31972, 31973, 31975 und Sonnendach | 1 | 0 | 1 | |
| 02835 | 1 | 0 | 1 | |
| 02835 und Sonnendach | 1 | 0 | 1 | |
| M-B Kehrbürste | 1 | 0 | 1 | |
| 31903A | 31970, 31971 | 5 | 2 | 7 |
| 31972, 31973 | ||||
| 02835 | ||||
| MSC23345 | ||||
| M-B Kehrbürste | ||||
| Erskine Schneefräse | ||||
| Modellnummer der Zugmaschine | Modellnummer oder Name des/der Anbaugerät(e) | Benötigte Ballastanzahl | ||
|---|---|---|---|---|
| 19 kg | 6 kg | Summe | ||
![]() | ![]() |
|||
| 31902A | 31970, 31971, 31974 | 4 | 0 | 4 |
| 31970 und Sonnendach | 4 | 0 | 4 | |
| 31971, 31974 und Sonnendach | 3 | 0 | 3 | |
| 31972, 31973, 31975 | 3 | 1 | 4 | |
| 31972, 31973, 31975 und Sonnendach | 2 | 0 | 2 | |
| 02835 | 2 | 2 | 4 | |
| 02835 und Sonnendach | 1 | 0 | 1 | |
Wenn Sie Heckballast hinzufügen müssen, wenden Sie sich an Ihren Toro Vertragshändler, um zusätzliche Gewichte zu erhalten, und beachten Sie die folgenden Installationsverfahren:
Lösen Sie die Befestigungselemente, mit denen die Verriegelungsstange des Ballasts am Stoßfänger befestigt ist.

Fügen Sie die erforderliche Menge an Ballast hinzu.
Lösen Sie die Befestigungselemente der Verriegelungsstange des Ballasts, um Ballast am Stoßfänger zu befestigen.
Wenden Sie sich an Ihren Toro Vertragshändler, um die folgenden Teile zu bestellen:
| Teilbezeichnung | Menge | Bestellnummer |
| Schraube (⅜" x 3½") | 2 | 116-4701 |
| Unterlegscheibe | 2 | 125-9676 |
| Mutter (⅜") | 2 | 104-8301 |
Verwenden Sie die Befestigungselemente, um den Ballast an der Stoßstange zu befestigen (Bild 18).

Führen Sie diesen Vorgang nur durch, wenn Sie eine andere als die standardmäßigen Sichelmähwerke (z. B. Schneefräse, Messer- oder Schlegelmäher) anbauen.
Sie können den Hydraulikdruck ändern, der für die Gewichtsverlagerung des Anbaugeräts der Zugmaschine verwendet wird, indem Sie das Ventil der Gewichtsverlagerung am Hydraulikverteiler einstellen. Stellen Sie für eine optimale Leistung das Gewichtsverlagerungsventil so ein, dass springende Bewegungen des Anbaugeräts in unebenem Gelände minimal sind. Stellen Sie aber das Ventil auch so ein, dass das Anbaugerät nicht zu hart über flaches Gelände fährt oder zu schnell absenkt.
Um die Konturlaufleistung des Anbaugeräts bei Fahrten der Maschine über unebene Grünflächen zu verbessern, solle der (hydraulische) Druck der Gewichtsverlagerung am Hydraulikverteiler vermindert werden.
Note: Wenn die Lenkrollen des Anbaugeräts oder die Vorderkante der Schneefräse über dem Boden schweben, ist der Hydraulikdruck des Gewichtsverlagerungsventils zu hoch eingestellt.
Wenn Sie Rasen auf einer ebenen Fläche mähen, wenn das Mähwerk das Gras skalpiert, wenn die Schnittqualität von Seite zu Seite ungleichmäßig ist oder die Vorderkante einer Schneefräse zu stark über den Boden schleift, muss der Druck der Gewichtsverlagerung am Hydraulikverteiler erhöht werden.
Note: Durch die Erhöhung des Drucks der Gewichtsverlagerung wird das Gewicht von den Rollen des Anbaugeräts auf die Räder der Zugmaschine verlagert und dadurch die Traktion der Zugmaschine erhöht.
So stellen Sie den Druck der Gewichtsverlagerung ein:
Betreiben Sie die Maschine 10 Minuten lang.
Note: Dadurch wird das Hydrauliköl erwärmt.
Stellen Sie die Maschine auf einer ebenen Fläche ab, senken Sie das Anbaugerät ab, aktivieren Sie die Feststellbremse, stellen Sie den Motor ab und ziehen Sie den Schlüssel ab.
Suchen Sie den Hubverteiler unter der Maschine (Bild 19).

Schließen Sie ein Manometer an den Prüfanschluss an (gekennzeichnet mit G1, siehe Bild 20).

Entfernen Sie an der Seite des Hubverteilers die Kappe vom Prüfanschluss (gekennzeichnet mit G1, siehe Bild 20).
Lösen Sie die Klemmmutter am Ende der Gewichtsverlagerungsspule (gekennzeichnet mit LC, siehe Bild 20).
Lassen Sie den Motor an, stellen Sie die Gasbedienung auf HOHEN LEERLAUF.
Stellen Sie das Ballastventil der Gewichtsverlagerungsspule mit einem Sechskant-Schraubenschlüssel ein, bis der gewünschte Druck am Manometer angezeigt wird; siehe folgende Tabelle für die empfohlene Druckeinstellung des Anbaugeräts.
Drehen Sie zum Erhöhen des Gegengewichtsdrucks die Einstellschraube nach rechts.
Drehen Sie zum Absenken des Gegengewichtsdrucks die Einstellschraube nach links.
| Anbaugerät | Druck der Gewichtsverlagerung |
|---|---|
| Sichelmähwerk | 17,24 bar |
| Schlegelmäher (Modellnr. 02835) | 13,79 bar |
| Schneefräse | 17,24 bar |
| Schneeschild (Modellnr. MSC23345 und STB13567B) | 13,79 bar |
| Kehrbürste (1,5 m oder 5 ft) | 17,24 bar |
Stellen Sie den Motor ab und ziehen Sie den Schlüssel ab.
Ziehen Sie die Klemmmutter am Ende der Gewichtsverlagerungsspule bis auf ein Drehmoment von 13 bis 16 N∙m an.
Bringen Sie die Kappe wieder auf dem Prüfanschluss an.
Schließen Sie das Druckmanometer vom Testanschluss ab.

Note: Stellen Sie die Sitzposition ein, bevor Sie die Maschine in Betrieb nehmen. Die Anweisungen zur Sitzeinstellung finden Sie in der Installationsanleitung des Sitzkits.
Mit dem Fahrpedal (Bild 22) bewegen Sie die Maschine vorwärts oder rückwärts.
Bewegen Sie die Maschine nach vorne: Betätigen Sie die Oberseite des Pedals mit Ihrer Fußspitze.
Bewegen Sie die Maschine nach hinten: Betätigen Sie die Unterseite des Pedals mit Ihrer Fußspitze.
Note: Sie können einen stabilen Betrieb erreichen, indem Sie Ihre Ferse auf der Plattform halten und das Pedal mit Ihren Fußspitzen betätigen.
Die Fahrgeschwindigkeit ist proportional zum Ausmaß, wie weit Sie das Pedal gedrückt haben. Treten Sie für die maximale Fahrgeschwindigkeit das Pedal ganz durch, während Sie den Gasbedienungshebel auf SCHNELL stellen. Die Höchstgeschwindigkeit für das Vorwärtsfahren beträgt:
Modell 31902A: 23 km/h
Modell 31903A: 19 km/h
Wenn die Maschine stark beladen ist oder wenn Sie einen Hang hinauffahren, erhalten Sie die maximale Leistung, wenn der Gasbedienungshebel in der SCHNELL-Stellung ist, und Sie das Fahrpedal etwas durchtreten, um die Motordrehzahlen hoch zu halten. Wenn die Motordrehzahl rapide abfällt, lassen Sie das Fahrpedal etwas los, damit sich die Drehzahl wieder erhöhen kann.

Um das Lenkrad zu Ihnen zu neigen, drücken Sie den Lenkradverstellhebel (Bild 22) nach unten und ziehen Sie die Lenksäule zu sich. Lassen Sie den Hebel los, wenn sich die Lenksäule in der gewünschten Position befindet, in der Sie das Lenkrad bequem bedienen können.
Aktivieren Sie die Feststellbremse (Abbildung 16), wenn Sie die Maschine anhalten, um ein unbeabsichtigtes Bewegen der Maschine vorzubeugen.
Aktivieren Sie die Feststellbremse: Ziehen Sie den Griff bis zur AKTIVIERT-Position hoch.

Lösen Sie die Feststellbremse: Drücken Sie mit dem Daumen die Taste an der Oberseite des Griffs nach unten und senken Sie den Griff in die DEAKTIVIERT-Position.
Note: Wenn der Griff nicht vollständig abgesenkt ist, schaltet sich die Maschine ab, wenn Sie das Fahrpedal betätigen.
In den folgenden Abschnitten finden Sie eine Beschreibung der einzelnen Bedienelemente der Steuerkonsole (Bild 24).

Der Hubschalter für das Anbaugerät hebt das Anbaugerät in die oberste Position (d. h. die TRANSPORTPOSITION) und senkt das Anbaugerät in die unterste Position (d. h. die BETRIEBSPOSITION).
Anbaugerät anheben: Betätigen Sie die Rückseite des Schalters.
Anbaugerät absenken: Betätigen Sie die Vorderseite des Schalters.
Heben Sie das Anbaugerät in die TRANSPORTposition an, wenn Sie die Maschine zwischen den Einsatzorten transportieren. Senken Sie das Anbaugerät in die BETRIEBSposition ab, wenn Sie die Maschine nicht benutzen.
Zapfwelle einkuppeln: Ziehen Sie den Zapfwellenschalter nach oben.
Zapfwelle auskuppeln: Drücken Sie den Zapfwellenschalter nach unten.
Schalten Sie die Zapfwelle nur dann ein, wenn sich die Zapfwelle des Anbaugeräts in der BETRIEBSstellung befindet (bei angeschlossener Antriebswelle und auf den Boden abgesenkt) und Sie den Betrieb beginnen möchten.
Note: Wenn Sie den Fahrersitz verlassen, während sich der Zapfwellenschalter in der ON-Stellung befindet, wird automatisch der Motor der Maschine abgestellt, siehe Zapfwellenfunktion zurücksetzen.
Das Zündschloss hat drei Stellungen: AUS, EIN/VORWäRMEN und START.
Starten und stoppen Sie den Motor mit dem Schalter [siehe Anlassen des Motors oder Abstellen des Motors], oder um die Informationen auf dem Bildschirm anzuzeigen [siehe Informationen auf dem Anzeigebildschirm].
Verwenden Sie diesen Schalter, um die Motordrehzahl einzustellen.
Motordrehzahl erhöhen: Betätigen Sie den vorderen Teil des Schalters und lassen ihn dann wieder los, um die Motordrehzahl um 100 U/min zu erhöhen. Halten Sie diese Taste gedrückt, um die Motordrehzahl auf den maximalen Wert zu erhöhen.
Motordrehzahl absenken: Betätigen Sie den hinteren Teil des Schalters, um die Motordrehzahl um 100 U/min zu verringern. Halten Sie diese Taste gedrückt, um die Motordrehzahl auf den minimalen Wert (Leerlauf) zu verringern.
Auf der Anzeige werden Informationen zur Maschine angezeigt, u. a. Betriebszustand, verschiedene Diagnostikwerte und andere Informationen.
Weitere Informationen zum Bildschirm finden Sie unter Informationen auf dem Anzeigebildschirm.
Siehe Funktion der Bildschirmtaste.

Mit diesem Schalter (Bild 25) schalten Sie die Scheibenwischer ein oder aus.
Drehen Sie den Gebläseregler (Bild 25), um die Drehzahl des Lüfters einzustellen.
Drehen Sie den Temperaturregelknopf (Bild 25), um die Lufttemperatur in der Kabine einzustellen.
Note: Änderungen der technischen Daten und des Designs sind vorbehalten.

| Beschreibung | Bild 26 Referenz | Abmessung oder Gewicht | |
| Höhe mit hochgeklapptem Überrollbügel | D | 200 cm | |
| Höhe mit abgesenktem Überrollbügel | C | 111 cm | |
| Höhe mit Kabine | J | 226 cm | |
| Gesamtlänge (ohne angebauten Heckballast) [Modell 31902A] | Mit installiertem Anbaugerät | F | Maximal 312 cm |
| Nur Zugmaschine | H | Maximal 253 cm | |
| Gesamtlänge (Heckballast angebaut) [Modell 31903A] | Mit installiertem Anbaugerät | G | Maximal 332 cm |
| Nur Zugmaschine | I | Maximal 272 cm | |
| Gesamtbreite | B | Siehe Technische Daten. | |
| Radstandlänge | E | 132 cm | |
| Vordere Spurweite | A | 136 cm | |
| Hintere Spurweite | 128 cm | ||
| Bodenfreiheit | 21 cm | ||
| Nettogewicht (Modell 31902A) | 860 kg | ||
| Nettogewicht (Modell 31903A) | 1.132 kg | ||
Die Breiten für Ihr angebautes Mähwerk entnehmen Sie bitte der folgenden Tabelle:
| Mähwerk | Breite |
| Modell 31970 | 198 cm |
| Modell 31971 | 168 cm |
| Modell 31972 | 228 cm |
| Modell 31973 | 198 cm |
| Modell 31974 | 158 cm |
| Modell 31975 | 188 cm |
| Modell 02835 (Schlegelmäher) | 218 cm |
Ein Sortiment an Originalanbaugeräten und -zubehör von Toro wird für diese Maschine angeboten, um den Funktionsumfang des Geräts zu erhöhen und zu erweitern. Wenden Sie sich an Ihren offiziellen Toro-Vertragshändler oder navigieren Sie auf www.Toro.com für eine Liste der zugelassenen Anbaugeräte und des Zubehörs.
Um eine optimale Leistung zu gewährleisten, verwenden Sie nur Original Ersatzteile und Zubehör von Toro. Ersatzteile und Zubehör anderer Hersteller können gefährlich sein und eine Verwendung könnte die Garantie ungültig machen
Kinder oder nicht geschulte Personen dürfen die Maschine weder verwenden noch warten. Örtliche Vorschriften bestimmen u. U. das Mindestalter von Benutzern. Der Besitzer ist für die Schulung aller Bediener und Mechaniker verantwortlich.
Machen Sie sich mit dem sicheren Betrieb der Maschine sowie den Bedienelementen und Sicherheitssymbolen vertraut.
Stellen Sie vor dem Verlassen des Fahrersitzes den Motor ab, ziehen Sie den Schlüssel ab und warten Sie, bis alle beweglichen Teile zum Stillstand gekommen sind. Lassen Sie die Maschine abkühlen, bevor Sie sie einstellen, warten, reinigen, oder einlagern.
Sie müssen wissen, wie Sie die Maschine schnell anhalten und den Motor abstellen können.
Prüfen Sie, ob alle Sitzkontaktschalter, Sicherheitsschalter, und Schutzvorrichtungen montiert und funktionsfähig sind. Nehmen Sie die Maschine nur in Betrieb, wenn diese richtig funktionieren.
Überprüfen Sie vor jedem Mähen, ob die Schnittmesser, -schrauben und die Mähwerke funktionsfähig sind. Tauschen Sie abgenutzte oder defekte Messer und -schrauben als komplette Sätze aus, um die Wucht der Messer beizubehalten.
Prüfen Sie den Arbeitsbereich gründlich und entfernen Sie alle Objekte, die von der Maschine aufgeschleudert werden könnten.
Seien Sie besonders vorsichtig beim Umgang mit Kraftstoff. Kraftstoff ist brennbar und die Dämpfe sind explosiv.
Machen Sie alle Zigaretten, Zigarren, Pfeifen und andere Zündquellen aus.
Verwenden Sie nur einen vorschriftsmäßigen Benzinkanister.
Entfernen Sie nie den Tankdeckel oder füllen den Kraftstofftank, wenn der Motor läuft oder heiß ist.
Füllen Sie Kraftstoff nicht in einem geschlossenen Raum auf oder lassen ihn ab.
Lagern Sie die Maschine oder den Benzinkanister nie an Orten mit offener Flamme, Funken oder Zündflamme, z. B. Warmwasserbereiter, oder anderen Geräten.
Versuchen Sie niemals, bei Kraftstoffverschüttungen den Motor anzulassen. Vermeiden Sie Zündquellen, bis die Verschüttung verdunstet ist.
Prüfen Sie täglich die folgenden Systeme der Maschine, bevor Sie die Maschine verwenden.
Luftfilteranzeige, siehe Warten des Luftfilters
Motoröl, siehe Überprüfen des Motorölstands.
Kühlmittelsystem, siehe Kühlsystem und Füllstand prüfen.
Gitter der Motorhaube und Kühler, siehe Überprüfen der Kühlrippen.
Hydraulikölstand, siehe Prüfen des Hydraulikölstands
Schmierstellen der Zapfwelle, siehe Einfetten der Lager und Büchsen
| Wartungsintervall | Wartungsmaßnahmen |
|---|---|
| Bei jeder Verwendung oder täglich |
|
Reifenluftdruck: 1,38 bar
Ein niedriger Reifendruck reduziert die Maschinenstabilität an den Seiten von Hängen. Das kann zu einem Überschlagen führen und schwere oder tödliche Körperverletzungen zur Folge haben kann.
Achten Sie darauf, dass der Reifendruck nicht zu niedrig ist.
Überprüfen Sie den für die Vorder- und Hinterreifen angegebenen Reifendruck. Stellen Sie den Luftdruck in den Reifen auf den empfohlenen Wert ein.
Important: Achten Sie auf einen korrekten Reifendruck in allen Reifen, um eine gute Schnittqualität und optimale Maschinenleistung zu gewährleisten.Prüfen Sie den Reifendruck in allen Reifen, bevor Sie die Maschine verwenden.

Important: Verwenden Sie nur Diesel mit extrem niedrigem Schwefelgehalt.Das Nichtbefolgen dieser Vorsichtsmaßnahmen zu Motorschäden führen.
Verwenden Sie nie Kerosin oder Benzin statt Dieselkraftstoff.
Mischen Sie nie Kerosin oder altes Motoröl mit Dieselkraftstoff.
Bewahren Sie Kraftstoff nie in Behältern auf, die innen verzinkt sind.
Verwenden Sie keine Kraftstoffzusätze.
Verwenden Sie nur sauberen, frischen Dieselkraftstoff oder Biodieselkraftstoff
Kaufen Sie nur so viel Kraftstoff, wie sie innerhalb von 180 Tagen verbrauchen können, um immer frischen Kraftstoff sicherzustellen.
Cetanwert: 40 oder höher
Schwefelgehalt: Extrem niedriger Schwefelgehalt (<15 ppm)
Verwenden Sie bei Temperaturen über -7 °C Sommerdiesel (Nr. 2-D) und bei niedrigeren Temperaturen Winterdiesel (Nr. 1-D oder Nr. 1-D/2-D-Mischung).
Note: Bei Verwendung von Winterdiesel bei niedrigeren Temperaturen besteht ein niedrigerer Flammpunkt und Kaltflussmerkmale, die das Anlassen vereinfachen und ein Verstopfen des Kraftstofffilters vermeiden.Die Verwendung von Sommerkraftstoff über -7 °C erhöht die Lebensdauer der Kraftstoffpumpe und steigert im Vergleich zum Winterkraftstoff die Kraft.
Diese Maschine kann auch mit einem Kraftstoff eingesetzt werden, der bis zu B20 mit Biodiesel vermischt ist (20 % Biodiesel, 80 % Erdöldiesel).
Schwefelgehalt: Extrem niedriger Schwefelgehalt (<15 ppm)
Technische Daten für Biodiesel-Kraftstoff:ASTM D6751 oder EN 14214
Technische Angaben für Mischkraftstoff: ASTM D975, EN 590 oder JIS K2204
Important: Der Erdöldieselanteil muss einen extrem niedrigen Schwefelgehalt haben.
Befolgen Sie die nachstehenden Sicherheitsvorkehrungen:
Biodieselmischungen können lackierte Oberflächen beschädigen.
Verwenden Sie B5 (Biodiesel-Inhalt von 5 %) oder geringere Mischungen in kaltem Wetter.
Prüfen Sie Dichtungen und Schläuche, die mit Kraftstoff in Kontakt kommen, da sie sich nach längerer Zeit abnutzen können.
Nach der Umstellung auf Biodieselmischungen kann es zum Verstopfen des Kraftstofffilters kommen.
Der offizielle Toro Vertragshändler gibt Ihnen gerne weitere Auskünfte zu Biodiesel.
Fassungsvermögen des Kraftstofftanks: 45 Liter
Note: Füllen Sie den Kraftstofftank falls möglich nach jeder Verwendung, dadurch verringert sich die Kondensationsablagerung im Kraftstofftank.
Parken Sie die Maschine auf einer ebenen Fläche (Bild 28), aktivieren Sie die Feststellbremse, stellen den Motor ab und ziehen den Schlüssel ab.
Schrauben Sie den Deckel vom Kraftstofftank ab.
Füllen Sie den Kraftstofftank mit dem angegebenen Kraftstoff, bis die Tankanzeige einen vollen Tank anzeigt.
Schrauben Sie den Deckel auf den Kraftstofftank.

| Wartungsintervall | Wartungsmaßnahmen |
|---|---|
| Bei jeder Verwendung oder täglich |
|
Die Sicherheitsschalter sollen ein Anspringen oder Anlassen des Motors verhindern, wenn das Fahrpedal nicht in der Neutral-Stellung und der Zapfwellenschalter nicht in der AUS-Stellung ist. Darüber hinaus sollte der Motor stoppen, wenn Folgendes eintritt:
Der Zapfwellenschalter befindet sich in der EIN-Stellung und der Bediener sitzt nicht auf dem Sitz.
Das Fahrpedal wird betätigt, aber der Bediener sitz nicht auf dem Sitz.
Das Fahrpedal wird betätigt und die Feststellbremse ist aktiviert.
Wenn die Sicherheitsschalter abgeklemmt oder beschädigt werden, könnte sich die Maschine unerwartet in Betrieb setzen und jemanden verletzen.
An den Sicherheitsschaltern dürfen keine Veränderungen vorgenommen werden.
Prüfen Sie deren Funktion täglich und tauschen Sie alle defekten Schalter vor der Inbetriebnahme der Maschine aus.
Stellen Sie den ZAPFWELLENschalter in die AUS-Stellung und nehmen Sie den Fuß vom Fahrpedal.
Drehen Sie das Zündschloss in die START-Stellung. Wenn sich der Motor drehen lässt, machen Sie mit Schritt 3 weiter.
Note: Wenn der Motor nicht anspringt, sind die Sicherheitsschalter defekt.
Erheben Sie sich vom Fahrersitz und kuppeln bei laufendem Motor die Zapfwelle ein, indem Sie den Zapfwellenschalter in die EIN-Stellung schalten. Der Motor sollte innerhalb von 2 Sekunden abschalten. Wenn der Motor abschaltet, machen Sie mit Schritt 4 weiter.
Important: Wenn der Motor nicht abstellt, sind die Sicherheitsschalter defekt. Wenden Sie sich an Ihren autorisierten Toro-Vertragshändler.
Erheben Sie sich vom Fahrersitz bei laufendem Motor und eingekuppelter Zapfwelle (Zapfwellenschalter in der ON-Stellung) und betätigen Sie das Fahrpedal. Der Motor sollte innerhalb von 2 Sekunden abschalten. Wenn der Motor abschaltet, machen Sie mit Schritt 5 weiter.
Important: Wenn der Motor nicht abstellt, sind die Sicherheitsschalter defekt. Wenden Sie sich an Ihren autorisierten Toro-Vertragshändler.
Aktivieren Sie die Feststellbremse. Betätigen bei laufendem Motor und eingekuppelter Zapfwelle (Zapfwellenschalter in der ON-Stellung) das Fahrpedal. Der Motor sollte innerhalb von 2 Sekunden abschalten. Wenn der Motor ausgeht, funktioniert der Sicherheitsschalter ordnungsgemäß und der Betrieb der Maschine kann fortgesetzt werden.
Important: Wenn der Motor nicht abstellt, sind die Sicherheitsschalter defekt. Wenden Sie sich an Ihren autorisierten Toro-Vertragshändler.
Ein Unfall durch Überschlagen kann zu Verletzungen oder zum Tod führen.
Lassen Sie den Überrollbügel aufgestellt und arretiert.
Legen Sie den Sicherheitsgurt an.
Es besteht kein Überrollbügel, wenn der Überrollbügel umgeklappt ist.
Setzen Sie die Maschine nicht auf unebenem Gelände oder an Hanglagen ein, wenn der Überrollbügel abgesenkt ist.
Senken Sie den Überrollbügel nur ab, wenn es wirklich erforderlich ist.
Legen Sie keinen Sicherheitsgurt an, wenn der Überrollbügel umgeklappt ist.
Fahren Sie langsam und vorsichtig.
Richten Sie den Überrollbügel sofort wieder auf, wenn die Höhe es zulässt.
Achten Sie sorgfältig auf die lichte Höhe (wie z. B. zu Ästen, Durchfahrten, Stromkabel), bevor Sie unter Objekte hindurchfahren, damit Sie diese nicht berühren.
Important: Senken Sie den Überrollbügel nur ab, wenn es wirklich erforderlich ist.
Parken Sie die Maschine auf einer ebenen Fläche, aktivieren Sie die Feststellbremse, senken Sie die Mähwerke ab, stellen Sie den Motor ab und ziehen Sie den Schlüssel ab.
Nehmen Sie die Splinte und die Stifte vom Überrollbügel ab (Bild 29).
Klappen Sie den Überrollbügel nach unten und befestigen Sie diesen mit den Splinten und Stiften (Bild 29).


Stellen Sie die Maschine auf einer ebenen Fläche ab, aktivieren Sie die Feststellbremse, senken Sie die Mähwerke ab, stellen Sie den Motor ab und ziehen Sie den Schlüssel aus dem Schlüsselschalter ab.
Nehmen Sie die Splinte und die Stifte vom Überrollbügel ab (Bild 30).
Klappen Sie den Überrollschutz nach oben und befestigen Sie diesen mit den Splinten und Stiften (Bild 30).

Auf dem Anzeigebildschirm werden Informationen zur Maschine angezeigt, u. a. Betriebszustand, verschiedene Diagnostikwerte und andere Informationen zur Maschine. Es gibt zwei Hauptinformationsbildschirme (Bild 31) und einen Hauptmenübildschirm.

Verwenden Sie die Bildschirmtaste (siehe Bild 32), um zwischen den beiden Hauptinformationsbildschirmen umzuschalten und auf das Hauptmenü zuzugreifen.

Hauptmenü aufrufen: Halten Sie die Bildschirmtaste gedrückt, bis die Menüpunkte auf dem Bildschirm eingeblendet werden.
Menüpunkt auswählen: Betätigen Sie kurz die Bildschirmtaste zweimal.
Sie können diese Vorgehensweise auch zum Umschalten einer Option verwenden (z. B. das Umschalten zwischen imperialen und metrischen Einheiten im Bildschirm EINSTELLUNGEN).
Um zum vorherigen Bildschirm zurückzukehren (z. B. vom Bildschirm EINSTELLUNGEN zum Bildschirm HAUPTMENü oder vom Bildschirm HAUPTMENü zum Bildschirm Hauptinformationen zurückzukehren): Halten Sie die Bildschirmtaste gedrückt, bis der vorherige Bildschirm angezeigt wird.
Zum nächsten Menüpunkt blättern: Betätigen Sie die Bildschirmtaste einmal.
| Menüelement | Beschreibung |
| FAULTS [Fehler] | Enthält eine Liste der letzten Maschinendefekte. Weitere Informationen zum FEHLER-Menü finden Sie in der Wartungsanleitung oder wenden Sie sich an den offiziellen Toro-Vertragshändler. |
| WARTUNG | Enthält Informationen zur Maschine, u. a. Betriebsstundenzähler, Zähler und DPF Regeneration. Siehe Tabelle Service. |
| DIAGNOSTIK | Führt die verschiedenen aktuellen Maschinenzustände und Daten auf. Diese Informationen sind bei der Problembehebung nützlich, da Sie sofort sehen, welche Bedienelemente der Maschinen ein- oder ausgeschaltet sind und Steuerungslevel aufgelistet werden (z. B. Sensorwerte). |
| SETTINGS [Einstellungen] | Anpassen und Ändern der Konfigurationsvariablen auf dem InfoCenter-Display. Siehe Tabelle Einstellungen. |
| INFO | Listet die Modellnummer, Seriennummer und Softwareversion der Maschine auf. Siehe Tabelle About [Über]. |
| Menüelement | Beschreibung |
| HOURS [Stunden] | Eine Liste mit der Gesamtstundenzahl, für welche der Schlüssel, der Motor und die Zapfwelle angeschaltet waren. |
| COUNTS | Listet die Anzahl der Motor- und Zapfwellenstarts auf. |
| DPF REGENERATION | Ermöglicht die Anpassung der DPF-Einstellungen, siehe Dieselpartikelfilter und Regeneration. |
| Menüelement | Beschreibung |
| MAßEINHEITEN | Stellt die auf dem Anzeigebildschirm verwendeten Maßeinheiten ein. Die Menüauswahl zeigt imperiale oder metrische Maßangaben. |
| SPRACHE | Stellt die auf der Anzeige verwendete Sprache ein. |
| HINTERGRUNDBELEUCHTUNG | Stellt die Helligkeit der Anzeige ein. |
| KONTRAST | Stellt den Kontrast der Anzeige ein. |
| GESCHüTZTE MENüS | Der PIN-Code ermöglicht einer in Ihrem Unternehmen autorisierten Person den Zugriff auf geschützte Menüs (d. h. die Einstellung des Neigungssensors und die Möglichkeit, das Fehlerprotokoll zu löschen). |
| EINSTELLUNGEN SCHüTZEN | Ist diese Einstellung deaktiviert, können Sie auf geschützte Einstellungen zugreifen, ohne den PIN-Code einzugeben. |
WENDEN![]() | Aktiviert oder deaktiviert den Wendemodus. Diese Einstellung wird mit dem Schlegelmäher verwendet; weitere Informationen finden Sie in der Bedienungsanleitung des Schlegelmähers. |
NEIGUNGSSENSOR INSTALLIERT![]() | Zeigt an, ob ein Neigungssensor installiert ist oder nicht. Wird der Neigungssensor aus der Maschine entfernt, kann diese Einstellung deaktiviert werden, um den Kommunikationsfehler des Neigungssensors zu bereinigen. |
| LOW RPM PTO ENGAGE [ZAPFWELLE MIT NIEDRIGER DREHZAHL EINKUPPELN] | Aktivieret oder deaktiviert den RPM PTO Engage [Zapfwelle mit niedriger Drehzahl einkuppeln] Modus. Diese Einstellung wird mit dem Schlegelmäher verwendet; weitere Informationen finden Sie in der Bedienungsanleitung des Schlegelmähers. |
Geschützt
unter den geschützten Menüs – Nur durch die Eingabe
der PIN zugänglich
| Menüelement | Beschreibung |
| DECK | Zeigt an, ob die Ein-/Ausgänge des Mähwerks aktiv sind. |
| PTO | Zeigt an, ob die Zapfwelle aktiv ist. |
| ENGINE | Zeigt an, ob die Ein-/Ausgänge des Motors aktiv sind. |
| Menüelement | Beschreibung |
| MODELL | Listet die Modellnummer der Maschine auf. |
| SN | Listet die Seriennummer der Maschine auf. |
| S/W REV | Listet die Softwarerevision des Hauptsteuergeräts auf. |
| CE MODUS | Zeigt an, ob der CE-Modus aktiviert oder deaktiviert ist. |
In der folgenden Tabelle finden Sie eine Beschreibung der einzelnen Symbole auf der Anzeige:
![]() | Motordrehzahl |
![]() | Motorstörung |
![]() | Betriebsstundenzähler |
![]() | Lufteinlassheizung ist aktiviert |
![]() | Bediener muss auf dem Sitz sitzen |
![]() | Feststellbremse ist aktiviert |
![]() | Neutral |
![]() | Zapfwelle ist eingekuppelt |
![]() | Zapfwelle ist ausgekuppelt |
![]() | Leuchtet auf, wenn die Mähwerke abgesenkt werden |
![]() | Leuchtet auf, wenn die Mähwerke angehoben werden |
![]() | PIN-Passcode |
![]() | Akku |
![]() | Kühlmitteltemperatur |
![]() | Anforderung für Standby-Regeneration zurücksetzen |
| Anforderung für geparkte oder Wiederherstellungsregeneration | |
![]() | Eine geparkte oder Wiederherstellung-Standby-Regenerierung wird ausgeführt. |
![]() | Hohe Auspufftemperatur |
![]() | Fehlfunktion der NOx-Steuerungsdiagnose: Fahren Sie die Maschine zurück in die Werkstatt und wenden Sie sich an Ihren autorisierten Toro-Vertragshändler. |
Note: Der werksseitige PIN-Code für Ihre Maschine lautet 1234“.
Wenn Sie den PIN-Code geändert und vergessen haben, wenden Sie sich an den offiziellen Toro-Vertragshändler.
Wählen Sie die Option EINSTELLUNGEN.
Wählen Sie die Option GESCHüTZTE MENüS.
Drücken Sie für die Eingabe des PIN-Codes die Bildschirmtaste, bis die entsprechende Ziffer angezeigt wird. Drücken Sie dann die Bildschirmtaste zweimal schnell hintereinander, um auf die nächste Ziffer zu gelangen.
Nachdem alle vier Ziffern eingegeben wurden, drücken Sie die Bildschirmtaste einmal, um den PIN-Code zu bestätigen.
Wenn der PIN-Code korrekt eingegeben wurde, erscheint das PIN-Symbol oben rechts auf allen Menübildschirmen.
Der Besitzer bzw. Bediener ist für Unfälle oder Verletzungen von Dritten sowie Sachschäden verantwortlich und kann diese verhindern.
Tragen Sie geeignete Kleidung, u. a. eine Schutzbrille, lange Hosen, rutschfeste Arbeitsschuhe und einen Gehörschutz. Binden Sie lange Haare hinten zusammen und tragen Sie keinen Schmuck oder weite Kleidung. Tragen Sie in staubigen Betriebsbedingungen eine Staubmaske.
Setzen Sie die Maschine nicht ein, wenn Sie müde oder krank sind oder unter Alkohol- oder Drogeneinfluss stehen.
Konzentrieren Sie sich immer bei der Verwendung der Maschine. Tun Sie nichts, was Sie ablenken könnte, sonst können Verletzungen oder Sachschäden auftreten.
Stellen Sie vor dem Anlassen des Motors sicher, dass alle Antriebe in der Neutralstellung sind, dass die Feststellbremse aktiviert ist und Sie in der Bedienungsposition sind.
Nehmen Sie nie Passagiere auf der Maschine mit und halten Sie alle unbeteiligten Personen und Haustiere aus dem Betriebsbereich der Maschine fern.
Setzen Sie die Maschine nur bei guten Sichtverhältnissen ein, um Löcher sowie andere verborgene Gefahren zu vermeiden.
Vermeiden Sie ein Mähen auf nassem Gras. Bei reduzierter Bodenhaftung kann die Maschine ins Rutschen geraten.
Berühren Sie bewegliche Teile nicht mit den Händen oder Füßen. Bleiben Sie immer von der Auswurföffnung fern.
Schauen Sie vor dem Rückwärtsfahren hinter sich und nach unten, um sicherzugehen, dass der Weg frei ist.
Seien Sie vorsichtig, wenn Sie sich unübersichtlichen Kurven, Sträuchern, Bäumen und anderen Objekten nähern, die Ihre Sicht behindern können.
Stellen Sie die Messer ab, wenn Sie nicht mähen.
Halten Sie die Maschine an, ziehen sie den Schlüssel ab und warten Sie, bis alle beweglichen Teile zum Stillstand gekommen sind, bevor Sie das Anbaugerät prüfen, wenn sie ein Objekt berührt haben oder ungewöhnliche Vibrationen auftreten. Führen Sie alle erforderlichen Reparaturen durch, ehe Sie die Maschine wieder in Gebrauch nehmen.
Fahren Sie beim Wenden und beim Überqueren von Straßen und Gehsteigen mit der Maschine langsam und vorsichtig. Geben Sie immer Vorfahrt.
Kuppeln Sie den Antrieb des Mähwerks aus, stellen Sie den Motor ab, ziehen Sie den Schlüssel ab und warten Sie, bis alle beweglichen Teile zum Stillstand gekommen sind, bevor Sie die Schnitthöhe einstellen (wenn Sie sie nicht von der Bedienerposition aus einstellen können).
Betreiben Sie den Motor nur in gut belüfteten Bereichen. Die Abgase enthalten Kohlenmonoxid, das beim Einatmen tödlich ist.
Lassen Sie niemals eine laufende Maschine unbeaufsichtigt zurück.
Bevor Sie den Fahrerstand verlassen, gehen Sie wie folgt vor:
Stellen Sie die Maschine auf einer ebenen Fläche ab.
Kuppeln Sie die Zapfwelle aus und senken Sie die Anbaugeräte ab.
Aktivieren Sie die Feststellbremse.
Stellen Sie den Motor ab und ziehen Sie den Schlüssel ab.
Warten Sie, bis alle beweglichen Teile zum Stillstand gekommen sind.
Setzen Sie die Maschine nur bei guten Sichtverhältnissen ein. Fahren Sie die Maschine nie bei Gewitter, bzw. wenn Gefahr durch Blitzschlag besteht.
Verwenden Sie die Maschine nicht als Zugmaschine.
Verwenden Sie nur von Toro® zugelassenes Zubehör, Anbaugeräte und Ersatzteile.
Verwenden Sie die Geschwindigkeitsregelung (falls vorhanden) nur, wenn Sie die Maschine in einem offenen, ebenen Bereich ohne Hindernisse betreiben können, in dem die Maschine ohne Unterbrechung mit konstanter Geschwindigkeit fahren kann.
Der Überrollschutz ist eine integrierte und leistungsfähige Sicherheitseinrichtung.
Entfernen Sie die Komponenten des Überrollschutzes nicht von der Maschine.
Stellen Sie sicher, dass der Sicherheitsgurt befestigt ist.
Ziehen Sie den Gurt über Ihren Schoß und stecken Sie ihn in das Gurtschloss auf der anderen Seite des Sitzes.
Zum Lösen des Sicherheitsgurts den Gurt festhalten, die Taste auf dem Gurtschloss drücken, um den Gurt zu lösen, und ihn durch die automatische Einzugsöffnung führen. Stellen Sie sicher, dass der Gurt in einem Notfall schnell gelöst werden kann.
Achten Sie immer auf hängende Objekte und berühren Sie sie nicht.
Halten Sie den Überrollschutz in einem sicheren Betriebszustand, überprüfen Sie ihn regelmäßig auf Beschädigungen und halten Sie alle Befestigungen angezogen.
Tauschen Sie beschädigte Teile des Überrollschutzes aus. Führen Sie keine Reparaturen oder Modifikationen daran aus.
Eine von Toro montierte Kabine ist ein Überrollbügel.
Legen Sie immer den Sicherheitsgurt an.
Beim Einsatz der Maschine mit aufgeklapptem Überrollbügel sollten Sie den Überrollbügel hochklappen und arretieren sowie den Sicherheitsgurt anlegen.
Senken Sie den Überrollbügel nur vorübergehend ab, wenn es wirklich erforderlich ist. Legen Sie keinen Sicherheitsgurt an, wenn der Überrollbügel abgesenkt ist.
Es besteht kein Überrollschutz, wenn der klappbare Überrollbügel abgesenkt ist.
Prüfen Sie den Mähbereich und senken Sie den klappbaren Überrollbügel nie in Bereichen mit Gefällen, Abhängen oder Gewässern ab.
Hanglagen sind eine wesentliche Ursache für den Verlust der Kontrolle und Umkippunfälle, die zu schweren ggf. tödlichen Verletzungen führen können. Sie sind für den sicheren Einsatz an Hanglagen verantwortlich. Das Einsetzen der Maschine an jeder Hanglage erfordert große Vorsicht.
Evaluieren Sie das Gelände, einschließlich einer Ortsbegehung, um zu ermitteln, ob die Maschine sicher auf der Hanglage eingesetzt werden kann. Setzen Sie immer gesunden Menschenverstand ein, wenn Sie diese Ortsbegehung durchführen.
Prüfen Sie die unten aufgeführten Anweisungen für den Einsatz der Maschine auf Hanglagen und ermitteln Sie, ob die Maschine in den Bedingungen an diesem Tag und an diesem Ort eingesetzt werden kann. Veränderungen im Gelände können zu einer Veränderung in der Neigung für den Betrieb der Maschine führen.
Vermeiden Sie das Anfahren, Anhalten oder Wenden der Maschine an Hanglagen. Vermeiden Sie plötzliche Geschwindigkeits- oder Richtungsänderungen. Wenden Sie möglichst langsam und vorsichtig.
Benutzern Sie die Maschine niemals unter Bedingungen, bei der die Bodenhaftung, das Lenkverhalten oder die Stabilität des Fahrzeugs gefährdet werden.
Entfernen oder markieren Sie Hindernisse, u. a. Gräben, Löcher, Rillen, Bodenwellen, Steine oder andere verborgene Gefahren. Hohes Gras kann Hindernisse verdecken. Die Maschine könnte sich in unebenem Terrain überschlagen.
Beim Arbeiten auf nassem Gras, Überqueren von steilen Hanglagen oder beim Fahren hangabwärts kann die Maschine die Bodenhaftung verlieren. Wenn die Antriebsräder die Bodenhaftung verlieren, kann die Maschine rutschen und zu einem Verlust der Bremsleistung und Lenkung führen.
Gehen Sie beim Einsatz der Maschine in der Nähe von Abhängen, Gräben, Böschungen, Gewässern oder anderen Gefahrenstellen besonders vorsichtig vor. Die Maschine kann sich plötzlich überschlagen, wenn ein Rad über den Rand fährt oder die Böschung nachgibt. Halten Sie stets einen Sicherheitsabstand von der Maschine zur Gefahrenstelle ein.
Achten Sie auf Gefahren unten am Hang. Mähen Sie die Hanglage mit einer handgeführten Maschine, wenn Gefahren vorhanden sind.
Halten Sie das/die Mähwerk(e), sofern möglich, beim Einsatz der Maschine an Hanglagen abgesenkt. Das Anheben des Mähwerks beim Arbeiten an Hanglagen kann zu einer Instabilität der Maschine führen.
Passen Sie besonders mit Heckfangsystemen oder anderen Anbaugeräten auf. Diese Geräte können die Stabilität der Maschine ändern und zu einem Verlust der Fahrzeugkontrolle führen.
Der Dieselpartikelfilter (DPF) entfernt Ruß aus den Motorabgasen.
Der DPF-Regenerationsprozess nutzt die Wärme aus dem Motorabgas, die durch den Katalysator erhöht wird, um den angesammelten Ruß zu Asche zu reduzieren.
Beachten Sie Folgendes, um den Dieselpartikelfilter sauber zu halten:
Den Motor möglichst mit voller Motordrehzahl laufen lassen, um die Selbstreinigung des Dieselpartikelfilters zu fördern.
Verwenden Sie das richtige Motoröl.
Minimieren Sie die Zeit, in der Sie den Motor im Leerlauf laufen lassen.
Verwendet Sie nur Diesel mit extrem niedrigem Schwefelgehalt.
Vergessen Sie die Funktion des Dieselpartikelfilters nicht bei der Verwendung oder Wartung Ihrer Maschine. Der Motor unter Last erzeugt in der Regel eine ausreichende Abgastemperatur für die Regeneration des Dieselpartikelfilters.
Important: Verringern Sie die Dauer, für die Sie den Motor im Leerlauf laufen lassen oder den Motor mit einer niedrigen Motordrehzahl verwenden, um die Ansammlung von Ruß im Dieselpartikelfilter zu verringern.
Die Auspufftemperatur ist heiß (ca. 600 °C) bei der Regeneration des Dieselpartikelfilters. Heiße Auspuffgase können Sie oder andere Personen verletzen.
Lassen Sie den Motor nie in geschlossenen Räumen laufen.
Stellen Sie sicher, dass sich keine brennbaren Materialien in der Nähe der Auspuffanlage befinden.
Achten Sie darauf, dass die heißen Abgase nicht mit Oberflächen in Berührung kommen, die durch Hitze beschädigt werden können.
Fassen Sie kein heißes Teil der Auspuffanlage an.
Halten Sie sich nicht in der Nähe oder hinter dem Auspuffrohr der Maschine auf.
| Symbol | Symbolerklärung |
![]() | • Geparkt- oder Regenerationswiederherstellung-Symbol: Regeneration wird angefordert. |
| • Führen Sie die Regeneration sofort durch. | |
![]() | • Informiert Sie darüber, dass die Regeneration bestätigt wurde. |
![]() | • Informiert Sie darüber, dass eine Regeneration läuft und die Abgastemperatur erhöht ist. |
![]() | • Unterdrückung der Regeneration wurde ausgewählt. |
![]() | • Fehlfunktion des NOx-Steuerungssystems: die Maschine muss gewartet werden. |
| Regenerationstyp | Konditionen, die eine Regeneration des Dieselpartikelfilters bewirken | Dieselpartikelfilter-Beschreibung des Betriebs |
|---|---|---|
| Zurücksetzen | Tritt alle 100 Betriebsstunden auf | • Wenn das Symbol für die hohe Auspufftemperatur im InfoCenter angezeigt
wird, wird eine Regeneration ausgeführt. |
| Tritt auch auf, wenn der normale Motorbetrieb die zulässige Rußansammlung im Filter überschreitet. | ||
| • Während der Reset-Regeneration hält der Motorcomputer eine erhöhte Motordrehzahl aufrecht, um die Filterregeneration zu gewährleisten. | ||
| • Vermeiden Sie es, den Motor abzustellen, während die Reset-Regeneration läuft. |
| Regenerationstyp | Konditionen, die eine Regeneration des Dieselpartikelfilters bewirken | Dieselpartikelfilter-Beschreibung des Betriebs |
|---|---|---|
| Geparkt | Tritt auf, weil der Computer feststellt, dass die automatische Reinigung des Dieselpartikelfilters nicht ausreichend war. | • Wenn das Reset-Standby/Geparkt-
oder Wiederherstellungsregeneration-Symbol oder eine Regeneration
angefordert wird. |
| Tritt auch auf, wenn Sie eine geparkte Regeneration eingeleitet haben. | ||
| Kann auftreten, weil die Regenerationsunterdrückung eingeleitet wurde und die automatische Reinigung des Dieselpartikelfilters deaktiviert wurde | • Führen Sie die geparkte Regeneration sobald wie möglich aus, damit keine Wiederherstellungsregeneration erforderlich ist. | |
| Kann aufgrund von falschem Kraftstoff oder Motoröl auftreten | • Eine geparkte Regenerierung dauert 30 Minuten bis 60 Minuten. | |
| • Der Kraftstofftank muss mindestens die Hälfte der Kraftstoffmenge enthalten. | ||
| • Sie müssen die Maschine parken, um eine geparkte Regenerierung auszuführen. | ||
| Wiederherstellung | Tritt auf, weil die Anforderung für eine geparkte Regeneration ignoriert wurde, wodurch sich der Dieselpartikelfilter kritisch verstopfen kann. | • Wenn das Reset-Standby/Geparkt- oder Wiederherstellungsregeneration-Symbol: oder eine Wiederherstellungsregeneration
angefordert wird. |
| • Eine Wiederherstellungsregeneration dauert ca. 3 Stunden. | ||
| • Der Kraftstofftank muss mindestens halb voll sein. | ||
| • Sie müssen die Maschine parken, um eine Wiederherstellungsregeneration auszuführen. |
Navigieren Sie vom Hauptmenü aus zum SERVICEmenü.
Wählen Sie die Option DPF REGENERATION.
Rufen Sie das Menü zur Regenerierung des Dieselpartikelfilters auf und scrollen Sie zur Option LAST REGEN [Letzte Regeneration].
Ermitteln Sie mit dem Feld LAST REGEN die Betriebsstunden, für die Sie den Motor seit der letzten Zurücksetzen-Regenerierung, geparkten Regenerierung oder Wiederherstellung-Regenerierung eingesetzt haben.
Eine Reset-Regeneration erzeugt erhöhte Motorabgase. Wenn Sie die Maschine in der Nähe von Bäumen, Büschen, hohem Gras oder anderen temperaturempfindlichen Pflanzen oder Materialien betreiben, können Sie die Einstellung INHIBIT REGEN [Regeneration unterdrücken] verwenden, um zu verhindern, dass der Motorcomputer eine Reset-Regeneration durchführt.
Note: Die Option INHIBIT REGEN [Regeneration unterdrücken] wird immer dann verwendet, wenn die Maschine in einem geschlossenen Bereich gewartet wird.
Note: Wenn Sie das InfoCenter so einstellen, dass die Regeneration verhindert wird, zeigt das InfoCenter alle 15 Minuten eine Meldung an, wenn der Motor eine Reset-Regeneration anfordert.
Important: Wenn Sie den Motor abstellen und erneut anlassen, ist die Einstellung für Inhibit Regen.“ standardmäßig OFF.
Rufen Sie das Menü zur Regenerierung des Dieselpartikelfilters auf und scrollen Sie zur Option INHIBIT REGEN [Regeneration unterdrücken].
Wählen Sie den Eintrag REGEN [Regeneration] aus.
Ändern Sie die Einstellung zur Unterdrückung der Regeneration von Aus auf Ein.
Stellen Sie sicher, die Maschine für den Typ der Regeneration, die Sie durchführen, genug Kraftstoff im Tank hat.
Geparkte Regeneration: Stellen Sie sicher, dass der Kraftstofftank mindestens ein Viertel der Kraftstoffmenge enthält, bevor Sie die geparkte Regeneration durchführen.
Wiederherstellungsregeneration: Stellen Sie sicher, dass der Kraftstofftank mindestens halb voll ist, bevor Sie die Wiederherstellunsregeneration durchführen.
Bringen Sie das Gerät in einen Bereich, der entfernt von brennbaren Materialien oder Gegenständen liegt, die durch Hitze beschädigt werden können.
Stellen Sie die Maschine auf einer ebenen Fläche ab.
Schalten Sie die Zapfwelle aus und senken Sie alle Anbaugeräte ab (falls vorhanden).
Aktivieren Sie die Feststellbremse.
Stellen Sie die Gasbedienung in die LEERLAUF-Stellung.
Stellen Sie sicher, dass die Klimaanlage ausgeschaltet ist (nur bei Maschinen, die mit einer Kabine ausgestattet sind).
Wurde eine geparkte Regeneration vom Motorcomputer angefordert, folgen Sie den Meldungen im InfoCenter.
Important: Der Computer der Maschine bricht die Regenerierung des Dieselpartikelfilters ab, wenn Sie die Motordrehzahl vom niedrigen Leerlauf erhöhen oder die Feststellbremse lösen.
Rufen Sie das Menü Regenerierung des Dieselpartikelfilters auf und scrollen Sie nach unten zur Option PARKED REGEN [geparkte Regenerierung] oder RECOVERY REGEN [Wiederherstellungsregenerierung].
Wählen Sie den Eintrag PARKED REGEN [geparkte Regenerierung] oder RECOVERY REGEN [Wiederherstellungsregenerierung] aus.
Kontrollieren Sie im Bildschirm VERIFY FUEL LEVEL [Kraftstoffstand überprüfen], dass Sie bei der Durchführung einer geparkten Regeneration mindestens noch ¼ Kraftstoffreserve haben oder die ½ Kraftstoffreserve, wenn Sie eine Wiederherstellungsregeneration durchführen. Betätigen Sie die Bildschirmtaste, um fortzufahren.
Drücken Sie im Menü Parked Regen“ [geparkte Regenerierung] oder Recovery Regen“ [Wiederherstellungsregenerierung] die Bildschirmtaste, um die Regenerierung zu starten.
Vergewissern Sie sich auf dem Bildschirm der DPF-Checkliste, dass die Feststellbremse aktiviert ist, die Motordrehzahl auf niedrige Leerlaufdrehzahl eingestellt ist, und drücken Sie dann die Bildschirmtaste, um fortzufahren.
Betätigen Sie im Bildschirm INITIATE DPF REGEN [Regenerierung des Dieselpartikelfilters einleiten] die Bildschirmtaste.
Im InfoCenter wird die Meldung INITIATING DPF REGENERATION angezeigt.
Note: Halten Sie bei Bedarf die Bildschirmtaste gedrückt, um den Regenerationsprozess abzubrechen.
Im InfoCenter wird die Meldung über die Abschlusszeit angezeigt.
Das InfoCenter zeigt den Startbildschirm an und das
Symbol für die Bestätigung Regeneration wird eingeblendet
.
Note: Während der Ausführung der Regeneration des Dieselpartikelfilters
wird das Symbol für die hohe Auspufftemperatur
angezeigt.
Wenn der Motorcomputer eine geparkte oder Wiederherstellungsregeneration durchführt, zeigt das InfoCenter eine Meldung an. Drücken Sie eine beliebige Taste, um den Homebildschirm anzuzeigen.
Note: Kann die Regeneration nicht abgeschlossen werden, folgen Sie den Hinweisen und drücken Sie eine beliebige Taste, um den Startbildschirm zu verlassen.
Verwenden Sie die Einstellung PARKED REGEN CANCEL [geparkte Regenerierung abbrechen] oder RECOVERY REGEN CANCEL [Wiederherstellungsregenerierung abbrechen], um eine laufende geparkte oder Wiederherstellungsregeneration abzubrechen.
Rufen Sie das Menü Regenerierung des Dieselpartikelfilters auf und scrollen Sie nach unten zur Option PARKED REGEN [geparkte Regenerierung] oder RECOVERY REGEN [Wiederherstellungsregenerierung].
Drücken Sie auf das Bildschirmsymbol Weiter, um eine geparkte Regeneration oder eine Wiederherstellungsregenerierung abzubrechen.
Setzen Sie sich auf den Fahrersitz und legen Sie den Sicherheitsgurt an.
Stellen Sie sicher, dass die Feststellbremse angezogen und die Zapfwelle ausgekuppelt ist.
Den Motor durch Drehen des Schlüsselschalters in die EIN/VORGLüHEN-Stellung vorglühen.
Note: Ein automatischer Timer steuert das Vorglühen für ungefähr 6 Sekunden.
Drehen Sie den Schlüssel in die START-Stellung, starten Sie den Motor nicht länger als 15 Sekunden und lassen Sie den Schlüssel in die EIN/VORGLüHEN-Stellung zurückkehren.
Note: Wenn Sie ein weiteres Vorheizen benötigen, drehen Sie den Schlüssel in die AUS-Stellung und dann in die Stellung EIN/VORHEIZEN. Wiederholen Sie diesen Vorgang bei Bedarf.
Stellen Sie die Gasbedienung auf die Leerlaufgeschwindigkeit oder in die Mitte und lassen Sie den Motor anwärmen.
Note: Wenn Sie den Fahrersitz verlassen, während sich der Zapfwellenschalter in der ON-Stellung befindet, wird automatisch der Motor der Maschine abgestellt.
Führen Sie die folgenden Schritte aus, um die Zapfwellenfunktion zurückzusetzen:
Drücken Sie den Zapfwellenschalter nach unten.
Prüfen Sie den Motor; siehe Anlassen des Motors.
Ziehen Sie den Zapfwellenschalter hoch.
Aktivieren Sie den Wendemodus, wenn Sie den Schlegelmäher (Modell 02835) anbauen.
Im Wendemodus können Sie den Schlegelmäher schnell über die Grasnarbe heben, wenn Sie am Ende eines Mähdurchgangs eine schnelle Wendung vollziehen oder um Hindernisse herumfahren wollen.
Wenn Sie den Schlegelmäher in die BETRIEBSSTELLUNG absenken, können Sie den Schalter zum Anheben des Anbaugeräts schnell nach hinten drücken und loslassen, um den Schlegelmäher für eine schnelle Wende leicht anzuheben. Drücken Sie nach dem Wenden den Schalter zum Anheben des Anbaugeräts, um den Schlegelmäher wieder auf den Boden abzusenken und mit dem Mähen fortzufahren.
Betätigen Sie den Gasbedienungshebel, um die Motordrehzahl zu senken.
Stellen Sie den Zapfwellenschalter in die AUS-Stellung.
Drehen Sie den Schlüsselschalter in die AUS-Stellung und ziehen Sie den Schlüssel aus dem Schalter heraus.
Stellen Sie vor dem Verlassen des Fahrersitzes den Motor ab, ziehen Sie den Schlüssel ab und warten Sie, bis alle beweglichen Teile zum Stillstand gekommen sind. Lassen die Maschine abkühlen, bevor Sie sie einstellen, warten, reinigen, oder einlagern.
Entfernen Sie Gras und Schmutz von den Mähwerken, den Auspuffen und dem Motorraum, um einem Brand vorzubeugen. Wischen Sie Öl- und Kraftstoffverschüttungen auf.
Befinden sich die Mähwerke in der Transport-Stellung, verwenden Sie die formschlüssige mechanische Sicherung (sofern vorhanden), bevor Sie die Maschine unbeaufsichtigt lassen.
Lassen Sie den Motor abkühlen, bevor Sie die Maschine in einem geschlossenen Raum abstellen.
Ziehen Sie den Schlüssel ab und schließen Sie den Kraftstoffhahn (falls vorhanden), bevor Sie die Maschine einlagern oder schleppen.
Lagern Sie die Maschine oder den Benzinkanister nie an Orten mit offener Flamme, Funken oder Zündflamme, z. B. Warmwasserbereiter, oder andere Geräte.
Den/die Sicherheitsgurt(e) bei Bedarf warten und reinigen
Sie können das Mähwerk von der TRANSPORTSTELLUNG (A in Bild 33) in die SERVICESTELLUNG (B in Bild 33) drehen. Verwenden Sie die WARTUNGSstellung, um die Messer des Mähwerks zu warten oder unter dem Mähwerk zu reinigen; siehe Bedienungsanleitung Ihres Mähwerks.
Führen Sie dieses Verfahren aus, um das Mähwerk von der TRANSPORTstellung in die WARTUNGSstellung zu drehen.
Wenn Sie den Schlüssel im Zündschloss lassen, könnte eine andere Person den Motor versehentlich anlassen und Sie und Unbeteiligte schwer verletzen.
Ziehen Sie den Schlüssel vom Schalter ab und starten Sie den Motor nicht, wenn sich das Mähwerk in der SERVICE-Stellung befindet.
Stellen Sie die Maschine auf einer ebenen Fläche ab.
Betätigen Sie den Hubschalter, um das Mähwerk in die TRANSPORTstellung zu bringen.
Aktivieren Sie die Feststellbremse, stellen Sie den Motor ab und ziehen Sie den Zündschlüssel ab.
Entfernen Sie die Splinte von den Schnitthöhenplatten (Bild 34).

Drehen Sie das Mähwerk (Bild 35) so, dass die Verriegelung in die Befestigungshalterung (Bild 36) einrastet.
Das Mähwerk ist schwer.
Heben Sie das Mähwerk mit einer Hebehilfe an.


Führen Sie dieses Verfahren aus, um das Mähwerk von der WARTUNGSstellung in die TRANSPORTstellung zu drehen.
Lösen Sie die Verriegelung des Mähwerks von der Befestigungshalterung (Bild 37), indem Sie das Mähwerk leicht nach vorne drehen (siehe Bild 35) und den Verriegelungsgriff nach vorne ziehen.

Drehen Sie das Mähwerk langsam nach unten, bis der Stift die Hubarmplatte berührt (A in Bild 38).

Drücken Sie das Mähwerk mit dem Fuß nach unten und ziehen Sie es dann den Stift heraus (B in Bild 38), um das Mähwerk in die TRANSPORTstellung zu bringen.
Stecken Sie die Schnitthöhenstifte durch die Schnitthöhenplatten und Ketten.
Wenn Sie die Maschine abschleppen oder schieben müssen, stellen Sie die Traktionspumpe so ein, dass der Fluss des Hydrauliköl überbrückt wird. Bewegen Sie die Maschine nur mit einer Geschwindigkeit von weniger als 4,8 km/h für eine sehr kurze Strecke.
Important: Wenn Sie die Abschleppgrenzen überschreiten, kann dies zu schweren Schäden an der Hydraulikpumpe führen.Wenn Sie die Maschine über eine längere Distanz bewegen müssen, transportieren Sie sie auf einem Anhänger.
Zugang zum Sicherheitsventil von der Unterseite der Maschine aus.

Lösen Sie das Sicherheitsventil mit einem 14 mm Ringschlüssel und öffnen Sie das Ventil dann maximal um drei Umdrehungen.
Important: Den Motor nicht starten oder laufen lassen, wenn das Ventil in der Bypass-Stellung ist.
Ziehen Sie nach dem Abschleppen und vor dem Starten des Motors das Sicherheitsventil mit einem Drehmoment von 12 N∙m wieder zu.
Gehen Sie beim Verladen und Abladen der Maschine auf einen/von einem Anhänger oder Pritschenwagen vorsichtig vor.
Verwenden Sie durchgehende Rampen für das Verladen der Maschine auf einen Anhänger oder Pritschenwagen.
Vergurten Sie die Maschine.
Ziehen Sie den Schlüssel ab, bevor Sie die Maschine einlagern oder Transportieren.
Note: Bestimmen Sie die linke und rechte Seite der Maschine anhand der üblichen Einsatzposition.
Note: Laden Sie ein kostenfreies Exemplar des elektrischen oder hydraulischen Schaltbilds von www.Toro.com herunter und suchen Sie Ihre Maschine vom Link für die Bedienungsanleitungen auf der Homepage.
Bevor Sie den Fahrerstand verlassen, gehen Sie wie folgt vor:
Stellen Sie die Maschine auf einer ebenen Fläche ab.
Kuppeln Sie die Zapfwelle aus und senken Sie die Anbaugeräte ab.
Aktivieren Sie die Feststellbremse.
Stellen Sie den Motor ab und ziehen Sie den Schlüssel ab.
Warten Sie, bis alle beweglichen Teile zum Stillstand gekommen sind.
Wenn Sie den Schlüssel im Zündschloss lassen, könnte eine andere Person den Motor versehentlich anlassen und Sie und Unbeteiligte schwer verletzen. Ziehen Sie den Schlüssel aus dem Zündschloss, bevor Sie Wartungsarbeiten durchführen.
Lassen Sie alle Maschinenteile abkühlen, ehe Sie mit Wartungsarbeiten beginnen.
Befinden sich die Mähwerke in der Transport-Stellung, verwenden Sie die formschlüssige mechanische Sicherung (sofern vorhanden), bevor Sie die Maschine unbeaufsichtigt lassen.
Führen Sie Wartungsarbeiten möglichst nicht bei laufendem Motor durch. Fassen Sie keine beweglichen Teile an.
Stützen Sie die Maschine mit Achsständern ab, wenn Sie Arbeiten unter der Maschine ausführen.
Lassen Sie den Druck aus Maschinenteilen mit gespeicherter Energie vorsichtig ab.
Alle Teile der Maschine müssen sich in gutem Zustand befinden, und alle Hardware – insbesondere die Messerbefestigungen – korrekt festgezogen sein.
Ersetzen Sie abgenutzte und beschädigte Aufkleber.
Verwenden Sie nur Originalersatzteile von Toro, um eine sichere und optimale Leistung zu gewährleisten. Ersatzteile anderer Hersteller können gefährlich sein und eine Verwendung könnte die Garantie ungültig machen.
| Wartungsintervall | Wartungsmaßnahmen |
|---|---|
| Nach der ersten Betriebsstunde |
|
| Nach 10 Betriebsstunden |
|
| Nach 50 Betriebsstunden |
|
| Nach 1000 Betriebsstunden |
|
| Bei jeder Verwendung oder täglich |
|
| Alle 50 Betriebsstunden |
|
| Alle 100 Betriebsstunden |
|
| Alle 200 Betriebsstunden |
|
| Alle 250 Betriebsstunden |
|
| Alle 400 Betriebsstunden |
|
| Alle 500 Betriebsstunden |
|
| Alle 800 Betriebsstunden |
|
| Alle 1000 Betriebsstunden |
|
| Alle 2000 Betriebsstunden |
|
| Monatlich |
|
| Jährlich |
|
| Alle 2 Jahre |
|
Important: Weitere Informationen zu Wartungsarbeiten finden Sie in der Motorbedienungsanleitung.
Kopieren Sie diese Seite für regelmäßige Verwendung.
| Wartungsprüfpunkt | Für KW: | ||||||
|---|---|---|---|---|---|---|---|
| Mo | Di | Mi | Do | Fr | Sa | So | |
| Prüfen Sie die Funktion der Sicherheitsschalter. | |||||||
| Stellen Sie sicher, dass der Überrollschutz hochgeklappt und arretiert ist. | |||||||
| Prüfen Sie die Funktion der Feststellbremse. | |||||||
| Prüfen Sie den Kraftstoffstand. | |||||||
| Prüfen Sie den Motorölstand. | |||||||
| Prüfen Sie den Stand des Kühlsystems. | |||||||
| Entleeren Sie den Kraftstoff-/Wasserabscheider. | |||||||
| Prüfen Sie die Anzeige für den Luftfilter.3 | |||||||
| Prüfen Sie den Kühler und das Kühlergitter auf Sauberkeit. | |||||||
| Achten Sie auf ungewöhnliche Motorengeräusche.1. | |||||||
| Achten Sie auf ungewöhnliche Betriebsgeräusche. | |||||||
| Prüfen Sie die Hydraulikschläuche auf Defekte. | |||||||
| Prüfen Sie die Dichtheit. | |||||||
| Prüfen Sie den Reifendruck. | |||||||
| Prüfen Sie die Funktion der Instrumente. | |||||||
| Schmieren Sie alle Schmiernippel ein.2 | |||||||
| Bessern Sie alle Lackschäden aus. | |||||||
| Prüfen Sie den Sicherheitsgurt. | |||||||
|
1Prüfen Sie bei Startschwierigkeiten, bei zu starkem Qualmen oder unruhigem Motorlauf die Glühkerzen und Einspritzdüsen 2 Sofort nach jedem Reinigen, unabhängig von den aufgeführten Intervallen 3 Wenn die Anzeige rot aufleuchtet |
|||||||
| Aufzeichnungen irgendwelcher Probleme | ||
| Inspiziert durch: | ||
| Punkt | Datum | Informationen |
Mechanische oder hydraulische Wagenheber können u. U. ausfallen, was schwere Verletzungen zur Folge haben kann.
Stützen Sie die angehobene Maschine mit Achsständern ab.
Verwenden sie zum Anheben der Maschine nur hydraulische Achsständer.
Important: Stellen Sie sicher, dass sich keine Kabel oder Hydraulikkomponenten zwischen dem Wagenheber und dem Rahmen befinden.

Unterlegen Sie die beiden Hinterräder mit Unterlegkeilen, damit sich die Maschine nicht bewegen kann.
Positionieren Sie den Wagenheber sicher unter dem gewünschten Wagenheberpunkt.
Verwenden Sie nach dem Anheben der Maschinenfront einen geeigneten Stützfuß unter dem Maschinenrahmen, um die Maschine abzustützen.
Important: Stellen Sie sicher, dass sich keine Kabel oder Hydraulikkomponenten zwischen dem Wagenheber und dem Rahmen befinden.

Unterlegen Sie die beiden Vorderräder mit Unterlegkeilen, damit sich die Maschine nicht bewegen kann.
Positionieren Sie den Wagenheber sicher unter dem gewünschten Wagenheberpunkt.
Important: Allradmaschinen besitzen Hydraulikleitungen, die nahe am Rahmen verlaufen. Stellen Sie sicher, dass Ihr Wagenheber so positioniert ist, dass die Hydraulikleitungen beim Anheben der Maschine nicht beschädigt werden.
Verwenden Sie nach dem Anheben der Maschinenfront einen geeigneten Stützfuß unter dem Maschinenrahmen, um die Maschine abzustützen.
| Wartungsintervall | Wartungsmaßnahmen |
|---|---|
| Bei jeder Verwendung oder täglich |
|
| Alle 50 Betriebsstunden |
|
Die Maschine hat Schmiernippel, die regelmäßig mit Nr. 2 Schmierfett auf Lithiumbasis eingefettet werden müssen.
Important: Schmieren Sie die Maschine sofort nach jeder Wäsche.
Spannarm (Bild 43)

Zapfwellen-Antriebswelle (Bild 44)
Important: Fetten Sie die Antriebswelle vor jedem Gebrauch oder täglich ein.

Achsendrehbüchse (Bild 45)

Vorderseite der Maschine (Bild 46):
Drehgelenke des Anbaugeräts (2)
Hubzylinderbüchsen (2)
Hubarm-Lagerbolzen (2)

Heck der Maschine (Bild 47):
Hydraulikzylinder-Kugelgelenke (2)
Achsspindel-Naben (2)

Stellen Sie den Motor ab und ziehen den Schlüssel ab, bevor Sie den Ölstand prüfen oder Öl in das Kurbelgehäuse einfüllen.
Ändern Sie nicht die Geschwindigkeit des Drehzahlreglers oder überdrehen den Motor.
Öltyp: Verwenden Sie qualitativ hochwertiges Öl mit niedrigem Aschegehalt, dass die folgenden Spezifikationen erfüllt oder übersteigt:
API-Klassifikation CJ-4 oder höher
ACEA-Klassifikation E6
JASO-Klassifikation DH-2
Fassungsvermögen des Kurbelgehäuses: ca. 6,2 l mit Filter.
Viskosität: Verwenden Sie Motoröl mit der folgenden Motorölviskosität:
Bevorzugte Ölsorte: SAE 15W-40 (über -18 °C)
Ersatzöl: SAE 10W-30 oder 5W-30 (alle Temperaturen)
Premium Motoröl von Toro ist vom offiziellen Toro-Vertragshändler mit einer Viskosität von 15W-40 oder 10W-30 erhältlich.
| Wartungsintervall | Wartungsmaßnahmen |
|---|---|
| Bei jeder Verwendung oder täglich |
|
Der Stand des Motoröls sollte am besten bei kaltem Motor vor dem täglichen Anlassen geprüft werden. Wenn der Motor bereits gelaufen ist, lassen Sie das Öl für 10 Minuten in die Wanne zurücklaufen, bevor Sie den Ölstand prüfen.
Wenn der Ölstand an oder unter der Nachfüllen-Markierung am Peilstab liegt, gießen Sie Öl nach, bis der Ölstand die VOLL-Markierung erreicht. Füllen Sie nicht zu viel Motoröl ein.
Important: Prüfen Sie das Motoröl täglich. Wenn der Stand des Motoröls über der Voll-Markierung am Peilstab liegt, ist das Motoröl ggf. mit Kraftstoff verdünnt. Wenn der Stand des Motoröls über der Voll-Markierung liegt, wechseln Sie das Motoröl.
Important: Halten Sie den Stand des Motoröls zwischen den unteren und oberen Markierungen am Peilstab. Der Motor kann ausfallen, wenn er mit zu wenig oder zu viel Öl verwendet wird.
Öffnen Sie die Motorhaube, siehe Öffnen der Motorhaube.
Prüfen Sie den Ölstand im Motor, siehe Bild 48.

| Wartungsintervall | Wartungsmaßnahmen |
|---|---|
| Alle 500 Betriebsstunden |
|
Lassen Sie den Motor an und lassen Sie ihn ca. 5 Minuten lang laufen, damit sich das Öl erwärmt.
Parken Sie die Maschine auf einer ebenen Fläche, aktivieren Sie die Feststellbremse, stellen Sie den Motor ab, ziehen Sie den Schlüssel ab und warten Sie, bis alle beweglichen Teile zum Stillstand gekommen sind, bevor Sie die Bedienposition der Maschine verlassen.
Wechseln Sie das Motoröl wie in Bild 49 gezeigt.

Wechseln Sie den Ölfilter wie in Bild 50 gezeigt.
Note: Stellen Sie sicher, dass die Ölfilterdichtung den Motor berührt und drehen Sie ihn dann um eine weitere Dreivierteldrehung.

| Wartungsintervall | Wartungsmaßnahmen |
|---|---|
| Bei jeder Verwendung oder täglich |
|
| Alle 250 Betriebsstunden |
|
Prüfen Sie das Luftfiltergehäuse auf Beschädigungen, die eventuell zu einem Luftleck führen können. Ersetzen Sie ein beschädigtes Luftfiltergehäuse. Prüfen Sie die Ansauganlage auf Lecks, Beschädigungen oder lose Schlauchklemmen.
Warten Sie den Luftfiltereinsatz nur, wenn die Verstopfungsanzeige dies angibt (Bild 51). Das frühzeitige Auswechseln des Luftfilterelements erhöht die Gefahr, dass Schmutz in den Motor gelangt, wenn Sie das Filterelement entfernen.

Important: Vergewissern Sie sich, dass die Abdeckung richtig sitzt und mit dem Luftfiltergehäuse dichtet sowie die Verriegelungen richtig geschlossen sind.
Unter gewissen Bedingungen sind Dieselkraftstoff und -dünste äußerst brennbar und explosiv. Feuer und Explosionen durch Kraftstoff können Sie und Unbeteiligte verletzen und Sachschäden verursachen.
Rauchen Sie nie beim Umgang mit Kraftstoff und halten einen Abstand zu offenen Flammen und Bereichen, in denen Kraftstoffdämpfe durch Funken entzündet werden könnten.
| Wartungsintervall | Wartungsmaßnahmen |
|---|---|
| Alle 50 Betriebsstunden |
|
Lassen Sie das Wasser aus dem Kraftstofffilter bzw. Wasserabscheider ab, wie in Bild 53 dargestellt.

Entlüften Sie den Filter und die Leitungen zur Hochdruckpumpe; siehe Vorfüllen der Kraftstoffanlage.
| Wartungsintervall | Wartungsmaßnahmen |
|---|---|
| Alle 400 Betriebsstunden |
|
Wechseln Sie den Kraftstoff-/Wasserabscheider aus, wie in Bild 53 dargestellt.

Entlüften Sie den Filter und die Leitungen zur Hochdruckpumpe; siehe Vorfüllen der Kraftstoffanlage.
| Wartungsintervall | Wartungsmaßnahmen |
|---|---|
| Alle 400 Betriebsstunden |
|
Reinigen Sie den Bereich um den Kraftstofffilterkopf (Bild 55).

Entfernen Sie den Filter und reinigen die Kontaktfläche (Bild 55).
Fetten Sie die Filterdichtung mit sauberem Motorschmieröl ein. Weitere Informationen finden Sie in der Motorbedienungsanleitung.
Setzen Sie die trockene Filterglocke mit der Hand ein, bis die Dichtung den Filterkopf berührt; drehen Sie sie dann um eine weitere halbe Umdrehung fest.
Entlüften Sie den Filter und die Leitungen zur Hochdruckpumpe; siehe Vorfüllen der Kraftstoffanlage.
Lassen Sie den Motor an und achten Sie auf austretenden Kraftstoff am Filterkopf.
| Wartungsintervall | Wartungsmaßnahmen |
|---|---|
| Jährlich |
|
Entleeren und reinigen Sie den Tank, wenn die Kraftstoffanlage verschmutzt ist oder die Maschine längere Zeit eingelagert wird. Spülen Sie den Tank mit frischem Kraftstoff aus.
| Wartungsintervall | Wartungsmaßnahmen |
|---|---|
| Alle 400 Betriebsstunden |
|
| Alle 2 Jahre |
|
Prüfen Sie die Kraftstoffleitungen auf Verschleiß, Defekte oder lockere Anschlüsse.
Entlüften Sie die Kraftstoffanlage nach folgenden Ereignissen:
Wechsel des Kraftstofffilters.
Entleeren des Wasserabscheiders nach jedem Gebrauch oder täglich.
Leergefahrenen Kraftstofftank.
Wechsel eines Kraftstoffschlauchs oder Öffnen der Kraftstoffanlage aus irgendeinem Grund.
Führen Sie zum Befüllen der Kraftstoffanlage die folgenden Schritte aus.
Important: Entlüften Sie die Kraftstoffanlage niemals, indem Sie den Motor mittels dem Anlasser starten.
Stellen Sie sicher, dass Kraftstoff im Kraftstofftank ist.
Führen Sie die folgenden Schritte aus, um den Filter und die Leitungen zur Hochdruckpumpe zu entlüften, um Verschleiß oder Beschädigungen an der Pumpe zu vermeiden:
Drehen Sie den Zündschlüssel 15 bis 20 Sekunden lang auf die EIN-Stellung.
Drehen Sie den Zündschlüssel 30 bis 40 Sekunden lang auf die AUS-Stellung.
Note: Dadurch kann das ECU heruntergefahren werden.
Drehen Sie den Zündschlüssel 15 bis 20 Sekunden lang auf die EIN-Stellung.
Überprüfen Sie den Filter und die Schläuche auf Undichtigkeiten.
Lassen Sie den Motor an und prüfen Sie die Dichtheit.
Klemmen Sie vor dem Durchführen von Reparaturen an der Maschine den Akku ab. Klemmen Sie immer zuerst die Minusklemme und dann die Plusklemme ab. Schließen Sie immer zuerst den Pluspol und dann den Minuspol an.
Laden Sie den Akku in offenen, gut gelüfteten Bereichen und nicht in der Nähe von Funken und offenem Feuer. Stecken Sie das Ladegerät aus, ehe Sie die Batterie anschließen oder abklemmen. Tragen Sie Schutzkleidung und verwenden Sie isoliertes Werkzeug.
| Wartungsintervall | Wartungsmaßnahmen |
|---|---|
| Alle 50 Betriebsstunden |
|
Der Akku befindet sich neben dem Kraftstofftank auf der linken Seite der Maschine. Heben Sie die Motorhaube an, lösen Sie die Rändelschraube, mit der die Abdeckung über dem Akku befestigt ist, und entfernen Sie die Abdeckung, um am Akku zu gelangen (Bild 56).
Note: Die Schraube wird mit einer Sicherungsscheibe gehalten.

Akkupole und Metallwerkzeuge können an metallischen Teilen Kurzschlüsse verursachen, was Funken erzeugen kann. Funken können zum Explodieren der Gase im Akku führen und Verletzungen verursachen.
Beim Aus- und Einbau des Akkus verhindern, dass Akkupole mit Metallteilen der Maschine in Kontakt kommen.
Verhindern Sie durch den Einsatz von Metallwerkzeugen Kurzschlüsse zwischen Akkupolen und Metallteilen der Maschine.
Das unsachgemäße Verlegen der Akkukabel kann zu Schäden an der Maschine und den Kabeln führen und Funken erzeugen. Funken können zum Explodieren der Batteriegase führen, was Verletzungen zur Folge haben kann.
Trennen Sie immer das Minuskabel (Schwarz) ab, bevor Sie das Pluskabel (Rot) abtrennen.
Das unsachgemäße Verlegen der Akkukabel kann zu Schäden an der Maschine und den Kabeln führen und Funken erzeugen. Funken können zum Explodieren der Akkugase führen, was Verletzungen zur Folge haben kann.
Schließen Sie immer das Pluskabel (rot) des Akkus an, bevor Sie das Minuskabel (schwarz) anschließen.
Schließen Sie das Pluskabel des Akkus an und ziehen Sie die Mutter der Akkuklemme an (Bild 58).

Schließen Sie das Minuskabel des Akkus an und ziehen Sie die Mutter der Akkuklemme an (Bild 58).
Important: Achten Sie darauf, dass die Befestigungselemente der Kabelklemme den Kraftstofftank nicht beeinträchtigen.
Ein Halter (Bild 59) hält den Akku im Akkufach. Lösen Sie die Haltevorrichtung, um den Akku zu entfernen; ziehen Sie diese beim Einsetzen des Akkus wieder fest.
Note: Zugang zum Akku, siehe Freilegen des Akkus. Setzen Sie die Abdeckung wieder ein, wenn Sie den Akku einsetzen.

| Wartungsintervall | Wartungsmaßnahmen |
|---|---|
| Alle 50 Betriebsstunden |
|
Important: Klemmen Sie vor Schweißarbeiten an der Maschine das negative Akkukabel vom Akkupol ab, um einer Beschädigung der elektrischen Anlage vorzubeugen.
Prüfen Sie den Akkuzustand wöchentlich oder alle 50 Betriebsstunden. Halten Sie die Klemmen und das ganze Akkugehäuse sauber. Ist der Akku verschmutzt, entlädt er sich langsam.
Greifen Sie auf den Akku zu, siehe Freilegen des Akkus.
Nehmen Sie die Gummimuffe vom Pluspol ab und prüfen Sie den Akku. Wenn der Akku verschmutzt ist, gehen Sie wie folgt vor:
Waschen Sie den ganzen Kasten mit Natronlauge aus.
Tragen Sie auf beide Akkupole und Kabelanschlüsse Grafo-112X-Fett (Toro-Bestellnummer 505-47) oder Vaseline auf, um Korrosion vorzubeugen.
Schieben Sie die Gummimuffe über den Pluspol.
Schließen Sie die Akkuabdeckung.
Entfernen Sie die Bedienfeldabdeckung, um auf die Sicherungen der Zugmaschine zuzugreifen (Bild 60).
Note: Der Aufkleber für die Sicherung der Zugmaschine befindet sich auf der anderen Seite der Bedienfeldabdeckung.

In der Tabelle Sicherungsblock der Zugmaschine finden Sie eine Beschreibung der einzelnen Sicherungen auf dem Sicherungsblock der Zugmaschine (Bild 61):

| A | B | |
| 1 | Kabine (10 A) | Stromversorgung des Bildschirms (15 A) |
| 2 | Freier Einschub | Tastatureingang für die Bildschirmsteuerung (10 A) |
| 3 | Luftgefederter Sitz (15 A) | Starterschaltkreis (10 A) |
| 4 | USB-Anschluss, Betriebsstundenzähler, Telematik, Erweiterungsport (20 A) | Strom Zündschalter (15 A) |
Die Kabinensicherungen befinden sich über dem Beifahrersitz. Entfernen Sie den Sicherungskastendeckel, um an die Sicherungen zu gelangen (Bild 62).

In der Tabelle Kabinensicherungsblock finden Sie eine Beschreibung der einzelnen Sicherungen auf dem Sicherungsblock der Zugmaschine (Bild 63):

| A | |
| 1 | Kondensatorlüfter; Kupplung Klimaanlage (25 A) |
| 2 | Scheibenwaschanlage (20 A) |
| 3 | Belüftung und Innenbeleuchtung (40 A) |
| 4 | Freier Einschub |
| Wartungsintervall | Wartungsmaßnahmen |
|---|---|
| Nach der ersten Betriebsstunde |
|
| Nach 10 Betriebsstunden |
|
| Alle 200 Betriebsstunden |
|
Anzugsmoment der Radmuttern: 102-108 N∙m.
Ziehen Sie die Radmuttern an den Vorder- und Hinterrädern (nur Allradmaschinen) in einem kreuzförmigen Muster, wie in Bild 64 dargestellt, auf das angegebene Drehmoment an.Bild 65
Wenn Sie das Teleskopende der Zapfwelle vom Kupplungsende trennen, achten Sie darauf, dass die Farbmarkierungen ausgerichtet sind und die Passfeder mit der fehlenden Nut im Kupplungsende übereinstimmt (Bild 66), wenn Sie das Teleskopende einsetzen. Die Endjoche sollten ebenfalls, wie in Bild 66 dargestellt, ausgerichtet werden.
Important: Wenn die Antriebswelle nicht ausgerichtet ist, kann es zu schweren Unwuchten im Antriebsstrang kommen.

Ein Verschlucken von Motorkühlmittel kann zu Vergiftungen führen; Kinder und Haustiere sollten keinen Zugang zum Kühlmittel haben.
Ablassen von heißem, unter Druck stehendem Kühlmittel bzw. eine Berührung des heißen Kühlers und benachbarter Teile kann zu schweren Verbrennungen führen.
Lassen Sie den Motor immer für mindestens 15 Minuten abkühlen, bevor Sie den Kühlerdeckel abnehmen.
Verwenden Sie beim Öffnen des Kühlerdeckels einen Lappen und öffnen den Kühler langsam, damit Dampf ohne Gefährdung austreten kann.
Setzen Sie die Maschine nie mit abgenommenen Abdeckungen ein.
Halten Sie Finger, Hände und Kleidungsstücke vom sich drehenden Lüfter und dem Treibriemen fern.
Der Kühlmittelbehälter ist werkseitig mit einer 50/50-Lösung aus Wasser und langlebigem Kühlmittel auf Ethylenglykolbasis gefüllt.
Important: Verwenden Sie nur handelsübliche Kühlmittel, die den in der Tabelle Kühlmittelprodukte mit verlängerter Lebensdauer“ aufgeführten Spezifikationen entsprechen.Verwenden Sie kein herkömmliches (grünes) Kühlmittel mit anorganischer Säuretechnologie (IAT) in Ihrer Maschine. Mischen Sie kein herkömmliches Kühlmittel mit Kühlmittel mit verlängerter Lebensdauer.
|
Ethylen-Glykol Kühlmittel |
Korrosionsinhibitor |
|
Frostschutzmittel mit verlängerter Lebensdauer |
Organische-Säure Technologie (OAT) |
|
Important: Verlassen Sie sich nicht auf die Farbe des Kühlmittels, um den Unterschied zwischen herkömmlichen (grün) Kühlmittel mit anorganischer Säuretechnologie (IAT) und Kühlmittel mit verlängerter Lebensdauer zu erkennen.Hersteller können Kühlmittel mit verlängerter Lebensdauer in einer der folgenden Farben einfärben: rot, rosa, orange, gelb, blau, türkis, violett und grün. Verwenden Sie Kühlmittel, die den in der Tabelle Kühlmittelprodukte mit verlängerter Lebensdauer“ Spezifikationen entsprechen. |
|
|
ATSM International |
SAE International |
|
D3306 und D4985 |
J1034, J814 und 1941 |
Important: Die Kühlmittelkonzentration sollte ein 50/50-Gemisch aus Kühlmittel und Wasser sein.
Bevorzugt: Wenn Sie Kühlmittel aus einem Konzentrat mischen, mischen Sie es mit destilliertem Wasser.
Bevorzugte Option: Wenn kein destilliertes Wasser verfügbar ist, verwenden Sie ein vorgemischtes Kühlmittel anstelle eines Konzentrats.
Mindestanforderung: Wenn destilliertes Wasser und vorgemischtes Kühlmittel nicht zur Verfügung stehen, mischen Sie konzentriertes Kühlmittel mit sauberem Trinkwasser.
| Wartungsintervall | Wartungsmaßnahmen |
|---|---|
| Bei jeder Verwendung oder täglich |
|
| Alle 2000 Betriebsstunden |
|
Wenn der Motor kalt ist, sollte der Kühlmittelstand nicht höher sein als die KALT-Markierung auf der Seite des Ausdehnungsgefäßes (Bild 67). Wenn der Motor warm ist, sollte der Kühlmittelstand nicht höher als die VOLL (WARM)-Markierung sein.
Wenn das Kühlmittel bei kaltem Motor über der KALT-Markierung liegt, kann es während des Betriebs aus dem Ausdehnungsgefäß austreten.
Überprüfen Sie den Kühlmittelstand im Ausgleichsbehälter, wenn der Motor kalt ist.

Wenn das Kühlmittel an der KALT-Markierung oder darunter nicht sichtbar ist, entfernen Sie die Kappe des Ausdehnungsgefäßes und geben Sie das empfohlene Ersatzkühlmittel hinzu [siehe Empfohlenes Kühlmittel], um den Füllstand auf die KALT-Markierung zu bringen.
Important: Verwenden Sie niemals pures Wasser oder Kühlmittel auf Alkoholbasis.Füllen Sie das Kühlmittel nicht über die KALT -Markierung am Ausdehnungsgefäß hinaus.
Setzen Sie den Deckel des Ausdehnungsgefäßes auf.
| Wartungsintervall | Wartungsmaßnahmen |
|---|---|
| Alle 50 Betriebsstunden |
|

Öffnen Sie die Motorhaube, siehe Öffnen der Motorhaube.
Reinigen Sie das Luftansauggitter mit Druckluft (siehe Bild 68). Richten Sie dabei die Druckluft vom Motorinnenraum nach außen.
| Wartungsintervall | Wartungsmaßnahmen |
|---|---|
| Alle 50 Betriebsstunden |
|
| Alle 250 Betriebsstunden |
|
Reinigen Sie die Kühlrippen mit Druckluft. Richten Sie dabei die Druckluft vom Motorinnenraum nach außen (Bild 69).
Important: Reinigen Sie die Kühlrippen nicht mit Wasser.

Richten Sie alle gebogenen Kühlrippen wieder aus.
| Wartungsintervall | Wartungsmaßnahmen |
|---|---|
| Alle 200 Betriebsstunden |
|
| Alle 2 Jahre |
|
Prüfen Sie die Schläuche des Kühlsystems auf Dichtheit, Knicke, lockere Stützteile, Abnutzung, lockere Verbindungsteile, witterungsbedingten Verschleiß und chemische Zersetzung. Führen Sie vor Verwendung der Maschine alle erforderlichen Reparaturen durch.
| Wartungsintervall | Wartungsmaßnahmen |
|---|---|
| Alle 400 Betriebsstunden |
|
Bringen Sie Achsständer unter der Vorderseite der Maschine an, siehe Anheben der Vorderseite der Maschine.
Entfernen Sie die Vorderräder.
Stellen Sie den Feststellbremse in die DEAKTIVIERT-Stellung, siehe Feststellbremse.
Entfernen Sie die Bremstrommeln (Bild 70) von Hand.
Wenn Sie beim Abnehmen der Bremstrommeln von Hand einen Widerstand spüren, ist keine Einstellung erforderlich.
Wenn Sie beim Abnehmen der Bremstrommeln von Hand keinen Widerstand spüren, ist eine Einstellung erforderlich; siehe Einstellen der Feststellbremse.

Montieren Sie die Vorderreifen und ziehen die Radmuttern an, siehe Radmuttern festziehen.
Blockieren Sie die Räder.
Stellen Sie sicher, dass die Feststellbremse gelöst ist.
Lokalisieren Sie die Bremskabelhalterung (Bild 71) unter der linken Seite der Maschine, nahe dem linken Rad.

Lösen Sie die oberen Klemmmuttern so, dass ein Spalt (3,2 mm bis 4,8 mm) entsteht.
Ziehen Sie am Kabel nach unten, bis die obere Klemmmutter die Halterung berührt.
Ziehen Sie die untere Klemmmutter fest.
Wiederholen Sie die Schritte 5 bis 6 für das andere Kabel.
Prüfen Sie die Feststellbremse; siehe Prüfen der Feststellbremse.
| Wartungsintervall | Wartungsmaßnahmen |
|---|---|
| Nach 10 Betriebsstunden |
|
| Nach 50 Betriebsstunden |
|
| Alle 100 Betriebsstunden |
|
Bei einer richtigen Riemenspannung lässt sich der Riemen 10 mm durchbiegen, wenn eine Kraft von 4,5 N∙m in der Mitte zwischen den Riemenscheiben angesetzt wird.
Führen Sie folgende Schritte aus, wenn die Auslenkung nicht 10 mm beträgt:
Lockern Sie die Befestigungsschraube der Lichtmaschine (Bild 63).

Erhöhen oder reduzieren Sie die Spannung des Lichtmaschinen-Treibriemens und ziehen Sie die Schraube wieder fest.
Prüfen Sie die Riemenspannung noch einmal auf korrekte Einstellung.
| Wartungsintervall | Wartungsmaßnahmen |
|---|---|
| Alle 100 Betriebsstunden |
|
Überprüfen Sie den Treibriemen auf überdurchschnittlichen Verschleiß oder Beschädigung.
Tauschen Sie den Riemen aus, wenn er sehr abgenutzt oder beschädigt ist, siehe Austauschen des Treibriemens.

Parken Sie die Maschine auf einer ebenen Fläche, senken Sie das Mähwerk ab, aktivieren Sie die Feststellbremse, stellen Sie den Motor ab und ziehen Sie den Zündschlüssel ab.
Trennen Sie die Zapfwelle vom Getriebe des Anbaugeräts; siehe Betriebsanleitung Ihres Anbaugeräts.
Ziehen Sie den Anschluss des Kabelbaums der Kupplung vom Maschinenkabelbaum ab.

Entfernen Sie den Gummipuffer von der Metallhalterung und der Kupplung (Bild 74).
Lassen Sie durch einen Helfer die Spannung vom Riemen mit einer Ratsche lösen, und entfernen Sie dann den Riemen von der Riemenscheibe der Pumpe, der Spannscheibe und der Motorriemenscheibe.
Um den alten Riemen zu entfernen, schieben Sie den Riemen über die Kupplung und nach vorne auf die Zapfwelle.
Führen Sie den Riemen entlang der Zapfwelle, über die Kupplung und auf die Motorriemenscheibe.
Lassen Sie die Spannscheibe durch einen Helfer mit einer Ratsche nach unten ziehen.
Führen Sie den Riemen über die Motorriemenscheibe, die Spannscheibe und der Riemenscheibe der Pumpe (Bild 73).
Entfernen Sie die Ratsche vom Spannarm.
Setzen Sie den Gummipuffer in die Metallhalterung ein und befestigen Sie den Puffer an der Kupplung.
Verbinden Sie den Anschluss des Kabelbaums der Kupplung mit dem Maschinenkabelbaum.
Bringen Sie die Zapfwelle am Getriebe des Anbaugeräts an.
| Wartungsintervall | Wartungsmaßnahmen |
|---|---|
| Alle 200 Betriebsstunden |
|
Lassen Sie den Motor abkühlen.
Öffnen Sie die Motorhaube.
Stellen Sie den Abstand so ein, dass eine 0,3 mm Fühlerlehre mit leichtem Druck zwischen die Kupplungsauskleidung und die Bremsscheibe passt (Bild 75).
Note: Drehen Sie die Einstellmuttern nach rechts, um den Abstand zu verringern (Bild 75). Der maximale Betriebsabstand beträgt 0,6 mm. Stellen Sie alle drei Luftspalte auf 0,4 mm ein.

Nachdem alle drei Luftspalte eingestellt sind, kontrollieren Sie alle drei nochmals nach.
Note: Das Einstellen eines Luftspalts kann die anderen verändern.
Sie können das Fahrpedal für den Bedienerkomfort oder zur Reduzierung der maximalen Vorwärtsgeschwindigkeit der Maschine einstellen.
Drücken Sie das Fahrpedal ganz durch (Bild 76).
Note: Das Fahrpedal sollte den Pedalanschlag leicht berühren, bevor die Pumpe den ganzen Hub durchlaufen hat.

Berührt das Fahrpedal den Pedalanschlag nicht oder wenn Sie die Fahrgeschwindigkeit der Maschine reduzieren möchten, führen Sie die folgenden Schritte aus:
Halten Sie den Fahrpedalanschlag (Bild 76) mit einem Schraubenschlüssel fest.
Lösen Sie die Klemmmutter an der Unterseite der Fußplattform-Platte (Bild 77).

Bewegen Sie das Fahrpedal in die Vollgas-Stellung (Bild 76).
Den Fahrpedalanschlag festhalten, die Klemmmutter oberhalb der Fußplattform-Platte (Bild 76) einstellen, bis das Fahrpedal den Anschlag berührt.
Verlängern Sie den Fahrpedalanschlag, indem Sie den Anschlag um eine volle Drehung nach links von der Klemmmutter oberhalb der Fußplattform-Platte drehen.
Note: Wenn Sie den Fahrpedalanschlag verkürzen, erhöhen Sie die Vorwärtsgeschwindigkeit der Maschine.
Halten Sie den Fahrpedalanschlag fest und ziehen Sie die Klemmmutter an der Unterseite der Fußplattform-Platte (Bild 76 und Bild 77) auf 37-45 N∙m an.
Überprüfen Sie, dass das Fahrpedal den Pedalanschlag leicht berührt, bevor die Pumpe den ganzen Hub durchlaufen hat.
Note: Berührt das Fahrpedal den Pedalanschlag nicht, die Schritte 1 bis 7 wiederholen.
Suchen Sie beim Einspritzen unter die Haut sofort einen Arzt auf. In die Haut eingedrungene Flüssigkeit muss sie innerhalb weniger Stunden von einem Arzt entfernt werden.
Stellen Sie sicher, dass alle Hydraulikschläuche und -leitungen in gutem Zustand und alle Hydraulikverbindungen und -anschlussstücke fest angezogen sind, bevor Sie die Hydraulikanlage unter Druck setzen.
Halten Sie Ihren Körper und Ihre Hände von Nadellöchern und Düsen fern, aus denen Hydrauliköl unter hohem Druck ausgestoßen wird.
Gehen Sie hydraulischen Undichtheiten nur mit Pappe oder Papier nach.
Lassen Sie den Druck in der Hydraulikanlage auf eine sichere Art und Weise ab, bevor Sie irgendwelche Arbeiten an der Hydraulikanlage durchführen.
Der Hydraulikbehälter wird im Werk mit ca. 22,7 l Hydrauliköl guter Qualität gefüllt. Prüfen Sie den Hydraulikölstand vor dem ersten Anlassen des Motors und dann täglich, siehe Prüfen des Hydraulikölstands.
Empfohlene Ersatzflüssigkeit: Toro PX Extended Life Hydraulic Fluid; erhältlich in 19-l-Eimern oder 208-l-Fässern.
Note: An einer Maschine, die mit dem empfohlenen Ersatzhydrauliköl befüllt wird, muss weniger häufig ein Öl- oder Filterwechsel durchgeführt werden.
Ersatzölsorten: Wenn das Toro PX Extended Life Hydraulic Fluid nicht erhältlich ist, können Sie andere handelsübliche, auf Erdöl basierende, Hydraulikflüssigkeiten verwenden, dessen Spezifikationen für alle folgenden Materialeigenschaften im aufgeführten Bereich liegen und die Industrienormen erfüllen. Kein synthetisches Öl verwenden. Wenden Sie sich an den Ölhändler, um einen entsprechenden Ersatz zu finden.
Note: Toro haftet nicht für Schäden, die aus einer unsachgemäßen Substitution entstehen. Verwenden Sie also nur Erzeugnisse namhafter Hersteller, die für die Qualität ihrer Produkte garantieren.
| Materialeigenschaften: | ||
| Viskosität, ASTM D445 | cSt @ 40 °C, 44 bis 48 | |
| Viskositätsindex ASTM D2270 | 140 oder höher | |
| Stockpunkt, ASTM D97 | -34 °C bis -45 °C | |
| Branchenspezifikationen: | Eaton Vickers 694 (I-286-S, M-2950-S/35VQ25 oder M-2952-S) | |
Note: Viele Hydraulikölsorten sind fast farblos, was das Erkennen von undichten Stellen erschwert. Als Beimischmittel für das Hydrauliköl können Sie ein rotes Färbmittel in 20 ml Flaschen kaufen. Eine Flasche reicht für 15-22 l Hydrauliköl. Bestellen Sie Bestellnummer 44-2500 vom offiziellen Toro Vertragshändler.
Important: Das synthetische und biologisch abbaubare Hydrauliköl Toro Premium ist das einzige von Toro zugelassene synthetische biologisch abbaubare Hydrauliköl. Dieses Öl ist mit den Elastomeren kompatibel, die in den Hydraulikanlagen von Toro verwendet werden, und eignet sich für viele Klimata. Dieses Öl ist mit konventionellen Mineralölen kompatibel. Sie sollten die Hydraulikanlage jedoch gründlich spülen, um das konventionelle Öl zu entfernen, um die beste biologische Abbaubarkeit und Leistung zu erhalten. Das Öl ist in Behältern mit 19 L oder Fässern mit 208 L bei Ihrem Toro-Vertragshändler erhältlich.
| Wartungsintervall | Wartungsmaßnahmen |
|---|---|
| Bei jeder Verwendung oder täglich |
|
Parken Sie die Maschine auf einer ebenen Fläche, senken Sie das Mähwerk ab, aktivieren Sie die Feststellbremse, stellen Sie den Motor ab und ziehen Sie den Zündschlüssel ab.
Entfernen Sie die Ablassschraube vom Hydrauliktank (Bild 78).

Entfernen Sie den Ölpeilstab aus dem Hydraulikbehälter und wischen ihn mit einem sauberen Lappen ab (Bild 78).
Führen Sie den Peilstab in den Hydrauliktank ein.
Nehmen Sie den Peilstab wieder heraus und prüfen Sie den Ölstand (Bild 79).
Bei angebautem Mähwerk: Der Hydraulikölstand ist korrekt, wenn sich die Flüssigkeit zwischen den beiden Markierungen auf dem Ölpeilstab abzeichnet (A in Bild 79). Liegt der Flüssigkeitsstand über den unteren Markierungen ist dies auch ausreichend.
Bei installiertem Schlauchkit für hydraulische betriebene Anbaugeräte: Der Hydraulikölstand ist korrekt, wenn sich die Flüssigkeit zwischen den beiden oberen Markierungen auf dem Ölpeilstab abzeichnet (B in Bild 79).

Befindet sich der Hydraulikölstand unterhalb der entsprechenden unteren Markierung (gemäß Ihrem ausgestatteten Anbaugerät; siehe Schritt 5) am Ölpeilstab liegt, füllen Sie das angegebene Hydrauliköl nach. Wiederholen Sie die Schritte 3 bis 5, bis sich der Hydraulikölstand zwischen den beiden entsprechenden Markierungen auf dem Ölpeilstab abzeichnet.
Führen Sie den Peilstab wieder in den Hydrauliktank ein und verschließen Sie die Kappe.
Ziehen Sie die Kappe mit der Hand an.
Important: Verwenden Sie kein Werkzeug, um die Kappe anzuziehen.
Prüfen Sie alle Hydraulikschläuche und Anschlussstücke auf Dichtheit.
| Wartungsintervall | Wartungsmaßnahmen |
|---|---|
| Nach 1000 Betriebsstunden |
|
| Alle 800 Betriebsstunden |
|
| Alle 1000 Betriebsstunden |
|
| Alle 2000 Betriebsstunden |
|
Wenn das Hydrauliköl verunreinigt ist, setzen Sie sich mit Ihrem autorisierten Toro Vertragshändler in Verbindung, um die Anlage spülen zu lassen. Verunreinigtes Öl sieht im Vergleich zu sauberem Öl milchig oder schwarz aus.
Important: Verwenden Sie Toro Ersatzfilter, siehe Ersatzteilkatalog der Maschine. Der Einsatz anderer Filter führt u. U. zum Verlust Ihrer Garantieansprüche für einige Bauteile.
Parken Sie die Maschine auf einer ebenen Fläche, senken Sie das Mähwerk ab, aktivieren Sie die Feststellbremse, stellen Sie den Motor ab und ziehen Sie den Zündschlüssel ab.
Stellen Sie eine große Auffangwanne unter den Hydraulikölbehälter.
Entfernen Sie den Deckel des Hydraulikbehälters und den Peilstab.
Nehmen Sie die Ablassschraube unten am Behälter ab und lassen Sie die Hydraulikflüssigkeit in die Auffangwanne ablaufen (Bild 80).

Reinigen Sie den Anbaubereich des Filters.
Stellen Sie eine Auffangwanne unter den Filter (Bild 80), entfernen Sie den Filter und lassen Sie das restliche Öl in die Auffangwanne laufen.
Ölen Sie die neue Filterdichtung ein und füllen den Filter mit Hydrauliköl.
Stellen Sie sicher, dass der Befestigungsbereich des Filters sauber ist, schrauben Sie den Filter auf, bis die Dichtung die Befestigungsplatte berührt und ziehen den Filter dann um eine halbe Umdrehung an.
Füllen Sie den Hydraulikbehälter mit Hydrauliköl, siehe Prüfen des Hydraulikölstands.
Important: Verwenden Sie nur die angegebenen Hydraulikölsorten. Andere Ölsorten können die hydraulische Anlage beschädigen.
Schrauben Sie die Ablassschraube wieder fest ein, wenn kein Hydrauliköl mehr austritt.
Drehen Sie den Peilstab und den Deckel wieder ein.
Starten Sie den Motor und benutzen alle hydraulischen Bedienelemente in der folgenden Reihenfolge, um das Hydrauliköl in der ganzen Anlage zu verteilen:
Bewegen Sie die Maschine mittels dem Fahrpedal vorwärts oder rückwärts.
Schlagen Sie die Räder mit dem Lenkrad ganz nach rechts und links ein.
Verwenden Sie den Hubschalter, um das Anbaugerät (z. B. Mähwerk) anzuheben und abzusenken.
Prüfen Sie auf undichte Stellen und stellen den Motor ab.
Prüfen Sie den Hydraulikölstand im Tank, siehe Prüfen des Hydraulikölstands.
| Wartungsintervall | Wartungsmaßnahmen |
|---|---|
| Bei jeder Verwendung oder täglich |
|
| Alle 2 Jahre |
|
Prüfen Sie die Hydraulikleitungen und Schläuche täglich auf Dichtheit, Knicke, lockere Stützteile, Abnutzung, lockere Anschlussstücke, witterungsbedingte Minderung und chemischen Angriff. Führen Sie vor Verwendung der Maschine alle erforderlichen Reparaturen durch.
Important: Vorsicht im Bereich der Kabinendichtungen (Bild 81). Halten Sie bei der Verwendung eines Hochdruckreinigers das Strahlrohr mindestens 0,6 m von der Maschine entfernt. Verwenden Sie den Hochdruckreiniger nicht direkt an den Kabinendichtungen oder unter dem hinteren Überhang.

| Wartungsintervall | Wartungsmaßnahmen |
|---|---|
| Alle 400 Betriebsstunden |
|
Entfernen Sie die Drehknöpfe und Roste vom hinteren Überhang der Kabine (Bild 82).

Nehmen Sie den Filter aus der Kabine heraus.
Blasen Sie saubere, ölfreie Druckluft durch die Filter, um sie zu reinigen.
Important: Wenn ein Filter ein Loch, Riss oder andere Schäden hat, wechseln Sie den Filter aus.
Verwenden Sie die Drehknöpfe und Roste, um die Filter in die Kabine einzubauen (Bild 82).
Der Kabinenkondensatorfilter soll verhindern, dass große Fremdkörper wie Gras und Laub in den Kabinenkondensator und den Kondensatorlüftern gelangen.
Ziehen Sie die Gitterabdeckung gerade nach unten.
Reinigen Sie den Kondensatorfilter mit Wasser.
Note: Verwenden Sie keinen Hochdruckreiniger.
Important: Wenn der Filter ein Loch, Riss oder andere Schäden hat, wechseln Sie den Filter aus.
Lassen Sie den Filter trocknen, bevor Sie ihn in die Maschine einbauen.
Drehen Sie den Filterschirm um die Laschen, bis der Riegel in die Riegelhalterung (Bild 83) einrastet.

Note: Die Bestellnummer für das Ersatzleuchtmittel finden Sie im Ersatzteilkatalog.
Note: Der Flüssigkeitsbehälter für Wischerflüssigkeit befindet sich neben dem Motor auf der rechten Seite der Maschine.
Entfernen Sie den Deckel (Bild 85) vom Flüssigkeitsbehälter.

Befüllen Sie den Flüssigkeitsbehälter mit Wischerflüssigkeit.
Setzen Sie den Deckel wieder auf den Behälter.
Stellen Sie vor dem Verlassen des Fahrersitzes den Motor ab, ziehen Sie den Schlüssel ab und warten Sie, bis alle beweglichen Teile zum Stillstand gekommen sind. Lassen die Maschine abkühlen, bevor Sie sie einstellen, warten, reinigen, oder einlagern.
Lagern Sie die Maschine oder den Benzinkanister nie an Orten mit offener Flamme, Funken oder Zündflamme, z. B. Warmwasserbereiter, oder anderen Geräten.
Important: Verwenden Sie zur Reinigung der Maschine kein salzhaltiges oder wiederaufbereitetes Wasser.
Parken Sie die Maschine auf einer ebenen Fläche, aktivieren Sie die Feststellbremse, stellen den Motor ab und ziehen den Schlüssel ab und warten Sie, bis alle beweglichen Teile zum Stillstand gekommen sind, bevor Sie die Maschine verlassen.
Reinigen Sie die Maschine, Mähwerke und den Motor gründlich.
Important: Reinigen Sie den Bereich in der Nähe der elektrischen Steuerleitung oder der Kabinendichtungen niemals mit einem Hochdruckreiniger, da dies zu Schäden führen kann.
Prüfen Sie den Reifendruck und stellen ihn ggf. ein, siehe Prüfen des Reifendrucks.
Überprüfen Sie die Hydraulikleitungen und -schläuche und reparieren Sie diese bei Bedarf.
Prüfen Sie den Stand des Hydrauliköls, siehe Prüfen des Hydraulikölstands.
Entfernen Sie die Messer des Mähwerks, um sie zu schleifen und auszuwuchten, und bauen Sie sie wieder ein.
Prüfen Sie auf lockere Befestigungen und ziehen diese bei Bedarf fest.
Schmieren Sie alle Schmiernippel und tragen Sie Öl auf die Drehpunkte auf. Wischen Sie überflüssiges Schmiermittel ab.
Schmirgeln Sie alle Lackschäden leicht und bessern Bereiche aus, die angekratzt, abgesprungen oder verrostet sind. Reparieren Sie alle Blechschäden.