| 유지보수 서비스 간격 | 유지보수 절차 |
|---|---|
| 매번 사용하기 전 또는 매일 |
|
이 장비는 상업적인 분야에서 전문 용역 작업자가 사용하도록 제작된 다용도 승용식 장비입니다. 기본적으로 공원, 경기장 및 상업지의 잘 관리된 잔디를 유지하는 용도로 설계되었습니다. 이 제품을 지정되지 않은 용도로 사용하면 작업자나 주변 사람들이 위험해질 수 있습니다.
이 정보를 주의 깊게 읽고 제품을 제대로 조작 및 유지관리하는 방법과 부상 및 제품 손상을 방지하는 방법에 대해 익히십시오. 사용자는 제품을 제대로 안전하게 조작해야 할 책임이 있습니다.
제품 안전성과 사용법 교육 자료, 액세서리 관련 정보 등이 필요하거나 판매점 연락처 정보를 얻거나 제품을 등록하려면 www.Toro.com을 방문하십시오.
서비스, Toro 순정 부품 또는 추가 정보가 필요하면 지정 서비스점이나 Toro 고객 서비스에 연락하여 제품의 모델 번호와 일련번호를 알려 주십시오. 그림 1은 제품의 모델 번호와 일련번호 위치를 보여 줍니다. 이들 번호를 다음 칸에 적어 두십시오.
Important: 모바일 기기에서는 일련번호판(장착한 경우)의 QR 코드를 스캔하여 보증, 부품 및 기타 제품 정보를 액세스할 수 있습니다.

본 설명서는 잠재적인 위험에 대해 설명하고 있으며, 권장 예방 조치를 따르지 않을 경우 심각한 부상이나 사망을 초래할 수 있는 위험에 대해서는 안전 경고 기호(그림 2)로 표시합니다.

본 설명서에서는 2가지 단어를 사용하여 정보를 강조합니다. 중요는 특별한 기계적 정보에 대한 주의를 환기시키며 참고는 특별한 주의를 기울일 필요가 있는 일반 정보를 강조합니다.
이 제품은 모든 관련 유럽 법규에 일치합니다. 자세한 내용은 각 제품의 구체적인 적합성 선언서(DOC)를 참조하십시오.
Section 4442에 정의되어 있는 스파크 방지 머플러가 엔진에 장착되어 있고 정상적으로 유지관리하는 경우 또는 엔진이 화재를 방지할 수 있도록 구성, 장착 및 유지관리되는 경우 외에는, 산림, 덤불 또는 목초 지대에서 엔진을 사용하거나 작동하는 것은 캘리포니아 Public Resource Code Section 4442 또는 4443 위반입니다.
동봉된 엔진 사용 설명서는 미국 환경 보호국(EPA) 및 배기 시스템, 유지보수 및 보증에 대한 캘리포니아 배출가스 관리 규정에 관한 정보를 제공합니다. 교체 부품은 엔진 제조사를 통해 주문할 수 있습니다.
이 장비에 텔레매틱스 장치가 장착된 경우, 장치 활성화에 대한 지침은 Toro 공식 판매대리점에 문의하시기 바랍니다.
캘리포니아
Proposition 65 경고
캘리포니아 주에서 디젤 엔진 배기가스와 그 일부 구성 성분은 암, 선천성 기형 및 기타 생식 기능 장애를 일으키는 것으로 알려져 있습니다.
배터리 포스트, 터미널 및 관련 액세서리에는 캘리포니아 주에서 암과 생식 기능 장애를 일으키는 것으로 알려진 납과 납 화합물, 화학 물질이 들어 있습니다. 취급 후에는 손을 씻으십시오.
본 제품의 사용으로 캘리포니아 주에서 암, 선천성 기형 및 기타 생식 기능 장애를 일으키는 것으로 알려진 화학 물질이 들어 있습니다.
이 제품으로 인해 손이나 발이 절단될 수 있으며 물체가 튕겨나올 수도 있습니다. 항상 모든 안전 지침을 준수하여 중상을 방지하십시오.
엔진을 시동하기 전에 이 사용 설명서의 내용을 읽고 숙지하십시오.
장비를 작동하는 동안에는 온전히 주의를 기울이십시오. 주의력을 산만하게 하는 활동을 하면, 부상 또는 재산 피해가 발생할 수 있습니다.
장비에 모든 보호 장치 및 기타 안전 보호 장치가 제자리에 장착되어 제대로 작동하지 않는 상태에서는 장비를 운전하지 마십시오.
손과 발이 회전하는 부품에 닿지 않게 하십시오. 배출구에서 거리를 유지하십시오.
주변 사람들과 아이들은 작업 공간에 들어오지 못하게 하십시오. 절대로 아이들이 장비를 작동하게 하지 마십시오.
엔진을 끄고 키를 뺀 다음 모든 움직임이 멈출 때까지 기다려 운전석에서 내리십시오. 장비가 식은 후에 장비를 조정, 정비, 청소 또는 보관하십시오.
이 장비를 잘못 사용하거나 정비하면 사람이 다치는 사고가 생길 수 있습니다. 부상 위험을 줄이려면 여기에 나와
있는 안전 지침을 따르고 주의, 경고 또는 위험과 같은 개인 안전 지침을 의미하는 안전 경고 기호(
)에 항상 주의를 기울이십시오. 이 지침을
따르지 않을 경우 사람이 다치거나 사망하는 사고가 발생할 수 있습니다.
![]() |
안전 문구 데칼과 지침은 작업자의 눈에 쉽게 보이며 잠재적인 위험이 있는 모든 부분에 부착되어 있습니다. 손상되거나 유실된 데칼은 교체하십시오. |





운전실이 있는 모델 전용















데칼 144-3952: 데칼 139-6215(CE 키트 설치 설명서에 표시) 위에 데칼을 부착하여 CE 준수 국가(모델 31900 및 31901만 해당)에서 사용할 수 있습니다.

뒷바퀴 허브를 팔레트에 고정하는 나사를 제거합니다.
구동축을 뒷 타이어에 고정하는 케이블 타이를 절단합니다.
운송용 스키드에서 뒷바퀴를 제거합니다.
롤 바를 올립니다. 롤바 올리기을 참조하십시오.
롤 바의 상단 중앙 영역에 호이스트를 연결하고 장비를 들어 올립니다.
장비 하단 영역에서 운송용 스키드를 제거합니다.
장비의 후면 올리기에 표시된 대로 장비 후면 아래에 잭 스탠드 2개를 놓습니다.
장비를 잭 스탠드 위로 내립니다.
이 절차를 수행하는 데 필요한 부품:
| 뒷바퀴 | 2 |
| 러그 너트 | 8 |
러그 너트 4개를 사용하여 휠을 휠 허브에 고정합니다(그림 3).

휠 러그 너트를 조입니다. 휠 러그 너트에 토크 적용을 참조하십시오.
Note: 리프트 암을 올바르게 설치하려면 이 절차를 수행해야 합니다.
전방 측면 프레임 튜브 아래에 잭 스탠드를 놓고 앞바퀴를 올립니다. 장비의 전면 올리기을 참조하십시오.
휠 러그 너트를 풀어서 분리합니다(그림 10).

휠 허브에서 휠을 제거합니다(그림 10).
이 절차를 수행하는 데 필요한 부품:
| 오른쪽 리프트 암 | 1 |
| 왼쪽 리프트 암 | 1 |
| 대형 핀 | 2 |
| 볼트(3/8 x 2-3/4 인치) | 2 |
| 너트(3/8 인치) | 4 |
| 소형 핀 | 2 |
| 볼트(3/8 x 1-1/4 인치) | 2 |
| 그리스 피팅 | 2 |
Note: 필요에 따라 리프트 암을 설치하는 데 도움을 주는 보조자를 두십시오.
운송용 스키드에서 리프트 암을 제거합니다.
대형 핀 2개를 사용하여 장비 프레임(그림 5)에 리프트 암을 장착합니다.

그리스 피팅을 대형 핀(그림 5)에 설치합니다.
2개의 너트(3/8 인치)와 2개의 볼트(3/8 x 2-3/4 인치)를 사용하여 대형 핀을 프레임(그림 6)에 고정합니다.

다음 단계를 수행하여 유압 실린더를 리프트 암에 고정합니다.
유압 매니폴드 아래에 드레인 팬을 놓습니다(그림 7와 같이).
Note: 리프트 실린더를 수동으로 후진시키려면 소량의 유압 오일을 블리딩해야 합니다.

유압 매니폴드의 포트 C1에 연결된 호스 회전 너트를 풉니다(그림 8).

드리프트 펀치를 사용하여 실린더 로드 구멍을 리프트 암 구멍(그림 9)에 맞춥니다.
Note: 정렬에 도움이 되도록 리프트 암을 완전히 올립니다.

볼트 2개(3/8 x 1-1/4 인치), 너트 2개(3/8 인치) 및 소형 핀 2개를 사용하여 리프트 암을 실린더(그림 9)에 고정합니다.
포트 C1(그림 8)의 호스 스위블 너트를 41 N∙m의 토크로 조입니다.
Note: 백업 렌치를 사용하여 호스가 꼬이지 않도록 하십시오.
부속장치 핀 조인트 및 리프트 암 핀 조인트에 그리스를 바릅니다. 베어링과 부싱의 윤활 처리을 참조하십시오.
이전에 제거한 러그 너트를 사용하여 타이어를 휠 허브(그림 10)에 고정합니다.

휠 러그 너트를 조입니다. 휠 러그 너트에 토크 적용을 참조하십시오.
이 절차를 수행하는 데 필요한 부품:
| 고정 브래킷 | 1 |
| 볼트(3/8 x 3-1/4 인치) | 2 |
| 너트(3/8 인치) | 2 |
볼트(3/8 x 3-1/4 인치) 2개와 너트(3/8 인치) 2개를 사용하여 고정 브래킷을 플랫폼(그림 11)에 고정합니다.

이 절차를 수행하는 데 필요한 부품:
| 시트 키트(별도 주문, Toro 공인 판매대리점에 문의) | 1 |
시트를 설치합니다. 시트 키트 설치 지침을 참조하십시오.
이 절차를 수행하는 데 필요한 부품:
| 범퍼 | 1 |
| 볼트(3/8 x 2-3/4 인치) | 2 |
| 볼트(3/8 x 3-1/4 인치) | 4 |
| 너트(3/8 인치) | 6 |
배터리를 연결합니다. 배터리 연결을 참조하십시오.
이 절차를 수행하는 데 필요한 부품:
| 부속장치(옵션, 별도 주문, Toro 공인 대리점 참조) | 1 |
| 소켓 헤드 나사(3/8 인치) | 2 |
| 와셔(3/16 인치) | 2 |
| 플랜지 너트(3/8 인치) | 2 |
Important: 부속장치를 교체할 때 해당 부속장치에 대한 올바른 후방 웨이트 개수를 Toro 공인 판매대리점에 확인하십시오.
전방 부속장치(예: 커팅 유닛, 플레일, 플라우 블레이드 또는 블로어)를 설치합니다. 다음 단계를 수행하고 추가 설치 지침은 부속장치 사용 설명서를 참조하십시오.
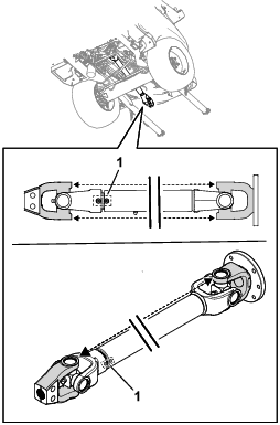
구동축을 지지하면서 구동축 요크를 스티어링 밸브 마운트 브래킷(그림 14)에 고정하는 캡 나사 및 록너트를 제거하고 구동축을 조심스럽게 내립니다.
Note: 캡 나사와 록너트를 폐기하십시오.

PTO 축이 정렬되었는지 확인합니다. PTO 구동축 정렬을 참조하십시오.
보조자가 시트에 앉게 하고 키를 ON(켜기) 위치로 돌린 다음 리프트 암을 아래로 누르면서 부속장치 리프트 스위치를 사용하여 리프트 암을 내립니다.
부속장치 설치 지침에 설명된 대로 리프트 암의 구멍을 부속장치 암의 구멍에 맞춥니다.
구동축 요크의 스플라인과 연결 입력축(그림 15)의 스플라인에 맞추고 요크를 샤프트 위로 밀어 넣습니다.

와셔(3/8 인치)와 구동축 요크(그림 16)의 구멍을 통해 소켓 헤드 캡 나사(3/8 x 2-1/4 인치)를 조립하고 플랜지 록너트(3/8 인치)로 캡 나사를 고정합니다.

반대 방향에서 와셔(3/8 인치)와 구동축 요크(그림 16)의 구멍을 통해 소켓 헤드 캡 나사(3/8 x 2-1/4 인치)를 조립하고 플랜지 록너트(3/8 인치)로 캡 나사를 고정합니다.
록너트를 교대로 61 N∙m의 토크로 점진적으로 조입니다.
처음으로 엔진을 시동하기 전에 다음 유체 레벨 점검을 수행하십시오.
엔진 오일 레벨을 점검합니다. 엔진 오일 레벨 점검을 참조하십시오.
냉각수 레벨을 점검합니다. 냉각 시스템 및 냉각수 레벨 점검을 참조하십시오.
유압 오일 레벨을 점검합니다. 유압 오일 레벨 점검을 참조하십시오.
타이어 공기압을 점검합니다. 타이어 공기압 점검을 참조하십시오.
Important: 양호한 커팅 품질과 적절한 장비 성능을 보장하려면 모든 타이어에서 압력을 유지하십시오. 타이어의 공기를 과도하게 빼지 마십시오.
이 절차를 수행하는 데 필요한 부품:
| CE 키트(별도 주문, Toro 공인 판매대리점에 문의) | 1 |
CE 표준을 준수하는 국가에서 장비를 작동하는 경우 CE 키트를 설치하십시오. 키트 설치 지침을 참조하십시오.
이 절차를 수행하는 데 필요한 부품:
| 웨이트 - 19 kg[수량은 모델에 따라 다름] | |
| 웨이트 - 6 kg[수량은 모델에 따라 다름] |
각 장비와 함께 운송되는 웨이트는 다음 표를 참조하십시오.
| 모델 | 운송되는 후방 웨이트 |
| 31902A | 웨이트 0개 |
| 31903A | 웨이트 5개(각각 19 kg) 및 웨이트 2개(각각 6kg) |
트랙션 유닛 및 부속장치 조합당 장비의 후방 웨이트가 최소인지 확인합니다. 31902A 모델의 경우 후방 웨이트를 늘려 경사 성능을 개선할 수도 있습니다.
필요한 최소 웨이트 수를 확인하려면 필요한 최소 후방 웨이트 표를 참조하십시오.
향상된 경사로 성능을 얻으려면 경사로 성능 개선을 위해 필요한 후방 웨이트 표에 나열된 대로 각 웨이트의 개수를 더합니다.
적절한 ROPS 성능을 보장하기 위해 이 표에 나열된 웨이트를 초과하는 웨이트를 추가하지 마십시오.
Note: 장착된 CE 키트가 있는 경우, 해당 트랙션 유닛 및 부속장치 조합에 적합한 경사 데칼에 대한 키트 설치 지침을 참조하십시오. 올바른 후방 웨이트를 추가했는지 확인합니(예: 필요한 경사 표준을 충족하는 웨이트 또는 개선된 경사 성능을 충족하는 웨이트).
| 트랙션 유닛 모델 번호 | 부속장치 모델 번호 또는 이름 | 필요한 웨이트 개수 | ||
|---|---|---|---|---|
| 19 kg | 6 kg | 합계 | ||
![]() | ![]() |
|||
| 31902A | 31970, 31971, 31974 | 0 | 0 | 0 |
| 31970, 31971, 31974 및 차양 | 0 | 0 | 0 | |
| 31972, 31973, 31975 | 0 | 0 | 0 | |
| 31972, 31973, 31975 및 차양 | 1 | 0 | 1 | |
| 02835 | 1 | 0 | 1 | |
| 02835 및 차양 | 1 | 0 | 1 | |
| M-B 회전식 브룸 | 1 | 0 | 1 | |
| 31903A | 31970, 31971 | 5 | 2 | 7 |
| 31972, 31973 | ||||
| 02835 | ||||
| MSC23345 | ||||
| M-B 회전식 브룸 | ||||
| Erskine 제설기 | ||||
| 트랙션 유닛 모델 번호 | 부속장치 모델 번호 또는 이름 | 필요한 웨이트 개수 | ||
|---|---|---|---|---|
| 19 kg | 6 kg | 합계 | ||
![]() | ![]() |
|||
| 31902A | 31970, 31971, 31974 | 4 | 0 | 4 |
| 31970 및 차양 | 4 | 0 | 4 | |
| 31971, 31974 및 차양 | 3 | 0 | 3 | |
| 31972, 31973, 31975 | 3 | 1 | 4 | |
| 31972, 31973, 31975 및 차양 | 2 | 0 | 2 | |
| 02835 | 2 | 2 | 4 | |
| 02835 및 차양 | 1 | 0 | 1 | |
후방 웨이트를 추가해야 하는 경우, 추가 웨이트에 대해서는 Toro 공인 판매대리점에 문의하고 다음 장착 절차를 참조하십시오.
웨이트 잠금 로드를 범퍼에 고정하는 하드웨어를 풉니다.

필요한 웨이트를 추가합니다.
웨이트 잠금 로드 하드웨어를 조여 웨이트를 범퍼에 고정합니다.
다음 부품을 주문하려면 Toro 공인 판매대리점에 문의하십시오.
| 부품 이름 | 수량 | 부품 번호 |
| 나사(3/8 x 3-1/2 인치) | 2 | 116-4701 |
| 와셔 | 2 | 125-9676 |
| 너트(3/8 인치) | 2 | 104-8301 |
하드웨어를 사용하여 웨이트를 범퍼(그림 18)에 고정합니다.

표준 회전식 커팅 유닛(예: 제설기, 블레이드 또는 플레일) 이외의 부속장치를 설치하는 경우에만 이 절차를 수행하십시오.
유압 매니폴드의 웨이트 전달 밸브를 조정하여 부속장치의 웨이트를 트랙션 유닛으로 전달하는 데 사용되는 유압을 변경할 수 있습니다. 최상의 성능을 얻으려면 고르지 않은 지형에서 부속장치의 반등 움직임이 최소화되도록 웨이트전달 밸브를 조정하고, 부속장치가 평평한 지형에서 심하게 상승하거나 너무 빨리 내리지 않도록 밸브를 조정하십시오.
울퉁불퉁한 지형에서 장비를 작동할 때 부속장치의 윤곽 추적 성능을 개선하려면 유압 매니폴드에서 웨이트 전달(유압) 압력을 줄입니다.
Note: 부속장치 캐스터 또는 제설기의 앞쪽 가장자리가 지면 위로 부유하는 경우, 웨이트 전달 밸브의 유압이 너무 높은 것입니다.
평평한 잔디를 예초할 때, 커팅 유닛이 잔디를 깎을 때, 예초 품질이 좌우로 고르지 않거나 제설기의 앞쪽 가장자리가 너무 심하게 긁히는 경우 유압 매니폴드의 웨이트 전달 압력을 높이십시오.
Note: 또한 웨이트 전달 압력을 높이면 부속장치에서 트랙션 유닛의 휠로 웨이트가 전달되므로 트랙션 유닛의 견인력이 개선됩니다.
다음과 같이 웨이트 전달 압력을 조정합니다.
장비를 10분 동안 작동합니다.
Note: 그러면 유압 오일이 가열됩니다.
평평한 곳에 장비를 주차시켜 부속장치를 내리고 주차 브레이크를 걸고 엔진을 멈춘 후 스위치에서 키를 뺍니다.
장비 아래에서 리프트 매니폴드를 찾습니다(그림 19).

압력 게이지를 테스트 포트(G1로 표시됨, 그림 20 참조)에 연결합니다.

리프트 매니폴드의 측면에 있는 테스트 포트(G1로 표시되어 있음, 그림 20 참조)에서 캡을 제거합니다.
웨이트 전달 스풀 끝에 있는 걸림 너트를 풉니다(LC 로 표시됨, 그림 20 참조).
시동을 걸고 스로틀을 HIGH IDLE(고속 공회전)으로 설정합니다.
육각 소켓 렌치를 사용하여 게이지에 원하는 압력을 나타낼 때까지 웨이트 전달 스풀의 카운터밸런스 밸브를 조정합니다. 부속장치의 권장 압력 설정은 다음 표를 참조하십시오.
조정 나사를 시계 방향으로 돌려 압력을 높입니다.
조정 나사를 시계 반대 방향으로 돌려 압력을 낮춥니다.
| 부속장치 | 웨이트 전달 압력 |
|---|---|
| 회전식 커팅 유닛 | 1,724 kPa |
| 플레일 모어(모델 번호 02835) | 1,379 kPa |
| 제설기 | 1,724 kPa |
| 스노우 블레이드(모델 번호 MSC23345 및 STB13567B) | 1,379 kPa |
| 회전식 브룸(1.5 m) | 1,724 kPa |
엔진을 끄고 키를 뺍니다.
웨이트 전달 스풀 끝에 있는 잼 너트를 조이고 너트를 13~16 N∙m의 토크로 조입니다.
테스트 포트에 캡을 장착합니다.
테스트 포트에서 압력 게이지를 제거합니다.

Note: 장비를 작동하기 전에 시트 위치를 조정하십시오. 시트 조정 지침은 시트 키트 설치 지침을 참조하십시오.
트랙션 페달(그림 22)을 사용하여 장비를 전진시키거나 후진시킵니다.
장비를 앞으로 이동: 발가락을 사용하여 페달 상단을 누릅니다.
장비를 뒤쪽으로 이동: 발가락을 사용하여 페달 아래쪽을 누릅니다.
Note: 발뒤꿈치를 플랫폼에 고정하고 발가락으로 페달을 밟으면 안정적인 작업을 할 수 있습니다.
이동 속도는 페달을 밟은 정도에 비례합니다. 최대 이동 속도를 얻으려면 스로틀이 FAST(고속) 위치에 있을 때 견인 페달을 끝까지 밟아야 합니다. 최대 전진 속도는 다음과 같습니다.
31902A 모델: 23 km/h
31903A 모델: 19 km/h
무거운 부하 상태 또는 오르막길을 오를 때 최대 출력을 얻으려면 트랙션 페달을 약간 밟은 상태에서 스로틀을 FAST(고속) 위치에 두어 엔진 속도(rpm)를 높게 유지하십시오. 엔진 속도가 감소하기 시작하면 트랙션 페달을 약간 놓아 엔진 속도를 증가시킵니다.

스티어링 휠을 운전자 쪽으로 기울이려면 틸트 스티어링 레버(그림 22)를 아래로 누른 다음 스티어링 타워를 운전자 쪽으로 당깁니다. 스티어링 타워가 스티어링 휠을 편안하게 다룰 수 있는 위치에 놓이면 레버를 놓습니다.
엔진을 끌 때마다 항상 주차 브레이크(그림 16)를 걸어 장비가 우발적으로 움직이지 못하게 하십시오.
주차 브레이크 체결: 핸들을 ENGAGED(체결) 위치로 당깁니다.

주차 브레이크 해제: 엄지 손가락으로 핸들 상단의 버튼을 누르고 핸들을 DISENGAGED(해제) 위치로 내립니다.
Note: 핸들이 완전히 내리지 않고 트랙션 페달을 체결하면 장비가 멈춥니다.
콘솔 컨트롤에 대한 설명은 다음 절을 참조하십시오(그림 24).

부속장치 리프트 스위치는 부속장치를 가장 높은 위치(즉, TRANSPORT(이동) 위치)로 올리고 부속장치를 가장 낮은 위치(즉, OPERATION(작동)로 내립니다.
부속장치 올리기: 스위치 뒤쪽을 누릅니다
부속장치 내리기: 스위치 앞쪽을 누릅니다
장비를 여러 위치 간에 운반할 때마다 부속장치를 TRANSPORT(이동 위치로 올립니다. 장비를 사용하지 않을 때는 항상 부속장치를 OPERATING(작동) 위치로 내립니다.
PTO 체결: 스위치를 위로 당깁니다.
PTO 해제: 스위치를 아래로 누릅니다.
PTO를 체결해야 하는 유일한 시간은 PTO 부속장치가 OPERATING(작동) 위치(구동축이 연결된 상태에서 지면으로 내려감)에 있고 작동을 시작할 준비가 된 경우입니다.
Note: PTO 스위치가 ON(켜짐) 위치에 있는 동안 운전석을 벗어나면 장비가 자동으로 엔진을 차단합니다. PTO 기능 재설정을 참조하십시오.
키 스위치에는 3개 위치, 즉 OFF(꺼짐), ON/PREHEAT(켜짐/예열) 및 START(시동) 위치가 있습니다.
스위치를 사용하여 엔진을 시동하거나 끄거나[엔진 시동 또는 엔진 끄기 참조] 디스플레이 화면 정보를 검토합니다[디스플레이 화면 정보 이해 참조].
스위치를 사용하여 엔진 속도를 조정합니다.
엔진 속도 증가: 스위치 앞쪽을 눌렀다 놓으면 속도가 100 rpm씩 증가합니다. 길게 누르면 속도가 최대 크기까지 증가합니다.
엔진 속도 감소: 스위치의 뒤쪽 부분을 누르면 속도를 100 rpm씩 감소합니다. 길게 누르면 속도가 최소량으로 감소합니다(공회전).
디스플레이 화면에는 작동 상태, 다양한 진단 및 기타 정보와 같은 장비에 대한 정보가 표시됩니다.
디스플레이 화면에 대한 자세한 내용은 디스플레이 화면 정보 이해을 참조하십시오.
디스플레이 화면 버튼 사용을 참조하십시오.
Note: 규격과 설계는 통보 없이 변경될 수 있습니다.

| 설명 | 그림 26 참고 문헌 | 치수 및 무게 | |
| 롤바를 올린 상태의 높이 | D | 200 cm | |
| 롤바를 내린 상태의 높이 | C | 111 cm | |
| 운전실 포함 높이 | J | 226 cm | |
| 전체 길이(후방 웨이트 미장착) [31902A 모델] | 장착된 부속장치 포함 | F | 최대 312 cm |
| 트랙션 유닛만 해당 | H | 최대 253 cm | |
| 전체 길이(후방 웨이트 장착) [31903A 모델] | 장착된 부속장치 포함 | G | 최대 332 cm |
| 트랙션 유닛만 해당 | I | 최대 272 cm | |
| 전폭 | B | 사양을 참조하십시오. | |
| 휠 베이스 길이 | E | 132 cm | |
| 앞바퀴 스레드 폭 | A | 136 cm | |
| 뒷바퀴 스레드 폭 | 128 cm | ||
| 지상고 | 21 cm | ||
| 순중량(31902A 모델) | 860 kg | ||
| 순중량(31903A 모델) | 1,132 kg | ||
장착된 커팅 유닛의 폭 크기는 다음 표를 참조하십시오.
| 커팅 유닛 | 폭 |
| 31970 모델 | 198 cm |
| 31971 모델 | 168 cm |
| 31972 모델 | 228 cm |
| 31973 모델 | 198 cm |
| 31974 모델 | 158 cm |
| 31975 모델 | 188 cm |
| 모델 02835(플레일) | 218 cm |
Toro가 승인한 부속 장치와 액세서리를 사용하여 장비의 성능을 확장하거나 향상시킬 수 있습니다. 승인된 부착 장치와 액세서리 전체 목록을 보려면 지정 서비스점이나 Toro 공식 판매 대리점에 연락하거나 www.Toro.com을 방문하십시오.
최고의 성능을 위해 순정 Toro 교체용 부품 및 액세서리만 사용하십시오. 다른 제조사에서 만든 교체 부품 및 액세서리는 위험할 수 있으며, 그러한 제품을 사용하면 제품 보증이 무효가 될 수 있습니다.
아이들이나 교육받지 않은 사람이 장비를 운전하거나 정비하는 것은 절대로 허용하지 마십시오. 현지 규정에 의해 작업자의 나이가 제한될 수 있습니다. 소유자는 모든 작업자 및 기술자를 교육할 책임이 있습니다.
장비 안전 운전, 작업자 제어 장치 및 안전 표시를 잘 알아 두십시오.
엔진을 끄고 키를 뺀 다음 모든 움직임이 멈출 때까지 기다려 운전석에서 내리십시오. 장비가 식은 후에 장비를 조정, 정비, 청소 또는 보관하십시오.
장비를 정지하고 엔진을 신속하게 멈추는 방법을 숙지하십시오.
작업자 감지 제어 장치, 안전 스위치 및 가드가 제대로 부착되어 작동하고 있는지 확인하십시오. 이들 장치가 제대로 작동하지 않으면 운전하지 마십시오.
예초하기 전에, 항상 장비를 점검하여 블레이드, 블레이드 볼트 및 커팅 어셈블리가 양호한 작업 상태인지 확인하십시오. 균형을 유지할 수 있도록 닳거나 손상된 블레이드와 볼트는 세트로 교체하십시오.
장비를 사용할 장소를 점검하고 장비에 의해 튕겨 나갈 가능성이 있는 모든 물체를 제거하십시오.
연료를 다룰 때에는 특히 주의하십시오. 가연성이 높고 증기가 폭발할 수 있기 때문입니다.
일반 담배, 시가, 파이프 담배 및 그 밖의 점화원을 모두 제거하십시오.
승인된 연료 용기만 사용하십시오.
엔진이 작동 중이거나 뜨거운 상태에서 연료 캡을 제거하거나 연료 탱크에 급유하지 마십시오.
밀폐된 공간에서는 연료를 추가하거나 비우지 마십시오.
온수기나 기타 기구 등 노출된 화염, 불꽃, 점화용 불씨 등이 있는 곳에는 장비나 연료통을 보관하지 마십시오.
연료를 엎질렀을 때에는 엔진을 시동하지 말고 연료 증기가 사라질 때까지 발화원이 생기지 않도록 하십시오.
장비를 작동하기 전에 매일 다음 장비 계통을 점검합니다.
에어클리너 경고등, 에어 클리너 정비 참조
엔진 오일, 엔진 오일 레벨 점검 참조
냉각수 시스템, 냉각 시스템 및 냉각수 레벨 점검 참조
후드 스크린 및 라디에이터, 냉각 핀 점검 참조
유압 오일 레벨, 유압 오일 레벨 점검 참조
PTO 축 그리스 포인트, 베어링과 부싱의 윤활 처리 참조
| 유지보수 서비스 간격 | 유지보수 절차 |
|---|---|
| 매번 사용하기 전 또는 매일 |
|
타이어 공기압 규격:: 138 kPa(20 psi)
타이어 공기압이 낮으면 경사로에서 장비의 안전성이 저하됩니다. 그로 인해 전복 사고가 발생하여 사람이 다치거나 사망하게 될 수 있습니다.
타이어의 공기를 과도하게 빼지 마십시오.
앞타이어와 뒷타이어에서 공기압을 확인합니다. 필요에 따라 공기를 보충하거나 제거하여 타이어 공기압을 타이어 공기압 규격에 맞게 설정하십시오.
Important: 양호한 커팅 품질과 적절한 장비 성능을 보장하려면 모든 타이어에서 압력을 유지하십시오.장비 작동 전에 모든 타이어의 공기압을 점검하십시오.

Important: 초저황 디젤 연료만 사용하십시오.다음 주의 사항을 지키지 않으면 엔진이 손상될 수 있습니다.
절대로 디젤 연료 대신 등유나 휘발유를 사용하지 마십시오.
절대로 디젤 연료에 등유나 사용한 엔진 오일을 혼용하지 마십시오.
절대로 연료를 안쪽에 아연 도금이 된 용기에 보관하지 마십시오.
연료 첨가제를 사용하지 마십시오.
깨끗하고 오래되지 않은 디젤 연료 또는 바이오디젤 연료만 사용하십시오.
연료의 신선도를 위해 180일 이내에 사용할 수 있을 정도의 양만 구매하십시오.
세탄가: 40 이상
황 함량: 초저황 (<15 ppm)
-7°C 이상의 온도에서는 하절기용 디젤 연료(No. 2-D)를 사용하고, 이 온도 아래에서는 동절기용 연료(No. 1-D 또는 No. 1-D/2-D 혼합유)를 사용하십시오.
Note: 낮은 온도에서 동절기용 연료를 사용하면 인화점이 낮아지고 냉간 유량 특성이 감소하여 시동이 쉽게 걸리며 연료 필터 막힘 현상도 줄어듭니다.-7°C 이상에서 하절기용 연료를 사용하면 동절기용 연료에 비해 연료 펌프의 수명이 늘어나고 동력이 향상되는 효과를 얻을 수 있습니다.
또한 이 장비에는 B20(바이오디젤 20%, 일반 석유디젤 80%) 바이오디젤 혼합 연료를 사용할 수 있습니다.
황 함량: 초저황 (<15 ppm)
바이오디젤 연료 규격: ASTM D6751 또는 EN14214
혼합 연료 규격: ASTM D975, EN590 또는 JIS K2204
Important: 석유디젤 부분은 초저황이어야 합니다.
다음과 같은 예방 조치를 취하십시오:
바이오디젤 혼합유는 도장면을 손상시킬 수 있습니다.
추운 날씨에는 B5(바이오디젤 5% 함유)나 이보다 바이오디젤이 덜 섞인 혼합유를 사용하십시오.
연료와 닿는 씰, 호스, 개스킷 등은 시간이 지나면서 상태가 저하되므로 면밀히 주시하십시오.
바이오디젤 혼합유로 바꾸고 나면 한동안 연료 필터가 막힐 수 있습니다.
바이오디젤에 대한 정보를 더 얻으려면 Toro 지정 판매 대리점에 문의하십시오.
연료 탱크 용량: 45 L
Note: 가능하면 사용 후 연료 탱크를 채웁니다. 이렇게 하면 연료 탱크 내부에 생기는 응축 현상을 최소로 줄일 수 있습니다.
평지에 장비를 주차하고(그림 28) 주차 브레이크를 체결하고 엔진을 멈춘 다음 키를 뺍니다.
연료 탱크에서 캡을 푸십시오.
연료 게이지 다이얼에 탱크가 가득 찬 것으로 표시될 때까지 지정된 연료로 연료 탱크를 채우십시오.
연료 탱크의 캡을 돌려 닫으십시오.

| 유지보수 서비스 간격 | 유지보수 절차 |
|---|---|
| 매번 사용하기 전 또는 매일 |
|
안전 인터록 시스템의 목적은 트랙션 페달이 중립에 있고 PTO 스위치가 OFF(꺼짐) 위치에 있지 않은 경우, 엔진이 크랭킹되거나 시동되지 않도록 하는 것입니다. 또한 다음과 같은 상황이 발생하면 엔진이 정지해야 합니다.
PTO 스위치가 ON(켜짐) 위치로 설정되어 있고 사용자가 운전석에 있지 않습니다.
트랙션 페달을 밟았지만 운전석에 있지 않습니다.
주차 브레이크를 체결하고 트랙션 페달을 밟을 때.
안전 인터록 스위치가 끊어지거나 손상된 경우 장비가 예기치 않게 작동되어 다칠 수 있습니다.
인터록 스위치를 함부로 만지지 마십시오.
인터록 스위치의 작동 상태를 매일 점검하고 손상된 스위치가 있으면 장비를 운전하기 전에 교체하십시오.
PTO 스위치를 OFF(꺼짐) 위치로 이동하고 트랙션 페달에서 발을 뺍니다.
키 스위치를 START(시동) 위치로 돌립니다. 엔진이 크랭킹되면 3단계를 진행하십시오.
Note: 엔진이 크랭킹되지 않으면 안전 인터록 시스템에 오작동이 있을 수 있습니다.
엔진이 작동 중인 상태에서 운전석에 일어서고 PTO 스위치를 ON(켜짐) 위치로 설정합니다. 엔진이 2초 이내에 꺼져야 합니다. 엔진이 꺼지지 않으면 4단계를 진행하십시오.
Important: 엔진이 꺼지지 않으면 안전 인터록 시스템에 오작동이 있는 것입니다. Toro 공인 판매대리점에 문의하십시오.
엔진이 작동 중이고 PTO 스위치가 OFF(꺼짐) 위치로 설정된 상태에서 운전석을 들어 올리고 트랙션 페달을 밟습니다. 엔진이 2초 이내에 꺼져야 합니다. 엔진이 꺼지지 않으면 5단계를 진행하십시오.
Important: 엔진이 꺼지지 않으면 안전 인터록 시스템에 오작동이 있는 것입니다. Toro 공인 판매대리점에 문의하십시오.
주차 브레이크를 체결합니다. 엔진이 작동 중이고 PTO 스위치가 ON(켜짐) 위치로 설정된 상태에서 트랙션 페달을 밟습니다. 엔진이 2초 이내에 꺼져야 합니다. 엔진이 정지하면 스위치가 올바르게 작동하고 인터록 시스템이 장비 작동 준비가 된 것입니다.
Important: 엔진이 꺼지지 않으면 안전 인터록 시스템에 오작동이 있는 것입니다. Toro 공인 판매대리점에 문의하십시오.
장비가 전복되면 부상을 당하거나 사망을 초래할 수 있습니다.
롤바를 들어 올린 잠금 위치에 유지하십시오.
안전 벨트를 사용하십시오.
롤바가 내려진 상태에서는 전복 방지가 되지 않습니다.
롤바를 내린 상태에서 장비를 울퉁불통한 지면이나 언덕 측면에서 운전하지 마십시오.
꼭 필요한 경우에만 롤바를 내리십시오.
롤바를 내린 상태에서는 안전 벨트를 착용하지 마십시오.
천천히 조심해서 운전하십시오.
공간이 허용되면 롤바를 즉시 올리십시오.
물체 아래를 지나가기 전에 머리 위 공간(예: 나뭇가지, 문, 전선)을 세심하게 확인하여 닿지 않게 하십시오.
디스플레이 화면에는 작동 상태, 다양한 진단 정보 및 기타 장비 정보가 표시됩니다. 두 개의 기본 정보 화면(그림 31)과 기본 메뉴 화면이 있습니다.

디스플레이 화면 버튼(그림 32에 표시)을 사용하여 2개의 기본 정보 화면 사이를 전환하고 기본 메뉴에 액세스합니다.

기본 메뉴에 액세스하는 방법: 메뉴 항목이 화면에 나타날 때까지 디스플레이 화면 버튼을 길게 누릅니다.
메뉴 항목 선택하기: 디스플레이 화면 버튼을 빠르게 두 번 누릅니다.
이 작업을 수행하여 옵션을 전환할 수도 있습니다(예: SETTINGS(설정) 화면에서 English(야드파운드법) 또는 Metric(미터법) 단위 간 전환).
이전 화면으로 돌아가려면(예: SETTINGS(설정) 화면에서 MAIN MENU(기본 메뉴) 화면으로 돌아가거나 MAIN MENU(기본 메뉴) 화면에서 Main information(기본 정보) 화면으로 돌아가기), 이전 화면이 나타날 때까지 디스플레이 화면 버튼을 누르고 있습니다.
다음 메뉴 항목으로 스크롤하는 방법: 화면 표시 버튼을 한 번 누릅니다.
| 메뉴 항목 | 설명 |
| FAULTS(고장) | 최근의 장비 고장 목록이 포함되어 있습니다. FAULTS(고장) 메뉴에 대한 자세한 정보는 정비 설명서를 참조하거나 Toro 공식 판매 대리점에 문의하십시오. |
| SERVICE(정비) | 사용 시간, 카운트 및 DPF 재생 등 장비에 대한 정보가 들어 있습니다. Service(정비) 표를 참조하십시오. |
| DIAGNOSTICS(진단) | 현재 장비가 가진 다양한 상태와 데이터가 표시됩니다. 이 메뉴를 사용하면 어떤 제어장치가 켜져 있고, 꺼져 있는지 그리고 제어 레벨(에: 센서 값)을 빠르게 알 수 있기 때문에 특정 문제를 해결할 수 있습니다. |
| SETTINGS(설정) | InfoCenter 디스플레이의 구성 변수를 사용자 지정하거나 수정할 수 있습니다. Settings(설정) 표를 참조하십시오. |
| ABOUT(정보) | 장비의 모델 번호, 일련번호 및 소프트웨어 버전이 나옵니다. About(정보) 표를 참조하십시오. |
| 메뉴 항목 | 설명 |
| HOURS(시간) | 키, 엔진 및 PTO가 켜진 총 시간을 나열합니다. |
| COUNTS(카운트) | 엔진 및 PTO 시동 횟수를 나열합니다. |
| PF REGENERATION(PF 재생) | DPF 설정을 제어할 수 있습니다. 디젤 미립자 필터 및 재생의 이해을 참조하십시오. |
| 메뉴 항목 | 설명 |
| UNITS(단위) | 디스플레이 화면에서 사용되는 단위를 제어합니다. 영국 단위(English) 또는 미터법(Metric)을 선택할 수 있습니다. |
| LANGUAGE(언어) | 디스플레이 화면에서 사용되는 언어를 제어합니다*. |
| BACKLIGHT(백라이트) | 디스플레이 화면의 밝기를 제어합니다. |
| CONTRAST(명암) | 디스플레이 화면의 명암을 제어합니다. |
| PROTECTED MENUS(보호 메뉴) | 회사에서 승인한 사람은 PIN 코드로 보호 메뉴(예: 경사 센서 설정 및 결함 로그 삭제 기능)에 액세스할 수 있습니다. |
| PROTECT SETTINGS(보호 설정) | 비활성화하면 PIN 코드를 입력하지 않고도 보호 설정에 액세스할 수 있습니다. |
TURNAROUND(선회)![]() | 선회 모드를 작동 또는 해제합니다. 이 설정은 플레일 모어와 함께 사용됩니다. 자세한 내용은 플레일 사용자 설명서를 참조하십시오. |
SLOPE SENSOR INSTALLED(경사 센서 설치)![]() | 경사 센서의 설치 여부를 표시합니다. 장비에서 경사 센서를 제거한 경우 이 설정을 비활성화하여 경사 센서 통신 결함을 해결할 수 있습니다. |
| LOW RPM PTO ENGAGE(저속 RPM POT 체결) | 저속 RPM PTO 작동 모드를 작동 또는 해제합니다. 이 설정은 플레일 모어와 함께 사용됩니다. 자세한 내용은 플레일 사용자 설명서를 참조하십시오. |
Protected Menus(보호
메뉴)로 보호—PIN을 입력해야만 액세스 가능
| 메뉴 항목 | 설명 |
| DECK(데크) | 커팅 유닛 입력/출력이 활성 상태인지 여부를 나타냅니다. |
| PTO | PTO가 활성 상태인지 여부를 나타냅니다. |
| ENGINE(엔진) | 엔진 입력/출력이 활성 상태인지 여부를 나타냅니다. |
| 메뉴 항목 | 설명 |
| MODEL(모델) | 장비의 모델 번호를 나열합니다. |
| SN | 장비의 일련번호를 나열합니다. |
| S/W REV(소프트웨어 버전) | 마스터 컨트롤러의 소프트웨어 개정 사항을 나열합니다. |
| CE MODE(CE 모드) | CE 모드의 활성화 또는 비활성화 여부를 나타냅니다. |
각 디스플레이 화면 아이콘에 대한 설명은 다음 표를 참조하십시오.
![]() | 엔진 속도 |
![]() | 엔진 고장 |
![]() | 사용 시간 |
![]() | 공기 흡입 히터가 작동함 |
![]() | 작업자가 착석해야 합니다 |
![]() | 주차 브레이크가 체결됨 |
![]() | 중립 |
![]() | PTO가 체결되어 있습니다 |
![]() | PTO가 비활성화되었습니다 |
![]() | 커팅 유닛이 내려지고 있음을 나타냅니다 |
![]() | 커팅 유닛이 올라가고 있음을 나타냅니다 |
![]() | PIN 암호 |
![]() | 배터리 |
![]() | 냉각수 온도 |
![]() | 재설정 스탠바이 재생 요청 |
| 주차 또는 회수 재생 요청 | |
![]() | 주차 또는 회수 대기 재생을 처리하고 있습니다. |
![]() | 고온 배기 가스 |
![]() | NOx 통제 진단 기능불량. 장비를 운전하여 정비소까지 이동한 다음 Toro 공인 판매 대리점에 문의하십시오. |
Note: 장비 제작 시 기본 PIN 코드는 "1234"입니다.
PIN 코드를 변경한 후 코드를 잊었다면, Toro 공식 판매 대리점에 연락하여 도움을 받으십시오.
SETTINGS(설정) 옵션을 선택합니다.
PROTECTED MENUS(보호 메뉴) 옵션을 선택합니다.
PIN 코드를 입력하려면 해당 숫자가 나타날 때까지 디스플레이 화면 버튼을 누른 후 디스플레이 화면 버튼을 빠르게 두 번 눌러 다음 숫자로 이동합니다.
4자리 숫자를 모두 입력한 후 디스플레이 버튼을 한 번 눌러 PIN 코드를 제출합니다.
PIN 코드를 올바르게 입력한 경우 모든 메뉴 화면의 오른쪽 상단에 PIN 아이콘이 나타납니다.
소유자/작업자는 사람이 다치거나 재산이 손상되는 사고를 막을 수 있으며, 이에 대해 책임이 있습니다.
보안경, 긴 바지, 잘 미끄러지지 않는 튼튼한 신발 및 청력 보호구를 포함하여, 적절한 의복을 착용하십시오. 긴 머리는 뒤로 묶고 헐렁한 옷이나 보석류는 착용하지 마십시오. 먼지가 많은 작업 환경에서 방진 마스크를 착용하십시오.
아프거나 지친 상태, 또는 음주나 약물 복용 후에는 장비를 운전하지 마십시오.
장비를 작동하는 동안에는 온전히 주의를 기울이십시오. 주의력을 산만하게 하는 활동을 하면, 부상 또는 재산 피해가 발생할 수 있습니다.
엔진을 시동하기 전에 모든 구동 장치가 중립 위치에 있고 주차 브레이크가 걸려 있는지 확인하고, 운전 위치에 앉으십시오.
장비에 탑승자를 태우지 말고 주변 사람이나 아이들이 작업 반경에 들어오지 못하게 하십시오.
시야가 잘 보이는 곳에서만 장비를 운전하고 움푹 패인 곳이나 숨겨진 위험 요소를 피하십시오.
젖은 잔디에서는 예초하지 마십시오. 마찰력이 감소하여 장비가 미끄러질 수 있습니다.
손과 발이 회전하는 부품에 닿지 않게 하십시오. 배출구에서 거리를 유지하십시오.
후진 시에는 후방과 아래쪽을 주시하여 장애물이 없는지 확인하십시오.
사각 지대, 관목, 나무 또는 그 외의 시야를 방해하는 물체에 접근할 때에는 주의하십시오.
잔디를 깎지 않을 경우에는 항상 블레이드를 멈추십시오.
장비가 물체에 부딪히거나 장비에 비정상적인 진동이 있으면, 장비를 멈추고 키를 뺀 다음, 움직이는 모든 부품이 멈추기를 기다려 장비를 점검합니다. 다시 작동하기 전에 필요한 모든 수리를 시행하십시오.
방향을 바꾸거나 장비를 가지고 차도나 인도를 건널 때에는 속도를 줄이고 주의를 기울이십시오. 항상 다른 차량에 양보하십시오.
드라이브를 커팅 유닛에서 분리하고 엔진을 끄고 키를 뺀 다음, 모든 움직임이 멈추기를 기다려 예고를 조정합니다(작동 위치에서 조정할 수 없는 경우).
환기가 잘되는 곳에서만 엔진을 작동하십시오. 배기 가스에는 일산화탄소가 함유되어 있어 흡입 시 치명적입니다.
장비를 작동한 채 자리를 뜨지 마십시오.
운전석을 떠나기 전에 다음을 이행하십시오.
장비를 평지에 주차합니다.
동력 인출 장치를 해제하고 부속 장치를 내립니다.
주차 브레이크를 체결합니다.
엔진을 끄고 키를 뺍니다.
모든 움직임이 멈출 때까지 기다립니다.
시야가 좋을 때에만 장비를 작동하십시오. 번개가 칠 위험이 있는 상태에서는 장비를 운전하지 마십시오.
장비를 견인 차량으로 사용하지 마십시오.
Toro에서 승인한 액세서리, 부착 장치 및 교체용 부품만 사용하십시오.
장애물이 없으며 장비가 방해를 받지 않고 일정한 속도로 움직일 수 있는 개방된 평지에서 운전할 때에만 크루즈 제어장치(장착된 경우)를 사용하십시오.
ROPS는 꼭 필요하며 효과적인 안전 장치입니다.
장비에서 ROPS 구성품을 분리하지 마십시오.
안전 벨트가 장비에 부착되었는지 확인하십시오.
무릎 위로 벨트 스트랩을 당겨서 벨트를 시트의 다른 측면에 있는 버클에 끼웁니다.
안전 벨트를 분리하려면, 벨트를 잡고 버클 버튼을 눌러 벨트를 푼 다음 벨트를 자동 수축구까지 접히도록 합니다. 긴급 상황이 발생하면 벨트를 즉시 풀 수 있는지 확인하십시오.
머리 위의 장애물을 주의 깊게 확인하고 닿지 않게 하십시오.
손상 여부를 주기적으로 철저하게 검사하고 모든 장착 패스너를 단단히 조여 ROPS를 안전하게 작동하는 상태로 관리하십시오.
손상된 ROPS 구성품을 교체합니다. 수리 또는 개조하지 마십시오.
Toro가 장착한 캡은 롤 바입니다.
항상 좌석 벨트를 착용하십시오.
접이식 롤바를 올려서 잠근 상태로 유지하고, 롤바를 올린 상태로 장비를 작동할 때 안전 벨트를 착용하십시오.
접이식 롤바는 꼭 필요한 경우에만 일시적으로 내리십시오. 롤바를 접은 상태에서는 안전 벨트를 착용하지 마십시오.
접이식 롤바가 내려진 상태에서는 전복 방지가 되지 않는다는 점에 유의하십시오.
예초할 영역을 확인하고 경사로, 급경사로, 물 등이 있는 곳에서는 접이식 롤바를 접지 마십시오.
통제력을 잃거나 뒤집혀서 심하게 다치거나 사망하는 사고는 주로 비탈길에서 일어납니다. 작업자는 경사로 작업을 안전하게 할 책임이 있습니다. 비탈길에서 장비를 운전할 때에는 특별히 주의해야 합니다.
작업자는 현장 측량을 포함하여 현장 조건을 평가하여 경사로가 장비 운전에 안전한지 판단해야 합니다. 측량할 때 항상 상식과 좋은 판단력을 사용하십시오.
경사로에서 장비를 작동하기 위한 아래의 경사로 지침을 검토하고 해당 시점에 해당 장소에서 해당 조건에서 장비를 작동할 수 있는지 판단해야 합니다. 지형이 바뀌면 장비의 경사로 운전에 변화가 생길 수 있습니다.
경사로에서는 장비를 시동하거나 정지하거나 회전하지 마십시오. 속도나 방향을 갑자기 변경하지 마십시오. 방향 전환은 천천히 점진적으로 하십시오.
트랙션, 스티어링, 안정성 등에 의문이 있으면 어떤 경우에도 장비를 작동하지 마십시오.
배수로, 파인 부분, 바퀴 자국, 융기, 돌, 그 밖의 숨겨진 물체 등 장애물이 있으면 제거하거나 표시하십시오. 잔디가 길어서 장애물이 보이지 않을 수 있습니다. 지형이 고르지 않으면 장비가 뒤집힐 수 있습니다.
젖은 잔디에서 장비를 작동하거나 경사로를 가로지르거나 내리막에서 장비를 작동하면 장비가 구동력을 잃게 될 수 있다는 점에 유의하십시오. 구동 휠이 구동력을 잃으면 미끄러져 제동이 되지 않고 스티어링도 되지 않을 수 있습니다.
급경사로, 배수로, 둑, 물웅덩이 또는 기타 위험 요소 근처에서 장비를 작동할 때 매우 주의하십시오. 바퀴가 가장자리를 넘어가거나 가장자리가 함몰하면 장비가 갑자기 뒤집힐 수 있습니다. 장비와 위험 요소 사이에 안전 영역을 정하십시오.
경사로의 아랫 부분에 있는 위험 요소를 확인하십시오. 위험 요소가 있으면, 보행자를 통제한 장비로 경사로를 예초하십시오.
가능한 경우, 경사로에서 작업하는 동안 커팅 유닛(들)을 지면으로 내린 상태로 유지하십시오. 경사로에서 작업하는 동안 커팅 유닛(들)을 올리면 장비가 불안정해질 수 있습니다.
잔디 수거 시스템 또는 기타 부착 장치를 다룰 때 매우 주의하십시오. 그런 것이 있으면 장비 안정성이 바뀌어 통제할 수 없게 될 수 있습니다.
디젤 미립자 필터(DPF)는 엔진 배기가스의 그을음을 제거합니다.
PDF 재생 프로세스는 촉매로 인해 높아진 엔진 배기가스의 열을 사용하여 축적된 그을음을 재로 환원시킵니다.
DPF를 청결하게 유지하려면 다음 사항을 기억하십시오.
DPF 자체 청소를 촉진하려면 엔진을 전속력으로 작동하십시오.
올바른 엔진 오일을 사용하십시오.
엔진 공회전 시간을 최소화하십시오.
초저황 디젤 연료만 사용하십시오.
DPF의 기능을 염두에 두고 장비를 작동하고 관리하십시오. 일반적으로 부하가 걸린 엔진은 DPF 재생에 적합한 배기가스 온도를 생성합니다.
Important: 엔진을 공회전하거나 낮은 엔진 속도로 엔진을 작동하는 시간을 최대한 줄이면 DPF에 축적되는 그을음을 줄이는 데 도움이 됩니다.
DPF 재생 중에 배기가스 온도는 고온(약 600°C)입니다. 배기가스가 고온이면 작업자나 다른 사람들에게 해를 줄 수 있습니다.
밀폐된 공간에서 엔진을 작동하지 마십시오.
배기가스 시스템 주위에 가연성 물질이 없는지 확인하십시오.
뜨거운 배기가스가 열에 의해 손상될 수 있는 표면에 접촉하도록 하지 마십시오.
고온의 배기가스 시스템 부품을 만지지 마십시오.
장비의 배기가스 파이프 근처나 주위에 서 있지 마십시오.
| 아이콘 | 아이콘 정의 |
![]() | • 주차 또는 회수 재생 아이콘 - 재생 작업이 요청됨. |
| • 즉시 재생을 수행합니다. | |
![]() | • 재생이 승인되었음을 알림 |
![]() | • 재생 과정이 진행 중이며 배기가스 온도가 높아짐을 알림 |
![]() | • 재생 억제가 선택됨 |
![]() | • NOx 제어 시스템 오작동. 장비를 정비해야 합니다. |
| 재생 유형 | DPF 재생 조건 | DPF 작동 설명 |
|---|---|---|
| 리셋 | 100시간마다 나타납니다. | • 고온 배기가스 아이콘 이 InfoCenter에 표시되면, 재생이
진행 중입니다. |
| 정상 엔진 운행 중 필터 내에서 허용된 그을음 축적량을 초과할 때 나타납니다. | ||
| • 리셋 재생 중에 엔진 컴퓨터는 엔진 고속 작동을 유지하여 필터 재생을 보장합니다. | ||
| • 리셋 재생이 진행되는 동안 엔진을 정지하지 마십시오. |
| 재생 유형 | DPF 재생 조건 | DPF 작동 설명 |
|---|---|---|
| 주차됨 | 컴퓨터가 자동 DPF 청소가 충분히 수행되었다고 판단할 때 나타납니다. | • 리셋-스탠바이/주차 또는 회수 재생 아이콘 , 또는 재생이 요청될 때. |
| 또한 작업자가 주차 재생을 시작하면 나타남 | ||
| 재생 억제가 시작되고, 자동 DPF 청소가 꺼져 있을 때 나타날 수 있음 | • 최대한 빨리 주차 재생을 수행하여 회수 재생을 해야 하는 상황을 피하십시오. | |
| 올바르지 않은 연료나 엔진 오일을 사용해도 나타날 수 있습니다 | • 주차 재생은 완료하는 데 30분~60분이 필요합니다. | |
| • 탱크에 최소 1/2의 연료가 있어야 합니다. | ||
| • 주차 재생을 수행하려면 장비를 주차해야 합니다. | ||
| 회수 | 주차 재생 요청이 무시되어 DPF가 심하게 막혔을 때 나타납니다. | • 리셋-스탠바이/주차 또는 회수 재생 아이콘 , 또는 회수 재생이 요청될 때. |
| • 회수 재생은 완료하는 데 최대 3시간이 필요합니다. | ||
| • 장비에 최소 1/2 탱크의 연료가 있어야 합니다. | ||
| • 회수 재생을 수행하려면 장비를 주차해야 합니다. |
기본 메뉴에서 SERVICE(정비) 메뉴로 이동합니다.
DPF REGENERATION(DPF 재생) 옵션을 선택합니다.
DPF 재생 메뉴로 들어가 LAST REGEN(마지막 재생) 옵션으로 스크롤합니다.
LAST REGEN(마지막 재생) 필드를 사용하여 마지막 리셋 재생, 주차 재생 또는 회수 재생 이후 엔진을 구동한 시간을 판단합니다.
리셋 재생에서는 엔진 배기가스 생성이 상승합니다. 수목, 덤불, 긴 잔디 또는 기타 온도에 민감한 식물이나 물질 주위에서 장비를 작동하는 경우, INHIBIT REGEN(재생 억제) 설정을 사용하여 엔진 컴퓨터가 리셋 재생을 수행하지 못하게 할 수 있습니다.
Note: 밀폐된 공간에서 장비의 유지보수 작업을 수행할 때 항상 INHIBIT REGEN(재생 억제) 옵션을 사용합니다.
Note: InfoCenter가 재생을 억제하도록 설정한 경우, 엔진이 리셋 재생을 요청하는 동안 InfoCenter는 15분마다 알림을 표시합니다.
Important: 엔진을 정지했다가 다시 시동하면, 재생 억제 설정이 기본값인 OFF(꺼짐)로 설정됩니다.
DPF 재생 메뉴로 들어가 INHIBIT REGEN(재생 억제) 옵션으로 아래로 스크롤합니다.
INHIBIT REGEN(재생 억제) 항목을 선택합니다.
재생 억제 설정을 Off(꺼짐)에서 On(켜짐)으로 변경합니다.
장비 탱크에 수행하고 있는 재생 유형에 맞는 연료가 있는지 확인하십시오:
주차 재생: 주차 재생을 수행하기 전에 탱크의 1/4에 연료가 있는지 확인하십시오.
회수 재생: 회수 재생을 수행하기 전에 탱크의 1/2에 연료가 있는지 확인하십시오.
장비를 가연성 물질이나 열로 손상될 수 있는 물건이 없는 영역으로 이동합니다.
장비를 평지에 주차합니다.
PTO를 해제하고 부착 장치를 내립니다(장착된 경우).
주차 브레이크를 체결합니다.
스로틀을 저속 IDLE(공회전) 위치로 설정합니다.
에어컨이 꺼져 있는지 확인합니다(운전실이 장착된 장비만 해당).
엔진 컴퓨터가 주차 재생을 요청하면 InfoCenter에 표시된 메시지를 따르십시오.
Important: 엔진 속도를 저속 공회전에서 높이거나 주차 브레이크를 풀면 장비의 컴퓨터가 DPF 재생을 취소합니다.
DPF 재생 메뉴로 들어가 PARKED REGEN(주차 재생) 옵션 또는 RECOVERY REGEN(회수 재생) 옵션으로 아래로 스크롤합니다.
PARKED REGEN(주차 재생) 항목 또는 RECOVERY REGEN(회수 재생) 항목을 선택합니다.
VERIFY FUEL LEVEL(연료량 확인) 화면에서, 주차 재생을 수행하는 경우에는 탱크의 1/4에 연료가 있는지 확인하고 회수 재생을 수행하는 경우에는 탱크의 1/2에 연료가 있는지 확인하고 디스플레이 화면 버튼 아이콘을 눌러 계속합니다.
주차 재생 메뉴 또는 회수 재생 메뉴에서 디스플레이 화면 버튼을 눌러 재생을 시작합니다.
DPF 체크리스트 화면에서, 주차 브레이크가 체결되어 있고 엔진 속도가 저속 공회전으로 설정되어 있는지 확인하고 디스플레이 화면 버튼 아이콘을 눌러 계속합니다.
INITIATE DPF REGEN(DPF 재생 시작) 화면에서, 디스플레이 화면 버튼을 선택하여 계속합니다.
InfoCenter에 INITIATING DPF REGEN(DPF 재생 시작) 메시지가 표시됩니다.
Note: 필요한 경우 디스플레이 화면 버튼을 길게 눌러 재생 프로세스를 취소합니다.
InfoCenter에 메시지를 완료할 시간이 표시됩니다.
InfoCenter에 홈 화면이 나타나고 재생 확인 아이콘
이 나타납니다.
Note: DPF 재생이 실행되는 동안, InfoCenter에 고온 배기가스 아이콘
이 표시됩니다.
엔진 컴퓨터가 주차 재생이나 회수 재생을 완료하면, InfoCenter에 알림이 표시됩니다. 아무 버튼이나 눌러 종료하여 홈 화면으로 돌아갑니다.
Note: 재생을 완료하지 못하면 알림을 따르고 아무 버튼이나 눌러 종료하여 홈 화면으로 돌아갑니다.
PARKED REGEN CANCEL(주차 재생 취소) 또는 RECOVERY REGEN CANCEL(회수 재생 취소) 설정을 사용하여 실행 중인 주차 재생이나 회수 재생 과정을 취소합니다.
DPF 재생 메뉴로 들어가 PARKED REGEN(주차 재생) 옵션 또는 RECOVERY REGEN(회수 재생) 옵션으로 아래로 스크롤합니다.
다음 화면을 눌러 주차 재생 또는 회수 재생을 취소합니다.
운전석에 앉아서 안전 벨트를 착용합니다.
주차 브레이크가 체결되어 있고 PTO가 해제되어 있는지 확인합니다.
키 스위치를 ON/PREHEAT(켜짐/예열) 위치로 돌려 엔진을 예열합니다.
Note: 자동 타이머가 6초간 예열을 제어합니다.
키를 START(시동) 위치로 돌리고 엔진을 15초 이상 크랭킹하지 않고 키를 ON/PREHEAT(켜짐/예열) 위치로 되돌립니다.
Note: 추가 예열이 필요하면 키를 OFF(꺼짐) 위치로 돌린 다음 ON/PREHEAT(켜짐/예열) 위치로 다시 돌립니다. 필요한 만큼 이 과정을 반복합니다.
스로틀을 공회전 속도 또는 부분 스로틀로 이동하고 예열될 때까지 엔진을 작동합니다.
Note: PTO 스위치가 ON(켜짐) 위치에 있는 동안 운전석을 벗어나면 장비가 자동으로 엔진을 차단합니다.
PTO 기능을 재설정하려면 다음 작업을 수행하십시오.
PTO 스위치를 아래로 누릅니다.
엔진을 시동합니다. 엔진 시동을(를) 참조하십시오.
PTO 스위치를 위로 당깁니다.
플레일 모어(02835 모델)를 설치할 때마다 선회 모드를 활성화하십시오.
선회 모드를 사용하면 예초 작업 경로 끝에서 빠른 회전을 완료하거나 장애물을 탐색하는 동안 플레일 모어를 잔디 위로 빠르게 올릴 수 있습니다.
플레일 모어를 OPERATING(작동) 위치로 내리면, 빠른 회전을 수행할 때 부속장치 리프트 스위치를 빠르게 눌렀다 놓아 플레일을 약간 올릴 수 있습니다. 회전을 완료한 후 리프트 스위치를 눌러 플레일을 지면으로 내리고 예초 작업을 재개합니다.
스로틀 제어장치를 사용하여 엔진 속도를 낮춥니다.
PTO 스위치를 OFF(꺼짐) 위치로 이동합니다.
키 스위치를 OFF(꺼짐) 위치로 돌리고 스위치에서 키를 뺍니다.
엔진을 끄고 키를 뺀 다음 모든 움직임이 멈출 때까지 기다려 운전석에서 내리십시오. 장비가 식은 후에 장비를 조정, 정비, 청소 또는 보관하십시오.
커팅 유닛, 머플러 및 엔진에 붙어 있는 잔디와 부스러기를 제거하여 화재를 예방하십시오. 흘린 오일이나 연료를 청소하십시오.
커팅 유닛이 이동 위치인 경우, 장비에 아무도 없을 때에는 포지티브 메커니컬 록(사용 가능한 경우)을 사용하십시오.
장비를 밀폐된 곳에 보관하기 전에 엔진을 식히십시오.
장비를 보관하거나 운송하기 전에 키를 빼고 연료를 차단하십시오(꽂혀 있는 경우).
노출된 화염, 불꽃, 온수기나 기타 기구의 점화용 불씨가 있는 곳에는 절대로 장비나 연료통을 보관하지 마십시오.
필요한 경우 안전 벨트(들)을 정비하고 청소하십시오
커팅 유닛을 TRANSPORT(이동) 위치(그림 33의 A)에서 SERVICE(정비) 위치(그림 33의 B)로 돌릴 수 있습니다. 커팅 유닛 블레이드를 유지 보수하거나 커팅 유닛 하부를 청소하려면 SERVICE(정비) 위치를 사용하십시오. 커팅 유닛 사용 설명서를 참조하십시오.
이 절차를 수행하여 커팅 유닛을 TRANSPORT(이동) 위치에서 SERVICE(정비) 위치로 돌립니다.
스위치에 키를 꽂아 두면 누군가 우발적으로 엔진을 작동시켜 운전자나 주변에 있는 사람에게 중상을 입힐 수 있습니다.
스위치에서 키를 제거하고 커팅 유닛이 SERVICE(서비스) 위치에 있는 상태에서 엔진을 시동하지 마십시오.
장비를 견인하거나 밀어야 하는 경우, 유압 오일을 우회하도록 견인 펌프를 설정합니다. 장비를 4.8 km/h 미만의 속도로 매우 짧은 거리를 이동하십시오.
Important: 견인 한계를 초과할 경우, 유압 펌프가 심하게 손상될 수 있습니다.장비를 짧은 거리 이상으로 이동해야 하는 경우, 트레일러로 운반하십시오.
장비 아래에서 바이패스 밸브에 접근합니다.

14 mm 박스 엔드 렌치를 사용하여 바이패스 밸브를 느슨하게 한 다음 밸브를 3바퀴 이하로 엽니다.
Important: 밸브가 바이패스 위치로 설정되면 엔진을 시동하거나 작동하지 마십시오.
견인 후 엔진을 시동하기 전에 바이패스 밸브를 12 N·m로 조입니다.
트레일러나 트럭에 장비를 싣거나 내릴 때에는 주의하십시오.
트레일러나 트럭에 장비를 싣는 경우 전폭 램프를 사용하십시오.
장비를 단단히 매십시오.
장비를 보관하거나 운반한 때는 키를 제거하십시오.
Note: 정상 운전 위치에서 장비의 좌측과 우측을 판단하십시오.
Note: www.Toro.com을 방문하여 홈 페이지의 Manual(설명서) 링크를 이용해 자신의 장비를 검색하여 전기나 유압 도면 무료 사본을 다운로드하십시오.
운전석을 떠나기 전에 다음을 이행하십시오.
장비를 평지에 주차합니다.
동력 인출 장치를 해제하고 부속 장치를 내립니다.
주차 브레이크를 체결합니다.
엔진을 끄고 키를 뺍니다.
모든 움직임이 멈출 때까지 기다립니다.
스위치에 키를 꽂아 두면 누군가 우발적으로 엔진을 작동시켜 운전자나 주변에 있는 사람에게 중상을 입힐 수 있습니다. 유지보수를 실시하기 전에 스위치에서 키를 빼십시오.
장비를 관리하기 전에 장비 구성 부품을 식히십시오.
커팅 유닛이 이동 위치인 경우, 장비에 아무도 없을 때에는 포지티브 메커니컬 록(장착된 경우)을 사용하십시오.
가능하다면, 엔진 작동 중에는 장비를 정비하지 마십시오. 움직이는 부품에서 떨어지십시오.
기기 아래에서 작업할 때마다 잭 스탠드로 장비를 받치십시오.
에너지가 축적된 부품의 압력은 조심스럽게 빼십시오.
장비의 모든 부품을 양호한 작동 상태로 유지하고 모든 기계 부품, 특히 블레이드 부속 장치 부품을 단단히 조이십시오.
닳거나 손상된 데칼은 모두 교체하십시오.
장비가 안전하게 최적 성능으로 작동하게 하려면, 순정 Toro 교체 부품만 사용하십시오. 다른 제조사에서 만든 교체 부품은 위험할 수 있으며, 그렇게 사용하면 제품 보증이 무효가 될 수 있습니다.
| 유지보수 서비스 간격 | 유지보수 절차 |
|---|---|
| 처음 1시간 후 |
|
| 처음 10시간 후 |
|
| 처음 50시간 후 |
|
| 처음 1000시간 후 |
|
| 매번 사용하기 전 또는 매일 |
|
| 매 50시간 |
|
| 매 100시간 |
|
| 매 200시간 |
|
| 매 250시간 |
|
| 매 400시간 |
|
| 매 500시간 |
|
| 매 800시간 |
|
| 매 1,000시간 |
|
| 매 2,000시간 |
|
| 매월 |
|
| 매년 |
|
| 매 2년 |
|
Important: 추가 유지보수 절차는 엔진 사용 설명서를 참조하십시오.
이 페이지를 복사하여 사용하십시오.
| 유지보수 점검 항목 | 주 시작 날짜: | ||||||
|---|---|---|---|---|---|---|---|
| 월 | 화 | 수 | 목 | 금 | 토 | 일 | |
| 안전 인터록 작동 점검. | |||||||
| ROPS가 완전히 올려져 제자리에 잠겨 있는지 점검. | |||||||
| 주차 브레이크 작동 점검. | |||||||
| 연료 레벨 점검. | |||||||
| 엔진 오일 레벨 점검. | |||||||
| 냉각 시스템 오일 레벨 점검. | |||||||
| 수분/연료 분리기 비움. | |||||||
| 공기 필터 표시등 점검.3 | |||||||
| 쿨러 및 스크린에 붙은 잔해물 제거. | |||||||
| 엔진 소음 이상 점검.1. | |||||||
| 엔진 작동 소음 이상 점검. | |||||||
| 유압 호스 손상 여부 점검. | |||||||
| 오일 누출 점검. | |||||||
| 타이어 공기압 점검. | |||||||
| 계기 작동 점검. | |||||||
| 모든 구리스 피팅 윤활2 | |||||||
| 벗겨진 페인트 복원. | |||||||
| 안전 벨트 점검. | |||||||
|
1엔진 시동이 힘들거나, 지나친 매연이 나거나, 엔진이 거칠게 작동할 경우 예열 플러그와 분사기 노즐을 점검하십시오. 2표시된 주기와 상관없이 매번 세척 후 즉시 실시하십시오. 3경고등이 빨간색으로 표시된 경우 |
|||||||
| 주의할 부분 표기 | ||
| 검사자: | ||
| 항목 | 날짜 | 정보 |
기계식 또는 유압식 잭이 장비를 지탱하지 못하여 심각한 부상의 원인이 될 수 있습니다.
잭 스탠드를 사용하여 들어 올린 장비를 지탱하십시오.
기계식 또는 유압식 잭만을 사용하여 장비를 들어 올리십시오.
Important: 잭과 프레임 사이에 케이블이나 유압 구성품이 없는지 확인합니다.

장비가 움직이는 것을 방지하기 위해 2개의 뒷바퀴를 굄목으로 지지합니다.
원하는 재킹 위치 아래에 잭을 단단히 배치합니다.
장비의 전면을 올린 후 장비 프레임 아래에 적절한 잭 스탠드를 사용하여 장비를 지지합니다.
Important: 잭과 프레임 사이에 케이블이나 유압 구성품이 없는지 확인합니다.

장비가 움직이는 것을 방지하기 위해 2개의 앞바퀴를 굄목으로 지지합니다.
원하는 재킹 위치 아래에 잭을 단단히 배치합니다.
Important: 4륜 구동 장비에는 프레임 가까이에서 작동하는 유압 라인이 있습니다. 장비를 올리는 동안 유압 라인이 손상되지 않도록 잭을 배치해야 합니다.
장비의 전면을 올린 후 장비 프레임 아래에 적절한 잭 스탠드를 사용하여 장비를 지지합니다.
| 유지보수 서비스 간격 | 유지보수 절차 |
|---|---|
| 매번 사용하기 전 또는 매일 |
|
| 매 50시간 |
|
본 장비에는 No. 2 리튬계 그리스로 정기적으로 윤활해야 하는 구리스 피팅이 있습니다.
Important: 매번 세척한 후 즉시 장비를 윤활하십시오.
오일을 점검하거나 크랭크케이스에 오일을 보충하기 전에 엔진을 끄고 키를 뺍니다.
엔진 조속기 속도를 변경하거나 엔진 속도를 과도하게 올리지 마십시오.
오일 유형: 다음 규격을 충분히 충족하는 고품질 저회분 엔진 오일을 사용하십시오.
API 서비스 범주 CJ-4 이상
ACEA 서비스 범주 E6
JASO 서비스 범주 DH-2
크랭크실 용량: 약 6.2 L(필터 포함).
점도: 사용할 엔진 오일 점도 등급:
권장 오일: SAE 15W-40 (0°F 초과)
대체 오일: SAE 10W-30 또는 5W-30(모든 온도에서)
Toro 공식 판매 대리점에서는 점도 등급이 15W-40 또는 10W-30인 Toro 프리미엄 엔진 오일을 판매합니다.
| 유지보수 서비스 간격 | 유지보수 절차 |
|---|---|
| 매번 사용하기 전 또는 매일 |
|
엔진 오일을 점검하기에 가장 좋은 시간은 일과 시작 전 엔진이 식어 있을 때입니다. 엔진이 이미 작동되었다면 점검하기 최소 10분 전에 오일이 기름통으로 다시 빠져나가도록 하십시오.
오일 레벨이 계량봉의 Add 표시에 있거나 그 밑에 있다면 Full 표시까지 오일을 보충하십시오. 엔진에 오일을 과다 주입하지 마십시오.
Important: 엔진 오일을 매일 점검합니다. 엔진 오일 레벨이 계량봉의 Full(가득 참) 표시 위인 경우, 엔진 오일이 연료로 희석될 수 있습니다. 엔진 오일량이 계량봉의 Full 표시 위인 경우, 엔진 오일을 교환하십시오.
Important: 엔진 오일 레벨이 계량봉의 상한선과 하한선 사이에 오게 해야 합니다. 오일이 너무 많거나 적은 상태에서 엔진이 고장날 수 있습니다.
| 유지보수 서비스 간격 | 유지보수 절차 |
|---|---|
| 매번 사용하기 전 또는 매일 |
|
| 매 250시간 |
|
에어 클리너 바디가 손상되면 공기가 샐 수 있으니 이를 점검하십시오. 손상된 경우 바디를 교체하십시오. 흡입 시스템의 누출, 손상 또는 느슨한 호스 클램프 유무를 점검하십시오.
에어 클리너 엘리먼트는 제한 표시기(그림 51)에서 요구할 때에만 정비하십시오. 필요하기 전에 에어 클리너 엘리먼트를 교체하면 엘리먼트를 제거했을 때 먼지가 엔진에 유입될 가능성이 커집니다.

Important: 커버가 올바르게 장착되고 에어클리너 바디에 씰링되고 래치가 제대로 닫혔는지 확인합니다.
특정 환경에서 디젤 연료와 연료 증기는 가연성이 매우 높으며 폭발할 수 있습니다. 연료로 인한 화재나 폭발은 자신과 타인에게 화상을 입힐 수 있으며 재산상의 피해를 초래할 수도 있습니다.
연료를 취급할 때 절대 담배를 피워서는 안 되며, 노출된 화염이 있는 곳이나 불꽃으로 인해 연료 가스에 불이 붙을 수 있는 곳에서 멀리 떨어지십시오.
| 유지보수 서비스 간격 | 유지보수 절차 |
|---|---|
| 매 50시간 |
|
그림 53와 같이 연료/수분 분리기에서 물을 배출합니다.

필터와 라인을 고압 펌프로 프라이밍합니다. 연료 시스템 프라이밍을 참조하십시오.
| 유지보수 서비스 간격 | 유지보수 절차 |
|---|---|
| 매 400시간 |
|
그림 53와 같이 연료/물 분리기를 교체합니다.

필터와 라인을 고압 펌프로 프라이밍합니다. 연료 시스템 프라이밍을 참조하십시오.
| 유지보수 서비스 간격 | 유지보수 절차 |
|---|---|
| 매 400시간 |
|
연료 필터 헤드(그림 55) 주위를 청소합니다.

필터를 제거하고 필터 헤드 장착 면을 청소합니다(그림 55).
필터 개스킷을 깨끗한 윤활 엔진 오일로 윤활합니다. 자세한 내용은 엔진 사용 설명서를 참조하십시오.
개스킷이 필터 헤드에 닿을 때까지 손으로 마른 필터 캐니스터를 설치한 다음 1/2바퀴 더 돌립니다.
필터와 라인을 고압 펌프로 프라이밍합니다. 연료 시스템 프라이밍을 참조하십시오.
엔진을 시동하고 필터 헤드 주위에 연료가 새지 않는지 확인합니다.
| 유지보수 서비스 간격 | 유지보수 절차 |
|---|---|
| 매년 |
|
연료 시스템이 오염되거나 장비를 장기간 보관해야 할 경우에는 탱크를 비우고 청소하십시오. 깨끗한 디젤 연료를 사용하여 탱크를 씻어 내십시오.
| 유지보수 서비스 간격 | 유지보수 절차 |
|---|---|
| 매 400시간 |
|
| 매 2년 |
|
연료 라인에 노후화, 손상 또는 느슨하게 연결된 부분이 있는지 점검하십시오.
연료 시스템을 프라이밍하기 전에 다음 작업을 수행하십시오.
연료 필터를 교환합니다.
매번 사용 후 또는 매일 물 분리기를 배출합니다.
연료가 부족합니다.
어떠한 이유로든 연료 호스를 교체하거나 연료 시스템을 엽니다.
연료 시스템을 프라이밍하려면 다음 단계를 수행하십시오.
Important: 연료 시스템 프라이밍을 위해 엔진-스타터 모터를 사용하여 엔진을 크랭킹하지 마십시오.
연료 탱크에 연료가 있는지 확인합니다.
다음 단계를 수행하며 필터 및 라인을 고압 펌프로 프라이밍하여 펌프의 마모나 손상을 방지합니다.
키를 ON(켜짐) 위치로 15~20초 정도 돌립니다.
키를 OFF(꺼짐) 위치로 30~40초 정도 돌립니다.
Note: 그러면 ECU의 전원이 꺼집니다.
키를 ON(켜짐) 위치로 15~20초 정도 돌립니다.
필터와 호스 주변의 누출 여부를 검사합니다.
엔진을 시동하고 누출 여부를 검사합니다.
장비를 수리하기 전에 배터리 연결을 해제하십시오. 먼저 음극 단자의 연결을 해제한 다음 양극 단자의 연결을 해제하십시오. 먼저 양극 단자를 연결한 다음 음극 단자를 마지막으로 연결하십시오.
불똥이나 화염이 없으며 통풍이 잘 되는 개방된 곳에서 배터리를 충전하십시오. 충전기를 배터리에 연결하거나 연결 해제하기 전에 충전기 플러그를 뽑으십시오. 보호복을 입고 절연된 도구를 사용하십시오.
| 유지보수 서비스 간격 | 유지보수 절차 |
|---|---|
| 매 50시간 |
|
배터리는 장비 좌측의 연료 탱크 부근에 있습니다. 배터리에 접근하려면 후드를 들어 올리고 커버를 배터리 위에 고정하는 나비 나사를 풀어 커버를 분리합니다(그림 56).
Note: 나사는 잠금 와셔로 고정됩니다.

배터리 단자나 금속 도구가 금속 구성품에 닿으면 단락되어 불똥이 튈 수 있습니다. 불꽃이 배터리 가스를 폭발시켜 개인 상해로 이어질 수 있습니다.
배터리를 제거하거나 장착할 때에는 배터리 단자가 장비의 금속 부품에 닿지 않도록 하십시오.
배터리 단자와 장비의 금속 부품 사이에서 금속 도구가 단락되지 않도록 하십시오.
배터리 케이블을 잘못 배선하면 장비와 케이블이 손상되어 불똥이 튈 수 있으며, 불꽃이 배터리 가스를 폭발시켜 개인 상해로 이어질 수 있습니다.
항상 음극(검은색) 배터리 케이블을 분리한 다음 양극(적색) 케이블을 분리하십시오.
| 유지보수 서비스 간격 | 유지보수 절차 |
|---|---|
| 매 50시간 |
|
Important: 장비를 용접하기 전에 배터리에서 음극 케이블을 분리하여 전기 시스템의 손상을 방지하십시오.
배터리 상태는 매주 또는 매 50시간 작동 후에 점검하십시오. 배터리가 더러우면 느리게 방전되므로 단자와 전체 배터리 케이스를 깨끗하게 유지하십시오.
배터리에 접근합니다. 배터리 접근을 참조하십시오.
양극 단자에서 고무 절연재를 제거하고 배터리를 점검합니다. 배터리가 더러우면 다음 순서대로 하십시오.
베이킹소다와 물을 섞은 용액으로 케이스 전체를 닦습니다.
부식 방지를 위해 Grafo 112X(스킨오버) 그리스(Toro 부품 번호: 505-47)를 배터리 포스트와 케이블 커넥터에 바릅니다.
양극 단자에 고무 절연재를 씌웁니다.
배터리 커버를 닫습니다.
콘솔 커버를 제거하여 트랙션 유닛 퓨즈에 접근합니다(그림 60).
Note: 트랙션 유닛 퓨즈 스티커는 콘솔 커버의 반대쪽에 있습니다.

트랙션 유닛 퓨즈 블록(그림 61)의 각 퓨즈에 대한 설명은 트랙션 유닛 퓨즈 블록 표를 참조하십시오.

| A | B | |
| 1 | 캡(10 A) | 디스플레이 화면 전원(15 A) |
| 2 | 빈 슬롯 | 디스플레이 화면 컨트롤러의 키 실행 입력(10 A) |
| 3 | 에어 라이드 시트(15 A) | 시동 회로(10 A) |
| 4 | USB 포트, 아워 미터, 텔레매틱스, 확장 포트(20 A) | 점화 스위치 전원(15 A) |
엔진 냉각수를 삼키면 중독될 수 있으므로, 아이들과 애완 동물의 손이 닿지 않게 하십시오.
압력이 가해진 뜨거운 냉각수가 방출되거나 뜨거운 라디에이터 및 주변 부품을 건드리면 심한 화상을 입을 수 있습니다.
엔진을 끈 후 15분 이상 냉각시킨 다음에 라디에이터 캡을 여십시오.
라디에이터 캡을 열 때에는 천 조각을 사용하고 증기가 빠져나가도록 천천히 캡을 여십시오.
커버를 장착하지 않은 상태에서는 장비를 작동하지 마십시오.
손가락, 손, 옷 등이 회전하는 팬 및 구동 벨트에 닿지 않게 하십시오.
공장 출하 시 냉각수 탱크에는 물과 에틸렌 글리콜 50/50 용액 계열의 수명 연장 냉각수가 채워져 있습니다.
Important: 수명 연장 냉각수 표준 표에 명시된 사양에 부합하는 상용 냉각수만 사용하십시오.전통적인(녹색) 무기산 기술(IAT) 냉각수를 사용하지 마십시오. 전통적인 냉각수와 수명 연장 냉각수를 혼합하지 마십시오.
|
에틸렌 글리콜 유형 |
부식 방지 유형 |
|
수명 연장 부동액 |
유기산 기술(OAT) |
|
Important: 전통적인(녹색) 유기산 기술(IAT) 냉각수와 수명 연장 냉각수 사이의 차이를 식별할 때 냉각수 색깔을 기준으로 삼지 마십시오.냉각수 제조업체가 수명 연장 냉각수를 빨간색, 핑크색, 오렌지색, 노란색, 파란색, 청록색, 보라색, 녹색 중 하나로 염색할 수 있습니다. 수명 연장 냉각수 표준 표에 명시된 사양에 부합하는 냉각수를 사용하십시오. |
|
|
ATSM 국제 표준 |
SAE 국제 표준 |
|
D3306 및 D4985 |
J1034, J814, 및 1941 |
Important: 냉각수 농도는 냉각수와 물의 50/50 혼합액이어야 합니다.
선호 사항: 농축액에 냉각수를 혼합할 때 증류수를 혼합하십시오.
선호 옵션: 증류수를 사용할 수 없을 경우, 농축액 대신 미리 혼합된 냉각수를 사용하십시오.
최소 요구 사항: 증류수 및 사전 혼합된 냉각수를 사용할 수 없는 경우, 농축 냉각수를 깨끗한 음용수와 혼합하십시오.
| 유지보수 서비스 간격 | 유지보수 절차 |
|---|---|
| 매번 사용하기 전 또는 매일 |
|
| 매 2,000시간 |
|
엔진이 차가울 때 냉각수 레벨은 팽창 탱크 측면의 COLD(저온) 표시보다 높지 않아야 한다(그림 67). 엔진이 따뜻할 때 냉각수 레벨은 FULL (HOT) (가득 참(고온)) 표시보다 높지 않아야 합니다.
엔진이 차가울 때 냉각수가 COLD(저온) 표시 이상이면 작동 중에 엔진이 뜨거워질 때 탱크 밖으로 누출될 수 있습니다.
엔진이 차가울 때 팽창 탱크의 냉각수 레벨을 점검하십시오.

냉간 상태에서 냉각수가 COLD(저온) 표시 또는 그 아래에 보이지 않으면 팽창 탱크 캡을 제거하고 필요에 따라 권장 교체용 냉각수를 추가하여 레벨을 COLD(저온) 표시로 되돌립니다[냉각수 사양 참조].
Important: 알코올 기반 냉각수만을 사용하지 마십시오.탱크의 COLD(저온) 표시를 초과하여 채우지 마십시오.
팽창 탱크 마개를 닫습니다.
| 유지보수 서비스 간격 | 유지보수 절차 |
|---|---|
| 매 50시간 |
|
| 매 250시간 |
|
압축 공기를 사용하여 라디에이터 핀을 청소합니다. 장비에서 공기를 배출합니다(그림 69).
Important: 핀을 세척할 때 물을 사용하지 마십시오.

구부러진 핀을 펴십시오.
| 유지보수 서비스 간격 | 유지보수 절차 |
|---|---|
| 매 200시간 |
|
| 매 2년 |
|
냉각 시스템 호스의 누출, 꼬인 라인, 느슨한 장착 지지대, 마모, 느슨한 부품, 기상 악화 및 화학적 노화 여부를 점검하십시오. 장비를 작동하기 전에 필요한 모든 수리를 시행하십시오.
| 유지보수 서비스 간격 | 유지보수 절차 |
|---|---|
| 매 400시간 |
|
잭 스탠드를 장비 전방 아래에 놓습니다. 장비의 전면 올리기을 참조하십시오.
앞바퀴를 분리합니다.
주차 브레이크를 DISENGAGED(해제) 위치로 옮깁니다. 주차 브레이크을 참조하십시오.
브레이크 드럼(그림 70)을 손으로 제거합니다.
브레이크 드럼을 손으로 분리할 때 저항이 느껴지면 조정할 필요가 없습니다.
손으로 브레이크 드럼을 분리할 때 저항이 느껴지지 않으면 조정이 필요합니다. 주차 브레이크 조정을 참조하십시오.

앞바퀴를 장착하고 러그 너트를 조입니다. 휠 러그 너트에 토크 적용을 참조하십시오.
바퀴를 초크로 고정하십시오.
주차 브레이크가 해제되었는지 확인합니다.
왼쪽 바퀴 근처에 있는 장비 왼쪽 아래에서 브레이크 케이블 마운트(그림 71)를 찾습니다.

상단 잼 너트를 느슨하게 하여 간격(3.2 mm ~ 4.8 mm)을 만듭니다.
상단 잼 너트가 브래킷에 닿을 때까지 케이블을 아래로 당깁니다.
하단 잼 너트를 조입니다.
다른 케이블에 대해 5 및 6 단계를 반복합니다.
주차 브레이크를 점검합니다. 주차 브레이크 점검을 참조하십시오.
| 유지보수 서비스 간격 | 유지보수 절차 |
|---|---|
| 처음 10시간 후 |
|
| 처음 50시간 후 |
|
| 매 100시간 |
|
벨트의 장력이 적당하면 두 풀리 중간에 있는 벨트에 4.5 kg의 힘을 가했을 때 10 mm의 휨이 발생합니다.
편향이 10 mm가 아닌 경우 다음 단계를 수행하십시오.
교류 발전기 장착 볼트(그림 63)를 느슨하게 풉니다.

교류 발전기 벨트 장력을 높이거나 낮춘 다음 볼트를 조이십시오.
벨트의 휨량을 다시 점검하여 장력이 적당한지 확인합니다.
| 유지보수 서비스 간격 | 유지보수 절차 |
|---|---|
| 매 100시간 |
|
트랙션 벨트에서 과도한 마모 또는 손상의 징후가 있는지 검사하십시오.
벨트가 과도하게 마모되거나 손상된 경우 벨트를 교체합니다. 트랙션 벨트 교체을 참조하십시오.

평평한 곳에 장비를 주차시켜 커팅 유닛을 내리고 주차 브레이크를 걸고 엔진을 멈춘 후 키를 뺍니다.
부속장치 기어박스에서 PTO 샤프트를 분리합니다. 부속장치 사용 설명서를 참조하십시오.
장비 와이어 하니스에서 클러치 와이어 하니스 커넥터를 뽑습니다.

금속 고정 장치 및 클러치에서 고무 범퍼를 분리합니다(그림 74).
보조자에게 래칫을 사용하여 벨트의 장력을 해제한 다음 펌프 풀리, 아이들러 풀리 및 엔진 풀리에서 벨트를 분리하도록 합니다.
기존 벨트를 분리하려면 벨트를 클러치 위에서 PTO 샤프트의 앞쪽으로 움직이십시오.
벨트를 PTO 샤프트를 따라 클러치 위로 이동한 후 엔진 풀리 위로 이동하십시오.
보조자에게 래칫을 사용하여 아이들러 풀리를 아래로 당기도록 합니다.
벨트를 엔진 풀리, 아이들러 풀리 및 펌프 풀리(그림 73)에 배선합니다.
아이들러 암에서 래칫을 분리합니다.
금속 리테이너에 고무 범퍼를 장착하고 클러치에 범퍼를 고정합니다.
클러치-와이어-하니스 커넥터를 장비 와이어 하니스에 연결합니다.
부착 기어박스에 PTO 샤프트를 장착합니다.
| 유지보수 서비스 간격 | 유지보수 절차 |
|---|---|
| 매 200시간 |
|
운전자 편의를 위해 트랙션 페달을 조정하거나 장비의 최고 전진 속도를 줄일 수 있습니다.
트랙션 페달을 완전히 앞으로 이동합니다(그림 76).
Note: 펌프가 최대 행정에 도달하기 전에 트랙션 페달이 트랙션 페달 정지와 접촉해야 합니다.

트랙션 페달이 트랙션 페달 멈춤장치에 닿지 않거나 장비의 전진 속도를 줄이려면 다음을 수행하십시오.
렌치로 트랙션 페달 멈춤장치(그림 76)를 잡습니다.
발판 하단에 있는 잼 너트를 풉니다(그림 77).

트랙션 페달을 최대 전진 위치(그림 76)로 움직입니다.
트랙션 페달 멈춤장치를 잡고 있는 상태에서 트랙션 페달이 멈춤장치에 닿을 때까지 발판(그림 76) 위에 있는 잼 너트를 조정합니다.
발판 위에 있는 잼 너트에서 멈춤장치 1을 시계 반대 방향으로 완전히 돌려 트랙션 페달 스톱 위치를 늘립니다.
Note: 트랙션 페달 멈춤장치를 줄이면 장비의 전진 속도가 증가합니다.
트랙션 페달 멈춤장치를 잡고 발판(그림 76 및 그림 77)의 바닥에 있는 잼 너트를 37~45 N∙m의 토크로 조입니다.
펌프가 최대 행정에 도달하기 전에 트랙션 페달이 트랙션 페달 멈춤장치에 닿는지 점검하십시오.
Note: 트랙션 페달이 트랙션 페달 멈춤장치에 닿지 않으면 1~7 단계를 반복합니다.
유압 오일이 피부에 침투하면 즉시 의학적 치료를 받으십시오. 주입된 오일은 몇 시간 내에 의사가 수술 방식으로 제거해야 합니다.
모든 유압 오일 호스 및 라인의 상태가 양호하고 모든 유압 연결부 및 피팅이 단단히 조여 있는지 확인한 후에 유압 시스템에 압력을 가하십시오.
고압의 유압 오일이 분출되는 핀 홀 구멍이나 노즐 근처에 손이나 신체를 두지 마십시오.
유압 오일 누출 지점은 판지나 종이를 사용하여 찾으십시오.
유압 시스템에 어떤 작업이라도 수행하기 전에 유압 시스템의 모든 압력을 배출하십시오.
출고 시 유압 오일 통에는 약 22.7 L의 고품질 유압 오일이 채워져 있습니다. 엔진을 처음 시동하기 전에 유압 오일량을 확인하고 그 이후로는 매일 점검하십시오. 유압 오일 레벨 점검을 참조하십시오.
권장 교체 오일: Toro PX 수명 연장 유압 오일 19 L들이 통이나 208 L들이 드럼으로 구입할 수 있습니다.
Note: 권장 교체 오일을 사용하는 장비는 오일과 필터를 교체해야 하는 빈도가 적습니다.
대체 유압 오일:Toro PX 수명 연장 유압 오일을 구할 수 없는 경우, 다음 모든 물질 속성에 대해 명시된 범위 내이며 산업 표준을 충족하는 규격의 기존에 사용하던 다른 석유계 유압 오일을 사용할 수 있습니다. 합성유는 사용하지 마십시오. 적절한 제품을 알아보려면 오일 판매 대리점에 문의하십시오.
Note: Toro는 부적절한 대체 제품으로 인해 발생하는 손상에 대해 책임지지 않습니다. 따라서 권장 제품을 보증하는 유명 제조사의 제품만 사용하십시오.
| 물질 속성: | ||
| 점도, ASTM D445 | cSt @ 40 °C 44 ~ 48 | |
| 점도 지수 ASTM D2270 | 140 이상 | |
| 유동점, ASTM D97 | -37°C ~ -45°C | |
| 업계 표준: | Eaton Vickers 694(I-286-S, M-2950-S/35VQ25 또는 M-2952-S) | |
Note: 많은 유압 오일이 거의 무색이어서 누출 여부를 알기 어렵습니다. 유압 시스템 오일용 붉은색 첨가제는 20 ml들이 병으로 판매됩니다. 한 병이면 유압 오일 15 ~ 22 L에 충분히 사용할 수 있습니다. Toro 공인 판매대리점에서 주문 부품 번호 44-2500로 주문하십시오.
Important: Toro 프리미엄 합성 생분해성 유압 오일은 Toro에서 승인한 유일한 합성 생분해성 오일입니다. 이 유압 오일은 Toro 유압 시스템에 사용되는 엘라스토머와 호환이 가능하며, 다양한 온도 조건에 적합합니다. 이 유압 오일은 기존의 광유와도 호환이 가능하지만, 최고의 생분해성과 성능을 내기 위해서는 유압 시스템에서 기존 오일을 완전히 씻어내야 합니다. 이 오일은 Toro 공식 판매 대리점에서 19 L들이 통이나 208 L들이 드럼으로 구입하실 수 있습니다.
| 유지보수 서비스 간격 | 유지보수 절차 |
|---|---|
| 매번 사용하기 전 또는 매일 |
|
평평한 곳에 장비를 주차시켜 커팅 유닛을 내리고 주차 브레이크를 걸고 엔진을 멈춘 후 키를 뺍니다.
유압 탱크에서 플러그를 제거합니다(그림 78).

유압 탱크에서 계량봉을 꺼내 깨끗한 천으로 닦습니다(그림 78).
유압 탱크에 계량봉을 삽입합니다.
계량봉을 빼내서 오일량을 확인합니다(그림 79).
커팅 유닛이 장착된 경우: 계량봉의 아래쪽 2개 표시 사이에 오일이 나타나면 유압 오일 레벨이 적절한 레벨입니다(그림 79의 A). 오일 레벨이 하한 표시 이상인 경우에도 허용됩니다.
유압 구동식 부속장치 호스 키트를 장착한 경우: 유체가 계량봉의 상단 2개 표시 사이에 나타나면 유압 유체 수준이 적절한 수준입니다(그림 79의 B).

오일 레벨이 계량봉의 적절한 하한 표시(장착된 부속장치에 따라 5단계 참조)보다 낮으면 지정된 유압 오일을 탱크에 추가합니다. 오일량이 계량봉에 있는 적절한 2개의 표시 사이에 표시될 때까지 3~5 단계를 반복합니다.
계량봉 및 플러그를 유압 탱크에 설치하십시오.
플러그를 손으로 조입니다.
Important: 공구를 사용하여 플러그를 조이지 마십시오.
모든 오일 호스와 피팅의 누수를 확인합니다.
| 유지보수 서비스 간격 | 유지보수 절차 |
|---|---|
| 처음 1000시간 후 |
|
| 매 800시간 |
|
| 매 1,000시간 |
|
| 매 2,000시간 |
|
유압 오일이 오염되었다면 시스템을 세척해야 하므로 Toro 지정 판매 대리점에 문의하십시오. 오염된 오일은 깨끗한 오일에 비해 우윳빛이나 검게 보입니다.
Important: Toro 교환 필터를 사용하십시오. 장비의 부품 카탈로그를 참조하십시오. 지정된 필터가 아닌 필터를 사용할 경우 일부 구성 요소에 대한 보증이 무효가 됩니다.
평평한 곳에 장비를 주차시켜 커팅 유닛을 내리고 주차 브레이크를 걸고 엔진을 멈춘 후 키를 뺍니다.
유압 오일 탱크 아래에 큰 드레인 팬을 놓습니다.
유압 탱크 캡과 계량봉을 제거합니다.
탱크 바닥에서 드레인 플러그를 분리하여 유압 오일이 팬으로 흐르게 합니다(그림 80).

왼쪽 필터 장착 영역 주위를 청소하십시오.
필터(그림 80) 아래에 배출 팬을 놓고 필터를 제거한 다음 남은 오일이 팬에 배출되도록 합니다.
새 필터 개스킷을 윤활하고 유압 오일로 필터를 채웁니다.
필터 장착 부위가 깨끗한지 확인하고 개스킷이 마운트 플레이트에 닿을 때까지 필터를 돌려 끼웁니다. 그런 다음 필터를 1/2바퀴 더 조입니다.
유압 탱크에 유압 오일을 채웁니다. 유압 오일 레벨 점검을 참조하십시오.
Important: 지정된 유압 오일만 사용하십시오. 다른 유압 오일을 사용하면 시스템이 손상될 수 있습니다.
유압 오일의 배출이 멈추면 드레인 플러그를 설치합니다.
오일통 계량봉과 마개를 닫습니다.
엔진을 시동하고 다음 순서래로 모든 유압 제어 장치를 사용하여 유압 오일이 시스템 구석구석까지 퍼지게 합니다.
트랙션 페달을 사용하여 장비를 앞뒤로 움직입니다.
스티어링 휠을 사용하여 타이어를 좌우로 끝까지 움직입니다.
리프트 스위치를 사용하여 액세서리(예: 커팅 유닛)를 올리고 내립니다.
누출을 점검하고 엔진을 정지합니다.
탱크의 유압 오일 레벨을 점검합니다. 유압 오일 레벨 점검을 참조하십시오.
| 유지보수 서비스 간격 | 유지보수 절차 |
|---|---|
| 매번 사용하기 전 또는 매일 |
|
| 매 2년 |
|
유압 라인과 호스의 누출, 꼬인 라인, 느슨한 장착 지지대, 마모, 느슨한 부품, 기상 악화 및 화학적 노화 여부를 매일 검사하십시오. 장비를 작동하기 전에 필요한 모든 수리를 시행하십시오.
Important: 캡 씰 주위를 주의해서 다루십시오(그림 81). 고압 와셔를 사용할 경우, 장비와 와셔 완드 사이에 0.6 m 이상의 거리를 두십시오. 고압 와셔를 캡 씰이나 후방 오버행 아래에 직접 쏘지 마십시오.

캡 콘덴서 필터의 목적은 잔디나 이파리 같은 큰 찌꺼기가 캡 콘덴서 및 콘덴서 팬에 들어가는 것을 막는 것입니다.
스크린 커버를 아래쪽으로 똑바로 당깁니다.
물로 콘덴서 필터를 청소합니다.
Note: 고압 와셔를 사용하지 마십시오.
Important: 구멍이 있거나, 찢어졌거나 손상된 필터는 교환하십시오.
필터는 장비에 설치하기 전에 건조시킵니다.
래치가 래치 장착 어셈블리에 고정될 때까지 필터 스크린을 탭 주위로 돌립니다(그림 83).

Note: 앞유리-와이퍼-오일 탱크는 장비 우측의 엔진 옆에 있습니다.
탱크에서 캡을 제거합니다(그림 85).

탱크에 와셔액을 채웁니다.
탱크에 캡을 다시 끼웁니다..
엔진을 끄고 키를 뺀 다음 모든 움직임이 멈출 때까지 기다려 운전석에서 내리십시오. 장비가 식은 후에 장비를 조정, 정비, 청소 또는 보관하십시오.
온수기나 기타 기구 등 노출된 화염, 불꽃, 점화용 불씨 등이 있는 곳에는 장비나 연료통을 보관하지 마십시오.
Important: 소금기가 있거나 재생된 물을 사용하여 장비를 청소하지 마십시오.
평평한 곳에 장비를 주차하고, 주차 브레이크를 걸고, 엔진을 멈춥니다. 그리고 키를 뺀 다음 모든 움직임이 멈출 때까지 기다려 장비를 떠납니다.
장비, 커팅 유닛 및 엔진을 철저하게 청소합니다.
Important: 전기 컨트롤이나 캡의 씰 근방에서 고압 세척수를 사용하지 마십시오. 시스템을 손상시킬 수 있습니다.
타이어의 공기압을 점검하고 조정합니다. 타이어 공기압 점검을(를) 참조하십시오.
유압 라인과 호스를 점검하고 필요에 따라 수리하십시오.
유압 오일 레벨을 점검합니다. 유압 오일 레벨 점검을 참조하십시오.
커팅 유닛 블레이드를 분리하고, 연마하고, 균형을 맞추고, 설치하십시오.
패스너가 느슨한지 점검하고 필요에 따라 조이십시오.
모든 그리스 피팅을 윤활하고 피벗 지점에 오일을 도포합니다. 과도한 윤활유는 깨끗히 닦아 냅니다.
긁히거나 벗겨지거나 녹슨 페인트칠 부분을 사포로 가볍게 문지른 다음 수정 페인트를 칠합니다. 금속 바디에 파인 곳이 있으면 수리합니다.