Údržba
Note: Levou a pravou stranu stroje určete z pohledu běžné pozice obsluhy.
Note: Kopii elektrického nebo hydraulického schématu si můžete bezplatně stáhnout na stránkách www.Toro.com. Svůj stroj naleznete v odkazech na příručky na domovské stránce.
Bezpečnost při provádění úkonů údržby
-
Před čištěním, údržbou nebo seřizováním stroje proveďte následující kroky:
-
Zaparkujte stroj na rovném povrchu.
-
Vypněte motor, vyjměte klíč, odpojte kabel zapalovací svíčky a počkejte, dokud se nezastaví všechny pohybující se součásti.
-
Založte kola klíny.
-
Odpojte stroj od hnací jednotky.
-
Před prováděním údržby nechejte vychladnout všechny součásti stroje.
-
-
Provádějte pouze údržbu uvedenou v této příručce. Pokud potřebujete rozsáhlejší opravu nebo pomoc, obraťte se na autorizovaného distributora Toro.
-
Při práci pod strojem podložte stroj bloky nebo zvedáky.
-
Po údržbě nebo seřizování stroje pevně namontujte všechny kryty.
-
Nedovolte, aby servisní práce na stroji prováděla nezaškolená osoba.
-
Pokud je třeba stroj nebo jeho součásti podepřít, použijte zvedáky.
-
Opatrně uvolněte tlak z dílů s akumulovanou energií.
-
Při provádění údržby stroje nenabíjejte akumulátory.
-
Abyste snížili riziko požáru, odstraňujte z motorového prostoru přebytečné mazivo, trávu, listí a nahromaděné nečistoty.
-
Je-li to možné, neprovádějte údržbu se spuštěným motorem. Nepřibližujte se k pohybujícím se částem.
-
Pokud při seřizování nebo údržbě musí pracovat motor, nepřibližujte ruce, nohy ani jiné části těla či oděv k motoru či pohybujícím se součástem. Nedovolte, aby se kdokoli ke stroji přiblížil.
-
Místa potřísněná uniklým olejem nebo palivem vždy očistěte.
-
Udržujte všechny díly v dobrém provozním stavu a dbejte na to, aby byly všechny upevňovací prvky utažené. Veškeré poškozené nebo chybějící štítky nahraďte novými.
-
Neblokujte určenou funkci bezpečnostního zařízení ani nesnižujte úroveň ochrany, kterou bezpečnostní zařízení poskytuje. Pravidelně kontrolujte jejich správnou funkci.
-
Nepřekračujte maximální otáčky motoru změnou nastavení regulátoru. Z důvodu zajištění bezpečnosti a přesnosti si u autorizovaného distributora Toro nechejte zkontrolovat maximální otáčky motoru pomocí otáčkoměru.
-
Pokud potřebujete rozsáhlejší opravu nebo pomoc, obraťte se na autorizovaného distributora Toro.
-
Jakékoli úpravy stroje mohou nepříznivě ovlivnit jeho provozuschopnost, výkon a trvanlivost nebo mohou při jeho použití vést ke zranění nebo usmrcení osob. Takové použití může vést ke zneplatnění záruky na výrobek společnosti Toro.
Doporučený harmonogram údržby
| Servisní interval | Postup při údržbě |
|---|---|
| Po prvních 8 hodinách |
|
| Po prvních 10 hodinách |
|
| Při každém použití nebo denně |
|
| Po každých 25 hodinách provozu |
|
| Po každých 50 hodinách provozu |
|
| Po každých 100 hodinách provozu |
|
| Po každých 200 hodinách provozu |
|
| Po každých 500 hodinách provozu |
|
Important: Další pokyny k postupům údržby naleznete v uživatelské příručce k motoru.
Seznam úkonů denní údržby
Tuto stránku si zkopírujte pro každodenní použití.
|
Úkon kontrolní údržby |
Týden: |
||||||
|---|---|---|---|---|---|---|---|
|
Pondělí |
Úterý |
Středa |
Čtvrtek |
Pátek |
Sobota |
Neděle |
|
|
Zkontrolujte hladinu motorového oleje. | |||||||
|
Vyčistěte mřížku motoru a chladič oleje. | |||||||
|
Zkontrolujte předčistič vzduchového filtru. | |||||||
|
Zkontrolujte tlak vzduchu v pneumatikách. | |||||||
|
Zkontrolujte utahovací moment upevňovací svorky hubice fukaru. | |||||||
|
Vyčistěte vodítka hubice. | |||||||
|
Zkontrolujte případnou nezvyklou hlučnost motoru. | |||||||
|
Zkontrolujte, zda nedochází k úniku kapaliny. | |||||||
|
Opravte poškozený lak. | |||||||
|
Zápis problematických oblastí |
||
|---|---|---|
|
Kontrolu provedl(a): |
||
|
Položka |
Datum |
Informace |
Postupy před údržbou stroje
Výstraha
V případě nesprávné údržby stroje může dojít k předčasnému selhání systémů stroje, což by mohlo vám nebo přihlížejícím osobám způsobit zranění.
O stroj důkladně pečujte a podle pokynů v této příručce jej udržujte v dobrém provozním stavu.
Důležité upozornění
Jestliže ponecháte klíč ve spínači zapalování, může kdokoli spustit motor a způsobit vám nebo přihlížejícím osobám vážné zranění.
Před zahájením jakýchkoli úkonů údržby vyjměte klíč ze zapalování a odpojte kabely zapalovacích svíček. Odsuňte kabely stranou tak, aby náhodně nepřišly do styku se zapalovacími svíčkami.
Příprava stroje
-
Zaparkujte stroj na rovném povrchu.
-
Vypněte motor, vyjměte klíč a počkejte, dokud se všechny pohybující se součásti nezastaví.
-
Založte kola klíny.
-
Odpojte stroj od hnací jednotky.
-
Před prováděním údržby nechejte vychladnout všechny součásti stroje.
-
Odpojte kabel zapalovací svíčky.
Příprava stroje na opravy svařováním
Important: Pokud neodpojíte akumulátor, může dojít k trvalému poškození modulu bezdrátového ovládání a řídicí jednotky TEC.
-
Před svařováním na stroji odpojte od akumulátoru záporný kabel akumulátoru.
-
Po ukončení svařování na stroji znovu připojte záporný kabel k akumulátoru.
Údržba motoru
Bezpečnost při údržbě motoru
-
Před kontrolou hladiny oleje a doplňováním oleje do klikové skříně vypněte motor.
-
Neměňte otáčky regulátoru a nepřekračujte maximální otáčky motoru.
Údržba čističe vzduchu
| Servisní interval | Postup při údržbě |
|---|---|
| Po každých 25 hodinách provozu |
|
| Po každých 100 hodinách provozu |
|
Kontrola vzduchového filtru
-
Připravte stroj na údržbu, viz Příprava stroje.
-
Zkontrolujte, zda není vzduchový filtr poškozený, což by mohlo způsobit únik vzduchu. Kryt musí těleso vzduchového filtru dobře těsnit (Obrázek 24).
Note: Poškozený kryt nebo pouzdro vzduchového filtru vyměňte.

-
Uvolněte západky upevňující kryt vzduchového filtru k pouzdru filtru (Obrázek 24).
-
Oddělte kryt od pouzdra filtru a vyčistěte vnitřní část krytu (Obrázek 24).
-
Opatrně vysuňte vložku vzduchového filtru z pouzdra filtru.
Note: Aby se uvolnilo co nejmenší množství prachu, buďte opatrní, abyste filtrem neklepli o pouzdro.
-
Zkontrolujte vložku vzduchového filtru.
Note: Zkontrolujte těsnicí konec filtru.
Important: Poškozený filtr vyměňte.
-
Pokud je vložka vzduchového filtru čistá, nainstalujte ji podle pokynů v části Montáž vzduchového filtru.
-
Je-li vložka poškozená, vyměňte ji podle pokynů v části Výměna vzduchového filtru a Montáž vzduchového filtru.
-
Výměna vzduchového filtru
-
Očistěte otvor pro vypuzování nečistot v krytu vzduchového filtru.
-
Vyjměte z krytu pryžový výtlačný ventil, vyčistěte dutinu a výtlačný ventil nasaďte zpět.
-
Uvolněte západky upevňující kryt vzduchového filtru k pouzdru filtru a kryt sejměte (Obrázek 25).

-
Opatrně vysuňte vložku vzduchového filtru (Obrázek 25) z pouzdra filtru.
Note: Aby se uvolnilo co nejmenší množství prachu, buďte opatrní, abyste filtrem neklepli o pouzdro.
-
Zkontrolujte, zda se nový filtr během přepravy nepoškodil.
Note: Zkontrolujte těsnicí konec filtru.
Important: Poškozený filtr neosazujte.
Montáž vzduchového filtru
Important: Aby nedošlo k poškození motoru, musí být namontována kompletní sestava vzduchového filtru.
Important: Nepoužívejte poškozený filtr.
Note: Čištění použité vložky vzduchového filtru se vzhledem k možnému poškození média filtru nedoporučuje.
-
Očistěte otvor pro vypuzování nečistot v krytu vzduchového filtru.
-
Vyjměte z krytu pryžový výtlačný ventil, vyčistěte dutinu a výtlačný ventil nasaďte zpět.
-
Zasuňte vložku vzduchového filtru do pouzdra filtru (Obrázek 26).
Note: Při montáži tlačte na vnější lem filtru, aby správně dosedl a těsnil. Netlačte na pružný střed filtru.

-
Vyrovnejte kryt vzduchového filtru s pouzdrem filtru a zajistěte kryt k pouzdru pomocí západek (Obrázek 26).
Specifikace motorového oleje
Typ oleje: Detergentní olej (API klasifikace SJ nebo vyšší)
Viskozita oleje: Viz níže uvedená tabulka:

Kontrola hladiny motorového oleje
| Servisní interval | Postup při údržbě |
|---|---|
| Při každém použití nebo denně |
|
Note: Pro kontrolu hladiny motorového oleje je nejvhodnější doba před zahájením práce na začátku dne, kdy je motor studený. Pokud již byl motor spuštěný, před kontrolou hladiny oleje počkejte alespoň 10 minut.
-
Připravte stroj na údržbu, viz Příprava stroje.
-
Vyčistěte okolí měrky oleje a uzávěr plnicího hrdla oleje na víku ventilů (Obrázek 28 a Obrázek 29).


-
Vyjměte měrku a otřete její konec (Obrázek 28).
-
Měrku zcela zasuňte do trubice měrky (Obrázek 30).
-
Vytáhněte měrku a podívejte se na kovový konec.
Note: Hladina oleje musí být na horní rysce na měrce.

-
Pokud je hladina oleje na měrce pod horní ryskou, sejměte uzávěr plnicího hrdla oleje, pomalu dolijte předepsaný olej tak, aby jeho hladina sahala k horní rysce, a uzávěr plnicího hrdla oleje znovu nasaďte; viz Specifikace motorového oleje.
Important: Do klikové skříně nenalévejte příliš mnoho oleje a pak nespouštějte motor. Mohlo by dojít k poškození motoru.
-
Zasuňte měrku zcela do trubice měrky.
Výměna motorového oleje
| Servisní interval | Postup při údržbě |
|---|---|
| Po každých 100 hodinách provozu |
|
Objem klikové skříně: 2,0 l (s filtrem)
-
Nastartujte motor a nechejte jej 5 minut pracovat.
Note: Teplý olej se lépe vypouští.
-
Zaparkujte stroj tak, aby strana, na které budete olej vypouštět, byla o něco níže než strana protější. Díky tomu vyteče veškerý olej.
-
Než opustíte pozici obsluhy, vypněte motor, vyjměte klíč a počkejte, dokud se nezastaví všechny pohybující se části.
-
Pod vypouštěcí otvor umístěte nádobu. Otočte vypouštěcím ventilem oleje a nechejte olej vytéct (Obrázek 31).
Note: Na vypouštěcí ventil lze nasadit hadici, která umožní směrování proudu oleje. Hadice není součástí výbavy stroje.
-
Po vypuštění veškerého oleje zavřete vypouštěcí ventil.
Note: Použitý olej zlikvidujte v recyklačním středisku.

-
Do plnicího hrdla na víku ventilů (Obrázek 32) pomalu nalijte asi 80 % předepsaného množství oleje; viz Specifikace motorového oleje.

-
Zkontrolujte hladinu oleje; viz část Kontrola hladiny motorového oleje.
-
Pomalu doplňte další olej tak, aby jeho hladina sahala k horní rysce na měrce.
Výměna olejového filtru
| Servisní interval | Postup při údržbě |
|---|---|
| Po každých 200 hodinách provozu |
|
Objem klikové skříně: 2,0 l (s filtrem)
-
Vypusťte olej z motoru, viz Výměna motorového oleje.
-
Vyjměte starý filtr a otřete povrch těsnění adaptéru filtru (Obrázek 33).

-
Pryžové těsnění náhradního filtru potřete tenkou vrstvou nového oleje (Obrázek 33).
-
Na adaptér filtru nasaďte náhradní olejový filtr, otáčejte jím ve směru hodinových ručiček, dokud se pryžové těsnění nedotkne adaptéru filtru, a poté filtr dotáhněte o další 2/3 až 1 celou otáčku (Obrázek 34).

-
Sejměte uzávěr plnicího hrdla oleje (Obrázek 33) a do motoru nalijte 2 l předepsaného oleje; viz Specifikace motorového oleje a Výměna motorového oleje.
-
Nechejte motor pracovat přibližně 3 minuty, vypněte jej a zkontrolujte, zda v okolí olejového filtru neuniká olej.
-
Zkontrolujte hladinu motorového oleje a v případě potřeby doplňte předepsaný olej.
Údržba zapalovacích svíček
Typ zapalovacích svíček: Champion® RC12YC, Champion® Platinum 3071 nebo ekvivalentní
Vzdálenost elektrod: 0,76 mm
Kontrola zapalovacích svíček
| Servisní interval | Postup při údržbě |
|---|---|
| Po každých 200 hodinách provozu |
|
-
Připravte stroj na údržbu, viz Příprava stroje.
-
Vyčistěte prostor kolem zapalovacích svíček (Obrázek 35).

-
Od zapalovacích svíček odpojte kabely (Obrázek 35).
-
Demontujte zapalovací svíčky a těsnění pomocí nástrčného klíče na zapalovací svíčky.
-
Podívejte se na střed zapalovacích svíček (Obrázek 36). Je-li izolátor světle hnědý nebo šedý, motor pracuje správně. Černý povlak na izolátoru obvykle znamená, že vzduchový filtr je znečištěný.
Note: Pokud je zapalovací svíčka poškozená nebo opotřebená, namontujte novou.

Important: Zapalovací svíčky vyměňte vždy, když mají černý nebo olejový povlak, jsou popraskané nebo mají opotřebené elektrody.
-
Změřte vzduchovou mezeru mezi středovou a vnější elektrodou (Obrázek 36). Vzdálenost elektrod musí být 0,76 mm.
Note: Pokud není vzdálenost mezi elektrodami správná, ohnutím vnější elektrody ji upravte.
-
Zašroubujte zapalovací svíčku do motoru a utáhněte ji na utahovací moment 27 Nm (20 ft-lb).
-
Zopakujte kroky 2 a 6 na dalším válci.
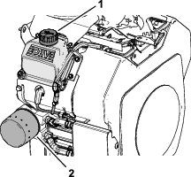
Čištění mřížky motoru a chladiče oleje
| Servisní interval | Postup při údržbě |
|---|---|
| Při každém použití nebo denně |
|
Mřížku a chladič kontrolujte a čistěte před každým použitím. Z chladiče oleje a mřížky motoru odstraňte případný nános trávy a jiné nečistoty (Obrázek 37).

Údržba palivového systému
Údržba nádrže s aktivním uhlím
Výměna vzduchového filtru nádrže s aktivním uhlím
| Servisní interval | Postup při údržbě |
|---|---|
| Po každých 200 hodinách provozu |
|
-
Připravte stroj na údržbu, viz Příprava stroje.
-
Demontujte a zlikvidujte vzduchový filtr nádrže s aktivním uhlím (Obrázek 38).

-
Namontujte nový vzduchový filtr.
Výměna filtru proplachovacího vedení nádrže s aktivním uhlím
| Servisní interval | Postup při údržbě |
|---|---|
| Po každých 200 hodinách provozu |
|
Note: Příležitostně kontrolujte, zda ve filtru proplachovacího vedení nejsou nečistoty. Pokud se filtr zdá být znečištěný, vyměňte jej.
-
Připravte stroj na údržbu, viz Příprava stroje.
-
Odsuňte pružné hadicové spony na obou stranách filtru proplachovacího vedení nádrže s aktivním uhlím směrem od filtru (Obrázek 39).

-
Filtr demontujte a zlikvidujte (Obrázek 39).
-
Do hadice namontujte nový filtr tak, aby šipka na filtru směřovala ke zpětnému ventilu, a filtr zajistěte hadicovými sponami (Obrázek 39).
Výměna palivového filtru
| Servisní interval | Postup při údržbě |
|---|---|
| Po každých 500 hodinách provozu |
|
Pokud jste znečištěný filtr vyjmuli z palivového potrubí, nikdy jej nemontujte zpět.
-
Připravte stroj na údržbu, viz Příprava stroje.
-
Nechejte stroj zcela vychladnout.
-
Stlačte konce hadicových spon k sobě a odsuňte je směrem od filtru (Obrázek 40).

-
Demontujte filtr z palivového vedení.
-
Namontujte nový filtr a přesuňte hadicové spony do blízkosti filtru (Obrázek 40).
Údržba palivové nádrže
Nebezpečí
Za určitých podmínek je palivo extrémně hořlavé a vysoce výbušné. Požár nebo výbuch způsobený palivem může popálit vás i jiné osoby a způsobit škody na majetku.
-
Palivo z palivové nádrže vypouštějte, jen když je motor studený. Provádějte to venku na otevřeném prostranství. Rozlité palivo utřete.
-
Při vypouštění paliva nikdy nekuřte a nepřibližujte se k otevřenému ohni ani k místům, kde by jiskry mohly zapříčinit vznícení palivových výparů.
-
Připravte stroj na údržbu, viz Příprava stroje.
-
Před opuštěním pozice obsluhy vypněte motor, vyjměte klíč a počkejte, dokud se nezastaví všechny pohybující se součásti.
-
Uvolněte hadicovou sponu u palivového filtru a vysuňte ji nahoru po palivovém vedení směrem od filtru (Obrázek 40).
-
Odpojte palivové vedení od palivového filtru (Obrázek 40).
Note: Nechejte palivo vytéct do nádoby na palivo nebo do vypouštěcí nádoby (Obrázek 40).
Note: Nyní je vhodný okamžik pro instalaci nového palivového filtru, protože palivová nádrž je prázdná.
-
Na palivový filtr namontujte palivové vedení. Zajistěte palivové vedení posunutím hadicové spony blízko k palivovému filtru (Obrázek 40).
Údržba elektrického systému
Important: Než zahájíte svařování na stroji, odpojte řídicí jednotku a záporný kabel od akumulátoru, abyste předešli poškození elektrického systému.
Bezpečnost při práci s elektrickým systémem
-
Před opravou odpojte akumulátor. Jako první odpojte záporný vývod a pak teprve kladný vývod. Jako první připojte kladný vývod a pak teprve záporný vývod.
-
Akumulátor dobíjejte v dobře větraném otevřeném prostoru a v dostatečné vzdálenosti od zdroje jiskření nebo ohně. Před připojením nebo odpojením akumulátoru nejprve odpojte nabíječku. Oblečte si ochranný oděv a používejte izolované nástroje.
Pojistky
Výměna pojistky motoru
-
Připravte stroj na údržbu, viz Příprava stroje.
-
V blízkosti motoru startéru oddělte poloviny úchytu kabelové pojistky kabelového svazku motoru (Obrázek 41).

-
Vyjměte spálenou pojistku z úchytu pojistky.
-
Do úchytu vložte novou pojistku (30 A).
-
Smontujte poloviny úchytu kabelové pojistky (Obrázek 41).
Výměna pojistek stroje
-
Na přední vnitřní straně ovládací skříně sejměte z pojistkového bloku kryt (Obrázek 42).

-
Z bloku vyjměte spálenou pojistku (Obrázek 42).
-
Do otvoru bloku vložte novou pojistku (Obrázek 43).

-
Namontujte kryt pojistkového bloku na blok.
Pojistkový blok je součástí kabelového svazku stroje. Nachází se za přijímačem na pravé straně ovládací skříně (Obrázek 42).
Údržba hnací soustavy
Kontrola tlaku vzduchu v pneumatikách
| Servisní interval | Postup při údržbě |
|---|---|
| Při každém použití nebo denně |
|
Zkontrolujte tlak v pneumatikách (Obrázek 44).
Správný tlak v pneumatikách je 0,965 bar (96,5 kPa).

Utahování upevňovacích matic kol
| Servisní interval | Postup při údržbě |
|---|---|
| Po prvních 10 hodinách |
|
Důležité upozornění
Pokud nejsou matice utaženy na správný moment, hrozí nebezpečí poškození nebo uvolnění kola a možného zranění.
Upevňovací matice kol utáhněte na utahovací moment 95 až 122 Nm (70 až 90 ft-lb).
-
Připravte stroj na údržbu, viz Příprava stroje.
-
Upevňovací matice kol utáhněte na utahovací moment 95 až 122 Nm (70 až 90 ft-lb).
Kontrola pneumatik
| Servisní interval | Postup při údržbě |
|---|---|
| Po každých 100 hodinách provozu |
|
Pokud dojde k nehodě, zkontrolujte stav pneumatiky a ráfku, neboť mohou být poškozené.
DOT kód je umístěn na bočnici každé pneumatiky. Uvádí informace o jmenovitém zatížení a rychlosti. Náhradní pneumatiky musí mít stejné nebo lepší jmenovité hodnoty.
Příklad opotřebení pneumatiky způsobeného podhuštěním zachycuje .

Příklad opotřebení pneumatiky způsobeného přehuštěním zachycuje .

Údržba řemenů
Seřízení napnutí ovládacího řemenu hubice
| Servisní interval | Postup při údržbě |
|---|---|
| Po prvních 8 hodinách |
|
| Po každých 50 hodinách provozu |
|
Pokud ovládací řemen hubice fukaru při změně směru hubice prokluzuje, upravte jeho napnutí.
-
Připravte stroj na údržbu, viz Příprava stroje.
-
Povolte 2 šrouby s přírubovou hlavou a 2 pojistné matice s nákružkem, které upevňují montážní konzolu motoru k držáku skříně rámu stroje (Obrázek 47).

-
Vložte nástrčnou část momentového klíče do montážní konzoly řemenice, viz Obrázek 47.
-
Otáčejte montážní konzolou motoru směrem od hubice fukaru (Obrázek 47), dokud momentový klíč nedosáhne hodnoty 22,6 až 26,0 Nm (200 až 230 in-lb).
-
Řemen udržujte napnutý a současně utáhněte 2 šrouby s přírubovou hlavou a 2 pojistné matice s nákružkem.
Údržba fukaru
Kontrola svorky hubice fukaru
| Servisní interval | Postup při údržbě |
|---|---|
| Při každém použití nebo denně |
|
-
Připravte stroj na údržbu, viz Příprava stroje.
-
Zkontrolujte, zda svorka nejeví známky opotřebení nebo poškození (Obrázek 48).

-
Denně kontrolujte, zda je svorka hubice fukaru pevně utažena (Obrázek 48).
Important: Pokud přijde hubice fukaru do kontaktu s překážkou nebo nízkou plochou v terénu, může dojít k uvolnění svorky.
-
Jestliže se svorka uvolní, dotáhněte matici svorky na utahovací moment 5,1 až 5,7 Nm (45 až 50 in-lb).
Čištění vodítek hubice
| Servisní interval | Postup při údržbě |
|---|---|
| Při každém použití nebo denně |
|
-
Připravte stroj na údržbu, viz Příprava stroje.
-
Odstraňte z okolí vodítek hubice a prostoru mezi nimi nahromaděnou trávu a jiné nečistoty (Obrázek 49).
Note: Pokud vodítka hubice neočistíte, hubice se nemusí volně otáčet, což by mohlo poškodit motor.

Údržba přenosného dálkového ovladače
Přenosný dálkový ovladač a modul bezdrátového ovládání
Před použitím systému dálkového ovládání je nutné propojit přenosný dálkový ovladač s modulem bezdrátového ovládání. Přenosný dálkový ovladač je z výroby spárován s modulem bezdrátového ovládání. Pokud chcete obnovit komunikaci přenosného dálkového ovladače s modulem bezdrátového ovládání (např. při použití nového nebo náhradního dálkového ovladače se stávající základní jednotkou nebo při změně frekvence signálu z důvodu místních problémů s rušením), postupujte podle pokynů v části Spárování dálkového ovladače a ovládacího modulu.
Modul bezdrátového ovládání Pro Force můžete spárovat pouze s přenosným dálkovým ovladačem Pro Force. Spárováním dálkového ovladače Pro Force s jiným modulem bezdrátového ovládání Pro Force se zruší spárování ovladače s původním přístrojem Pro Force.
Note: Během provozu může spárování přenosného dálkového ovladače s modulem bezdrátového ovládání zrušit místní rušení. Vzhledem k tomu, že při párování volí modul bezdrátového ovládání nejlepší frekvenci signálu z mnoha nabízených, k dosažení optimálních výsledků přemístěte stroj do oblasti, kde dochází k rušení nebo odpojení signálu, a proveďte postup párování.
Spárování dálkového ovladače a ovládacího modulu
Important: Před zahájením párování si přečtěte celý postup.
-
Připravte stroj na údržbu, viz Příprava stroje.
-
Přepněte klíč zapalování do polohy ZASTAVENí.
-
Držte přenosný dálkový ovladač a postavte se do blízkosti modulu bezdrátového ovládání v prostoru bez překážek a přímou viditelností na anténu (Obrázek 50).

-
Současně stiskněte a podržte tlačítka OTáčENí HUBICE DOLEVA a OTáčENí HUBICE DOPRAVA (Obrázek 51).
Note: Kontrolka LED začne blikat v intervalu přibližně jednou za sekundu.

-
Dále držte obě tlačítka stisknutá, dokud se kontrolka LED nerozbliká v intervalu přibližně dvakrát za sekundu.
-
Uvolněte obě tlačítka.
-
Stiskněte a podržte tlačítko OTáčENí HUBICE DOLEVA (Obrázek 51).
Note: Kontrolka LED začne blikat v intervalu přibližně dvakrát za sekundu.
-
Dále držte tlačítko OTáčENí HUBICE DOLEVA stisknuté (Obrázek 51) a otočte klíč zapalování do PROVOZNí polohy.
Note: Pokud je postup úspěšný, kontrolka LED zůstane trvale svítit. Může trvat až 20 sekund, než se kontrolka LED takto rozsvítí.
-
Uvolněte tlačítko OTáčENí HUBICE DOLEVA (Obrázek 51) a otočte klíč zapalování do polohy ZASTAVENí.
Note: Systém dálkového ovládání je nyní připraven k použití se spárovaným přenosným dálkovým ovladačem.
Výměna baterií dálkového ovladače
Specifikace baterií: AAA (1,5 V)
Počet: 4
-
Demontujte 6 šroubů, které upevňují poloviny krytu přenosného dálkového ovladače k sobě, a sejměte zadní kryt (Obrázek 52).
Note: Pokud je to možné, při demontáži krytu a vyjímání baterií ponechte pryžové a ocelové těsnění v drážce.

-
Vyjměte vybité baterie a řádně je zlikvidujte v souladu s místními předpisy.
-
Vložte nové baterie do přihrádek s póly; dodržujte přitom polaritu baterií (viz Obrázek 53).
Note: Abyste při instalaci baterií nepoškodili přihrádky s póly, dodržujte správné označení polarity (Obrázek 53), vyražené v prostoru pro baterie. Nesprávnou instalací baterií do přenosného dálkového ovladače stroj nepoškodíte, přenosný dálkový ovladač ale nebude fungovat.


-
Správně usaďte ocelové a pryžové těsnění do drážky v polovině krytu a vyrovnejte zadní kryt s předním krytem (Obrázek 52).
-
Vyrovnejte kroužek na šňůrce na kolíku k uchycení šňůrky (Obrázek 52).
-
Připevněte zadní kryt k přednímu krytu pomocí 6 šroubů (Obrázek 52).
-
Šrouby utáhněte na utahovací moment 1,5 až 1,7 Nm (13 až 15 in-lb).
Odstraňování chybových kódů
Řešení chybových kódů
Pokud kontrolka diagnostiky signalizuje závadu systému, postupujte podle následujících pokynů:
|
Chybový kód |
Schéma blikání kontrolky diagnostiky |
Popis poruchy |
Příčiny poruchy |
|---|---|---|---|
|
11 |
Jedno bliknutí – pauza – jedno bliknutí – dlouhá pauza – pak se schéma opakuje |
Řídicí jednotka TEC nebo modul bezdrátového ovládání nekomunikuje. |
Konektor kabelového svazku na řídicí jednotce TEC nebo modulu bezdrátového ovládání je uvolněný, zkorodovaný nebo poškozený |
|
Kabelový svazek je poškozený; obraťte se na autorizovaného distributora Toro. |
|||
|
Modul bezdrátového ovládání je poškozený; obraťte se na autorizovaného distributora Toro. |
|||
|
12 |
Jedno bliknutí – pauza – 2 bliknutí – dlouhá pauza – pak se schéma opakuje |
Verze softwaru v jednotce TEC, modulu bezdrátového ovládání nebo přenosném dálkovém ovladači není kompatibilní s některou z těchto součástí. |
Spárujte přenosný dálkový ovladač; viz provozní příručka ke stroji. |
|
Nainstalujte správný software; obraťte se na autorizovaného distributora Toro. |
|||
|
13 |
Jedno bliknutí – pauza – 3 bliknutí – dlouhá pauza – pak se schéma opakuje |
S modulem bezdrátového ovládání je spárovaný špatný přenosný dálkový ovladač. |
Přenosný dálkový ovladač je spárován s jiným strojem Pro Force. |
|
Přenosný dálkový ovladač patří k nesprávnému typu přístroje, například MH-400 s přenosným ovladačem ProPass. |
|||
|
14 |
Jedno bliknutí – pauza – 4 bliknutí – dlouhá pauza – pak se schéma opakuje |
Obvod napájení motoru (ETR) byl přerušen z důvodu nízkého tlaku oleje (10 sekund nebo déle). |
Zkontrolujte hladinu motorového oleje a v případě potřeby jej doplňte. |
|
Spínač tlaku motorového oleje je poškozený nebo opotřebený; obraťte se na autorizovaného distributora Toro. |
|||
|
Kabelový svazek je poškozený; obraťte se na autorizovaného distributora Toro. |
|||
|
15 |
Jedno bliknutí – pauza – 5 bliknutí – dlouhá pauza – pak se schéma opakuje |
Obvod napájení motoru (ETR) byl přerušen z důvodu nízkého napětí akumulátoru stroje (méně než 5,5 V). |
Zkontrolujte stav kabelů akumulátoru. Zkontrolujte, zda jsou upevňovací prvky kabelů utažené. |
|
Otestujte akumulátor a v případě potřeby jej nabijte; viz servisní příručka. V případě potřeby akumulátor vyměňte. |
|||
|
Ověřte funkci alternátoru motoru; viz servisní příručka. V případě potřeby alternátor vyměňte. |
|||
|
Ověřte funkci regulátoru/usměrňovače napětí motoru; viz servisní příručka. V případě potřeby regulátor/usměrňovač vyměňte. |
Vstup do diagnostického režimu a kontrola kódů
-
Otočte klíč zapalování do polohy ZASTAVENí.
-
Odstraňte upoutanou krytku z jednopólového konektoru a jednozdířkového konektoru (Obrázek 54A).
-
Zapojte jednopólový konektor do jednozdířkového konektoru (Obrázek 54B).

-
Otočte klíčem do PROVOZNí polohy.
-
Pozorujte, zda se ve sledu schématu blikání kontrolky diagnostiky neobjeví následující signály, a poté nahlédněte do tabulky chybových kódů:
-
Počet a pořadí bliknutí v každém sledu schématu blikání.
-
Pořadí a délka každé pauzy v každém sledu schématu blikání.
Note: Pokud je aktivních více poruch stroje, bliká každá porucha následovaná dlouhou pauzou. Po zobrazení všech aktivních poruch se sled poruch opakuje. Pokud nedošlo k žádné aktivní poruše, kontrolka diagnostiky bude blikat nepřetržitě v intervalu jednou za sekundu.
-
Resetování chybových kódů
Čištění
Mytí stroje
Important: Stroj nikdy nemyjte brakickou nebo recyklovanou vodou.
Important: K mytí stroje nepoužívejte vysokotlaké zařízení.
-
Stroj umyjte vodou s neagresivním čisticím prostředkem.
-
Nepoužívejte velké množství vody, zejména v blízkosti ovládacího panelu.
Likvidace odpadu
Motorový olej, motor a baterie dálkového ovladače znečišťují životní prostředí. Likvidaci těchto materiálů a součástí proveďte v souladu se státními a místními předpisy.










, který
označuje upozornění, výstrahu nebo nebezpečí –
pokyny k zajištění osobní bezpečnosti.
Nedodržení těchto pokynů může
mít za následek zranění osob nebo jejich
usmrcení.

























