Estacione a máquina numa superfície nivelada.
Engate o travão de estacionamento.
Desligue o motor e retire a chave.
Deixe arrefecer o motor.
Desligue a bateria; consulte o Manual do utilizador da máquina.
Peças necessárias para este passo:
| Cablagem | 1 |
| Braçadeira de cabos | 8 |
| Luz indicadora (apenas para os modelos 04510 e 04520) | 1 |
| Alarme sonoro | 1 |
| Bico | 1 |
Retire os pernos da cabeça sextavada que prendem a tampa do braço da consola e retire a tampa.
Note: Guarde os parafusos para prender posteriormente a tampa do braço da consola.
Encaminhe a cablagem posicionando os fios do indicador luminoso e alarme no braço da consola, seguindo a cablagem principal sob o banco para o outro lado da máquina e, em seguida, por trás do banco ao longo da calha do lado esquerdo, de forma a que o sensor do nível de óleo e os fios da válvula do solenóide fiquem próximos do depósito hidráulico principal (apenas modelo a diesel).
Consulte Figura 1 para uma visão geral da posição da cablagem e locais dos conetores.

Utilize braçadeiras de cabos para prender a cablagem à cablagem principal e membros da estrutura afastada de qualquer parte quente ou móvel (apenas modelo a diesel).
Para os modelos 04510 e 04520, retire o bujão do painel do braço da consola e insira a luz indicadora.
Para os modelos 04510 e 04520, ligue o conetor da luz indicadora à cablagem principal (apenas modelo a gasolina) ou à cablagem do kit (apenas modelo a gasóleo).
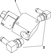
Instale o alarme sonoro na estrutura do braço da consola (Figura 2).

Ligue o conetor do alarme áudio à cablagem principal (apenas modelo a gasolina) ou à cablagem do kit (apenas modelo a gasóleo).
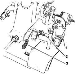
Se a sua máquina está equipada com um tubo de escoamento, desaperte os grampos sem-fim e retire o tubo de escoamento (Figura 3).
Note: Deite fora o tubo de escoamento e grampos sem-fim.

Retire os quatro parafusos, anilhas, espaçadores e anilhas de borracha que prendem a tampa do depósito ao depósito hidráulico.
Note: Guarde os parafusos, espaçadores e anilhas para prender posteriormente o depósito do detetor de fugas ao depósito hidráulico principal.
Retire a tampa do depósito do depósito hidráulico principal.
Retire o bujão do depósito hidráulico (se equipado); consulte Figura 4.

Insira o bico no olhal de borracha (Figura 4).
Peças necessárias para este passo:
| Depósito do detetor de fugas | 1 |
| Sensor do nível do óleo | 1 |
| Anel de retenção | 1 |
| Tubo da válvula | 1 |
| Tubo da válvula do depósito | 1 |
| Parafuso de cabeça sextavada (¼ x 2 pol.) | 2 |
| Suporte do resguardo | 1 |
| Braçadeira de tubos | 4 |
| Conjunto da válvula do solenóide | 1 |
| Cabo do jumper | 1 |
| União reta | 1 |
| União hidráulica de 90° | 2 |
| União hidráulica de 90° (com rebordo) | 1 |
| Temporizador (apenas modelo a gasóleo) | 1 |
| Parafuso (5/8 pol.) | 1 |
| Porca de bloqueio | 1 |
| Tampa do nível do óleo (apenas modelo a gasóleo) | 1 |
| Tampa do nível do óleo (apenas modelo a gasolina) | 1 |
| Tampa do nível do óleo (apenas modelo Greensmaster 3250) | 1 |
| Tubo de escoamento | 1 |
| Grampo sem-fim | 2 |
Localize a tampa do nível do óleo adequada da sua máquina nas peças soltas.
Há duas tampas diferentes do nível do óleo no kit, uma para máquinas a gasolina e a outra para máquinas a gasóleo. A tampa da máquina a gasóleo é mais comprida que a tampa da máquina a gasolina e pode ter um “D” gravado.
Utilize o parafuso (⅝ pol.) e a porca de bloqueio para instalar o temporizador de atraso na cobertura do nível do óleo (apenas modelos TriFlex a gasóleo e Greensmaster 3250); consulte a Figura 5 ou Figura 6.


Coloque a tampa do nível de óleo no sítio, mas não a prenda ainda ao depósito hidráulico principal (Figura 5).
Instale duas uniões hidráulicas (90°) na parte da frente e de trás da válvula de solenóide (Figura 7).
Note: Coloque as uniões hidráulicas de 90° de forma a que os tubos fiquem ligados em paralelo ao solo quando instalados.

Instale uma união hidráulica de 90° com rebordo no depósito hidráulico principal (Figura 8).

Instale o conector do cabo do jumper rotulado P02 no solenóide. Ligue o conector do cabo do jumper rotulado P01 à cablagem principal.

Instale uma extremidade do tubo da válvula do depósito à união hidráulica de 90° ligada à parte da frente da válvula de solenóide com um grampo sem-fim.
Deslize um grampo sem-fim sobre a outra extremidade do tubo da válvula do depósito.
Ligue a extremidade livre do tubo da válvula do depósito à união hidráulica de 90° com rebordo no depósito hidráulico principal à medida que desce o conjunto da válvula de solenóide para a tampa do nível do depósito.
Instale a tampa do nível do óleo e conjunto da válvula de solenóide ao depósito hidráulico principal com 2 parafusos de cabeça sextavada e o suporte do resguardo (Figura 5).
Note: Antes de instalar os parafusos, aplique composto antigripagem nas 2 ou 3 roscas inferiores.
Aperte os parafusos com uma força de 3 a 7 N·m.
Prenda a extremidade do tubo da válvula do depósito na união hidráulica de 90° com rebordo com o grampo sem-fim.
Instale união hidráulica reta na abertura no lado inferior do depósito do detetor de fugas (Figura 10).

Prenda uma extremidade do tubo da válvula à união hidráulica de 90° ligada à parte de trás da válvula de solenóide com um grampo sem-fim.
Deslize um grampo sem-fim sobre a extremidade livre do tubo da válvula e prenda a extremidade do tubo da válvula à união hidráulica reta no depósito do detetor de fugas.
Utilize dois grampos sem-fim para prender o tubo de escoamento ao depósito do detetor de fugas e ao depósito hidráulico (Figura 3).
Ligue o conector do temporizador ao conector na cablagem (apenas modelo a diesel).
Ligue o conector da válvula de solenóide ao conector marcado “Leak Detetor Solenoid” na cablagem.
Retire o bujão do depósito hidráulico principal (Figura 11).

Deslize o anel de retenção para o sensor de nível de óleo e instale o sensor no depósito hidráulico (Figura 11).
Important: Certifique-se de que as setas de indicação em cada lado da porca que prende o sensor de nível de óleo hidráulico apontam para baixo (Figura 11).
Ligue o conector do sensor de nível de óleo ao conector marcado “Leak Detetor Switch” na cablagem.
Prenda o depósito do detetor de fugas no depósito hidráulico principal com os quatro parafusos, anilhas, espaçadores e anilhas de borracha que removeu previamente.
Aperte os parafusos com uma força de 3,4 a 6,7 N·m.
Certifique-se de que todas as uniões estão apertadas.
Peças necessárias para este passo:
| Bujão | 1 |
| Vareta | 1 |
Retire e elimine o respiro e ateste o depósito hidráulico principal com fluido hidráulico (Figura 12).

Instale um bujão em vez do respiro (Figura 12).
Corte a vareta na linha de corte marcada mostrada aqui Figura 13. Certifique-se de que a extremidade cortada fica suave; rebarbe a extremidade, se necessário.

Encha o depósito do detetor de fugas de acordo com as características do seu depósito do detetor de fugas, da seguinte forma:
Se o seu depósito de detetor de fugas tem uma janela:
Encha o depósito do detetor de fugas com óleo hidráulico até que o nível esteja a meio da janela.
Se o seu depósito de detetor de fugas não tiver uma janela:
Encha o depósito do detetor de fugas com óleo hidráulico até que o nível esteja a meio das marcas de enchimento na vareta; consulte Figura 13.
Instale a vareta no depósito do detetor de fugas (Figura 14).

Instale a tampa do braço da consola utilizando os parafusos de cabeça sextavada que removeu anteriormente.
Ligue a bateria; consulte o Manual do utilizador da máquina.
O sistema detetor de fugas foi concebido para ajudar na deteção precoce de fugas no sistema de fluido hidráulico. Se o nível de fluido no reservatório hidráulico principal descer 118–177 ml, o comutador de flutuação no depósito irá fechar. Após um desfasamento de um segundo, o alarme é ativado avisando o operador (Figura 17). O alastramento de fluido, devido a aquecimento normal verificado durante o funcionamento da máquina, faz com que o fluido passe para o reservatório auxiliar. O fluido regressa ao reservatório principal quando se desligar a ignição.



Com a ignição na posição LIGAR, desloque o interruptor do detetor de fugas para trás e mantenha–o aí. Uma vez transcorrido o período de desfasamento de um segundo, o alarme será ativado.
Liberte o interruptor de detetor de fugas.
Desloque o interruptor da ignição para a posição LIGAR. Não ligue o motor.
Retire a tampa do depósito hidráulico do bocal do depósito.
Insira uma barra ou uma chave de parafusos limpa no bocal do depósito e empurre com cuidado o comutador (Figura 18) para baixo. O alarme deverá ser ativado ao fim do período de desfasamento de um segundo.

Solte o comutador. O alarme deverá parar de tocar.
Instale a tampa do depósito hidráulico.
Desloque o interruptor da ignição para a posição DESLIGAR.
O alarme do detetor de fugas poderá soar devido a uma das seguintes razões:
Ocorreu uma fuga de 118 a 177 ml.
O nível do fluido no reservatório principal baixou 118–177 ml devido à contração do fluido resultante do arrefecimento.
Se soar o alarme, desligue o mais depressa possível e verifique a existência de fugas. Se o alarme soar enquanto estiver a cortar a relva, saia primeiro do relvado. Determine qual a fonte da fuga e repare-a antes de continuar a utilizar a máquina.
Se não encontrar qualquer fuga, e caso seja um falso alarme, coloque o interruptor de ignição na posição DESLIGAR e espere 1 a 2 minutos até que o nível de fluido estabilize. Volte a ligar a máquina e trabalhe sobre uma superfície pouco sensível para confirmar que não existem fugas.
Os alarmes falsos provocados pelas contrações do fluido podem dever-se a uma longa paragem da máquina após uma utilização normal. Poderá ocorrer igualmente um falso alarme se a máquina funcionar com pouca carga após um trabalho pesado prolongado. Para evitar falsos alarmes, desligue a máquina em vez de a deixar parada ao ralenti durante demasiado tempo.