Aparque la máquina en una superficie nivelada.
Accione el freno de estacionamiento.
Apague el motor y retire la llave.
Deje que el motor se enfríe.
Desconecte la batería; consulte el Manual del operador de su máquina.
Piezas necesarias en este paso:
| Arnés de cables | 1 |
| Sujetacables | 8 |
| Testigo (para los modelos 04510 y 04520 únicamente) | 1 |
| Alarma sonora | 1 |
| Boquilla | 1 |
Retire los tornillos de cabeza hexagonal que sujetan la tapa del brazo de la consola y retire la tapa.
Note: Guarde los tornillos para sujetar la tapa del brazo de la consola más tarde.
Coloque los cables del testigo y de la alarma en el brazo de la consola y enrute el arnés de cables siguiendo el arnés principal por debajo del asiento hasta el otro lado de la máquina, luego por detrás del asiento y junto a la barra izquierda, de manera que los cables del sensor del nivel de aceite y de la válvula de solenoide queden cerca del depósito hidráulico principal (modelo diésel solamente).
La Figura 1 muestra la disposición general del arnés de cables y la posición de los conectores.

Utilice sujetacables para fijar el arnés de cables al arnés principal y a los travesaños del bastidor, alejados de piezas calientes o móviles (en el modelo diésel solamente).
En el caso de los modelos 04510 y 04520, retire el tapón del panel del brazo de la consola e inserte el testigo.
En el caso de los modelos 04510 y 04520, enchufe el conector del testigo en el arnés de cables principal (modelo de gasolina solamente) o en el arnés de cables del kit (modelo diésel solamente).
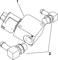
Instale la alarma sonora en el bastidor del brazo de la consola (Figura 2).

Enchufe la alarma sonora en el arnés de cables principal (modelo de gasolina solamente) o en el arnés de cables del kit (modelo diésel solamente).
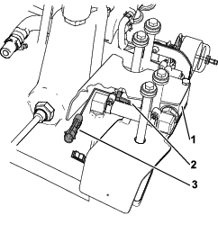
Si la máquina está equipada con un tubo de rebose, afloje las abrazaderas sinfín y retire el tubo de rebose (Figura 3).
Note: Deseche el tubo de rebose y las abrazaderas sinfín.

Retire los 4 pernos, arandelas, espaciadores y arandelas de goma que sujetan la tapa del depósito al depósito hidráulico principal.
Note: Guarde los pernos, los espaciadores y las arandelas para sujetar el depósito del detector de fugas al depósito hidráulico principal más adelante.
Retire la tapa del depósito hidráulico principal.
Retire el tapón del depósito hidráulico (si está instalado); consulte Figura 4.

Introduzca el tubo en el anillo de goma (Figura 4).
Piezas necesarias en este paso:
| Depósito del detector de fugas | 1 |
| Sensor del nivel de aceite | 1 |
| Junta tórica | 1 |
| Manguera de la válvula | 1 |
| Manguera de la válvula del depósito | 1 |
| Perno de cabeza hexagonal (1/4 x 2") | 2 |
| Protectorde la placa | 1 |
| Abrazadera | 4 |
| Conjunto de válvula de solenoide | 1 |
| Cable puente | 1 |
| Acoplamiento recto | 1 |
| Acoplamiento hidráulico de 90° | 2 |
| Acoplamiento hidráulico de 90° (con reborde) | 1 |
| Temporizador de retardo (modelo diésel solamente) | 1 |
| Tornillo (5/8 pulgada) | 1 |
| Contratuerca | 1 |
| Tapa de la mirilla de aceite (modelo diésel solamente) | 1 |
| Tapa de la mirilla de aceite (modelo de gasolina solamente) | 1 |
| Tapa de la mirilla de aceite (modelo Greensmaster 3250 solamente) | 1 |
| Tubo de rebose | 1 |
| Abrazadera sinfín | 2 |
Busque la tapa de la mirilla de aceite correspondiente a su máquina entre las piezas sueltas.
Hay 2 tapas de mirilla diferentes en el kit, 1 para máquinas de gasolina y la otra para máquinas diésel. La tapa de la máquina diésel es más larga que la de la máquina de gasolina y puede tener grabada la letra "D".
Utilice el tornillo (⅝") y la contratuerca para instalar el temporizador de retardo en la tapa de la mirilla de aceite (modelos TriFlex diésel y Greensmaster 3250 solamente); consulte Figura 5 o Figura 6.


Coloque la tapa de la mirilla de aceite en su sitio, pero no la sujete todavía al depósito hidráulico principal (Figura 5).
Instale 2 acoplamientos hidráulicos (90°) en la parte delantera y trasera de la válvula de solenoide (Figura 7).
Note: Coloque los acoplamientos hidráulicos de 90° de manera que las mangueras que se conecten a los mismos queden paralelas al suelo una vez instaladas.

Instale el acoplamiento hidráulico de 90° con reborde en el depósito hidráulico principal (Figura 8).

Instale el conector del cable puente marcado P02 en el solenoide. Conecte el conector del cable puente marcado P01 al arnés de cables principal.

Conecte un extremo de la manguera de la válvula del depósito al acoplamiento hidráulico de 90° que está conectado a la parte delantera de la válvula de solenoide con una abrazadera sinfín.
Coloque una abrazadera sinfín sobre el otro extremo de la manguera de la válvula del depósito.
Conecte el extremo libre de la manguera de la válvula del depósito al acoplamiento hidráulico de 90° con reborde del depósito hidráulico principal mientras baja el conjunto de la válvula de solenoide sobre la tapa de la mirilla de aceite.
Instale la tapa de la mirilla de aceite y el conjunto de la válvula de solenoide en el depósito hidráulico principal con 2 pernos de cabeza hexagonal y el soporte del protector (Figura 5).
Note: Antes de instalar los pernos, aplique compuesto antigripante a las 2 o 3 roscas inferiores.
Apriete los pernos a 3 – 7 N∙m.
Sujete el extremo de la manguera de la válvula del depósito al acoplamiento hidráulico de 90° con reborde usando la abrazadera sinfín.
Instale el acoplamiento hidráulico recto en el orificio de la parte inferior del depósito del detector de fugas (Figura 10).

Conecte un extremo de la manguera de la válvula al acoplamiento hidráulico de 90° que está conectado a la parte trasera de la válvula de solenoide con una abrazadera sinfín.
Coloque una abrazadera sinfín sobre el extremo libre de la manguera de la válvula y sujete el extremo de la manguera de la válvula al acoplamiento hidráulico recto del depósito del detector de fugas.
Utilice 2 abrazaderas sinfín para sujetar el tubo de rebose al depósito del detector de fugas y al depósito hidráulico (Figura 3).
Conecte el conector del temporizador de retardo al conector del arnés de cables (modelo diésel solamente).
Conecte el conector de la válvula de solenoide al conector marcado "Leak Detector Solenoid" (solenoide del detector de fugas) del arnés de cables.
Retire el tapón del depósito hidráulico principal (Figura 11).

Coloque la junta tórica en el sensor del nivel de fluido hidráulico e instale el sensor en el depósito hidráulico (Figura 11).
Important: Asegúrese de que la flecha de cada lado de la tuerca que sujeta el sensor del nivel de aceite hidráulico está orientada hacia abajo (Figura 11).
Conecte el conector del sensor del nivel de aceite al conector marcado "Leak Detector Switch" (interruptor del detector de fugas) del arnés de cables.
Sujete el depósito del detector de fugas al depósito hidráulico principal con los 4 pernos, arandelas, espaciadores y arandelas de goma que se retiraron anteriormente.
Apriete los pernos a 3,4 – 6,7 N∙m.
Compruebe que todos los herrajes están bien apretados.
Piezas necesarias en este paso:
| Tapón | 1 |
| Varilla | 1 |
Retire y deseche el respiradero, y rellene el depósito hidráulico principal con fluido hidráulico (Figura 12).

Instale un tapón en lugar del respiradero (Figura 12).
Recorte la varilla en la línea de corte marcada, indicada en la Figura 13. Asegúrese de que el extremo recortado está liso, y elimine cualquier rebaba.

Llene el depósito del detector de fugas según las características de su depósito del detector de fugas, como se indica a continuación:
Si el depósito del detector de fugas tiene mirilla:
Llene el depósito del detector de fugas con fluido hidráulico hasta que el nivel de fluido llegue al centro de la mirilla.
Si el depósito detector de fugas no tiene mirilla:
Llene el depósito del detector de fugas con fluido hidráulico hasta que el nivel de fluido llegue al centro de las marcas de llenado de la varilla; consulte Figura 13.
Instale la varilla en el depósito del detector de fugas (Figura 14).

Instale la tapa del brazo de la consola usando los tornillos de cabeza hexagonal que retiró anteriormente.
Conecte la batería; consulte el Manual del operador de la máquina.
El sistema de detección de fugas está diseñado para ayudar a detectar rápidamente fugas de fluido del sistema hidráulico. Si el nivel de fluido del depósito hidráulico principal se reduce en 118-177 ml, el interruptor del flotador dentro del depósito se cierra. Después de una demora de 1 segundo, suena la alarma, alertando al operador (Figura 17). La expansión del fluido, debida a un calentamiento normal durante la operación de la máquina, hace que se transfiera fluido al depósito de fluido auxiliar. El fluido vuelve al depósito principal cuando se desactiva el interruptor de encendido.



Con la llave de contacto en la posición de CONECTADO, mueva el interruptor del detector de fugas hacia atrás y sujételo allí. Después de la demora de un segundo, debe sonar la alarma.
Suelte el interruptor del detector de fugas.
Ponga la llave de contacto en la posición de CONECTADO. No arranque el motor.
Retire el tapón del depósito hidráulico del cuello del depósito.
Introduzca una varilla o un destornillador limpio en el cuello del depósito y empuje hacia abajo, con cuidado, el flotador del sensor (Figura 18); debe sonar la alarma después de la demora de un segundo.

Suelte el flotador: la alarma debe dejar de sonar.
Instale el tapón del depósito hidráulico.
Ponga la llave de contacto en la posición de DESCONECTADO.
La alarma del detector de fugas puede sonar por una de las siguientes razones:
Se ha producido una fuga de 118 a 177 ml.
El nivel de fluido del depósito principal se ha reducido en 118 a 177 ml debido a la contracción del fluido al enfriarse.
Si suena la alarma, apague la máquina lo antes posible y compruebe si hay alguna fuga. Si suena la alarma mientras la máquina está en un green, salga del green primero. Determine el lugar de la fuga y repárelo antes de seguir usando la máquina.
Si no encuentra ninguna fuga y sospecha una falsa alarma, mueva la llave de contacto a la posición de DESCONECTADO y espere 1 a 2 minutos para dejar que se estabilicen los niveles de fluido. Luego arranque la máquina y trabaje en una zona menos sensible para confirmar que no existen fugas.
Las falsas alarmas debidas a la contracción del fluido pueden deberse a un ralentí prolongado de la máquina después de la operación normal. Una falsa alarma también puede ocurrir por la operación de la máquina con carga reducida después de un periodo prolongado de trabajo con mayor carga. Para evitar falsas alarmas, pare el motor en lugar de tenerlo al ralentí durante periodos prolongados.