Parkera maskinen på en plan yta.
Koppla in parkeringsbromsen.
Stäng av motorn och ta ut nyckeln.
Låt motorn svalna.
Koppla loss batteriet. Se maskinens bruksanvisning.
Delar som behövs till detta steg:
| Kablage | 1 |
| Kabelband | 8 |
| Indikatorlampa(endast för modellerna 04510 och 04520) | 1 |
| Ljudlarm | 1 |
| Pip | 1 |
Ta bort de sexkantskruvar som håller konsolarmskåpan på plats och ta bort kåpan.
Note: Spara skruvarna så att du kan sätta tillbaka konsolarmskåpan senare.
Dra kablaget genom att placera indikatorlamp- och larmkablarna i konsolarmen, följa huvudkablaget under sätet till andra sidan av maskinen och sedan bakom sätet längs den vänstra skenan, så att kablarna till oljenivåsensorn och magnetventilen är nära huvudhydraultanken (endast dieselmodell).
Se Figur 1 för en översikt över kablagets och kontakternas placering.

Använd kabelband för att fästa kablaget vid huvudkablaget och rambalkarna, undan från alla varma och rörliga delar (endast för dieselmodell).
För modellerna 04510 och 04520, ta bort pluggen från konsolarmspanelen och sätt in indikatorlampan.
För modellerna 04510 och 04520, anslut signallampans kontakt till huvudkablaget (endast bensinmodeller) eller till satsens kablage (endast dieselmodeller).
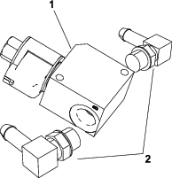
Installera ljudlarmet i konsolarmsramen (Figur 2).

Anslut ljudlarmet till huvudkablaget (endast bensinmodeller) eller till satsens kablage (endast dieselmodeller).
Lossa slangklämmorna med snäckskruv och ta bort expansionsslangen om maskinen är utrustad med en sådan (Figur 3).
Note: Kassera expansionsslangen och slangklämmorna med snäckskruv.

Ta bort de fyra skruvarna, brickorna, distansbrickorna och gummibrickorna som fäster tankkåpan på huvudhydraultanken.
Note: Spara skruvarna, brickorna och distansbrickorna så att du kan montera fast läckagedetektortanken på huvudhydraultanken senare.
Ta bort tankkåpan från huvudhydraultanken.
Ta bort pluggen från hydraultanken (i förekommande fall). Se Figur 4.

För in pipen i gummihylsan (Figur 4).
Delar som behövs till detta steg:
| Läckagedetektortank | 1 |
| Oljenivåsensor | 1 |
| O-ring | 1 |
| Ventilslang | 1 |
| Slang för tankventil | 1 |
| Sexkantskruv (1/4 x 2 tum) | 2 |
| Skydd fäste | 1 |
| Slangklämma | 4 |
| Elektromagnetisk ventilenhet | 1 |
| Startkabel | 1 |
| Rak koppling | 1 |
| 90-gradig hydraulkoppling | 2 |
| 90-gradig hydraulkoppling (svetsad) | 1 |
| Fördröjningstimer (endast dieselmodell) | 1 |
| Skruv (⅝ tum) | 1 |
| Låsmutter | 1 |
| Oljenivåskydd (endast dieselmodell) | 1 |
| Oljenivåskydd (endast bensinmodell) | 1 |
| Oljenivåskydd (endast Greensmaster 3250-modellen) | 1 |
| Expansionsslang | 1 |
| Slangklämma med snäckskruv | 2 |
Leta reda på ett lämpligt oljenivåskydd för din maskin bland de lösa delarna.
Det finns två olika oljenivåskydd i satsen: ett till bensinmaskiner och ett till dieselmaskiner. Skyddet till dieselmodellen är längre än det till bensinmodellen och kan ha ett inetsat ”D” på insidan.
Använd skruven (⅝ tum) och låsmuttern för att montera fördröjningstimern på oljenivåskyddet (endast TriFlex-dieselmodeller och Greensmaster 3250-modeller). Se Figur 5 eller Figur 6.


Sätt oljenivåskyddet på plats, men montera inte fast det på huvudhydraultanken ännu (Figur 5).
Montera två hydraulkopplingar (90-gradiga) på framsidan och baksidan av den elektromagnetiska ventilen (Figur 7).
Note: Placera de 90-gradiga hydraulkopplingarna så att slangarna som är fästa vid dem är parallella med marken när de är monterade.

Montera den svetsade 90-gradiga hydraulkopplingen på huvudhydraultanken (Figur 8).

Installera startkabelns kontakt märkt P02 på magnetventilen. Anslut startkabelns kontakt märkt P01 till huvudkablaget.

Montera ena änden av tankventilslangen på den 90-gradiga hydraulkopplingen som är ansluten till framsidan på den elektromagnetiska ventilen med en slangklämma med snäckskruv.
Trä en slangklämma med snäckskruv över den andra änden av tankventilslangen.
Trä tankventilslangens fria ände på den svetsade 90-gradiga hydraulkopplingen på huvudhydraultanken samtidigt som du sänker ned den elektromagnetiska ventilenheten på oljenivåskyddet.
Montera fast oljenivåskyddet och den magnetventilenheten på huvudhydraultanken med två sexkantskruvar och skyddsfästet (Figur 5).
Note: Smörj på monteringssmörjmedel på de två eller tre nedersta gängorna på skruvarna innan du monterar fast dem.
Dra åt skruvarna till 3–7 Nm.
Fäst tankventilslangens ände på den svetsade 90-gradiga hydraulkopplingen med slangklämman med snäckskruv.
Montera den raka hydraulkopplingen i öppningen på undersidan av läckagedetektortanken (Figur 10).

Fäst ena änden av ventilslangen på den 90-gradiga hydraulkoppling som är fäst på baksidan av den elektromagnetiska ventilen med en slangklämma med snäckskruv.
Trä en slangklämma med snäckskruv över ventilslangens fria ände, och fäst ventilslangens ände på den raka hydraulkopplingen på läckagedetektortanken.
Använd två slangklämmor med snäckskruv för att fästa expansionsslangen på läckagedetektortanken och hydraultanken (Figur 3).
Anslut fördröjningstimerns kontakt till kontakten på kablaget (endast dieselmodell).
Anslut magnetventilens kontakt till kontakten märkt ”Leak Detector Solenoid” (Läckagedetektormagnet) på kablaget.
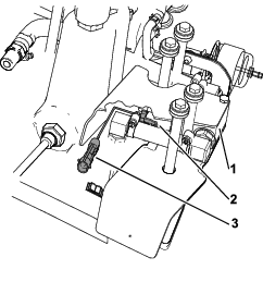
Ta bort pluggen från hydraultanken (Figur 11).

Trä på O-ringen på hydrauloljenivåsensorn och montera sensorn i hydraultanken (Figur 11).
Important: Säkerställ att indikeringspilarna på bägge sidorna av muttern som håller fast hydrauloljenivåsensorn pekar nedåt (Figur 11).
Anslut oljenivåsensorns kontakt till kontakten som är märkt ”Leak Detector Switch” (Läckagedetektorbrytare) på kablaget.
Fäst läckagedetektortanken på huvudhydraultanken med de fyra skruvarna, brickorna, distansbrickorna och gummibrickorna som du tog bort tidigare.
Dra åt skruvarna till 3,4–6,7 Nm.
Se till att alla kopplingar är ordentligt åtdragna.
Delar som behövs till detta steg:
| Plugg | 1 |
| Oljesticka | 1 |
Ta bort och kassera ventilatorn och fyll på med hydraulvätska i huvudhydraultanken (Figur 12).

Sätt dit en plugg där ventilatorn satt (Figur 12).
Kapa oljestickan längs markeringslinjen enligt Figur 13. Se till att den avkapade änden är jämn. Avgradera änden vid behov.

Fyll läckagedetektortanken enligt anvisningarna nedan i enlighet med din läckagedetektortanks egenskaper:
Om läckagedetektortanken har ett inspektionsfönster:
Fyll på hydraulvätska i läckagedetektortanken tills vätskenivån når till mitten av inspektionsfönstret.
Om läckagedetektortanken inte har ett inspektionsfönster:
Fyll på hydraulvätska i läckagedetektortanken tills vätskenivån når till mitten av oljestickans påfyllnadsmarkeringar. Se Figur 13.
Montera oljestickan på läckagedetektortanken (Figur 14).

Montera fast konsolarmskåpan med de sexkantskruvar som du tog bort tidigare.
Anslut batteriet. Se maskinens bruksanvisning.
Läckagedetektorsystemet är utformat så att det på ett tidigt stadium kan hjälpa till att upptäcka läckor i hydraulvätskesystemet. Om vätskenivån i huvudhydraultanken sjunker med 118–177 ml stängs flottörbrytaren i tanken. Efter en sekunds fördröjning kommer larmet att ljuda och varna föraren (Figur 17). Eftersom vätskan av naturliga skäl hettas upp när maskinen är igång kommer den att expandera, vilket leder till att vätskan förs över till reservvätsketanken. Vätskan rinner tillbaka i huvudtanken när du stänger av tändningsbrytaren.



Vrid tändnyckeln till läget På, för läckagedetektorbrytaren bakåt och håll in den. Efter tidsfördröjningen på en sekund ska larmet ljuda.
Släpp läckagedetektorbrytaren.
Flytta tändningsbrytaren till det PåSLAGNA läget. Starta inte motorn.
Ta bort hydraultanklocket från tankröret.
För in en ren pinne eller skruvmejsel i tankröret och tryck försiktigt nedåt på flottörbrytaren (Figur 18). Larmet ska ljuda efter tidsfördröjningen på en sekund.

Släpp upp flottörströmbrytaren. Larmet ska sluta ljuda.
Sätt på hydraultanklocket.
Flytta tändningsbrytaren till det AVSTäNGDA läget.
Läckagedetektorlarmet kan ljuda på grund av någon av följande orsaker:
118–177 ml vätska har läckt ut.
Vätskenivån i huvudhydraultanken har sjunkit med 118–177 ml på grund av att vätskan krymper när den svalnar.
Om larmet börjar ljuda ska du stänga av maskinen så snart som möjligt och kontrollera om det finns några läckor. Om larmet ljuder vid körning på greener kör du först bort från greenen. Avgör vad orsaken till läckan är och reparera den innan driften återupptas.
Om du inte hittar någon läcka och misstänker att det rör sig om ett falsklarm ska du flytta tändningsbrytaren till det AVSTäNGDA läget och låta maskinen vila i 1–2 minuter så att vätskenivåerna stabiliseras. Starta sedan maskinen och kör den i ett område som inte är känsligt, så att du kan kontrollera att det inte finns några läckor.
Falsklarm som beror på att vätskan krymper kan orsakas av att maskinen gått på tomgång under en längre tid efter normal drift. Ett falsklarm kan också inträffa om du kör maskinen med en liten arbetslast efter att ha kört den med en tung arbetslast under en längre period. Undvik falsklarm genom att stänga av maskinen istället för att låta den gå på tomgång under en längre tid.