Parkeer de machine op een horizontaal oppervlak.
Haal de parkeerrem aan.
Zet de motor af en verwijder het sleuteltje.
Laat de motor afkoelen.
Koppel de accu los; raadpleeg de Gebruikershandleiding die bij uw machine hoort.
Benodigde onderdelen voor deze stap:
| Kabelboom | 1 |
| Kabelbinder | 8 |
| Controlelampje (uitsluitend voor modellen 04510 en 04520) | 1 |
| Audioalarmsysteem | 1 |
| Buisje | 1 |
Verwijder de zeskantschroeven waarmee het deksel van de bedieningsarm bevestigd is en verwijder het deksel.
Note: Bewaar de schroeven om het deksel later opnieuw te monteren.
Leid de kabelboom door de bedrading van het controlelampje en het alarm in de bedieningsarm te plaatsen. Volg de hoofdkabelboom onder de stoel naar de andere kant van de machine en vervolgens achter de stoel langs de linkerrail zodat de leidingen van de oliepeilsensor en de solenoïdeklep zich dicht bij de hydraulische hoofdtank bevinden (alleen dieselmodellen).
Raadpleeg Figuur 1 voor een overzicht van de kabelboomlocatie en de locatie van de connector.

Gebruik kabelbinders om de kabelboom te bevestigen aan de hoofdkabelboom en de framebalken, op een veilige afstand van warme of bewegende onderdelen (alleen dieselmotoren).
Voor modellen 04510 en 04520, verwijder de plug uit het paneel van de bedieningsarm en breng het controlelampje aan.
Voor modellen 04510 en 04520, verbind de connector van het controlelampje met de hoofdkabelboom (alleen benzinemodellen) of met de kabelboom van de set (alleen dieselmodellen).
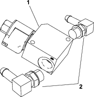
Monteer het audioalarmsysteem op het frame van de bedieningsarm (Figuur 2).

Verbind het audioalarmsysteem met de hoofdkabelboom (alleen benzinemodellen) of met de kabelboom van de set (alleen dieselmodellen).
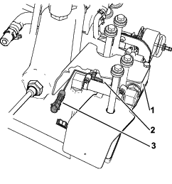
Indien uw machine is uitgerust met een overloopslang, maakt u de wormschroefklemmen los en verwijdert u de overloopslang (Figuur 3).
Note: Gooi de overloopslang en de wormschroefklemmen weg.

Verwijder de 4 bouten, ringen, afstandsstukken en rubberen ringen waarmee het tankdeksel aan de hydraulische hoofdtank is bevestigd.
Note: Bewaar de bouten, afstandsstukken en ringen om de lekdetectortank later aan de hydraulische hoofdtank te bevestigen.
Verwijder het tankdeksel van de hydraulische hoofdtank.
Verwijder de plug van de hydraulische tank (indien de machine hiermee is uitgerust); zie Figuur 4.

Plaats het buisje in de rubberen pakkingring (Figuur 4).
Benodigde onderdelen voor deze stap:
| Lekdetectortank | 1 |
| Oliepeilsensor | 1 |
| O-ring | 1 |
| Klepslang | 1 |
| Slang van tankklep | 1 |
| Zeskantbout (¼" x 2") | 2 |
| Scherm beugel | 1 |
| Slangklem | 4 |
| Magneetklep | 1 |
| Startkabel | 1 |
| Rechte fitting | 1 |
| Hydraulische 90°-fitting | 2 |
| Hydraulische 90°-fitting (gebogen) | 1 |
| Vertragingsrelais (alleen dieselmodellen) | 1 |
| Schroef (⅝") | 1 |
| Borgmoer | 1 |
| Oliepeildeksel (alleen dieselmodellen) | 1 |
| Oliepeildeksel (alleen benzinemodellen) | 1 |
| Oliepeildeksel (uitsluitend model Greensmaster 3250) | 1 |
| Overloopslang | 1 |
| Wormschroefklem | 2 |
Zoek het gepaste oliepeildeksel voor uw machine tussen de losse onderdelen.
Er zijn twee verschillende oliepeildeksels in de set, één voor benzinemachines en één voor dieselmachines. Het deksel voor dieselmachines is langer dan het deksel voor benzinemachines, en mogelijk staat er een 'D' op.
Gebruik de schroef (⅝ inch) en borgmoer om de vertragingstimer op het oliepeildeksel te monteren (enkel dieselmodellen TriFlex en Greensmaster 3250); zie Figuur 5 of Figuur 6.


Plaats het oliepeildeksel, maar zet het nog niet vast op de hydraulische hoofdtank (Figuur 5).
Monteer 2 hydraulische fittings (van 90°) vooraan en achteraan de solenoïdeklep (Figuur 7).
Note: Plaats de hydraulische 90°-fittings zo, dat de slangen die erop gemonteerd zullen worden parallel met de grond lopen.

Monteer de gebogen hydraulische 90°-fitting op de hydraulische hoofdtank (Figuur 8).

Monteer de connector van de startkabel met de aanduiding P02 op de solenoïde. Sluit de connector van de startkabel met de aanduiding P01 aan op de hoofdkabelboom.

Monteer een uiteinde van de tankklepslang op de hydraulische 90°-fitting die met een wormschroefklem aan de voorkant van de solenoïdeklep is bevestigd.
Schuif een wormschroefklem over het andere uiteinde van de tankklepslang.
Verbind het vrije uiteinde van de tankklepslang met de gebogen hydraulische 90°-fitting op de hydraulische hoofdtank terwijl u de solenoïdeklep op het oliepeildeksel laat zakken.
Monteer het oliepeildeksel en de solenoïdeklep op de hydraulische hoofdtank met twee zeskantbouten en de beschermbeugel (Figuur 5).
Note: Breng voordat u de bouten monteert anti-seize middel aan op de 2 of 3 onderste schroefdraden.
Draai de bouten vast met een torsie van 3 tot 7 N·m.
Bevestig het uiteinde van de tankklepslang met de wormschroefklem aan de gebogen hydraulische 90°-fitting.
Monteer de rechte hydraulische fitting op de opening onderaan de lekdetectortank (Figuur 10).

Bevestig een uiteinde van de klepslang aan de hydraulische 90°-fitting die met een wormschroefklem aan de achterkant van de solenoïdeklep is bevestigd.
Schuif een wormschroefklem over het vrije uiteinde van de klepslang en bevestig het uiteinde van de klepslang aan de rechte hydraulische fitting van de lekdetectortank.
Gebruik twee wormschroefklemmen om de overloopslang aan de lekdetectortank en de hydraulische tank te bevestigen (Figuur 3).
Verbind de connector van het vertragingsrelais met de connector van de kabelboom (alleen dieselmodellen).
Verbind de connector van de solenoïdeklep met de kabelboomconnector die aangeduid is met ‘Leak Detector Solenoid’ (lekdetectorsolenoïde).
Verwijder de plug van de hydraulische hoofdtank (Figuur 11).

Schuif de O-ring op de oliepeilsensor en plaats de sensor in de hydraulische tank (Figuur 11).
Important: Zorg ervoor dat de pijlen op de zijkanten van de moer waarmee de oliepeilsensor bevestigd is naar beneden wijzen (Figuur 11).
Verbind de connector van de oliepeilsensor met de kabelboomconnector die aangeduid is met 'Lekdetectorschakelaar'.
Bevestig de lekdetectortank op de hydraulische hoofdtank met de 4 bouten, ringen, afstandsstukken en rubberen ringen die u eerder hebt verwijderd.
Draai de bouten vast met een torsie van 3,4 tot 6,7 N·m.
Controleer of alle fittings goed vast zitten.
Benodigde onderdelen voor deze stap:
| Plug | 1 |
| Peilstok | 1 |
Verwijder de ontluchter en gooi deze weg. Voeg hydraulische vloeistof toe aan de hydraulische hoofdtank (Figuur 12).

Breng een plug aan in plaats van de ontluchter (Figuur 12).
Kort de peilstok in op de gemerkte snijlijn getoond in Figuur 13. Zorg ervoor dat het ingekorte uiteinde glad is; verwijder de bramen van het uiteinde indien nodig.

Vul de lekdetectortank volgens de kenmerken van uw lekdetectortank als volgt:
Indien uw lekdetectortank een kijkglas heeft:
vul de lekdetectortank met hydraulische vloeistof tot het vloeistofpeil tot het midden van het kijkglas reikt.
Indien uw lekdetectortank niet beschikt over een kijkglas:
vul de lekdetectortank met hydraulische vloeistof tot het vloeistofpeil tot het midden van de vulmarkeringen op de peilstok reikt; zie Figuur 13.
Plaats de peilstok in de lekdetectortank (Figuur 14).

Monteer het deksel van de bedieningsarm met de zeskantschroeven die u eerder hebt verwijderd.
Sluit de accu aan; raadpleeg de Gebruikershandleiding die bij uw machine hoort.
Met de lekdetector kunt u vroegtijdig een lek in het hydraulische systeem ontdekken. Als het vloeistofpeil in de hoofdtank van het hydraulische systeem met 118 tot 177 ml is gedaald, gaat de vlotterschakelaar in de tank dicht. Na 1 seconde klinkt het alarm om de bestuurder te waarschuwen (Figuur 17). Tijdens het gebruik van de machine zal de vloeistof gewoonlijk warm worden en uitzetten, waardoor de vloeistof naar de hulptank zal stromen. De vloeistof stroomt terug naar de hoofdtank als u het contactsleuteltje op Uit draait.



Draai het contactsleuteltje op AAN, beweeg de schakelaar van de lekdetector naar achteren en houd deze vast. Na 1 seconde moet het alarm klinken.
Laat de schakelaar van de lekdetector los.
Draai het contactsleuteltje op AAN. Start de motor niet.
Verwijder de dop op de hydraulische tank van de vulbuis van de tank.
Steek een schone staaf of schroevendraaier in de vulbuis en druk de vlotterschakelaar voorzichtig naar beneden (Figuur 18); het alarm zou moeten afgaan na 1 seconde.

Laat de vlotter los; het alarm moet stoppen.
Plaats de dop op de hydraulische tank.
Draai het contactsleuteltje op UIT.
Het alarm van de lekdetector kan om 1 van de volgende oorzaken afgaan:
Er is 118 tot 177 ml vloeistof gelekt.
Het vloeistofpeil in de hoofdtank van het hydraulische systeem is gedaald met 118 tot 177 ml als gevolg van inkrimping van afkoelende vloeistof.
Als het alarm klinkt, moet u de machine zo snel mogelijk afzetten en controleren op lekken. Als het alarm klinkt terwijl u een gazon maait, dient u eerst van het gazon af te rijden. Ga na wat de oorzaak van het lek is en verhelp het probleem voordat u doorgaat met werken.
Als u geen lek hebt gevonden en vermoedt dat het om een vals alarm gaat, draait u het contactsleuteltje op UIT en laat u de machine 1 tot 2 minuten staan zodat het vloeistofpeil zich kan stabiliseren. Start daarna de machine en laat deze werken op minder kwetsbaar terrein om vast te stellen of er een lek is.
Een vals alarm als gevolg van inkrimpende vloeistof kan worden veroorzaakt als u de machine na gebruik langdurig stationair laat lopen. Een vals alarm kan ook optreden als u de machine minder zwaar belast nadat deze lange tijd zwaarder is belast. Om een vals alarm te voorkomen, is het beter de machine af te zetten in plaats van deze langdurig stationair te laten lopen.