Stellen Sie die Maschine auf einer ebenen Fläche ab.
Aktivieren Sie die Feststellbremse.
Stellen Sie den Motor ab und ziehen Sie den Schlüssel ab.
Lassen Sie den Motor abkühlen.
Schließen Sie die Batterie ab, siehe Bedienungsanleitung Ihrer Maschine.
Für diesen Arbeitsschritt erforderliche Teile:
| Kabelbaum | 1 |
| Kabelbinder | 8 |
| Kontrollleuchte (nur für Modelle 04510 und 04520) | 1 |
| Akustischer Alarm | 1 |
| Auslauf | 1 |
Entfernen Sie die Sechskantschraube, mit denen die Abdeckung des Armaturenbrettarms befestigt ist, und nehmen Sie die Abdeckung ab.
Note: Bewahren Sie die Schrauben für ein späteres Befestigen der Abdeckung des Armaturenbrettarms auf.
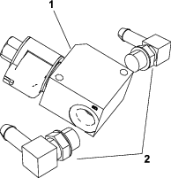
Verlegen Sie den Kabelbaum und positionieren Sie die Drähte für die Lampenanzeige und den Alarm im Armaturenbrettarm; folgen Sie dem Hauptkabelbaum unter dem Sitz zur anderen Seite der Maschine, dann hinter dem Sitz entlang der linken Schiene, sodass die Drähte für den Ölstandsensor und das Magnetventil in der Nähe des Hydraulikbehälters sind (nur Dieselmodell).
In Bild 1 finden Sie eine Übersicht der Kabelbaumposition und der Anschlussstellen.

Befestigen Sie den Kabelbaum mit Kabelbindern am Hauptkabelbaum und am Rahmen; er darf nicht mit heißen oder sich bewegenden Teilen in Berührung kommen (nur Dieselmodell).
Bei den Modellen 04510 und 04520 entfernen Sie die Blende aus dem Armaturenbrettarm und setzen Sie die Anzeigelampe ein.
Bei den Modellen 04510 und 04520 schließen Sie den Blinkeranschluss am Hauptkabelbaum (nur Benzinmodell) oder am Kitkabelbaum (nur Dieselmodell) an.
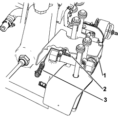
Befestigen Sie den Summer im Rahmen des Armaturenbrettarms (Bild 2).

Schließen Sie den Summer am Hauptkabelbaum (nur Benzinmodell) oder am Kitkabelbaum (nur Dieselmodell) an.
Lösen Sie die Schneckengewindeklemmen und nehmen Sie den Überlaufschlauch ab, wenn Ihre Maschine einen Überlaufschlauch hat (Bild 3).
Note: Werfen Sie den Überlaufschlauch und die Schneckengewindeklemmen weg.

Entfernen Sie die vier Schrauben, Distanzstücke und Gummischeiben, mit denen die Behälterabdeckung am Haupthydraulikbehälter befestigt ist.
Note: Bewahren Sie die Schrauben, Distanzstücke und Scheiben auf, um den Behälter des Ölleck-Warnsystems später am Haupthydraulikbehälter zu befestigen.
Nehmen Sie die Behälterabdeckung vom Haupthydraulikbehälter ab.
Entfernen Sie den Blindstopfen vom Hydraulikbehälter (falls vorhanden), siehe Bild 4.

Setzen Sie den Auslauf in die Gummidichtung ein (Bild 4).
Für diesen Arbeitsschritt erforderliche Teile:
| Behälter des Ölleck-Warnsystems | 1 |
| Ölstandsensor | 1 |
| O-Ring | 1 |
| Ventilschlauch | 1 |
| Tankventilschlauch | 1 |
| Sechskantschraube (¼" x 2") | 2 |
| Schutzblech Halterung | 1 |
| Schlauchklemme | 4 |
| Stromspulenventil | 1 |
| Überbrückungskabel | 1 |
| Gerades Anschlussstück | 1 |
| 90°-Hydraulikanschlussstück | 2 |
| 90°-Hydraulikanschlussstück (gezahnt) | 1 |
| Verzögerungstimer (nur Dieselmodell) | 1 |
| Schraube (⅝") | 1 |
| Sicherungsmutter | 1 |
| Ölstandabdeckung (nur Dieselmodell) | 1 |
| Ölstandabdeckung (nur Benzinmodell) | 1 |
| Ölstandsabdeckung (nur Modell Greensmaster 3250) | 1 |
| Überlaufschlauch | 1 |
| Schneckengewindeklemme | 2 |
Suchen Sie die entsprechende Ölstandabdeckung für Ihre Maschine in den lose mitgelieferten Teilen.
Das Kit enthält zwei unterschiedliche Ölstandabdeckungen; eine für Benzinmaschinen und die andere für Dieselmaschinen. Die Abdeckung für Dieselmodelle ist länger als die Abdeckung für die Benzinmodelle und ist ggf. mit einem D“ markiert.
Verwenden Sie die Schraube (⅝") und die Sicherungsmutter, um den Verzögerungstimer an der Ölstandsabdeckung zu befestigen (nur Diesel-TriFlex-Modelle und Greensmaster 3250-Modelle; siehe Bild 5 oder Bild 6.


Setzen Sie die Ölstandabdeckung auf, befestigen sie diese jedoch noch nicht am Haupthydraulikbehälter (Bild 5).
Befestigen Sie die zwei Hydraulikanschlussstücke (90°) vorne und hinten am Stromspulenventil (Bild 7).
Note: Bringen Sie die 90°-Hydraulikanschlussstücke so an, dass die angeschlossenen Schläuche parallel zum Boden sind.

Befestigen Sie das gezahnte 90°-Hydraulikanschlussstück am Haupthydraulikbehälter (Bild 8).

Verbinden Sie den Anschluss des Überbrückungskabels mit der Bezeichnung P02 mit dem Magnetventil. Schließen Sie den Anschluss des Überbrückungskabel mit der Bezeichnung P01 an den Hauptkabelbaum an.

Befestigen Sie ein Ende des Behälterventilschlauchs mit einer Schneckengewindeklemme am 90°-Hydraulikanschlussstück, das vorne am Magnetventil angeschlossen ist.
Schieben Sie eine Schneckengewindeklemme über das andere Ende des Behälterventilschlauchs.
Schließen Sie das freie Ende des Behälterventilschlauchs am gezahnten 90°-Hydraulikanschlussstück am Haupthydraulikbehälter an, während Sie das Magnetventil auf die Ölstandabdeckung absenken.
Befestigen Sie die Ölstandabdeckung und das Magnetventil mit zwei Sechskantschrauben und dem Scheibenbügel am Haupthydraulikbehälter (Bild 5).
Note: Schmieren Sie die zwei oder drei unteren Gewindeumdrehungen mit Gleitmittel ein, bevor Sie die Schrauben einsetzen.
Ziehen Sie die Schrauben bis auf 3-7 N∙m an.
Befestigen Sie das Ende des Behälterventilschlauchs mit der Schneckengewindeklemme am gezahnten 90°-Hydraulikanschlussstück.
Befestigen Sie das gerade Hydraulikanschlussstück in der Öffnung an der Unterseite des Behälters des Ölleck-Warnsystems (Bild 10).

Befestigen Sie ein Ende des Ventilschlauchs mit einer Schneckengewindeklemme am 90°-Hydraulikanschlussstück, das hinten am Stromspulenventil angeschlossen ist.
Schieben Sie eine Schneckengewindeklemme auf das freie Ende des Ventilschlauchs und befestigen Sie das Ende des Ventilschlauchs am geraden Hydraulikanschlussstück am Behälter des Ölleck-Warnsystems.
Befestigen Sie den Überlaufschlauch mit zwei Schneckengewindeklemmen am Behälter des Ölleck-Warnsystems und am Hydraulikbehälter (Bild 3).
Schließen Sie den Anschluss des Verzögerungstimers am Anschluss am Kabelbaum an (nur Dieselmodell).
Schließen Sie den Anschluss des Magnetventils am Anschluss am Kabelbaum an, der mit Leak Detector Solenoid“ markiert ist.
Entfernen Sie den Blindstopfen vom Haupthydraulikbehälter (Bild 11).

Schieben Sie den O-Ring auf den Sensor für den Hydraulikölstand und befestigen Sie den Sensor im Hydraulikbehälter (Bild 11).
Important: Stellen Sie sicher, dass der Anzeigepfeil an jeder Seite der Mutter, mit der der Sensor für den Hydraulikölstand befestigt ist, nach unten zeigt (Bild 11).
Schließen Sie den Anschluss des Ölstandsensors am Anschluss am Kabelbaum an, der mit Leak Detector Switch“ markiert ist.
Befestigen Sie den Behälter des Ölleck-Warnsystems mit den vier vorher entfernten Schrauben, Scheiben, Distanzstücken und Gummischeiben am Haupthydraulikbehälter.
Ziehen Sie die Schrauben bis auf 3,4-6,7 N∙m an.
Stellen Sie sicher, dass alle Anschlussstücke angezogen sind.
Für diesen Arbeitsschritt erforderliche Teile:
| Stopfen | 1 |
| Peilstab | 1 |
Entfernen Sie den Entlüfter und entsorgen Sie diesen, füllen Sie den Haupthydraulikbehälter mit Hydrauliköl (Bild 12).

Setzen Sie statt des Entlüfters einen Deckel ein (Bild 12).
Schneiden Sie den Peilstab auf die markierte Schnittlinie ab, die in Bild 13 abgebildet ist. Stellen Sie sicher, dass das abgeschnittene Ende glatt ist und entfernen Sie Grate bei Bedarf.

Füllen Sie den Behälter des Ölleck-Warnsystems gemäß der Merkmale Ihres Behälters des Ölleck-Warnsystems wie folgt:
Wenn Ihr Behälter des Ölleck-Warnsystems ein Schauglas hat:
Füllen Sie den Behälter des Ölleck-Warnsystems mit Hydrauliköl, bis der Ölstand in der Mitte des Schauglases liegt.
Wenn Ihr Behälter des Ölleck-Warnsystems kein Schauglas hat:
Füllen Sie den Behälter des Ölleck-Warnsystems mit Hydrauliköl, bis der Ölstand in der Mitte der Füllmarkierungen am Peilstab liegt, siehe Bild 13.
Stecken Sie den Peilstab in den Behälter des Ölleck-Warnsystems (Bild 14).

Befestigen Sie die Abdeckung des Armaturenbrettarms mit den vorher entfernten Sechskantschrauben.
Schließen Sie die Batterie an, siehe Bedienungsanleitung Ihrer Maschine.
Das Ölleck-Warnsystem soll Ihnen beim frühzeitigen Erkennen von Hydrauliköl-Lecks helfen. Wenn der Ölstand im Haupthydraulikbehälter um 118 ml bis 177 ml absinkt, schließt sich der Schwimmerschalter im Behälter. Nach einer Sekunde weist ein Alarm den Bediener auf diese Situation hin (Bild 17). Bei einer Ausdehnung des Öls aufgrund einer normalen Wärmeentwicklung beim Einsatz der Maschine läuft das Öl in den Hilfsöltank über. Dieses Öl läuft beim Abschalten der Zündung wieder in den Hauptbehälter.



Drehen Sie den Zündschlüssel in die EIN-Stellung und schieben Sie den Schalter des Ölleck-Warnsystems nach hinten und halten ihn fest. Nach einer Sekunde sollte ein Alarm ertönen.
Lassen Sie den Schalter des Ölleck-Warnsystems los.
Stellen Sie die Zündung in die EIN-Stellung. Lassen Sie den Motor nicht an.
Nehmen Sie den Hydraulikbehälterdeckel vom Füllstutzen am Behälter ab.
Stecken Sie eine saubere Stange oder einen Schraubenzieher in den Einfüllstutzen des Behälters und drücken Sie den Schwimmerschalter (Bild 18) leicht nach unten. Der Alarm sollte nach einer Sekunde ertönen.

Lassen Sie den Schwimmer los: Der Alarm sollte verstummen.
Befestigen Sie den Deckel vom Hydraulikbehälter.
Stellen Sie die Zündung in die AUS-Stellung.
Der Alarm des Ölleck-Warnsystems kann aus einem der folgenden Gründe ertönen:
Ein Leck von 118 ml bis 177 ml ist aufgetreten.
Der Ölstand im Hauptbehälter ist aufgrund des Zusammenziehens von Öl beim Abkühlen um 118 ml bis 177 ml reduziert.
Wenn der Alarm ertönt, sollten Sie die Maschine umgehend abstellen und auf undichte Stellen prüfen. Wenn der Alarm beim Einsatz auf einem Grün ertönt, sollten Sie zuerst vom Grün runterfahren. Ermitteln Sie die Ursache für das Leck und beheben sie, bevor Sie weiterarbeiten.
Wenn Sie kein Leck finden und einen falschen Alarm vermuten, stellen Sie die Zündung in die AUS-Stellung und lassen die Maschine für eine bis zwei Minuten stehen, damit sich die Ölstände stabilisieren können. Starten Sie dann die Maschine und setzen sie in einem unempfindlichen Bereich ein, um zu prüfen, dass keine Lecks bestehen.
Falsche Alarme, die aufgrund von einem Zusammenziehen des Öls auftreten, können auftreten, wenn Sie die Maschine nach dem Einsatz lange im Leerlauf laufen lassen. Ein falscher Alarm kann auch auftreten, wenn Sie die Maschine längere Zeit oft eingesetzt haben, und sie jetzt nicht so oft einsetzen. Stellen Sie den Motor ab und lassen Sie ihn nicht für längere Zeit im Leerlauf laufen, um falsche Alarme zu vermeiden.