Garez la machine sur une surface plane et horizontale.
Serrez le frein de stationnement.
Coupez le moteur et retirez la clé.
Laissez refroidir le moteur.
Débranchez la batterie ; voir le Manuel de l'utilisateur de la machine.
Pièces nécessaires pour cette opération:
| Faisceau de câblage | 1 |
| Attache-câble | 8 |
| Témoin lumineux (modèles 04510 et 04520 uniquement) | 1 |
| Alarme sonore | 1 |
| Embout | 1 |
Retirez les vis à tête hexagonale qui fixent le couvercle du bras de console et déposez le couvercle.
Note: Conservez les vis pour fixer le couvercle du bras de console ultérieurement.
Acheminez le faisceau de câblage en positionnant les fils du témoin et de l'alarme dans le bras de console, en suivant le faisceau de câblage principal sous le siège de l'autre côté de la machine, puis derrière le siège et le long du longeron gauche, de sorte que les fils de la sonde de niveau d'huile et de l'électrovanne soient proches du réservoir hydraulique principal (modèle diesel uniquement).
Reportez-vous à la Figure 1 pour une vue d'ensemble de l'emplacement des faisceaux de câblage et des connecteurs.

Attachez le faisceau de câblage au faisceau de câblage principal et aux éléments du bâti avec des serre-câble à l'écart des pièces chaudes ou mobiles (modèle diesel uniquement).
Sur les modèles 04510 et 04520, retirez l'obturateur sur le panneau de bras de commande et insérez le témoin lumineux.
Sur les modèles 04510 et 04520, reliez le connecteur du témoin lumineux au faisceau de câblage principal (modèle essence seulement) ou au faisceau de câblage du kit (modèle diesel seulement).
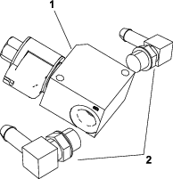
Montez l'alarme sonore dans le cadre du bras de la console (Figure 2).

Reliez le connecteur de l'alarme sonore au faisceau de câblage principal (modèle essence uniquement) ou au faisceau de câblage du kit (modèle diesel uniquement).
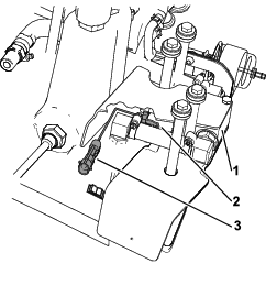
Si votre machine est équipée d'un flexible de trop-plein, desserrez les colliers à vis et déposez le flexible (Figure 3).
Note: Mettez le flexible de trop-plein et les colliers au rebut.

Retirez les 4 boulons, rondelles, entretoises et rondelles en caoutchouc qui fixent le couvercle sur le réservoir de liquide hydraulique principal.
Note: Conservez les boulons, les entretoises et les rondelles pour fixer le réservoir du détecteur de fuites au réservoir de liquide hydraulique principal plus tard.
Déposez le couvercle du réservoir de liquide hydraulique principal.
Retirez le bouchon du réservoir de liquide hydraulique (selon l'équipement) ; voir Figure 4.

Insérez l'embout dans la bague en caoutchouc (Figure 4).
Pièces nécessaires pour cette opération:
| Réservoir du détecteur de fuites | 1 |
| Capteur de niveau d'huile | 1 |
| Joint torique | 1 |
| Flexible de vanne | 1 |
| Flexible de vanne du réservoir | 1 |
| Boulon à tête hexagonale (¼" x 2") | 2 |
| Support de protection | 1 |
| Collier | 4 |
| Électrovanne | 1 |
| Câble volant | 1 |
| Raccord droit | 1 |
| Raccord hydraulique à 90° | 2 |
| Raccord hydraulique à 90° (à bourrelet) | 1 |
| Temporisateur (modèle diesel uniquement) | 1 |
| Vis (⅝") | 1 |
| Contre-écrou | 1 |
| Couvercle de niveau d'huile (modèle diesel seulement) | 1 |
| Couvercle de niveau d'huile (modèle essence seulement) | 1 |
| Couvercle de niveau d'huile (modèle Greensmaster 3250 uniquement) | 1 |
| Flexible de trop-plein | 1 |
| Collier à vis | 2 |
Trouvez le couvercle de niveau d'huile pour la machine approprié parmi les pièces détachées.
Le kit contient deux couvercles de niveau d'huile différents : un pour les modèles à essence et l'autre pour les modèles diesel. Le couvercle du modèle diesel est plus long que celui du modèle à essence peut être gravé de la lettre « D ».
Utilisez la vis (5/8") et le contre-écrou pour monter le temporisateur sur le couvercle de niveau d'huile (modèles TriFlex, diesel et Greensmaster 3250 uniquement) ; voir Figure 5 ou Figure 6.


Mettez le couvercle de niveau d'huile en place, mais ne le fixez pas tout de suite au réservoir de liquide hydraulique principal (Figure 5).
Posez les 2 raccords hydrauliques (90°) à l'avant et l'arrière de l'électrovanne (Figure 7).
Note: Positionnez les raccords hydrauliques à 90° de sorte que les flexibles qui y sont branchés soient parallèles au sol, une fois en place.

Posez le raccord hydraulique à 90° à bourrelet sur le réservoir de liquide hydraulique principal (Figure 8).

Installez le connecteur du câble volant étiqueté P02 sur le solénoïde. Branchez le connecteur du câble volant étiqueté P01 sur le faisceau de câblage principal.

Avec un collier à vis, fixez une extrémité du flexible de vanne de réservoir au raccord hydraulique à 90° qui est relié à l'avant de l'électrovanne.
Glissez un collier à vis sur l'autre extrémité du flexible de vanne de réservoir.
Raccordez l'extrémité libre du flexible de vanne de réservoir au raccord hydraulique à 90° à bourrelet sur le réservoir de liquide hydraulique principal tout en abaissant l'électrovanne sur le couvercle de niveau d'huile.
Fixez l'ensemble couvercle de niveau d'huile et électrovanne sur le réservoir de liquide hydraulique principal à l'aide de 2 boulons à tête hexagonale et du support de protection (Figure 5).
Note: Avant de mettre les boulons en place, appliquez du produit antigrippant sur les 2 ou 3 filets du bas.
Serrez les boulons à un couple de 3 à 7 N·m.
Avec le collier à vis, fixez l'extrémité du flexible de vanne de réservoir au raccord hydraulique à 90° à bourrelet.
Placez le raccord hydraulique droit dans l'ouverture sur la face inférieure du réservoir du détecteur de fuites (Figure 10).

Avec un collier à vis, fixez une extrémité du flexible de vanne au raccord hydraulique à 90° qui est relié à l'arrière de l'électrovanne.
Glissez un collier à vis sur l'extrémité libre du flexible de vanne et raccordez l'extrémité du flexible au raccord hydraulique droit sur le réservoir du détecteur de fuites.
Utilisez 2 colliers à vis pour fixer le flexible de trop-plein au réservoir du détecteur de fuites et au réservoir de liquide hydraulique (Figure 3).
Branchez le connecteur du temporisateur au connecteur du faisceau de câblage (modèle diesel uniquement).
Branchez le connecteur de l'électrovanne au connecteur étiqueté « Leak Detector Solenoid » du faisceau de câblage.
Retirez le bouchon du réservoir de liquide hydraulique principal (Figure 11).

Enfilez le joint torique sur la sonde de niveau d'huile et montez la sonde dans le réservoir de liquide hydraulique (Figure 11).
Important: La flèche située de chaque côté de l'écrou de fixation de la sonde de niveau d'huile hydraulique doit être dirigée vers le bas (Figure 11).
Branchez le connecteur de la sonde de niveau d'huile au connecteur étiqueté « Leak Detector Switch » du faisceau de câblage.
Fixez le réservoir du détecteur de fuites sur le réservoir de liquide hydraulique principal avec les 4 boulons, rondelles, entretoises et rondelles en caoutchouc retirés précédemment.
Serrez les boulons à un couple de 3,4 à 6,7 N·m.
Assurez-vous que tous les raccords sont bien serrés.
Pièces nécessaires pour cette opération:
| Bouchon | 1 |
| Jauge de niveau | 1 |
Déposez et mettez au rebut le reniflard, et faites l'appoint de liquide dans le réservoir de liquide hydraulique (Figure 12).

Remplacez le reniflard par un bouchon (Figure 12).
Coupez la jauge au trait de repère indiqué à la Figure 13. L'extrémité coupée ne doit pas présenter d'aspérités ; ébavurez-la au besoin.

Remplissez le réservoir du détecteur de fuites, en respectant ses caractéristiques, comme suit :
Si le réservoir du détecteur de fuites est muni d'un regard :
Remplissez le réservoir du détecteur de fuites de liquide hydraulique jusqu'à ce que le niveau arrive à mi-hauteur du regard.
Si le réservoir du détecteur de fuites n'est pas muni d'un regard :
Remplissez le réservoir du détecteur de fuites de liquide hydraulique jusqu'à ce que le niveau arrive à mi-hauteur entre les repères sur la jauge ; voir Figure 13.
Insérez la jauge dans le réservoir du détecteur de fuites (Figure 14).

Fixez le couvercle de bras de console avec les vis à tête hexagonale retirées précédemment.
Branchez la batterie ; voir le Manuel de l'utilisateur de la machine.
Le système détecteur de fuites est conçu pour faciliter la détection rapide des fuites du système hydraulique. Si le niveau de liquide baisse dans le réservoir de liquide hydraulique principal de 118 à 177 ml, le contacteur à flotteur se ferme dans le réservoir. Après 1 seconde, l'alarme se déclenche pour alerter l'utilisateur (Figure 17). Le liquide se dilate sous l'effet de la chaleur pendant le fonctionnement normal de la machine, ce qui provoque son transfert dans le réservoir auxiliaire. Le liquide retourne dans le réservoir principal lorsque vous coupez le contact.



Lorsque le commutateur d'allumage est à la position CONTACT, déplacez le contacteur du détecteur de fuites en arrière et maintenez-le dans cette position. Lorsque la temporisation d'une seconde s'est écoulée, l'alarme se déclenche.
Relâchez le contacteur du détecteur de fuites.
Tournez le commutateur d'allumage en position CONTACT. Ne mettez pas le moteur en marche.
Retirez le bouchon du goulot du réservoir hydraulique.
Introduisez une tige ou un tournevis propre dans le goulot du réservoir et enfoncez doucement le contacteur à flotteur (Figure 18) ; l'alarme devrait se déclencher au bout d'une seconde.

Relâchez le flotteur ; l'alarme devrait s'arrêter.
Remettez le bouchon du réservoir hydraulique.
Tournez le commutateur d'allumage à la position ARRêT.
L'alarme du détecteur de fuites peut se déclencher dans les cas suivants :
Une fuite de 118 à 177 ml s'est produite.
Le niveau de liquide dans le réservoir principal a diminué de 118 à 177 ml, car le liquide diminue de volume en refroidissant.
Si l'alarme se déclenche, vous devez arrêter la machine le plus rapidement possible et rechercher d'éventuelles fuites. Si l'alarme se déclenche pendant que vous tondez un green, la première chose à faire est de quitter le green. Recherchez l'origine de la fuite et réparez-la avant de poursuivre.
Si vous ne trouvez pas de fuites et que vous pensez qu'il s'agit d'une fausse alarme, tournez le commutateur d'allumage à la position ARRêT et attendez 1 à 2 minutes que les niveaux de liquide se stabilisent. Remettez le moteur en marche et utilisez la machine sur une surface qui ne craint rien pour vérifier qu'il n'y a pas de fuites.
Les fausses alarmes dues à la réduction de volume de liquide peuvent être provoquées par le fonctionnement prolongé du moteur au ralenti après l'utilisation normale de la machine. Une fausse alarme peut se produire si vous utilisez la machine avec une charge réduite après une utilisation prolongée avec une charge élevée. Pour éviter les fausses alarmes, coupez le moteur au lieu de le laisser tourner au ralenti pendant longtemps.