Parker maskinen på en plan overflade.
Aktiver parkeringsbremsen.
Sluk motoren, og tag nøglen ud.
Lad motoren køle af.
Frakobl batteriet. Se maskinens betjeningsvejledning.
Dele, der skal bruges til dette trin:
| Ledningsnet | 1 |
| Kabelbånd | 8 |
| Kontrollampe (kun for model 04510 og 04520) | 1 |
| Hørbar alarm | 1 |
| Tud | 1 |
Fjern sekskantskruerne, der fastholder konsolarmens kappe, og fjern kappen.
Note: Gem skruerne til senere fastgørelse af konsolarmens kappe.
Føringen af ledningsnettet udføres ved at anbringe kontrollampens og alarmens ledninger i konsolarmen og følge hovedledningsnettet under sædet til den modsatte side af maskinen og derefter bag sædet langs med den venstre skinne, således at oliestandssensorens og magnetventilens ledninger er anbragt tæt på hovedhydrauliktanken (kun dieselmodel).
Se Figur 1 for at få en oversigt over ledningsnettets og stikforbindelsernes placering.

Brug kabelbånd til at fastgøre ledningsnettet til hovedledningsnettet og stellets vanger på afstand af varme eller bevægelige dele (kun dieselmodel).
For model 04510 og 04520: Fjern proppen på konsolarmens panel, og indsæt kontrollampen.
For model 04510 og 04520: Tilslut kontrollampekonnektoren til hovedledningsnettet (kun benzinmodel) eller på sættets ledningsnet (kun dieselmodel).
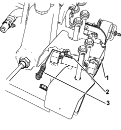
Monter den hørbare alarm i konsolarmens stel (Figur 2).

Tilslut den hørbare alarm til hovedledningsnettet (kun benzinmodel) eller på sættets ledningsnet (kun dieselmodel).
Hvis maskinen er udstyret med en overløbsslange, skal du løsne slangeklemmerne og afmontere overløbsslangen (Figur 3).
Note: Kassér overløbsslangen og slangeklemmerne.

Fjern de 4 bolte, spændeskiver, afstandsbøsninger og gummiskiver, der fastgør tankdækslet til hovedhydrauliktanken.
Note: Gem boltene, afstandsbøsningerne og spændeskiverne til senere fastgørelse af lækagedetektortanken til hovedhydrauliktanken.
Fjern tankdækslet fra hovedhydrauliktanken.
Fjern proppen fra hydrauliktanken (hvis udstyret hermed). Se Figur 4.

Sæt tuden ind i gummikransen (Figur 4).
Dele, der skal bruges til dette trin:
| Lækagedetektortank | 1 |
| Oliestandssensor | 1 |
| O-ring | 1 |
| Ventilslange | 1 |
| Tankventilslange | 1 |
| Sekskantbolt (1/4 x 2 tomme) | 2 |
| Afskærmning beslag | 1 |
| Slangeklemme | 4 |
| Magnetventilsamling | 1 |
| Koblingskabel | 1 |
| Lige fitting | 1 |
| 90°-hydraulikfitting | 2 |
| 90°-hydraulikfitting (bertlet) | 1 |
| Forsinkelsestimer (kun dieselmodel) | 1 |
| Skrue (⅝") | 1 |
| Låsemøtrik | 1 |
| Oliestandsdæksel (kun dieselmodel) | 1 |
| Oliestandsdæksel (kun benzinmodel) | 1 |
| Oliestandsdæksel (kun Greensmaster 3250-modeller) | 1 |
| Overløbsslange | 1 |
| Slangeklemme | 2 |
Find det relevante oliestandsdæksel til din maskine blandt løsdelene.
Der er 2 forskellige oliestandsdæksler i sættet, én til benzinmaskiner og en anden til dieselmaskiner. Dækslet til dieselmaskinen er længere end dækslet til benzinmaskinen, og et "D" kan være raderet i det.
Brug skruen (⅝") og låsemøtrikken til at montere forsinkelsestimeren på oliestandsdækslet (kun TriFlex-dieselmodeller og Greensmaster 3250-modeller). Se Figur 5 eller Figur 6.


Sæt oliestandsdækslet på plads, men vent med at fastgøre det til hovedhydrauliktanken (Figur 5).
Monter 2 hydraulikfittings (90°) på solenoidventilens for- og bagside (Figur 7).
Note: Placer 90° hydraulikfittingsene, så slangerne, der er tilkoblet dem, løber parallelt med jorden, når de er monteret.

Monter den bertlede hydraulikfitting på 90° på hovedhydrauliktanken (Figur 8).

Monter koblingskabelstikket med mærket P02 på solenoiden. Tilslut koblingskabelstikket med mærket P01 til hovedledningsnettet.

Monter den ene ende af tankventilens slange på 90°-hydraulikfittingen, der er tilsluttet til magnetventilens forside med en slangeklemme.
Skyd en slangeklemme over den anden ende af tankventilslangen.
Tilslut tankventilslangens løse ende til den bertlede hydraulikfitting på 90° på hovedhydrauliktanken, idet du sænker magnetventilenheden ned på oliestandsdækslet.
Monter oliestandsdækslet og magnetventilenheden på hovedhydrauliktanken med 2 sekskantbolte og afskærmningsbeslaget (Figur 5).
Note: Før du monterer boltene, skal du påføre de nederste 2 eller 3 gevind anti-seize-middel.
Tilspænd boltene med et moment på 3 til 7 Nm.
Fastgør tankventilslangens ende på den bertlede hydraulikfitting på 90° med slangeklemmen.
Monter den lige hydraulikfitting i åbningen på undersiden af lækagedetektortanken (Figur 10).

Fastgør den ene ende af ventilens slange på 90°-hydraulikfittingen, der er tilsluttet til magnetventilens bagside, med en slangeklemme.
Skyd en slangeklemme over ventilslangens løse ende, og fastgør ventilslangens ende på den lige hydraulikfitting på lækagedetektortanken.
Brug 2 slangeklemmer til at fastgøre overløbsslangen på lækagedetektortanken og hydrauliktanken (Figur 3).
Tilslut forsinkelsestidsstikket til stikket på ledningsnettet (kun dieselmodel).
Tilslut magnetventilens stik til stikket med angivelsen "Leak Detector Solenoid" (Lækagedetektorsolenoid) på ledningsnettet.
Fjern proppen fra hovedhydrauliktanken (Figur 11).

Sæt O-ringen på hydraulikoliestandsensoren, og monter sensoren i hydrauliktanken (Figur 11).
Important: Sørg for, at indikatorpilen på hver side af møtrikken, der fastgør hydraulikoliestandssensoren, peger nedad (Figur 11).
Tilslut oliestandssensoren til stikket med angivelsen "Leak Detector Switch" (lækagedetektorkontakt) på ledningsnettet.
Fastgør lækagedetektortanken på hovedhydrauliktanken med de 4 bolte, spændeskiver, afstandsbøsninger og gummiskiver, du fjernede tidligere.
Tilspænd boltene med et moment på 3,4 til 6,7 Nm.
Sørg for, at alle fittings sidder stramt.
Dele, der skal bruges til dette trin:
| Prop | 1 |
| Målepind | 1 |
Fjern og kasser ånderøret, og fyld hydraulikvæske på hovedhydrauliktanken (Figur 12).

Indsæt en prop i stedet for ånderøret (Figur 12).
Beskær målepinden i henhold til den markerede beskæringslinje som vist i Figur 13. Sørg for, at den beskårne ende er jævn. Afgrat enden efter behov.

Fyld lækagedetektortanken i henhold til lækagedetektortankens egenskaber, som følger:
Hvis lækagedetektortanken har et sigtglas:
Fyld lækagedetektortanken med hydraulikvæske, indtil væskestanden er midt på sigtglasset.
Hvis lækagedetektortanken ikke har et sigtglas:
Fyld lækagedetektortanken med hydraulikvæske, indtil væskestanden er midt på målepindens påfyldningsmærker. Se Figur 13.
Sæt målepinden i lækagedetektortanken (Figur 14).

Monter konsolarmens kappe med sekskantskruerne, du fjernede tidligere.
Tilslut batteriet. Se maskinens betjeningsvejledning.
Lækagedetektorsystemet er designet til at hjælpe med tidlig registrering af lækager i hydraulikvæskesystemet. Hvis væskestanden i hovedhydraulikbeholderen sænkes med 118-177 ml, lukkes svømmerkontakten i tanken. Efter et sekunds forsinkelse lyder alarmen som en advarsel til operatøren (Figur 17). Væskens udvidelse, som skyldes normal opvarmning i forbindelse med maskindrift, får væsken til at løbe over i hjælpevæskebeholderen. Væsken løber tilbage til hovedtanken, når der slukkes på tændingskontakten.



Sæt tændingskontakten i positionen ON (til), flyt lækagedetektorkontakten bagud, og hold den der. Efter en forsinkelse på et sekund bør alarmen lyde.
Slip lækagedetektorkontakten.
Drej tændingen til slået TIL-positionen. Start ikke motoren.
Fjern hydrauliktankens dæksel fra tankens studs.
Sæt en ren stang eller skruetrækker ind i tankens studs, og tryk forsigtigt ned på svømmerkontakten (Figur 18). Alarmen bør lyde efter et sekunds forsinkelse.

Slip svømmeren: Alarmen bør standse.
Monter hydrauliktankens dæksel.
Drej tændingen til slået FRA-positionen.
Lækagedetektorens alarm kan lyde af én af følgende årsager:
Der er sket en lækage på 118-177 ml.
Væskestanden i hovedbeholderen er faldet med 118-177 ml som følge af væskens sammentrækning ved afkøling.
Hvis alarmen lyder, skal maskinen slukkes hurtigst muligt, og der skal efterses for lækager. Kør væk fra greenen, hvis alarmen lyder, mens man arbejder på en green. Fastslå kilden til lækagen og afhjælp den, før arbejdet fortsættes.
Hvis der ikke konstateres en lækage, og der er mistanke om en falsk alarm, skal du sætte tændingen i positionen OFF (fra) og lade maskinen stå i 1-2 minutter, så væskeniveauerne kan stabilisere sig. Start så maskinen igen, og arbejd i et område, der ikke er følsomt, for at bekræfte, at der ikke forefindes nogen lækage.
Falske alarmer, der opstår, fordi væsken trækker sig sammen, kan skyldes, at maskinen har kørt i tomgang i længere tid efter normal drift. Der kan også opstå en falsk alarm, hvis maskinen betjenes med reduceret belastning efter en længere periode med stor belastning. For at undgå falske alarmer skal maskinens slukkes og ikke køre i tomgang i længere tid.