Parker maskinen på en jevn flate.
Sett på parkeringsbremsen.
Slå av motoren og ta ut nøkkelen.
La motoren kjøle seg ned.
Koble fra batteriet. Se brukerhåndboken for maskinen.
Deler som er nødvendige for dette trinnet:
| Ledningssats | 1 |
| Kabelfeste | 8 |
| Indikatorlampe(kun for modellene 04510 og 04520) | 1 |
| Lydalarm | 1 |
| Tut | 1 |
Fjern sekskantskruene som fester armkonsolldekselet og fjern dekselet.
Note: Spar på skruene til du skal feste armkonsolldekselet senere.
Før ledningssatsen ved å sette lysindikator- og alarmledningene i armkonsollen, og følg hovedledningssatsen under setet til den andre siden av maskinen og deretter bak setet langs venstre skinne slik at oljenivåsensor- og solenoidventilledningene er nær den hydrauliske hovedtanken (kun for dieselmodell).
Se Figur 1 for en oversikt over ledningssatsens stilling og koblingenes plassering.

Bruk kabelfester til å feste ledningssatsen til hovedledningssatsen og rammedelene unna eventuelle varme eller bevegelige deler (kun for dieselmodell).
For modellene 04510 og 04520 fjerner du pluggen på armkonsollpanelet og setter inn indikatorlampen.
For modellene 04510 og 04520 kobler du blinklyskoblingen til hovedledningssatsen (kun bensinmodell) eller til settets ledningssats (kun for dieselmodell).
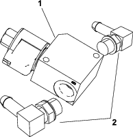
Monter lydalarmen i armkonsollrammen (Figur 2).

Koble lydalarmen til hovedledningssatsen (kun for bensinmodell) eller til ledningssatsen fra settet (kun for dieselmodell).
Hvis maskinen er utstyrt med en overløpsslange, løsne snekkeklemmene og fjern overløpsslangen (Figur 3).
Note: Kast overløpsslangen og snekkeklemmene.

Fjern de fire boltene, skivene, avstandsstykkene og gummipakningene som fester tankdekselet til den hydrauliske hovedtanken.
Note: Ta vare på boltene, avstandsstykkene og skivene til du skal feste lekkasjedetektortanken til den hydrauliske hovedtanken senere.
Fjern tankdekselet fra den hydrauliske hovedtanken.
Fjern pluggen fra hydraulikktanken (hvis utstyrt med dette). Se Figur 4.

Sett tuten i gummitetningen (Figur 4).
Deler som er nødvendige for dette trinnet:
| Lekkasjedetektortank | 1 |
| Oljenivåsensor | 1 |
| O-ring | 1 |
| Ventilslange | 1 |
| Tankventilslange | 1 |
| Sekskantskrue (1/4 x 2 tommer) | 2 |
| Skydd brakett | 1 |
| Slangeklemme | 4 |
| Solenoidventilenhet | 1 |
| Startkabel | 1 |
| Rett kobling | 1 |
| Hydraulisk 90°-kobling | 2 |
| 90° hydraulikkobling (med kant) | 1 |
| Forsinkelsestimer (kun for dieselmodell) | 1 |
| Skrue (⅝ tomme) | 1 |
| Låsemutter | 1 |
| Oljenivådeksel (kun for dieselmodell) | 1 |
| Oljenivådeksel (kun for bensinmodell) | 1 |
| Oljenivådeksel (kun Greensmaster 3250-modell) | 1 |
| Overløpsslange | 1 |
| Snekkeklemme | 2 |
Finn oljenivådekselet for maskinen din blant de løse delene.
Det finnes to forskjellige oljenivådeksler i settet, én for bensinmaskiner og én for dieselmaskiner. Dekselet for dieselmodellen er lengre enn dekselet for bensinmodellen og kan være merket med bokstaven «D».
Bruk skruen (⅝ tomme) og låsemutteren til å montere forsinkelsestimeren på oljenivådekselet (kun for TriFlex-dieselmodeller og Greensmaster 3250-modeller). Se Figur 5 eller Figur 6.


Sett oljenivådekselet på plass, men ikke fest det til den hydrauliske hovedtanken ennå (Figur 5).
Monter to hydrauliske koblinger (90°) foran og bak på solenoidventilen (Figur 7).
Note: Plasser de 90° hydrauliske koblingene slik at slangene som festes til dem er parallell med bakken når montert.

Monter den hydrauliske 90°-koblingen med kant på den hydrauliske hovedtanken (Figur 8).

Monter startkabelkontakten merket P02 til spolen. Koble startkabelkontakten merket P01 til hovedledningssatsen.

Monter én ende av tankventilslangen til den hydrauliske 90°-koblingen som er tilkoblet foran på solenoidventilen med en snekkeklemme.
Før en snekkeklemme over den andre enden av tankventilslangen.
Koble den frie enden av tankventilslangen til den hydrauliske 90°-koblingen med kant på den hydrauliske hovedtanken når du senker solenoidventilenheten på oljenivådekselet.
Monter oljenivådekselet og solenoidventilenheten til den hydrauliske hovedtanken med to sekskantbolter og skyddbraketten (Figur 5).
Note: Før du monterer boltene, påfør et lag med glidemiddel på de to eller tre nederste gjengene.
Stram til boltene med et moment på 3 til 7 Nm.
Fest enden til tankventilslangen til den 90° hydrauliske koblingen med kant med snekkeklemmen.
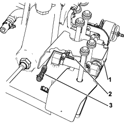
Monter den rette hydrauliske koblingen i åpningen på undersiden av lekkasjedetektortanken (Figur 10).

Fest én ende av ventilslangen til den hydrauliske 90°-koblingen som er tilkoblet bak på solenoidventilen, med en snekkeklemme.
Før en snekkeklemme over den frie enden av ventilslangen, og fest enden av ventilslangen til den rette hydrauliske koblingen på lekkasjedetektortanken.
Bruk to snekkeklemmer til å feste overløpsslangen til lekkasjedetektortanken og hydraulikktanken (Figur 3).
Koble tidsforsinkelseskoblingen til kontakten på ledningssatsen (kun for dieselmodell).
Koble solenoidventilkoblingen til kontakten som er merket «Lekkasjedetektorsolenoid» på ledningssatsen.
Fjern pluggen fra den hydrauliske hovedtanken (Figur 11).

Skyv O-ringen på sensoren for hydraulikkoljenivå, og monter sensoren på hydraulikktanken (Figur 11).
Important: Pass på at indikatorpilen på hver side av mutteren som fester sensoren for nivået til den hydrauliske oljen, peker nedover (Figur 11).
Koble sensoren for oljenivå til koblingen som er merket «Lekkasjebryter» på ledningssatsen.
Fest lekkasjedetektortanken på den hydrauliske hovedtanken med de fire boltene, skivene, avstandsstykkene og gummipakningene som du fjernet tidligere.
Stram til boltene med et moment på 3,4 til 6,7 Nm.
Påse at alle fester er stramme.
Deler som er nødvendige for dette trinnet:
| Plugg | 1 |
| Peilestav | 1 |
Fjern og kast ventilatoren, og fyll hydraulikkvæske på den hydrauliske hovedtanken (Figur 12).

Erstatt ventilatoren med en plugg (Figur 12).
Klipp peilestaven til den merkede klippelinjen vist i Figur 13. Påse at trimmet enden er jevn, Avgrader enden etter behov.

Fyll lekkasjedetektortanken i henhold til lekkasjedetektortankens egenskaper, som følger:
Hvis lekkasjedetektortanken har et seglass:
Fyll hydraulikkvæske på lekkasjedetektortanken helt til væskenivået er midt på seglasset på tanken.
Hvis lekkasjedetektortanken ikke har et seglass:
Fyll lekkasjedetektortanken med hydraulikkvæske til væskenivået når midten av fyllmerkene på peilestaven. Se Figur 13.
Montere peilestaven på lekkasjedetektortanken (Figur 14).

Monter armkonsolldekselet ved hjelp av sekskantskruene som du fjernet tidligere.
Koble til batteriet. Se brukerhåndboken.
Lekkasjesystemet er laget for å gjøre det enklere å oppdage lekkasjer i hydraulikkvæskesystemet. Flytebryteren i tanken stenges hvis væskenivået i den hydrauliske hovedbeholderen synker med 118–177 ml. Etter en forsinkelse på ett sekund slår alarmen seg på og varsler føreren (Figur 17). Utvidelse av væsken som et resultat av at maskinen varmes opp under bruk, forårsaker at væsken transporteres til reservehydraulikkbeholderen. Væsken flyter tilbake til hovedtanken når tenningsbryteren slås av.



Med tenningsbryteren i På-posisjon flytter du lekkasjebryteren bakover og holder den. Etter tidsforsinkelsen på ett sekund, skal alarmen gå.
Slipp lekkasjebryteren.
Sett tenningsbryteren i På-stillingen. Ikke start motoren.
Fjern lokket på hydraulikktanken fra tankåpningen.
Sett en ren stang eller skrutrekker inn i tankåpningen, og trykk flytebryteren forsiktig ned (Figur 18): Alarmen skal gå etter ett sekund.

Slipp flytebryteren: Alarmen slutter.
Monter hydraulikktanklokket.
Sett tenningsbryteren i AV-stillingen.
Lekkasjealarmen kan gå av for én av de følgende grunner:
118–177 ml væske har lekket ut.
Væskenivået i hovedbeholderen er redusert med 118–177 ml fordi væsken har trukket seg sammen under nedkjøling.
Hvis alarmen går, slå av maskinen så fort som mulig og kontroller den for lekkasjer. Kjør av greenen først hvis alarmen går mens du klipper greenen. Angi kilden til lekkasjen og reparer den før du fortsetter driften.
Hvis du ikke finner noen lekkasje og du mistenker at det er en falsk alarm, må du flytte bryteren til AV-stillingen og la maskinen stå i ro i 1–2 minutter slik at væskenivået får stabilisert seg. Deretter kan du starte opp maskinen igjen, og prøve den på et område uten følsomt underlag for å få bekreftet at det ikke er noen lekkasje.
Falske alarmer, som et resultat av væskesammentrekning, kan forårsakes av at maskinen går på tomgang etter normal drift. Det kan også oppstå falsk alarm hvis maskinen brukes med lett belastning etter å ha blitt kjørt med tung belastning over lengre tid. Slå maskinen av i stedet for å la den gå på tomgang over lengre tid for å unngå at det oppstår falske alarmer.