Parcheggiate la macchina su terreno pianeggiante.
Inserite il freno di stazionamento.
Spegnete il motore e togliete la chiave.
Lasciate raffreddare il motore.
Scollegate la batteria; fate riferimento al Manuale dell'operatore della vostra macchina.
Parti necessarie per questa operazione:
| Cablaggio preassemblato | 1 |
| Fascetta per cavi | 8 |
| Spia luminosa (solo per i modelli 04510 e 04520) | 1 |
| Allarme acustico | 1 |
| Beccuccio | 1 |
Rimuovete le viti a testa esagonale che fissano il coperchio del bracciolo della consolle e il coperchio.
Note: Conservate le viti per fissare in seguito il coperchio del bracciolo della consolle.
Fate passare il cablaggio posizionando i cavi della spia luminosa e dell'allarme nel bracciolo della console, seguendo il cablaggio principale sotto il sedile fino all'altro lato della macchina e successivamente dietro il sedile, lungo la guida sinistra, in modo che i cavi del sensore di livello olio e della valvola a solenoide siano vicini al serbatoio idraulico principale (solo modello diesel).
Fate riferimento alla Figura 1 per avere una panoramica delle posizioni del cablaggio preassemblato e dei cavi.

Mediante delle fascette per cavi assicurate il cablaggio al cablaggio principale e agli elementi del telaio, in modo che stia distante da parti calde o in movimento (solo modello diesel).
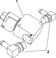
Per i modelli 04510 e 04520, rimuovete il tappo sul pannello del bracciolo della console e inserite la spia luminosa.
Per i modelli 04510 e 04520, collegate il connettore della spia luminosa al cablaggio preassemblato principale (solo modello a benzina) o al cablaggio preassemblato del kit (solo modello diesel).
Installate l'allarme acustico nel telaio del bracciolo della console (Figura 2).

Collegate l’allarme acustico al cablaggio preassemblato principale (solo modello a benzina) o al cablaggio preassemblato del kit (solo modello diesel).
Se la macchina è provvista di un flessibile di troppopieno, allentate le fascette stringitubo e rimuovete il flessibile di troppopieno (Figura 3).
Note: Eliminate il flessibile di troppopieno e le fascette stringitubo.

Rimuovete i 4 bulloni, le rondelle, i distanziali e le rondelle in gomma che fissano la copertura del serbatoio al serbatoio idraulico principale.
Note: Conservate i bulloni, i distanziali e le rondelle per fissare successivamente il serbatoio del rivelatore di perdite al serbatoio idraulico principale.
Rimuovete la copertura dal serbatoio idraulico principale.
Rimuovete il tappo dal serbatoio idraulico (se in dotazione); fate riferimento alla Figura 4.

Inserite il beccuccio nell’anello passacavi di gomma (Figura 4).
Parti necessarie per questa operazione:
| Serbatoio del rilevatore di perdite | 1 |
| Sensore di livello dell’olio | 1 |
| O-ring | 1 |
| Flessibile valvola | 1 |
| Flessibile valvola del serbatoio | 1 |
| Bullone a testa esagonale (¼" x 2") | 2 |
| Staffa dellopresa elettrica | 1 |
| Fascetta stringitubo | 4 |
| Gruppo valvola a solenoide | 1 |
| Cavo di connessione | 1 |
| Raccordo diritto | 1 |
| Raccordo idraulico a 90° | 2 |
| Raccordo idraulico a 90° (bordato) | 1 |
| Timer ritardato (solo modello diesel) | 1 |
| Vite (⅝") | 1 |
| Dado di bloccaggio | 1 |
| Coperchio livello olio (solo modello diesel) | 1 |
| Coperchio livello olio (solo modello benzina) | 1 |
| Coperchio livello olio (solo modello Greensmaster 3250) | 1 |
| Flessibile di troppopieno | 1 |
| Fascetta stringitubo | 2 |
Individuate il coperchio del livello olio più appropriato per la vostra macchina tra le parti sfuse.
Nel kit vi sono due diversi coperchi del livello olio, uno per le macchine a benzina, l'altro per le macchine diesel. Il coperchio per il modello diesel è più lungo del coperchio per il modello a benzina e può avere una "D" incisa.
Utilizzate la vite (⅝") e il dado di bloccaggio per installare il timer di ritardo sulla copertura del livello dell'olio (solo modelli TriFlex diesel e Greensmaster 3250); fate riferimento alla Figura 5 o alla Figura 6.


Posizionate il coperchio del livello olio, ma non fissatelo ancora al serbatoio idraulico principale (Figura 5).
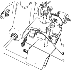
Installate 2 raccordi idraulici a 90° davanti e dietro alla valvola a solenoide (Figura 7).
Note: Posizionate i raccordi idraulici a 90° in modo che i flessibili collegati a essi siano paralleli al terreno una volta installati.

Installate il raccordo idraulico a 90° bordato al serbatoio idraulico principale (Figura 8).

Collegate il connettore del cavo di connessione contrassegnato come P02 al solenoide. Collegate il connettore del cavo di connessione contrassegnato come P01 al cablaggio preassemblato principale.

Montate un'estremità del flessibile della valvola del serbatoio sul raccordo idraulico a 90° collegato alla parte anteriore della valvola a solenoide con una fascetta stringitubo.
Fate scorrere una fascetta stringitubo sull'altra estremità del flessibile della valvola del serbatoio.
Collegate l'estremità libera del flessibile della valvola del serbatoio al raccordo idraulico bordato a 90° sul serbatoio idraulico principale mentre abbassate il gruppo della valvola a solenoide sul coperchio del livello olio.
Montate il coperchio del livello olio e il gruppo della valvola a solenoide sul serbatoio idraulico principale con 2 bulloni a testa esagonale e la staffa dello schermo di protezione (Figura 5).
Note: Prima di installare i bulloni, ricoprite 2 o 3 filetti nella parte inferiore con un composto anti-grippaggio.
Serrate i bulloni a un valore compreso tra 3 e 7 N∙m.
Fissate l'estremità del flessibile della valvola del serbatoio sul raccordo idraulico a 90° bordato con la fascetta stringitubo.
Installate il raccordo idraulico diritto nell'apertura sul lato inferiore del serbatoio del rivelatore di perdite (Figura 10).

Fissate un'estremità del flessibile della valvola al raccordo idraulico a 90° collegato alla parte posteriore della valvola a solenoide con una fascetta stringitubo.
Fate scorrere la fascetta stringitubo sull'estremità del flessibile della valvola e fissate tale estremità del flessibile della valvola al raccordo idraulico diritto sul serbatoio del rivelatore di perdite.
Usate 2 fascette stringitubo per fissare il flessibile di troppopieno al serbatoio del rivelatore di perdite e al serbatoio idraulico (Figura 3).
Collegate il connettore del timer ritardato al connettore sul cablaggio (solo modello diesel).
Collegate il connettore della valvola a solenoide al connettore indicato come “Leak Detector Solenoid" sul cablaggio.
Rimuovete il tappo dal serbatoio idraulico principale (Figura 11).

Fate scorrere l’O-ring sul sensore di livello dell’olio idraulico e installate il sensore nel serbatoio idraulico (Figura 11).
Important: Verificate che la freccia dell’indicatore su ambo i lati del dado di fissaggio del sensore di livello dell'olio idraulico sia rivolta verso il basso (Figura 11).
Collegate il connettore del sensore dell'olio al connettore indicato come “Leak Detector Switch" sul cablaggio preassemblato.
Fissate il serbatoio del rivelatore di perdite sul serbatoio idraulico principale con i 4 bulloni, le rondelle, i distanziali e le rondelle in gomma che avevate rimosso in precedenza.
Serrate i bulloni a un valore compreso tra 3,4 e 6,7 N∙m.
Verificate che i raccordi siano serrati.
Parti necessarie per questa operazione:
| Tappo | 1 |
| Asta di livello | 1 |
Togliete ed eliminate lo sfiatatoio e rabboccate il serbatoio idraulico principale con fluido idraulico (Figura 12).

Posizionate il tappo al posto dello sfiatatoio (Figura 12).
Rifilate l’asta di livello in corrispondenza della linea di taglio evidenziata nella Figura 13. Assicuratevi che l’estremità rifilata sia liscia; sbavatela come opportuno.

Riempite il serbatoio del rivelatore di perdite secondo le sue caratteristiche, come indicato di seguito:
Se il serbatoio del rivelatore di perdite ha una spia di livello:
Riempite il serbatoio del rivelatore di perdite con fluido idraulico fino a raggiungere la posizione centrale indicata dalla spia di livello.
Se il serbatoio del rivelatore di perdite non ha una spia di livello:
Riempite il serbatoio del rivelatore di perdite con fluido idraulico fino a raggiungere la posizione centrale tra le linee di riempimento sull’asta di livello; fate riferimento alla Figura 13.
Montate l’asta di livello sul serbatoio del rivelatore di perdite (Figura 14).

Montate il coperchio del bracciolo della console utilizzando le viti a testa esagonale rimosse in precedenza.
Collegate la batteria; fate riferimento al Manuale dell'operatore della vostra macchina.
Il sistema di rivelazione delle perdite è previsto per agevolare il rilevamento tempestivo di perdite di fluido nell’impianto idraulico. Se il livello del fluido nel serbatoio idraulico principale diminuisce di un valore compreso tra 118 e 177 ml, l’interruttore a galleggiante nel serbatoio si chiude. Dopo un secondo scatta l’allarme per avvertire l’operatore (Figura 17). L’espansione del fluido, causata dal normale riscaldamento durante il funzionamento della macchina, favorisce il trasferimento dell’olio nel relativo serbatoio ausiliario. Quando spegnete l’interruttore di accensione, il fluido ritorna nel serbatoio principale.



Con l’interruttore di accensione in posizione ON, spostate indietro l’interruttore del rivelatore di perdite e tenetelo fermo. Dopo un ritardo di un secondo dovrebbe scattare l’allarme.
Rilasciate l'interruttore del rivelatore di perdite.
Spostate l’interruttore di accensione in posizione ON. Non avviate il motore.
Togliete il tappo del serbatoio idraulico dal collo del serbatoio.
Inserite nel collo del serbatoio un’asta o un cacciavite puliti ed esercitate con cautela pressione sull’interruttore a galleggiante (Figura 18); dopo un secondo dovrebbe scattare l’allarme.

Rilasciate il galleggiante: l’allarme deve cessare.
Montate il tappo sul serbatoio idraulico.
Spostate l’interruttore di accensione in posizione OFF.
L'allarme del rilevatore di perdite può suonare per 1 delle seguenti ragioni:
Si è verificata una perdita compresa tra 118 e 177 ml.
Il livello del fluido nel serbatoio principale diminuisce di un valore compreso tra 118 e 177 ml a causa della contrazione del fluido dovuta al raffreddamento.
Quando scatta l’allarme, spegnete la macchina il più presto possibile e controllate se sono presenti perdite. Se l’allarme scatta mentre lavorate su un green, innanzitutto portate la macchina fuori dal green. Determinate la causa della perdita e riparatela prima di continuare il lavoro.
Se non individuate una perdita e sospettate un falso allarme, spostate l'interruttore di accensione in posizione OFF e lasciate riposare la macchina per 1 - 2 minuti per consentire ai livelli di fluido di stabilizzarsi. Avviate quindi la macchina e lavorate in una zona fuori mano per accertarvi che non vi siano perdite.
I falsi allarmi, causati dalla contrazione del fluido, possono essere determinati dal fatto che la macchina sia rimasta in moto per un periodo di tempo prolungato dopo il normale funzionamento. Si può verificare un falso allarme anche nel caso in cui si utilizzi la macchina con un carico di lavoro ridotto, in seguito a un lungo periodo di lavoro con carico pesante. Per evitare falsi allarmi spegnete la macchina anziché lasciarla in moto per lunghi periodi al minimo.