平らな場所に駐車する。
駐車ブレーキを掛ける。
エンジンを止め、キーを抜き取る。
エンジンが冷えるのを待つ。
バッテリーの接続を外す; マシンのオペレーターズマニュアルを参照。
この作業に必要なパーツ
| ワイヤハーネス | 1 |
| ケーブルタイ | 8 |
| インジケーターライト(モデル04510および04520のみ) | 1 |
| 音声アラーム | 1 |
| 補給口 | 1 |
コンソールアームカバーを固定している六角ねじを外してカバーを取り外す。
Note: コンソールアームカバーとねじ類は保管する。
ライトインジケータとアラームのリード線をコンソールアーム内に配置し、メインワイヤ ハーネスをシートの下からマシンの反対側まで通し、次に左側のレールに沿ってシートの後ろまで通し、オイルレベルセンサーとソレノイドバルブのリード線がメイン油圧タンクの近くになるように、ワイヤハーネスを配線する (ディーゼルモデルのみ)。
ワイヤハーネスとコネクタの位置については図 1を参照。

(ディーゼルモデルの場合)ケーブルタイを使ってこのハーネスをメインのワイヤハーネスおよびフレーム部材に縛り付け、ハーネスが可動部や高音部に触れる危険がないことを確認してください。
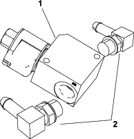
モデル04510および04520の場合、コンソールアームパネルのプラグを取り外し、インジケーターライトを挿入します。
モデル04510および04520の場合、インジケータライトコネクタをメインワイヤハーネス (ガソリンモデルのみ) またはキットワイヤハーネス (ディーゼルモデルのみ) に接続します。
音声アラームをコンソールアームフレームに取り付ける(図 2)。

音声アラームのコネクタをメインのワイヤハーネスに接続(ガソリンモデルの場合)またはキットから敷設したハーネスに接続する(ディーゼルモデルの場合)。
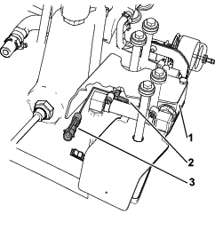
オーバーフローホースが付いている場合は、クランプのイモねじをゆるめてオーバーフローホースを外す(図 3)。
Note: オーバーフローホースとホースクランプは廃棄します。

タンクカバーをメイン油圧タンクに固定しているボルト4本、ワッシャー、スペーサー、およびゴム製ワッシャーを取り外す。
Note: ボルト、スペーサー、ワッシャーは、後でリークディテクタータンクをメイン油圧タンクに固定するために保管しておく。
メイン油圧タンクからタンクカバーを取り外す。
油圧オイルタンクにプラグが付いている場合はプラグを取り外す;図 4を参照。

ゴム製のハトメにジョウゴを取り付ける(図 4)。
この作業に必要なパーツ
| リークディテクタのタンク | 1 |
| オイルレベルセンサー | 1 |
| O リング | 1 |
| バルブホース | 1 |
| タンクバルブホース | 1 |
| 六角ヘッドボルト(¼" x 2") | 2 |
| シールドブラケット | 1 |
| ホースクランプ | 4 |
| ソレノイドバルブアセンブリ | 1 |
| ジャンパケーブル | 1 |
| ストレートフィッティング | 1 |
| 90° 油圧フィッティング | 2 |
| 90° 油圧フィッティング(ビード加工) | 1 |
| 遅延タイマー(ディーゼルモデル用) | 1 |
| ねじ(⅝") | 1 |
| ロックナット | 1 |
| オイルレベルカバー(ディーゼルモデルのみ) | 1 |
| オイルレベルカバー(ガソリンモデルのみ) | 1 |
| オイルレベルカバー(Greensmaster 3250モデルのみ) | 1 |
| オーバーフローホース | 1 |
| イモねじクランプ | 2 |
付属部品の中から、マシンに合うオイルレベルカバーを探し出す。
オイルレベルカバーは、ガソリンモデル用とディーゼルモデル用の 2 種類があります。ディーゼルモデル用のカバーはガソリンモデル用よりも長く、Dと刻印されている場合もあります。
⅝"ネジとロックナットを使って、オイルレベルカバーに遅延タイマーを取り付ける(ディーゼルTriFlexモデルおよびGreensmaster 3250モデルのみ)。図 5または図 6を参照してください。


オイルレベルカバーを所定の位置にセットしますが、メイン油圧タンクにはまだ固定しないでください (図 5)。
ソレノイドバルブの前後に油圧フィッティング(90°:2個)を取り付ける(図 7)。
Note: ホースを接続したときにホースが地表面と平行になるように、90° 油圧フィッティングの角度調整を行う。

90°ビード付きの油圧フィッティングをメイン油圧タンクに取り付ける(図 8)。

P02というラベルの付いたジャンパーケーブルコネクタをソレノイドに取り付ける。P01というラベルの付いたジャンパーケーブルコネクタをメインワイヤーハーネスに接続する。

タンクバルブ ホースの一端を、ウォームドライブクランプを使ってソレノイドバルブの前面に接続された 90°油圧継手に取り付ける。
ウォームドライブクランプをタンクバルブホースのもう一方の端に取り付ける。
ソレノイドバルブアセンブリをオイルレベル カバーの上から下げながら、タンクバルブホースの自由端をメイン油圧タンクの 90°ビーズ付き油圧継手に接続する。
オイルレベルカバーとソレノイドバルブアセンブリを、六角ボルト2本とシールドブラケットを使ってメイン油圧タンクに取り付ける(図 5)。
Note: ボルトを取り付ける前に、ボルトの先端のねじ部の 2 山か 3 山に固着防止コンパウンドを塗布してください。
ボルトを 3-7 N·m(0.5-0.7 kg.m = 30-60 in-lb)にトルク締めする。
タンクバルブホースの端部を、90° 油圧フィッティング(ビード加工付き)に接続し、イモねじクランプで固定する。
ストレート油圧継手をリークディテクタタンクの下側の開口部に取り付ける(図 10)。

バルブホースの端部を、ソレノイドバルブの後側に取り付けた 90° 油圧フィッティングに接続し、イモねじクランプで固定する。
ウォームドライブクランプをバルブホースの自由端にかぶせ、バルブホースの端をリークディテクタタンクのストレート油圧フ継手に固定する。
ウォームドライブクランプ2個を使って、オーバーフローホースをリークディテクタタンクと油圧タンクに固定する (図 3) 。
(ディーゼルモデルの場合)遅延タイマーのコネクタをワイヤハーネスのコネクタに接続する。
ソレノイドバルブコネクタを、ワイヤーハーネス上の“Leak Detector Solenoid”とマークされたコネクタに接続する。
メイン油圧タンクからプラグを取り外す(図 11)。

油圧オイルレベルセンサーに O リングを取り付けて油圧オイルタンクに取り付ける(図 11)。
Important: 油圧オイルレベルセンサーを固定するナットの両側にあるインジケーター矢印が下向きになるようにする (図 11)。
オイルレベルセンサーのコネクタを、ワイヤハーネスのコネクタ(Leak Detector Switch という表示がある)に接続する。
先ほど取り外したボルト4本、ワッシャー、スペーサー、ゴム製ワッシャーを使って、リークディテクタタンクをメイン油圧タンクに固定する。
ボルトを 3.4-6.7 N·m(0.5-0.7 kg.m = 30-60 in-lb)にトルク締めする。
すべてのフィッティングがゆるみなく締まっていることを確認する。
この作業に必要なパーツ
| プラグ | 1 |
| ディップスティック | 1 |
ブリーザーを取り外して廃棄し、メイン油圧タンクに作動油を補充する (図 12)。

ブリーザに代えてプラグを取り付ける(図 12)。
図 13 に示す位置でディップスティックを切断する。切断面は必要に応じてバリを除去してなめらかにする。

次のように、リークディテクタタンクの特性に応じてリークディテクタタンクを充填する:
リークディテクタタンクに視認窓がある場合:
液面が覗き窓の中央になるまで、リークディテクタタンクに作動油を充填する。
リークディテクタタンクに視認窓がない場合:
ディップスティックの充填マークの中央になるまで、リークディテクタタンクに作動油を充填する。図 13を参照方。
リークディテクタタンクにディップスティックを取り付ける(図 14)。

先ほど外した六角ねじを使ってコンソールアームカバーを取り付ける。
バッテリーを接続する; マシンのオペレーターズマニュアルを参照。
リークディテクタシステムは、油圧オイルのリークを早期に発見し、オペレータに知らせます。メイン油圧リザーバー内の液面が118~177 ml低下すると、タンク内のフロートスイッチが閉じます。1秒後にアラームが作動してオペレータに異常の発生を知らせます(図 17)。マシンの動作による通常の加熱でオイルが膨張した場合、オイルは補助オイルリザーバーに移動します。そして、エンジンを停止させると、逃がされていたオイルがメインタンクに戻されます。



イグニッションスイッチをオンの位置にし、リークディテクタスイッチを後方に動かして保持する。1秒後にアラームが鳴れば正常である。
リークディテクタスイッチから手を離す。
始動キーをON 位置にセットする。エンジンは始動させない。
油圧オイルタンクの首からキャップを取り外す。
汚れのついていない鉄の棒やねじ回しなどをタンクの首から差し込んで、フロートスイッチ(図 18)を押し下げる:1 秒後にアラームがなれば正常。

押さえていたフロートを離す:アラームが停止すれば正常。
油圧オイルタンクにキャップを取り付ける。
始動キーをOFF 位置にもどして終了。
リークディテクタアラームは、次のいずれかの理由で鳴る場合があります:
118-177 ml のオイル漏れが発生した。
メインタンクの中のオイルの温度が下がったために、メインタンク内部のオイルの体積が 118-177 ml 少なくなった。
アラームがなったら作業をできるだけ早く中止してオイル漏れがないか点検してください。グリーンで作業中にアラームが鳴った場合には、まずグリーンから退避してください。リークを放置したまま作業を続行しないでください。
オイル漏れが発見されず、誤報が疑われる場合には、車両のスイッチを一度 OFF にしてください。1-2 分すればオイル量が安定します。そして安全な場所でもう一度リークのないのを確認してから作業を再開してください。
オイル体積の減少による誤警報は、作業後に長時間のアイドリングをしているときに起こりやすいのです。また、油圧系に大きな負担を掛けた後に軽い作業に切り換えた場合にも、誤警報が起こりやすくなります。誤警報を避けるには、一度エンジンを停止させてしまうのが確実です。