Pysäköi kone tasaiselle alustalle.
Kytke seisontajarru.
Sammuta moottori ja irrota virta-avain.
Anna moottorin jäähtyä.
Irrota akun kytkennät. Lisätietoja on koneen käyttöoppaassa.
Vaiheeseen tarvittavat osat:
| Johdinsarja | 1 |
| Nippuside | 8 |
| Merkkivalo(vain mallit 04510 ja 04520) | 1 |
| Äänimerkki | 1 |
| Nokka | 1 |
Poista kuusiokantaruuvit, joilla käsikonsolin suojus on kiinnitetty, ja irrota suojus.
Note: Pidä ruuvit tallessa. Tarvitset niitä käsikonsolin suojuksen kiinnittämiseen uudelleen.
Reititä johdinsarja sijoittamalla merkkivalon ja hälyttimen johdot käsikonsoliin, pääjohdinsarja istuimen alle koneen toiselle puolelle ja sitten istuimen takaa vasenta runkokaidetta pitkin siten, että öljypinnan anturin ja solenoidiventtiilin johdot sijaitsevat päähydraulisäiliön lähellä (vain dieselmalleissa).
Kuva 1 näyttää johdinsarjan ja liittimien sijainnin.

Kiinnitä johdinsarja nippusiteillä pääjohdinsarjaan ja runkopalkkeihin siten, että se ei ole lähellä kuumia tai liikkuvia osia (vain dieselmalleissa).
Mallit 04510 ja 04520: irrota tulppa käsikonsolin paneelista ja aseta merkkivalo paikalleen.
Mallit 04510 ja 04520: kytke merkkivalon liitin pääjohdinsarjaan (vain bensiinimalleissa) tai sarjan johdinsarjaan (vain dieselmalleissa).
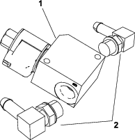
Asenna äänimerkki käsikonsolin runkoon (Kuva 2).

Kytke äänimerkki pääjohdinsarjaan (vain bensiinimalleissa) tai sarjan johdinsarjaan (vain dieselmalleissa).
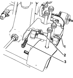
Jos koneessa on ylivuotoletku, löysää letkunkiristimiä ja irrota ylivuotoletku (Kuva 3).
Note: Hävitä ylivuotoletku ja letkunkiristimet.

Irrota säiliön kannen päähydraulisäiliöön kiinnittävät neljä pulttia, aluslaattaa, välikappaletta ja kumialuslaattaa.
Note: Säilytä pultit, välikappaleet ja aluslaatat, sillä tarvitset niitä myöhemmin vuodonilmaisimen säiliön kiinnittämiseen päähydraulisäiliöön.
Irrota säiliön kansi päähydraulisäiliöstä.
Irrota tulppa hydraulisäiliöstä (jos asennettu). Katso Kuva 4.

Aseta nokka kumiseen läpivientisuojukseen (Kuva 4).
Vaiheeseen tarvittavat osat:
| Vuodonilmaisimen säiliö | 1 |
| Öljypinnan anturi | 1 |
| O-rengas | 1 |
| Venttiililetku | 1 |
| Säiliön venttiililetku | 1 |
| Kuusiokantapultti (1/4 × 2 tuumaa) | 2 |
| Suojus kannatin | 1 |
| Letkukiristin | 4 |
| Solenoidiventtiilikokoonpano | 1 |
| Välijohto | 1 |
| Suora liitin | 1 |
| 90 asteen hydrauliliitin | 2 |
| 90 asteen hydrauliliitin (uurrettu) | 1 |
| Viiveajastin (vain dieselmalleissa) | 1 |
| Ruuvi (5/8 tuumaa) | 1 |
| Lukkomutteri | 1 |
| Öljypinnan suojus (vain dieselmalleissa) | 1 |
| Öljypinnan suojus (vain bensiinikäyttöisissä malleissa) | 1 |
| Öljypinnan suojus (vain Greensmaster 3250 malli) | 1 |
| Ylivuotoletku | 1 |
| Letkunkiristin | 2 |
Etsi koneeseen sopiva öljypinnan suojus irto-osista.
Sarjassa on kaksi eri öljypinnan suojusta, joista toinen on bensiinikoneille, toinen dieselkoneille. Dieselkoneeseen tarkoitettu suojus on bensiinikoneen suojusta pitempi ja saattaa olla merkitty D-kirjaimella.
Asenna viiveajastin öljypinnan suojukseen ruuvilla (⅝ tuumaa) ja lukkomutterilla (vain TriFlex-dieselmalli ja Greensmaster 3250 malli). Katso Kuva 5 tai Kuva 6.


Aseta öljypinnan suojus paikoilleen, mutta älä kiinnitä sitä vielä päähydraulisäiliöön (Kuva 5).
Asenna kaksi hydrauliliitintä (90 asteen kulmassa) solenoidiventtiilin etu- ja takaosaan (Kuva 7).
Note: Aseta 90 asteen kulmassa olevat hydrauliliittimet siten, että niihin kiinnitettävät letkut ovat asennettaessa maanpinnan suuntaiset.

Asenna 90 asteen kulmassa oleva uurrettu hydrauliliitin päähydraulisäiliöön (Kuva 8).

Kytke merkinnällä P02 varustettu välijohdon liitin solenoidiin. Kytke merkinnällä P01 varustettu välijohdon liitin pääjohdinsarjaan.

Liitä säiliöventtiilin letkun toinen pää letkunkiristimellä 90 asteen kulmassa olevaan hydrauliliittimeen, joka on kiinnitetty solenoidiventtiilin etuosaan.
Pujota letkunkiristin säiliöventtiilin letkun toisen pään yli.
Liitä säiliöventtiilin letkun vapaa pää 90 asteen kulmassa olevaan uurrettuun hydrauliliittimeen, joka on päähydraulisäiliössä, laskiessasi solenoidiventtiilikokoonpanon öljypinnan suojuksen päälle.
Kiinnitä öljypinnan suojus ja solenoidiventtiilikokoonpano päähydraulisäiliöön kahdella kuusiopultilla ja suojuksen kannattimella (Kuva 5).
Note: Levitä lukkiintumisenestoainetta pulttien parille kolmelle alimmalle kierteelle ennen pulttien kiinnittämistä.
Kiristä pultit momenttiin 3–7 N·m.
Kiinnitä säiliöventtiilin letku letkunkiristimellä 90 asteen kulmassa olevaan uurrettuun hydrauliliittimeen.
Asenna suora hydrauliliitin vuodonilmaisimen säiliön alapinnassa olevaan aukkoon (Kuva 10).

Kiinnitä venttiililetkun toinen pää letkunkiristimellä 90 asteen kulmassa olevaan hydrauliliittimeen, joka on kiinnitetty solenoidiventtiilin takaosaan.
Pujota letkunkiristin venttiililetkun vapaan pään yli ja kiinnitä venttiililetkun pää suoraan hydrauliliittimeen, joka on vuodonilmaisimen säiliössä.
Kiinnitä ylivuotoletku vuodonilmaisimen säiliöön ja hydraulisäiliöön kahdella letkunkiristimellä (Kuva 3).
Kytke viiveajastimen liitin johdinsarjan liittimeen (vain dieselmalleissa).
Kytke solenoidiventtiilin liitin johdinsarjan liittimeen, jossa on merkintä ”Leak Detector Solenoid” (vuodonilmaisimen solenoidi).
Irrota tulppa päähydraulisäiliöstä (Kuva 11).

Liu’uta O-rengas hydrauliöljypinnan anturiin ja asenna anturi hydraulisäiliöön (Kuva 11).
Important: Varmista, että hydrauliöljypinnan anturia paikallaan pitävän mutterin kummallakin puolella olevat merkkinuolet osoittavat alaspäin (Kuva 11).
Kytke öljypinnan anturin liitin johdinsarjan liittimeen, jossa on merkintä ”Leak Detector Switch” (vuodonilmaisimen kytkin).
Kiinnitä vuodonilmaisimen säiliö päähydraulisäiliöön aiemmin irrotetuilla neljällä pultilla, aluslaatalla, välikappaleella ja kumialuslaatalla.
Kiristä pultit momenttiin 3,4–6,7 N·m.
Varmista, että kaikki liittimet ovat tiukassa.
Vaiheeseen tarvittavat osat:
| Tulppa | 1 |
| Mittatikku | 1 |
Irrota huohotin, hävitä se ja täytä päähydraulisäiliö hydraulinesteellä (Kuva 12).

Aseta tulppa huohottimen paikalle (Kuva 12).
Lyhennä mittatikku lyhennysmerkin kohdalta kuvan mukaisesti (Kuva 13). Varmista, että leikattu pää on sileä ja poista purseet tarvittaessa.

Täytä vuodonilmaisimen säiliö sen ominaisuuksien mukaisesti seuraavalla tavalla:
Jos vuodonilmaisimen säiliössä on tarkastuslasi:
Lisää vuodonilmaisimen säiliöön hydraulinestettä, kunnes nesteen pinta on säiliön tarkastuslasin keskellä.
Jos vuodonilmaisimen säiliössä ei ole tarkastuslasia:
Lisää vuodonilmaisimen säiliöön hydraulinestettä, kunnes nesteen pinta on mittatikun täyttömerkkien välissä. Katso Kuva 13.
Asenna mittatikku vuodonilmaisimen säiliöön (Kuva 14).

Kiinnitä käsikonsolin suojus paikoilleen aiemmin irrotetuilla kuusiokantaruuveilla.
Kytke akku. Lisätietoja on koneen käyttöoppaassa.
Vuodonilmaisinjärjestelmän avulla hydraulijärjestelmän nestevuodot havaitaan nopeasti. Jos päähydraulisäiliön nestemäärä vähenee 118–177 ml, säiliön kohokytkin sulkeutuu. Yhden sekunnin kuluttua kuuluu hälytysääni (Kuva 17). Konetta käytettäessä neste lämpenee ja laajenee, jolloin nestettä siirtyy apusäiliöön. Neste palaa pääsäiliöön, kun virta katkaistaan.



Kun virtalukko on KäYNNISSä-asennossa, siirrä vuodonilmaisimen kytkintä taaksepäin ja pidä paikoillaan. Yhden sekunnin viiveen jälkeen pitäisi kuulua merkkiääni.
Vapauta vuodonilmaisimen kytkin.
Siirrä virtalukko PääLLä-asentoon. Älä käynnistä moottoria.
Irrota hydraulisäiliön korkki säiliön kaulasta.
Työnnä puhdas puikko tai ruuvimeisseli säiliön kaulaan ja paina kohokytkintä varovasti alaspäin (Kuva 18): hälytysäänen pitäisi kuulua yhden sekunnin kuluttua.

Vapauta koho: hälytysäänen pitäisi vaieta.
Asenna hydraulisäiliön korkki.
Siirrä virtalukko POIS-asentoon.
Vuodonilmaisin voi hälyttää seuraavista syistä:
Säiliössä on tapahtunut 118–177 ml:n vuoto.
Pääsäiliön nestemäärä on laskenut 118–177 ml, koska neste on tihennyt jäähtyessään.
Jos hälytysääni kuuluu, kone on sammutettava mahdollisimman pian ja tarkastettava vuotojen varalta. Jos hälytysääni kuuluu, kun konetta käytetään viheriöllä, on hyvä ajaa ensin pois viheriöltä. Vuodon syy on selvitettävä ja korjattava ennen käytön jatkamista.
Jos vuotokohtaa ei löydy ja epäilet väärää hälytystä, käännä virta-avain PYSäYTYS-asentoon ja anna koneen seistä 1–2 minuuttia, jotta neste tasaantuu. Käynnistä sitten kone ja työskentele kestävällä alueella varmistaaksesi, että vuotoja ei ole.
Jos konetta pidetään pitkään joutokäynnillä normaalin käytön jälkeen, neste supistuu, mikä voi aiheuttaa väärän hälytyksen. Vääriä hälytyksiä voi tapahtua myös silloin, kun konetta käytetään pienemmällä kuormalla sen jälkeen, kun sitä on ensin käytetty pitkään suurella kuormalla. Ehkäise väärät hälytykset välttämällä turhaa joutokäyntiä. Sammuta kone, kun et käytä sitä.