| Périodicité d'entretien | Procédure d'entretien |
|---|---|
| À chaque utilisation ou une fois par jour |
|
Cette machine est une tondeuse multi-usage prévue pour les utilisateurs professionnels employés à des applications professionnelles. Elle est principalement conçue pour tondre les pelouses régulièrement entretenues dans les parcs, les terrains de golf, les terrains de sports et les espaces verts commerciaux. L'utilisation de ce produit à d'autres fins que celle prévue peut être dangereuse pour vous-même et toute personne à proximité.
Lisez attentivement cette notice pour apprendre comment utiliser et entretenir correctement votre produit, et éviter ainsi de l'endommager ou de vous blesser. Vous êtes responsable de l'utilisation sûre et correcte du produit.
Rendez-vous sur www.Toro.com pour tout document de formation à la sécurité et à l'utilisation des produits, pour tout renseignement concernant un produit ou un accessoire, pour obtenir l'adresse des concessionnaires ou pour enregistrer votre produit.
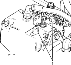
Pour obtenir des prestations de service, des pièces d'origine Toro ou des renseignements complémentaires, munissez-vous des numéros de modèle et de série du produit et contactez un concessionnaire-réparateur agréé ou le service client Toro. La Figure 1 indique l'emplacement des numéros de modèle et de série sur le produit. Inscrivez les numéros dans l'espace réservé à cet effet.
Important: Avec votre appareil mobile, vous pouvez scanner le QR code sur l'autocollant du numéro de série (le cas échéant) afin d'accéder aux informations sur la garantie, les pièces détachées et autres renseignements concernant le produit.

Les mises en garde de ce manuel soulignent des dangers potentiels et sont signalées par le symbole de sécurité (Figure 2), qui indique un danger pouvant entraîner des blessures graves ou mortelles si les précautions recommandées ne sont pas respectées.

Ce manuel utilise deux termes pour faire passer des renseignements essentiels. Important pour attirer l'attention sur des informations d'ordre mécanique spécifiques et Remarque pour souligner des informations d'ordre général méritant une attention particulière.
Ce produit est conforme à toutes les directives européennes pertinentes. Pour plus de renseignements, reportez-vous à la Déclaration de conformité spécifique du produit fournie séparément.
Vous commettez une infraction à la section 4442 ou 4443 du Code des ressources publiques de Californie si vous utilisez cette machine dans une zone boisée, broussailleuse ou recouverte d'herbe à moins d'équiper le moteur d'un pare-étincelles, tel que défini à la section 4442, maintenu en bon état, ou à moins de construire, équiper et entretenir le moteur de manière à prévenir les incendies.
Le manuel du propriétaire du moteur ci-joint est fourni à titre informatif concernant la réglementation de l'Agence américaine pour la protection de l'environnement (EPA) et la réglementation antipollution de l'état de Californie relative aux systèmes antipollution, à leur entretien et à leur garantie. Vous pouvez vous en procurer un nouvel exemplaire en vous adressant au constructeur du moteur.
Si cette machine est équipée d'un système télématique, demandez conseil à votre distributeur Toro agréé pour savoir comment l'activer.
CALIFORNIE
Proposition 65 - Avertissement
L'état de Californie considère les gaz d'échappement des moteurs diesel et certains de leurs composants comme susceptibles de provoquer des cancers, des malformations congénitales et autres troubles de la reproduction.
Les bornes de la batterie et accessoires connexes contiennent du plomb et des composés de plomb. L'état de Californie considère ces substances chimiques comme susceptibles de provoquer des cancers et des troubles de la reproduction. Lavez-vous les mains après avoir manipulé la batterie.
L'utilisation de ce produit peut entraîner une exposition à des substances chimiques considérées pas l'état de Californie comme capables de provoquer des cancers, des anomalies congénitales ou d'autres troubles de la reproduction.
Ce produit peut sectionner les mains ou les pieds et projeter des objets. Respectez toujours toutes les consignes de sécurité pour éviter des blessures graves.
Vous devez lire et comprendre le contenu de ce Manuel de l'utilisateur avant de démarrer le moteur.
Accordez toute votre attention à l'utilisation de la machine. Ne faites rien d’autre qui puisse vous distraire, au risque de causer des dommages corporels ou matériels.
N'utilisez pas la machine s'il manque des capots ou d'autres dispositifs de protection, ou s'ils sont défectueux.
N'approchez jamais les mains ou les pieds des pièces rotatives. Ne vous tenez pas devant l'ouverture d'éjection.
N'admettez personne, notamment les enfants, dans le périmètre de travail. N'autorisez jamais les enfants à utiliser la machine.
Avant de quitter la position d'utilisation, coupez le moteur, enlevez la clé et attendez l'arrêt complet de tout mouvement. Laissez refroidir la machine avant de la régler, d'en faire l'entretien, de la nettoyer ou de la remiser.
L'usage ou l'entretien incorrect de cette machine
peut occasionner des accidents. Pour réduire les risques d'accidents
et de blessures, respectez les consignes de sécurité
qui suivent. Tenez toujours compte des mises en garde signalées
par le symbole de sécurité (
) et la mention Prudence,
Attention ou Danger. Le non respect de ces instructions peut entraîner
des blessures graves ou mortelles.
![]() |
Des autocollants de sécurité et des instructions bien visibles par l'utilisateur sont placés près de tous les endroits potentiellement dangereux. Remplacez tout autocollant endommagé ou manquant. |








































Note: Les côtés gauche et droit de la machine sont déterminés d'après la position d'utilisation normale.
Garez la machine sur une surface plane et horizontale, serrez le frein de stationnement, coupez le moteur et enlevez la clé.
Retirez les sangles et les renforts qui maintiennent les plateaux latéraux pour l'expédition.
Pièces nécessaires pour cette opération:
| Capot de plateau droit | 1 |
| Capot de plateau gauche | 1 |
| Courroie trapézoïdale | 2 |
Retirez les écrous qui fixent les boulons d'arrêt avant et arrière aux supports de plateau d'extrémité droit (Figure 3).

Soutenez le plateau d'extrémité droit et retirez les boulons d'arrêt avant et arrière des supports du plateau (Figure 3).
Note: N'enlevez pas les excentrique situés entre les supports du plateau.
Abaissez le plateau d'extrémité en position d'utilisation.
Placez les boulons d'arrêt avant et arrière dans les trous supérieurs et les excentriques (Figure 4).
Note: Le boulon d'arrêt doit s'engager dans la patte de l'axe de pivotement.

Installez les écrous de fixation des boulons d'arrêt.
Note: Ne serrez pas les écrous à ce stade.
Procédez de même pour le plateau d'extrémité gauche.
Montez les courroies des plateaux d'extrémité comme suit :
Commencez par chausser la courroie autour de la poulie d'axe du plateau d'extrémité et de la poulie d'axe du plateau avant (Figure 5).

À l'aide d'une clé à cliquet ou d'un outil similaire, éloignez la poulie de tension des autres poulies (Figure 5).
Acheminez la courroie autour de la poulie d'axe du plateau d'extrémité et de la poulie d'axe supérieure du plateau avant.
Relâchez la poulie de tension pour détendre la courroie.
Posez le capot du plateau d'extrémité et fixez-le en place avec l'attache en caoutchouc (Figure 6).
Note: Commencez toujours par glisser le capot sous les languettes du capot de plateau central avant, puis insérez-le sur les crochets et le montant de fixation.
Procédez de même pour l'autre plateau d'extrémité.

Contrôlez la pression des pneus des roues et des roues pivotantes avant d'utiliser la machine ; voir Contrôle de la pression des pneus et Contrôle de la pression des pneus des roues pivotantes.
Important: Tous les pneus doivent être gonflés à la pression correcte pour garantir de bons résultats et de bonnes performances. Veillez à toujours utiliser une pression de gonflage suffisante.
Important: La motricité, y compris l'antipatinage des pneus, dépend du rapport des dimensions entre les pneus avant et arrière. Utilisez exclusivement des pneus d'origine Toro.
Note: Effectuez cette procédure sur un sol plat et horizontal.
Voir Réglage de la hauteur de coupe.
Tournez la lame sur chaque axe extérieur pour la diriger dans le sens longitudinal.
Mesurez et notez la distance entre le sol et la pointe avant de la lame.
Ajoutez ou retirez des cales de 3 mm sur la ou les fourches des roues pivotantes avant pour obtenir la hauteur de coupe voulue.
Tournez les lames de 180°, puis mesurez la distance entre le sol et la pointe de la lame dirigée vers l'arrière.
Desserrez les écrous de blocage inférieurs sur l'étrier fileté de la chaîne de hauteur de coupe.
Ajustez les écrous pour lever ou abaisser l'arrière de l'unité de coupe et régler les pointes des lames arrière de 6 à 10 mm plus haut que les pointes avant.
Resserrez les écrous de blocage.
Tournez la lame sur chaque plateau d'extrémité dans le sens transversal.
Desserrez les boulons et écrous qui fixent les 2 entretoises excentriques aux plateaux d'extrémité (Figure 7).

Tournez l'excentrique avant jusqu'à obtention de la distance maximum par rapport à la surface intérieure de la fente du support de pivot du plateau d'extrémité.
Tournez l'excentrique arrière (le plus proche du groupe de déplacement) jusqu'à ce que la pointe de la lame extérieure soit plus haute d'environ 3 mm que la hauteur de coupe voulue (Figure 7).
Note: Un cran dans la partie hexagonale de l'excentrique est situé à 180° du bossage de la came excentrique (Figure 8). Utilisez les crans pour repérer l'emplacement des bossages lors du réglage des excentriques.

Serrez le boulon et l'écrou de cet excentrique à 149 N·m.
Ajustez l'excentrique avant jusqu'à ce qu'il touche juste la surface intérieure de la fente des supports de pivot du plateau d'extrémité.
Serrez le boulon et l'écrou de cet excentrique à 149 N·m.
Procédez de même pour l'autre plateau d'extrémité.
Contrôlez le niveau d'huile moteur avant le démarrage du moteur ; voir Contrôle du niveau d'huile moteur.
Contrôlez le niveau de liquide hydraulique avant de mettre le moteur en marche ; voir Contrôle du niveau de liquide hydraulique.
Contrôlez le système de refroidissement avant le démarrage du moteur ; voir Contrôle du système de refroidissement du moteur.
Graissez la machine avant de l'utiliser ; voir Graissage des roulements et bagues.
Important: Si vous ne graissez pas la machine correctement, des pannes prématurées de pièces importantes se produiront.
Pièces nécessaires pour cette opération:
| Autocollant de l'année de production | 1 |
Sur les machines devant satisfaire à la norme CE, apposez l'autocollant de l'année de production inclus dans les pièces détachées et le kit CE, vendu séparément (Figure 9).


Note: Les côtés gauche et droit de la machine sont déterminés d'après la position d'utilisation normale.

La pédale de déplacement commande le déplacement en marche avant et arrière. Appuyez sur le haut de la pédale pour avancer et sur le bas pour faire marche arrière. La vitesse de déplacement varie selon que la pédale est plus ou moins enfoncée. Pour vous déplacer à la vitesse maximale, appuyez à fond sur la pédale après avoir amené la commande d'accélérateur en position de RALENTI ACCéLéRé (Figure 11).
Pour immobiliser la machine, relâchez la pédale de déplacement et laissez-la revenir à la position centrale.
Deux manipulations de la commande de frein de stationnement sont nécessaires pour serrer le frein de stationnement. Tout en maintenant le petit verrou en arrière, appuyez sur l'avant de la commande pour serrer le frein de stationnement. Appuyez sur l'arrière de la commande pour desserrer le frein de stationnement (Figure 11).
Appuyez sur l'avant de l'interrupteur pour allumer les feux de détresse et sur l'arrière pour les éteindre (Figure 11).
Appuyez sur le côté gauche du commutateur des clignotants pour allumer le clignotant gauche et sur le côté droit pour allumer le clignotant droit (Figure 11).
Note: Les clignotants sont éteints quand le commutateur est à la position centrale.
Le commutateur à clé a 3 positions : ARRêT, CONTACT/PRéCHAUFFAGE et DéMARRAGE (Figure 11).
La commande de PDF a 2 positions : SORTIE (démarrage) et RENTRéE (arrêt). Tirez sur le bouton de PDF pour engager l'outil ou les lames des plateaux de coupe. Poussez sur le bouton pour désengager l'outil (Figure 11).
Appuyez sur l'avant du sélecteur pour sélectionner la GAMME HAUTE. Appuyez sur l'arrière du sélecteur pour sélectionner la GAMME BASSE. La machine doit être à l'arrêt ou se déplacer à moins de 1 km/h, pour sélectionner la gamme HAUTE ou BASSE (Figure 11).
La commande du régulateur de vitesse permet de programmer la vitesse de la machine.
Déplacez la commande à la position centrale pour ACTIVER le régulateur de vitesse. Appuyez sur la commande pour régler la vitesse. Appuyez sur l'arrière de la commande pour désactiver le régulateur de vitesse (Figure 11).
Note: Le mouvement de la pédale en marche arrière désengage le régulateur de vitesse.
Lorsque vous activez le régulateur de vitesse, vous pouvez modifier la vitesse programmée à partir de l'InfoCenter.
Ces commandes permettent de lever et d'abaisser les unités de coupe (Figure 11).
Poussez les commandes en avant pour abaisser l'unité de coupe et en arrière pour la lever.
Note: Les unités de coupe ne s'abaissent pas quand la GAMME HAUTE est sélectionnée, et ne lèvent ou ne s'abaissent pas si vous quittez le siège pendant que le moteur est en marche.
Note: La fonction de levage des plateaux de coupe est uniquement disponible lorsque le régime moteur est inférieur à 2000 tr/min. Vous ne pouvez lever qu'un seul plateau à la fois en dessous de 2 000 tr/min.
La commande d'accélérateur a 2 positions : RALENTI et RALENTI ACCéLéRé (Figure 11).
Appuyez sur l'avant de la commande pendant 2 secondes ou plus pour sélectionner le RALENTI ACCéLéRé ; appuyez sur l'arrière de la commande pendant 2 secondes ou plus pour sélectionner le RALENTI ; ou appuyez brièvement sur l'avant ou l'arrière de la commande pour augmenter ou réduire le régime moteur par paliers de 100 tr/min.
Poussez l'interrupteur vers le haut pour ALLUMER les feux (Figure 11).
Poussez l'interrupteur vers le bas pour éTEINDRE les feux.
Appuyez sur ce bouton pour actionner l'avertisseur sonore (Figure 11).
Déplacez le levier de réglage situé sur le côté du siège vers l'extérieur, faites coulisser le siège à la position voulue, puis relâchez le levier pour bloquer le siège en position (Figure 12).

Tournez le bouton pour régler l'angle de l'accoudoir (Figure 12).
Déplacez le levier pour ajuster l'angle du dossier (Figure 12).
La jauge de poids indique quand le siège est réglé pour le poids de l'utilisateur (Figure 12). Réglez la hauteur en plaçant la suspension dans la zone verte sur la jauge.
Ce levier permet d'effectuer le réglage correct pour le poids de l'utilisateur (Figure 12). Tirez sur le levier pour augmenter la pression d'air et abaissez-le pour réduire la pression d'air. Le réglage est correct lorsque la jauge de poids se trouve dans la zone verte.
Vous pouvez insérer le chargeur portable dans les ports USB pour charger un appareil personnel, tel une téléphone ou autre appareil électronique (Figure 11).
L'alarme est activée lorsqu'une anomalie est détectée.
L'alarme sonore retentit dans les cas suivants :
Lorsque le moteur envoie une anomalie d'arrêt.
Lorsque le moteur envoie une anomalie de contrôle du moteur.
Le niveau de carburant est bas.

La commande de recyclage de l'air permet de recycler l'air présent dans la cabine ou d'aspirer l'air extérieur dans la cabine (Figure 13)
Sélectionnez le recyclage de l'air quand vous utilisez la climatisation.
Sélectionnez l'apport d'air extérieur quand vous utilisez le chauffage ou le ventilateur.
Tournez la commande rotative pour réguler la vitesse du ventilateur (Figure 13).
Tournez la commande de température pour réguler la température dans la cabine (Figure 13).
Utilisez cette commande pour actionner ou arrêter l'essuie-glace (Figure 13).
Cet interrupteur permet d'activer et de désactiver la climatisation (Figure 13).
Soulevez les fermetures pour ouvrir le pare-brise (Figure 14). Appuyez dessus pour bloquer le pare-brise en position OUVERTE. Tirez puis abaissez la fermeture pour fermer et verrouiller le pare-brise.

Soulevez la fermeture pour ouvrir la vitre arrière. Appuyez dessus pour bloquer la vitre en position OUVERTE. Tirez puis abaissez la fermeture pour fermer et verrouiller la vitre (Figure 14).
Important: Fermez la vitre arrière avant d'ouvrir le capot, sinon vous risquez d'endommager la vitre ou le capot.
Note: Les spécifications et la conception peuvent faire l'objet de modifications sans préavis.

| Description | Référence de la Figure 15 | Dimensions ou poids | |
| Hauteur avec cabine | C | 240 cm | |
| Hauteur avec arceau de sécurité | I | 216 cm | |
| Longueur hors tout | F | 442 cm | |
| Longueur au remisage ou pour le transport | G | 434 cm | |
| Largeur de coupe | |||
| hors-tout | D | 488 cm | |
| unité de coupe avant | 234 cm | ||
| unité de coupe latérale | 145 cm | ||
| unité de coupe avant et une unité latérale | 361 cm | ||
| Largeur hors tout | |||
| unités de coupe abaissées | E | 506 cm | |
| unités de coupe levées (position de transport) | B | 251 cm | |
| Empattement | H | 194 cm | |
| Voie (entraxe) | |||
| avant | A | 159 cm | |
| arrière | J | 142 cm | |
| Garde au sol | 25,4 cm | ||
| Poids net avec la cabine | 3313 kg | ||
| Poids net avec l'arceau de sécurité | 3044 kg | ||
Une sélection d'outils et d'accessoires agréés par Toro est disponible pour augmenter et améliorer les capacités de la machine. Pour obtenir la liste de tous les outils et accessoires agréés, contactez votre concessionnaire-réparateur ou votre distributeur Toro agréé, ou rendez-vous sur www.Toro.com.
Pour garantir un rendement optimal et conserver la certification de sécurité de la machine, utilisez uniquement des pièces de rechange et accessoires d'origine Toro. Les pièces de rechange et accessoires provenant d'autres constructeurs peuvent être dangereux, et leur utilisation risque d'annuler la garantie de la machine.
Note: Les côtés gauche et droit de la machine sont déterminés d'après la position d'utilisation normale.
Ne confiez jamais l'utilisation ou l'entretien de la machine à des enfants ou à des personnes non qualifiées. La réglementation locale peut imposer un âge minimum pour les utilisateurs. Le propriétaire de la machine doit assurer la formation de tous les utilisateurs et mécaniciens.
Familiarisez-vous avec le maniement correct du matériel, les commandes et les symboles de sécurité.
Avant de quitter la position d'utilisation, coupez le moteur, enlevez la clé et attendez l'arrêt complet de tout mouvement. Laissez refroidir la machine avant de la régler, d'en faire l'entretien, de la nettoyer ou de la remiser.
Apprenez à arrêter la machine et le moteur rapidement.
Vérifiez toujours que les commandes de présence de l'utilisateur, les contacteurs de sécurité et les capots de protection sont en place et fonctionnent correctement. N'utilisez pas la machine s'ils ne fonctionnent pas correctement.
Avant de tondre, vérifiez toujours que les lames, les boulons de lame et les ensembles de coupe sont en bon état de marche. Remplacez les boulons et les lames usés ou endommagés par paires pour ne pas modifier l'équilibre.
Inspectez la zone de travail et débarrassez-la de tout objet pouvant être projeté par la machine.
Ce produit génère un champ électromagnétique. Si vous portez un dispositif médical électronique implantable, consultez votre professionnel de santé avant d'utiliser ce produit.
Faites preuve de la plus grande prudence quand vous manipulez du carburant, en raison de son inflammabilité et du risque d'explosion des vapeurs qu'il dégage.
Éteignez cigarettes, cigares, pipes et autres sources d'étincelles.
Utilisez exclusivement un bidon à carburant homologué.
N'enlevez pas le bouchon du réservoir de carburant et n'ajoutez pas de carburant pendant que le moteur tourne ou est encore chaud.
N'ajoutez pas de carburant et ne vidangez pas le réservoir dans un local fermé.
Ne rangez pas la machine ni les bidons de carburant à proximité d'une flamme nue, d'une source d'étincelles ou d'une veilleuse, telle celle d'un chauffe-eau ou autre appareil.
Si vous renversez du carburant, ne mettez pas le moteur en marche. Évitez toute source possible d'inflammation jusqu'à dissipation complète des vapeurs de carburant.
Avant de mettre le moteur en marche et d'utiliser la machine, vérifiez le niveau d'huile dans le carter moteur ; voir Contrôle du niveau d'huile moteur.
Avant de mettre le moteur en marche et d'utiliser la machine, vérifiez le système de refroidissement ; voir Contrôle du système de refroidissement du moteur.
Avant de mettre le moteur en marche et d'utiliser la machine, vérifiez le système hydraulique ; voir Contrôle du niveau de liquide hydraulique.
132 l
Important: Utilisez uniquement du gazole à ultra-faible teneur en soufre. Le carburant à teneur en soufre plus élevée dégrade le catalyseur d'oxydation diesel (DOC), ce qui engendre des problèmes de fonctionnement et raccourcit la vie utile des composants du moteur.Le moteur peut être endommagé si vous ne respectez pas les consignes qui suivent.
N'utilisez jamais de kérosène ou d'essence à la place du gazole,
Ne mélangez jamais de kérosène ou d'huile moteur usagée au gazole.
Ne conservez jamais le carburant dans des récipients dont l'intérieur est galvanisé.
N'utilisez pas d'additifs pour carburant.
Indice de cétane : 45 ou plus
Teneur en soufre : ultra-faible (<15 ppm)
| Spécifications du gazole | Lieu d'utilisation |
| ASTM D975 | États-Unis |
| Nº 1-D S15 | |
| Nº 2-D S15 | |
| EN 590 | Union européenne |
| ISO 8217 DMX | International |
| JIS K2204 Grade nº 2 | Japon |
| KSM-2610 | Corée |
Utilisez uniquement du gazole propre et frais ou des carburants au biodiesel.
Pour garantir la fraîcheur du carburant, n'achetez pas plus que la quantité normalement consommée en 6 mois.
Utilisez du gazole de qualité été (nº 2-D) si la température ambiante est supérieure à -7 °C et du gazole de qualité hiver (nº 1-D ou mélange nº 1-D/2-D) si la température ambiante est inférieure à -7 °C.
Note: L'usage de carburant de qualité hiver à basses températures réduit le point d'éclair et les caractéristiques d'écoulement à froid, ce qui facilite le démarrage et réduit le colmatage du filtre à carburant.L'usage de carburant de qualité été au-dessus de -7 °C contribue à prolonger la vie de la pompe à carburant et augmente la puissance comparé au carburant de qualité hiver.
Cette machine peut aussi utiliser un mélange carburant et biodiesel jusqu'à B20 (20 % biodiesel, 80 % pétrodiesel).
Teneur en soufre : ultra-faible (<15 ppm)
Spécifications du carburant au biodiesel : ASTM D6751 ou EN 14214
Spécifications du carburant mélangé : ASTM D975, EN 590 ou JIS K2204
Important: La partie pétrodiesel doit être à ultra-faible teneur en soufre.
Prenez les précautions suivantes :
Les mélanges au biodiesel peuvent endommager les surfaces peintes.
Utilisez du B5 (teneur en biodiesel de 5 %) ou un mélange de plus faible teneur par temps froid.
Examinez régulièrement les joints et flexibles en contact avec le carburant, car ils peuvent se détériorer avec le temps.
Le filtre à carburant peut se colmater pendant quelque temps après l'adoption de mélanges au biodiesel.
Pour plus de renseignements sur le biodiesel, contactez votre concessionnaire Toro agréé.
Garez la machine sur une surface plane et horizontale (Figure 16).
Coupez le moteur, enlevez la clé et serrez le frein de stationnement.
Nettoyez la surface autour du bouchon du réservoir de carburant et enlevez le bouchon.
Ajoutez du carburant et remettez en place le bouchon de réservoir de carburant. Essuyez le carburant éventuellement répandu.

| Périodicité d'entretien | Procédure d'entretien |
|---|---|
| À chaque utilisation ou une fois par jour |
|
La pression correcte est de 2,20 bar pour les pneus avant et de 2,07 bar pour les pneus arrière, comme montré à la Figure 17.
Important: Tous les pneus doivent être gonflés à la pression correcte pour garantir de bons résultats et de bonnes performances. Veillez à toujours utiliser une pression de gonflage suffisante.Contrôlez la pression de tous les pneus avant d'utiliser la machine.La motricité, y compris l'antipatinage des pneus, dépend du rapport des dimensions entre les pneus avant et arrière. Utilisez exclusivement des pneus d'origine Toro.

Les pneus doivent être gonflés à 3,40 bar.
Important: Tous les pneus doivent être gonflés à la pression correcte pour garantir de bons résultats et de bonnes performances. Veillez à toujours utiliser une pression de gonflage suffisante.Contrôlez la pression de tous les pneus avant d'utiliser la machine.
| Périodicité d'entretien | Procédure d'entretien |
|---|---|
| Après les 10 premières heures de fonctionnement |
|
| Toutes les 250 heures |
|
Un mauvais couple de serrage des écrous de roues peut entraîner une défaillance de la machine ou la perte d'une roue et provoquer des blessures graves.
Serrez les écrous des roues avant et arrière à un couple de 135 à 150 N·m en fonction du calendrier d'entretien.
Vous pouvez régler la hauteur de coupe de 25 à 153 mm par paliers de 13 mm. Pour régler la hauteur de coupe, placez les essieux des roues pivotantes dans les trous supérieur ou inférieur des fourches. Ajoutez ou enlevez ensuite un nombre égal d'entretoises sur les fourches et fixez la chaîne arrière (plateau avant uniquement) dans les trous requis.
Démarrez le moteur et levez les unités de coupe pour pouvoir changer la hauteur de coupe.
Coupez le moteur et enlevez la clé de contact après avoir levé l'unité de coupe.
Placez les essieux des roues pivotantes dans les mêmes trous sur toutes les fourches ; voir le tableau (Figure 18) pour déterminer les trous corrects pour le réglage.
Note: Pour prévenir l'accumulation d'herbe entre la roue et la fourche, utilisez la machine à la hauteur de coupe 76 mm ou à une hauteur supérieure et insérez le boulon d'essieu dans le trou inférieur de la fourche de la roue pivotante. Avec des hauteurs de coupe inférieures à 76 mm, si des dépôts d'herbe sont détectés, inversez le sens de marche de la machine pour décoller les déchets d'herbe de la roue et de la fourche.

Avec la clé fournie, desserrez le chapeau de tension et déposez-le de l'axe de pivot, puis sortez l'axe du bras de la roue pivotante (Figure 19).

Insérez le nombre correct d'entretoises approprié sur l'arbre pour obtenir la hauteur de coupe voulue.
Note: Pour déterminer les combinaisons d'entretoises requises pour les différentes hauteurs de coupe, reportez-vous au tableau (Figure 18).
Note: Vous pouvez utiliser n'importe quelle combinaison de cales au-dessus ou au-dessous du moyeu du bras de la roue pivotante (selon les besoins) pour obtenir la hauteur de coupe voulu ou mettre le plateau de niveau.
Poussez l'arbre dans le bras de la roue pivotante avant.
Installez les cales (comme à l'origine) et les entretoises restantes sur l'arbre (Figure 19).
Reposez le chapeau de tension et serrez-le avec la clé fournie pour fixer l'ensemble (Figure 19).
Enlevez la goupille fendue et l'axe de chape qui fixent les chaînes de hauteur de coupe à l'arrière de l'unité de coupe (Figure 20).

Montez les chaînes de hauteur de coupe dans le trou correspondant à la hauteur de coupe voulue à l'aide de l'axe de chape et de la goupille fendue 'Figure 21).
Note: Pour tondre à des hauteurs de coupe inférieures à 51 mm, montez les patins, les roues de jauge et les galets dans les trous les plus élevés.

Démarrez le moteur et levez les unités de coupe pour pouvoir changer la hauteur de coupe.
Coupez le moteur et enlevez la clé après avoir levé l'unité de coupe.
Placez les essieux des roues pivotantes dans les mêmes trous sur toutes les fourches ; voir le tableau pour déterminer les trous corrects pour la hauteur de coupe choisie (Figure 22).
Note: Pour prévenir l'accumulation d'herbe entre la roue et la fourche, utilisez la machine à la hauteur de coupe 76 mm ou à une hauteur supérieure et insérez le boulon d'essieu dans le trou inférieur de la fourche de la roue pivotante. Avec des hauteurs de coupe inférieures à 76 mm, si des dépôts d'herbe sont détectés, inversez le sens de marche de la machine pour décoller les déchets d'herbe de la roue et de la fourche.

Avec la clé fournie, desserrez le chapeau de tension et déposez-le de l'axe de pivot, puis sortez l'axe du bras de la roue pivotante (Figure 23).
Note: Vous pouvez utiliser n'importe quelle combinaison de cales au-dessus ou au-dessous du moyeu du bras de la roue pivotante (selon les besoins) pour obtenir la hauteur de coupe voulu ou mettre le plateau de niveau.

5. Placez 2 cales sur l'arbre comme à l'origine et insérez le nombre d'entretoises qui convient sur l'arbre pour obtenir la hauteur de coupe voulue.
Poussez l'arbre dans le bras de la roue pivotante.
Installez les cales (comme à l'origine) et les entretoises restantes sur l'arbre.
Reposez le chapeau de tension et serrez-le avec la clé fournie pour fixer l'ensemble.
Montez les patins intérieurs à la position la plus basse pour les hauteurs de coupe supérieures à 51 mm et à la position la plus haute pour les hauteurs de coupe inférieures à 51 mm.
Réglez les patins intérieurs (Figure 24).
Important: Serrez la vis à l'avant de chaque patin intérieur à un couple de 9 à 11 N·m.

Montez les patins extérieurs à la position la plus basse pour les hauteurs de coupe supérieures à 51 mm et à la position la plus haute pour les hauteurs de coupe inférieures à 51 mm.
Note: Lorsque les patins extérieurs sont usés, vous pouvez les retourner et les monter sur le côté opposé de la tondeuse. Cela permet d'utiliser les patins extérieurs plus longtemps avant d'être obligé de les remplacer.
Réglez les patins extérieurs (Figure 25).
Important: Serrez la vis à l'avant de chaque patin extérieur à un couple de 9 à 11 N·m.


Montez le galet à la position la plus basse pour les hauteurs de coupe supérieures à 51 mm et à la position la plus haute pour les hauteurs de coupe inférieures à 51 mm.
Pour tenir compte des variations de la surface de travail et du réglage de compensation du groupe de déplacement, faites un essai de tonte et vérifiez les résultats obtenus avant de commencer à tondre la surface totale.
Réglez toutes les unités de coupe à la hauteur voulue ; voir Réglage de la hauteur de coupe.
Vérifiez la pression des pneus avant et arrière, et corrigez-la au besoin.
Note: La pression correcte est de 2,20 bar pour les pneus avant et de 2,07 bar pour les pneus arrière.
Contrôlez la pression des pneus de toutes les roues pivotantes et corrigez-la à 3,40 bar au besoin.
Contrôlez les pressions de levage et de compensation lorsque le moteur tourne au RALENTI ACCÉLÉRÉ en vous servant des prises d'essai ; voir Contrôle des prises d'essai du système hydraulique.
Recherchez les lames faussées ; voir Détection des lames faussées.
Faites un essai pour vérifier que toutes les unités de coupe tondent à la même hauteur.
Si vous avez besoin de modifier la hauteur de coupe d'une unité, trouvez une surface plane et horizontale en vous aidant d'une règle de 2 m ou plus.
Pour mesurer le plan des lames plus facilement, sélectionnez la hauteur de coupe maximale ; voir Réglage de la hauteur de coupe.
Abaissez les unités de coupe sur une surface plane et retirez les couvercles au sommet des unités.
Tournez la lame sur chaque axe pour la diriger dans le sens longitudinal.
Pour l'axe de la lame extérieure uniquement, ajoutez ou retirez le même nombre de cales de 3 mm sur les fourches des roues pivotantes pour obtenir la hauteur de coupe voulue.
Mesurez et notez la distance entre le sol et la pointe de la lame.
Tournez la lame de 180° et mesurez la distance entre le sol et la pointe de la lame.
Note: L'arrière de la lame doit être plus haut que l'avant de 7,5 mm.
Note: Si un réglage est nécessaire, ajoutez ou retirez des cales de 3 mm sur les fourches des roues pivotantes arrière.
Tournez la lame transversalement sur l'axe extérieur des deux unités de coupe latérales.
Mesurez la distance entre le sol et la pointe du tranchant sur les deux unités de coupe et comparez les résultats.
Note: Ces valeurs ne doivent pas différer de plus de 3 mm. Ne procédez à aucun réglage à ce stade.
Tournez la lame transversalement sur l'axe intérieur de l'unité de coupe latérale et l'axe extérieur correspondant de l'unité de coupe avant.
Mesurez et comparez la distance entre le sol et la pointe du tranchant du bord intérieur de l'unité de coupe latérale, et la distance entre le sol et la pointe du tranchant du bord extérieur correspondant de l'unité de coupe avant.
Note: Les roues pivotantes des unités de coupe latérales ne doivent pas quitter le sol lorsque la compensation est appliquée.
Note: Si vous devez effectuer un réglage pour uniformiser la hauteur de coupe des unités avant et latérales, modifiez uniquement le réglage des unités de coupe latérales.
Si le bord intérieur de l'unité de coupe latérale est trop élevé par rapport au bord extérieur de l'unité de coupe avant, retirez une cale au bas du bras de la roue pivotante intérieure avant de l'unité de coupe latérale (Figure 28 et Figure 29).
Note: Vérifiez à nouveau la distance entre les bords extérieurs des deux unités de coupe latérales et la distance entre le bord intérieur de l'unité de coupe latérale et le bord extérieur de l'unité de coupe avant.


Si le bord intérieur est encore trop élevé, retirez une cale supplémentaire au bas du bras pivotant intérieur avant et une cale du bras pivotant extérieur avant de l'unité de coupe latérale (Figure 28 et Figure 29).
Si le bord intérieur de l'unité de coupe latérale est trop bas par rapport au bord extérieur de l'unité de coupe avant, ajoutez 1 cale (3 mm) au bas du bras pivotant intérieur avant de l'unité de coupe latérale (Figure 28 et Figure 29).
Note: Vérifiez à nouveau la distance entre les bords extérieurs des deux unités de coupe latérales et la distance entre le bord intérieur de l'unité de coupe latérale et le bord extérieur de l'unité de coupe avant.
Si le bord intérieur est encore trop bas, ajoutez encore une cale au bas du bras de la roue pivotante intérieure avant et une cale sur le bras de la roue pivotante extérieure avant de l'unité de coupe latérale.
Lorsque les hauteurs de coupe sont égales aux bords des unités de coupe latérales et avant, vérifiez que l'inclinaison des unités de coupe latérales est toujours de 7,6 mm.
Asseyez-vous sur le siège et réglez le rétroviseur afin d'obtenir une vue optimale par la vitre arrière. Tirez le levier en arrière pour incliner le rétroviseur et ne plus être ébloui par les phares d'autres véhicules (Figure 30).

Asseyez-vous sur le siège et demandez à une autre personne de régler les rétroviseurs extérieurs afin d'obtenir une vue optimale sur les côtés de la machine (Figure 30).
Desserrez les écrous de fixation et positionnez chaque phare de sorte à diriger le faisceau droit devant.
Note: Serrez l'écrou de fixation juste suffisamment pour maintenir le phare dans cette position.
Placez un morceau de tôle sur la face du phare.
Montez un rapporteur magnétique sur la tôle.
Tout en maintenant l'ensemble en place, inclinez délicatement le phare de 3 degrés vers le bas, puis serrez l'écrou.
Procédez de même pour l'autre phare.
Si les contacteurs de sécurité sont déconnectés ou endommagés, la machine peut se mettre en marche inopinément et causer des blessures.
Ne modifiez pas et ne désactivez pas les systèmes de sécurité.
Vérifiez chaque jour le fonctionnement des contacteurs de sécurité et remplacez ceux qui sont endommagés avant d'utiliser la machine.
Le système de sécurité de la machine est conçu pour désactiver la transmission si vous quittez le siège de la machine alors que la pédale de déplacement est à la position NEUTRE. L'entraînement des plateaux se désengage également dans ce cas. Vous pouvez cependant quitter le siège en laissant le moteur en marche si la pédale de déplacement est à la position NEUTRE.
Conduisez la machine lentement jusqu'à une grande surface dégagée.
Abaissez la ou les unités de coupe au sol, coupez le moteur et serrez le frein de stationnement.
Sortez la pédale de déplacement de la position NEUTRE et démarrez le moteur.
Note: Le moteur ne doit pas démarrer. S'il démarre, cela signifie que le système de sécurité est défaillant ; vous devez alors le réparer avant d'utiliser la machine.
Enlevez le pied de la pédale de déplacement, démarrez le moteur et serrez le frein de stationnement.
Pendant que le moteur tourne, sortez la pédale de déplacement de la position NEUTRE.
Note: La transmission aux roues ne doit pas fonctionner. Si elle fonctionne, cela signifie que le système de sécurité est défaillant ; vous devez alors le réparer avant de remettre la machine en service.
Démarrez le moteur.
Lorsque le moteur tourne, soulevez-vous du siège et engagez la PDF.
Note: La PDF ne doit pas s'engager. Si elle s'engage, cela signifie que le système de sécurité est défaillant ; vous devez alors le réparer avant de remettre la machine en service.
Asseyez-vous sur le siège et désengagez la PDF.
Lorsque le moteur tourne, engagez la PDF et soulevez-vous du siège.
Note: L'entraînement de la PDF doit se désengager au bout d'une seconde. Si elle s'engage, cela signifie que le système de sécurité est défaillant ; vous devez alors le réparer avant de remettre la machine en service.
Asseyez-vous sur le siège, désengagez la PDF et démarrez le moteur.
Lorsque le moteur tourne, engagez la PDF et levez chacune des unités de coupe tour à tour.
Note: Les lames de l'unité de coupe qui est levée doivent s'arrêter. Si les lames continuent de tourner, cela signifie que le système de sécurité est défaillant ; vous devez alors le réparer avant de remettre la machine en service.
| Périodicité d'entretien | Procédure d'entretien |
|---|---|
| À chaque utilisation ou une fois par jour |
|
Les lames doivent s'arrêter complètement de tourner environ 5 secondes après l'actionnement de la commande d'engagement du plateau de coupe.
Note: Abaissez les plateaux de coupe sur une pelouse ou une surface dure propre pour éviter de projeter de la poussière et des débris. Pour vérifier le temps d'arrêt, demandez à une autre personne de se tenir à au moins 6 m de distance des plateaux de coupe et d'observer les lames de l'une des unités de coupe. Arrêtez les unités de coupe et notez le temps mis par les lames pour s'arrêter complètement. Si ce temps est supérieur à 7 secondes, réglez la vanne de freinage. Contactez votre concessionnaire Toro agréé pour effectuer ce réglage.
Le propriétaire/l'utilisateur est responsable des accidents pouvant entraîner des dommages corporels ou matériels et peut les prévenir.
Portez une tenue adaptée, y compris une protection oculaire, un pantalon, des chaussures solides à semelle antidérapante et des protecteurs d'oreilles. Si vos cheveux sont longs, attachez-les et ne portez pas de vêtements amples ni de bijoux pendants. Portez un masque antipoussière si l'atmosphère est poussiéreuse.
N'utilisez pas la machine si vous êtes fatigué(e), malade ou sous l'emprise de l'alcool, de médicaments ou de drogues.
Accordez toute votre attention à l'utilisation de la machine. Ne faites rien d’autre qui puisse vous distraire, au risque de causer des dommages corporels ou matériels.
Avant de mettre le moteur en marche, assurez-vous que tous les embrayages sont au point mort, que le frein de stationnement est serré et que vous êtes au poste d'utilisation.
Ne transportez pas de passagers sur la machine et tenez tout le monde, y compris les enfants, à l'écart de la zone de travail.
N'utilisez la machine que si la visibilité est bonne pour éviter les trous ou autres dangers cachés.
Ne tondez pas l'herbe humide. La perte de motricité peut faire déraper la machine.
N'approchez jamais les mains ou les pieds des pièces rotatives. Ne vous tenez pas devant l'ouverture d'éjection.
Avant de faire marche arrière, vérifiez que la voie est libre juste derrière la machine et sur sa trajectoire.
Soyez prudent à l'approche de tournants sans visibilité, de buissons, d'arbres ou d'autres objets susceptibles de vous masquer la vue.
Arrêtez les lames quand vous ne tondez pas.
Arrêtez la machine, enlevez la clé et attendez l'arrêt complet de toutes les pièces mobiles avant d'examiner l'outil si vous heurtez un obstacle ou si la machine vibre de manière inhabituelle. Effectuez toutes les réparations nécessaires avant de réutiliser la machine.
Ralentissez et faites preuve de prudence quand vous changez de direction, ainsi que pour traverser des routes et des trottoirs avec la machine. Cédez toujours le passage.
Débrayez l'unité de coupe, coupez le moteur, enlevez la clé et attendez l'arrêt complet de tout mouvement avant de régler la hauteur de coupe (à moins de pouvoir le faire depuis le poste de conduite).
Ne faites tourner le moteur que dans des lieux bien aérés. Les gaz d'échappement contiennent du monoxyde de carbone, qui est mortel en cas d'inhalation.
Ne laissez jamais la machine en marche sans surveillance.
Avant de quitter la position d'utilisation, effectuez la procédure suivante :
Garez la machine sur une surface plane et horizontale.
Désengagez la prise de force et abaissez les outils.
Serrez le frein de stationnement.
Coupez le moteur et retirez la clé.
Attendez l'arrêt complet de tout mouvement.
Utilisez la machine uniquement quand la visibilité est bonne. N'utilisez pas la machine s'il y a risque d'orage.
N'utilisez pas la machine comme véhicule de remorquage.
Utilisez uniquement les accessoires, outils et pièces de rechange agréés par Toro.
Utilisez le régulateur de vitesse (selon l'équipement) uniquement sur les surfaces dégagées, planes et sans obstacles où la machine peut rouler à vitesse constante sans interruption.
Le système ROPS est un dispositif de sécurité intégré et efficace.
Ne retirez aucun des composants du système ROPS de la machine.
Vérifiez que la ceinture de sécurité est bien fixée sur la machine.
Tirez la sangle de la ceinture en travers de votre bassin et accrochez la boucle de l'autre côté du siège.
Pour détacher la ceinture de sécurité, tenez la sangle, appuyez sur le bouton de la boucle et guidez la ceinture dans l'ouverture de l'enrouleur automatique. Apprenez à détacher rapidement la ceinture de sécurité en cas d'urgence.
Vérifiez soigneusement où se trouvent les obstacles en hauteur et ne les touchez pas.
Maintenez le système ROPS en bon état en vérifiant minutieusement et régulièrement s'il est endommagé et en maintenant toutes les fixations bien serrées.
Remplacez les composants endommagés du système ROPS. Ne les réparez pas et ne les modifiez pas.
Une cabine montée par Toro constitue un arceau de sécurité.
Attachez toujours la ceinture de sécurité.
Les pentes augmentent significativement les risques de perte de contrôle et de retournement de la machine pouvant entraîner des accidents graves, voire mortels. Vous êtes responsable de la sécurité d'utilisation de la machine sur les pentes. L'utilisation de la machine sur une pente, quelle qu'elle soit, demande une attention particulière.
Vous devez évaluer l'état du terrain, l'étudier et le baliser pour déterminer si la pente permet d'utiliser la machine sans risque. Faites toujours preuve de bon sens et de discernement quand vous réalisez cette étude.
Lisez les instructions ci-dessous relatives à l'utilisation de la machine sur les pentes et examinez votre environnement afin de déterminer si les conditions d'utilisation existantes et le site se prêtent à l'utilisation de la machine. Les variations de terrain peuvent modifier le fonctionnement de la machine sur les pentes.
Évitez de démarrer, de vous arrêter ou de tourner sur les pentes. Évitez de changer soudainement de vitesse ou de direction. Tournez lentement et graduellement.
N'utilisez pas la machine si l'adhérence, la direction ou la stabilité peuvent être compromises.
Enlevez ou balisez les obstacles tels que fossés, trous, ornières, bosses, rochers ou autres dangers cachés. L'herbe haute peut masquer les accidents du terrain. Les irrégularités du terrain peuvent provoquer le retournement de la machine.
Tenez compte du fait qu'une perte de l'adhérence peut se produire sur l'herbe humide, en travers des pentes ou dans les descentes. La perte d'adhérence des roues motrices peut faire patiner la machine et entraîner la perte du freinage et de la direction.
Faites preuve de la plus grande prudence lorsque vous utilisez la machine près de fortes dénivellations, de fossés, de berges, d'étendues d'eau ou autres dangers. La machine pourrait se retourner brusquement si une roue passe par-dessus une dénivellation quelconque et se retrouve dans le vide, ou si un bord s'effondre. Établissez une zone de sécurité entre la machine et tout danger potentiel.
Identifiez les dangers potentiels depuis le bas de la pente. Si vous constatez la présence de dangers, tondez la pente avec une machine à conducteur marchant.
Dans la mesure du possible, gardez la ou les unités de coupe abaissées au sol quand vous utilisez la machine sur des pentes. La machine peut devenir instable si vous levez la ou les unités de coupe pendant son déplacement sur une pente.
Redoublez de prudence quand la machine est équipée de systèmes de ramassage ou d'autres outils. Ils peuvent modifier la stabilité et entraîner la perte du contrôle de la machine.
Vérifiez que le frein de stationnement est serré.
Enlevez le pied de la pédale de déplacement et vérifiez qu'elle revient à la position NEUTRE.
Tournez la clé en position CONTACT.
Quand le témoin s'éteint, tournez la clé en position DéMARRAGE.
Relâchez la clé dès que le moteur démarre et laissez-la revenir en position CONTACT.
Laissez chauffer le moteur au ralenti (sans charge) pendant 3 à 5 minutes, puis actionnez la commande d'accélérateur pour obtenir le régime moteur voulu.
Important: N'actionnez pas le démarreur pendant plus de 30 secondes de suite pour éviter une panne prématurée. Si le moteur refuse de démarrer après 30 secondes, tournez la clé en position ARRêT, vérifiez les commandes et les procédures, patientez 2 minutes et répétez la procédure de démarrage.
Note: Lorsque la température de du liquide hydraulique est inférieure à 4 °C, la machine fonctionne en mode réchauffement ; cela limite le régime moteur à 1650 tr/min et interdit le fonctionnement de la transmission dans la gamme haute. Lorsque la température du liquide atteint 4 °C, le mode réchauffement est désactivé.
Placez la commande d'accélérateur en position de RALENTI.
Placez la commande de PDF en position DéSENGAGéE.
Serrez le frein de stationnement.
Tournez la clé de contact à la position ARRêT.
Enlevez la clé du commutateur pour éviter tout démarrage accidentel.
Important: Laissez tourner le moteur au ralenti pendant 5 minutes avant de l'arrêter s'il vient de fonctionner à pleine charge. Vous éviterez ainsi d'endommager le turbocompresseur.
Asseyez-vous sur le siège et mettez le moteur en marche.
Note: Chaque fois que vous utilisez la machine à moins de 2 000 tr/min (par ex. lorsque le moteur tourne au ralenti ou quand vous transportez la machine dans ou hors d'un bâtiment), vous ne pouvez pas lever toutes les unités de coupe en même temps. Vous ne pouvez lever qu'une seule unité de coupe à la fois.
Appuyez sur l'arrière des commandes pour lever les plateaux.
En tenant la poignée, décrochez les verrous qui maintiennent les plateaux en position levée.
Asseyez-vous sur le siège et tournez la clé en position CONTACT (Figure 31).

Appuyez sur l'avant des commandes pour abaisser les plateaux.
Le filtre à particules diesel (FAP) élimine la suie dans les gaz d'échappement
Le processus de régénération du FAP utilise la chaleur des gaz d'échappement du moteur qui est accrue par le catalyseur pour réduire la quantité de suie produite en cendre.
Pour maintenir le FAP propre, vous devez :
Faire tourner le moteur à plein régime lorsque cela est possible afin de favoriser le nettoyage automatique du FAP.
Utiliser l'huile moteur correcte.
Minimiser la durée de fonctionnement du moteur au ralenti.
Utilisez du gazole à très faible teneur en soufre.
Utilisez et faites l'entretien de votre machine en gardant à l'esprit le rôle du FAP. Le moteur soumis à une charge produit généralement une température des gaz d'échappement adéquate pour la régénération du FAP.
Important: Minimisez la durée de fonctionnement du moteur au ralenti pour aider à réduire l'accumulation de suie dans le FAP.
La température des gaz d'échappement est élevée (approximativement 600 °C pendant la régénération du FAP. Les gaz d'échappement chauds peuvent vous brûler ou brûler d'autres personnes.
Ne faites pas tourner le moteur dans un local fermé.
Assurez-vous qu'aucun matériau inflammable ne se trouve à proximité du système d'échappement.
Assurez-vous que les gaz d'échappement chauds ne sont pas en contact avec des surfaces qui pourraient être endommagées par la chaleur.
Ne touchez pas les composants du système d'échappement quand il est chaud.
Ne vous tenez pas tout près du tuyau d'échappement de la machine.
| Icône | Définition |
![]() | • Icône de régénération en stationnement ou d'urgence – régénération nécessaire. |
| • Effectuer immédiatement la régénération. | |
![]() | • Une régénération est confirmée et la demande est en cours de traitement. |
![]() | • Une régénération est en cours et la température des gaz d'échappement est élevée. |
![]() | • Défaillance du système de détection de NOx ; un entretien de la machine est nécessaire. |
| Type de régénération | Conditions de régénération du FAP | Description du fonctionnement du FAP |
|---|---|---|
| Passive | Se produit pendant le fonctionnement normal de la machine à haut régime moteur ou haute charge du moteur. | • L'InfoCenter n'affiche pas d'icône pour indiquer la régénération passive. |
| • Durant la régénération passive, le FAP traite les gaz d'échappement à haute température, en oxydant les émissions nocives et en brûlant la suie en cendre. | ||
| Assistée | Se produit car le régime moteur est bas, la charge du moteur est basse ou parce que le calculateur a détecté que le FAP est colmaté par de la suie. | • L'InfoCenter n'affiche pas d'icône pour indiquer la régénération assistée. |
| • Durant la régénération assistée, le calculateur moteur ajuste les réglages du moteur pour augmenter la température d'échappement. | ||
| Commandée | Se produit toutes les 100 heures | • Quand l'icône de haute température
des gaz d'échappement est affiché dans l'InfoCenter, une
régénération est en cours. |
| Se produit également si le fonctionnement normal du moteur excède l'accumulation de suie autorisée dans le filtre. | ||
| • Pendant la régénération commandée, le calculateur moteur maintient un régime moteur élevé pour assurer la régénération du filtre. |
| Type de régénération | Conditions de régénération du FAP | Description du fonctionnement du FAP |
|---|---|---|
| En stationnement | Se produit parce que le calculateur détermine que le nettoyage automatique du FAP a été insuffisant. | • Quand l'icône de
régénération commandée-de secours/en stationnement
ou d'urgence s'affiche, une régénération
est demandée. |
| Se produit également quand vous lancez une une régénération en stationnement. | ||
| Peut se produire lorsque l'interdiction de régénération a été déclenchée et a désactivé le nettoyage automatique du FAP. | • Effectuez une régénération en stationnement aussitôt que possible pour ne pas avoir à effectuer une régénération d'urgence. | |
| Peut se produire si vous avez utilisé le mauvais type de carburant ou d'huile moteur. | • L'exécution d'une régénération en stationnement demande 30 à 60 minutes. | |
| • Le réservoir de carburant doit être au moins au quart plein. | ||
| • Vous devez garer la machine pour effectuer une régénération en stationnement. | ||
| D'urgence | Se produit lorsque vous avez ignoré une demande de régénération en stationnement, ce qui a entraîné un grave colmatage du FAP. | • Quand l'icône de régénération
commandée-de secours/en stationnement ou d'urgence s'affiche, une régénération
d'urgence est demandée. |
| • L'exécution d'une régénération d'urgence peut demander jusqu'à 3 heures. | ||
| • Le réservoir de carburant doit être au moins à moitié plein. | ||
| • Vous devez garer la machine pour effectuer la régénération d'urgence. |
Dans le MENU PRINCIPAL, naviguez jusqu'à l'option ENTRETIEN et appuyez sur le bouton de sélection.
Dans le menu ENTRETIEN, naviguez jusqu'à l'option DPF REGENERATION et appuyez sur le bouton de sélection.
Sélectionnez la fonction de régénération qui vous intéresse.

Ouvrez le menu DPF REGENERATION (régénération du FAP) et naviguez jusqu'à l'option LAST REGEN (dernière régénération).
Sélectionnez le champ LAST REGEN (dernière régénération).
Dans le champ LAST REGEN, entrez le nombre d'heures de fonctionnement du moteur depuis la dernière régénération commandée, en stationnement ou d'urgence.
Sélectionnez le bouton de retour en arrière pour revenir à l'écran DPF REGENERATION.

Une régénération commandée augmente la température des gaz d'échappement. Si vous travaillez près d'arbres, de broussailles, d'herbe haute ou autres plantes ou matériaux sensibles aux changements de température, vous pouvez utiliser l'option INHIBIT REGEN (interdiction de régénération) pour empêcher le calculateur moteur d'exécuter une régénération commandée.
Note: L'option INHIBIT REGEN est toujours utilisée si vous effectuez l'entretien de la machine dans un local fermé.
Note: Si vous programmez l'InfoCenter pour interdire la régénération, il affiche un avis toutes les 15 minutes tandis que le moteur demande une régénération commandée.
Important: Quand vous coupez puis redémarrez le moteur, l'option Inhibit Regen passe par défaut à OFF (désactivée).
Ouvrez le menu DPF REGENERATION (régénération du FAP) et naviguez jusqu'à l'option INHIBIT REGEN (interdiction de régénération).
Sélectionnez le champ INHIBIT REGEN (interdiction de régénération).
Changez le champ Inhibit Regen de OFF (désactivé) à ON (activé).
Assurez-que le réservoir de carburant de la machine contient suffisamment de carburant pour le type de régénération que vous allez effectuer :
Régénération en stationnement : vérifiez que le réservoir de carburant est au quart plein avant de procéder à la régénération en stationnement.
Régénération d'urgence : vérifiez que le réservoir de carburant est à moitié plein avant de procéder à la régénération d'urgence.
Conduisez la machine à l'extérieur à bonne distance des matériaux ou objets combustibles qui pourraient être endommagés par la chaleur.
Garez la machine sur une surface plane et horizontale, placez toutes les commandes en position POINT MORT, désengagez la PDF et abaissez les unités de coupe.
Serrez le frein de stationnement et attendez que le moteur atteigne le régime de ralenti.
Quand le calculateur moteur demande une régénération en stationnement, les indications des messages affichés sur l'InfoCenter.
Important: L'ordinateur de la machine annule la régénération du FAP si vous augmentez le régime moteur à partir du ralenti ou si vous desserrez le frein de stationnement.
Ouvrez le menu DPF REGENERATION et naviguez jusqu'à l'option PARKED REGEN (régénération en stationnement) ou RECOVERY REGEN (régénération d'urgence).
Sélectionnez l'option PARKED REGEN ou RECOVERY REGEN.
Note: Pour pouvoir lancer une régénération d'urgence, vous devez saisir le code PIN correct.
Sur l'écran REGEN PARAMETERS (paramètres de régén.), assurez-vous que le réservoir est au quart plein pour une régénération en stationnement ou à moitié plein pour une régénération d'urgence. Vérifiez que le frein de stationnement est serré et que le moteur tourne au ralenti. Appuyez sur le bouton de sélection pour continuer.
Sur l'écran INITIATE DPF REGEN (lancer régén. du FAP), sélectionnez le bouton Suivant pour continuer.
L'InfoCenter affiche le message INITIATE DPF REGEN (lancer régén. du FAP).
Note: Si nécessaire, appuyez sur l'icône d'annulation pour annuler le processus de régénération.
L'InfoCenter affiche un message indiquant la durée de la régénération.
L'InfoCenter affiche l'écran d'accueil
et l'icône de confirmation de régénération
s'affiche
.
Note: Pendant l'exécution de la régénération
du FAP, l'InfoCenter affiche l'icône de haute température
des gaz d'échappement
.
Quand le calculateur moteur achève une régénération en stationnement ou d'urgence, un avis s'affiche sur l'InfoCenter. Appuyez sur un bouton pour retourner à l'écran d'accueil.
Note: Si la régénération échoue, suivez l'avis affiché et appuyez sur n'importe quel bouton pour retourner à l'écran d'accueil.
Utilisez l'option PARKED REGEN CANCEL (annulation de régén. en stationnement) ou RECOVERY REGEN CANCEL (annulation de régén. d'urgence) pour annuler une régénération en stationnement ou d'urgence en cours d'exécution.
Ouvrez le menu DPF REGENERATION et naviguez jusqu'à l'option PARKED REGEN (régénération en stationnement) ou RECOVERY REGEN (régénération d'urgence).
Appuyez sur le bouton de sélection pour annuler une régénération en stationnement ou d'urgence.

Entraînez-vous à conduire la machine, car elle est équipée d'une transmission hydrostatique et possède des caractéristiques qui peuvent différer de celles de nombreuses machines d'entretien des pelouses.
Avec la fonction Smart Power™ de Toro, vous n'avez pas besoin d'écouter le régime moteur lorsque les conditions sont difficiles. L'option Smart Power empêche la machine de s'enliser quand les conditions de coupe sont difficiles en régulant automatiquement la vitesse de la machine et en optimisant les performances de coupe.
Si la fonction Smart Power™ est désactivée, vous devez réguler l'enfoncement de la pédale de déplacement afin de maintenir un régime moteur élevé et constant. Cela permet de maintenir une puissance suffisante pour le groupe de déplacement et l'accessoire pendant l'utilisation. Réduisez la vitesse de déplacement lorsque la charge sur l'accessoire augmente et augmentez-la lorsque la charge diminue.
Relâchez la pédale de déplacement à mesure que le régime moteur diminue et enfoncez lentement la pédale à mesure qu'il augmente. Par comparaison, lorsque vous vous rendez d'une zone de travail à l'autre à vide et avec le plateau de coupe relevé, placez la commande d'accélérateur à la position haut régime et appuyez lentement mais à fond sur la pédale de déplacement pour vous déplacer à la vitesse maximale.
Avant d'arrêter le moteur, débrayez toutes les commandes et réduisez le régime moteur au RALENTI (1 000 tr/min). Tournez la clé de contact en position ARRêT pour couper le moteur.
Avant de transporter la machine, levez les unités de coupe et serrez les verrous de transport de l'unité latérale (Figure 35).

Cette machine est conçue avec 2 systèmes électriques : 12 V et 24 V.
Le système de 12 V alimente toutes les fonctions de la machine, sauf les ventilateurs de refroidissement du moteur et les ventilateurs de refroidissement hydrauliques. Les 2 grandes batteries de 12 V dans l'angle arrière droit de la machine sont connectées en parallèle pour fournir une tension nominale de 12 V. L'alternateur 12 V du moteur charge ces batteries.
Le système de 24 V alimente les ventilateurs de refroidissement du moteur et les ventilateurs de refroidissement hydraulique. Les 2 petites batteries de 12 V dans l'angle arrière gauche de la machine sont connectées en série pour fournir une tension nominale de 24 V. L'alternateur 24 V charge ces batteries.
Le coupe-batterie est situé sur le côté arrière droit de la machine. Cet interrupteur permet de couper l'alimentation fournie par les batteries pendant les procédures d'entretien ou les révisions.
La vitesse du ventilateur hydraulique est régulée par la température du liquide hydraulique. La vitesse du ventilateur de radiateur est régulée par la température du liquide de refroidissement. Un cycle en sens inverse est automatiquement déclenché pour les deux ventilateurs quand la température du liquide de refroidissement ou du liquide hydraulique atteint un certain point. Cette inversion permet de souffler les débris présents sur les grilles et de diminuer les températures de l'huile moteur et du liquide hydraulique (Figure 36). En outre, les ventilateurs de radiateur effectuent un cycle en sens inverse toutes les 21 minutes quelle que soit la température du liquide de refroidissement.

Démarrez le moteur et laissez-le tourner à la MOITIé DU RéGIME DE RALENTI jusqu'à ce qu'il soit réchauffé. Placez la commande d'accélérateur en position RALENTI ACCéLéRé, levez les unités de coupe, desserrez le frein de stationnement, appuyez sur la pédale de déplacement en marche avant et rendez-vous avec prudence jusqu'à un endroit dégagé.
Entraînez-vous à conduire en marche avant et en marche arrière, ainsi qu'à démarrer et à arrêter la machine. Pour arrêter la machine, relâchez la pédale de déplacement et laissez-la revenir en position NEUTRE ou appuyez sur la pédale de marche arrière.
Note: Dans les descentes, vous aurez peut-être besoin de vous servir de la pédale de marche arrière pour arrêter la machine.
Entraînez-vous à contourner des obstacles avec les unités de coupe levées et abaissées. Lorsque vous devez passer entre des obstacles rapprochés, prenez garde de ne pas endommager la machine ou les unités de coupe.
Conduisez toujours à vitesse réduite sur les terrains accidentés.
Si vous rencontrez un obstacle, déportez des unités de coupe pour tondre autour.
Lorsque vous vous rendez d'une zone de travail à l'autre, désactivez la PDF, levez complètement les unités de coupe, poussez le sélecteur de tonte/transport à la position TRANSPORT, engagez les verrous de transport et placez la commande d'accélérateur en position HAUT RéGIME.
Changez la direction de tonte pour minimiser les problèmes de finition causés en tondant toujours dans la même direction.
Le système de compensation maintient la contrepression hydraulique sur les vérins de levage des unités de coupe. Cette pression améliore la traction en transférant le poids e l'unité de coupe aux roues motrices. La pression de compensation est réglée en usine pour assurer un équilibre optimal entre la finition et la motricité dans la plupart des cas.
La réduction du réglage de la compensation peut augmenter la stabilité de l'unité de coupe mais réduire la motricité. L'augmentation du réglage de la compensation peut accroître la motricité mais compromettre la qualité de la finition. Reportez-vous au manuel d'entretien de votre groupe de déplacement pour savoir comment régler la pression de compensation.
Reportez-vous au Guide de dépannage des problèmes de finition disponible sur www.Toro.com.
Pour commencer à travailler, engagez les unités de coupe, puis approchez-vous lentement de la zone de travail.
Pour obtenir la coupe professionnelle avec des bandes droites apparentes recherchées pour certaines applications, choisissez un arbre ou autre objet éloigné et dirigez-vous droit dessus.
Dès que les unités avant arrivent au bout de la zone de travail, exécutez un demi-tour en « goutte d'eau » pour aligner rapidement la machine pour la passe suivante.
Des déflecteurs à boulonner en place sont disponibles pour les unités de coupe : Les déflecteurs de mulching sont utiles quand vous tondez le gazon régulièrement afin de n'avoir pas à couper plus de 25 mm d'herbe à chaque fois. Si vous tondez lorsque l'herbe est trop haute et que les déflecteurs de mulching sont en place, l'aspect du gazon une fois coupé peut se détériorer et la puissance nécessaire la tonte augmente. Les déflecteurs sont aussi utiles pour déchiqueter les feuilles à l'automne.
Tondez l'herbe sur approximativement le tiers de sa hauteur. Si l'herbe est extrêmement drue et fournie, il peut être préférable de choisir la hauteur de coupe supérieure (Figure 37).

L'inclinaison du plateau de coupe est représentée par la différence qui existe entre la hauteur de coupe à l'avant et à l'arrière du plan de lame. Inclinez la lame d'environ 7,6 mm. Une inclinaison supérieure à 7,6 mm exige moins de puissance, coupe l'herbe plus grossièrement et donne des résultats médiocres. Une inclinaison inférieure à 7,6 mm exige plus de puissance, coupe l'herbe plus finement et donne de meilleurs résultats.
Pour limiter le réchauffement par le soleil, garez la machine à l'ombre ou laissez les portes ouvertes si elle est au soleil.
Vérifiez la propreté du filtre du climatiseur.
Vérifiez la propreté des ailettes du condenseur de climatisation.
Faites fonctionner le ventilateur de climatisation à mi-puissance.
Vérifiez que le joint est continu entre le toit et la garniture de pavillon, et corrigez-le au besoin.
Mesurez la température de l'air au niveau de l'aérateur central avant dans la garniture de pavillon. Elle se stabilise généralement à 10 ºC ou en dessous.
Pour plus de renseignements, reportez-vous au manuel d'entretien.
Avant de quitter la position d'utilisation, coupez le moteur, enlevez la clé et attendez l'arrêt complet de tout mouvement. Laissez refroidir la machine avant de la régler, d'en faire l'entretien, de la nettoyer ou de la remiser.
Pour éviter les risques d'incendie, enlevez les débris d'herbe coupée et autres agglomérés sur les unités de coupe, les dispositifs d'entraînement, les silencieux, les grilles de refroidissement et le compartiment moteur. Nettoyez les coulées éventuelles d'huile ou de carburant.
Si les unités de coupe sont en position de transport, utilisez le système de blocage mécanique positif (le cas échéant) avant de laisser la machine sans surveillance.
Laissez refroidir le moteur avant de ranger la machine dans un local fermé.
Enlevez la clé et fermez l'arrivée de carburant (selon l'équipement) avant de remiser ou de transporter la machine.
Ne remisez jamais la machine ou les bidons de carburant à proximité d'une flamme nue, d'une source d'étincelles ou d'une veilleuse, telle celle d'un chauffe-eau ou d'autres appareils.
Révisez et nettoyez la ou les ceintures de sécurité au besoin.
Note: Cette alarme permet d'éviter que la batterie se décharge.
L'alarme sonore retentit dans les cas suivants :
Le moteur est coupé.
La clé est en position Contact.
Le siège est inoccupé.
Important: Ne poussez pas et ne remorquez pas la machine à plus de 3 à 4,8 km/h, au risque d'endommager les organes internes de la transmission.Les vannes de dérivation doivent être ouvertes chaque fois que vous poussez ou remorquez la machine.
Soulevez le capot et localisez les vannes de dérivation sur la pompe.

Desserrez les deux vannes de remorquage sur la transmission hydrostatique.
Tournez chaque vanne de 3 tours dans le sens antihoraire pour l'ouvrir et dériver l'huile à l'intérieur de la transmission.
Desserrez manuellement le frein de stationnement automatique à l'aide de la vanne de dérivation et du poussoir, comme montré à la Figure 39.

Poussez ou remorquez la machine
Après avoir poussé ou remorqué la machine, refermez la vanne de dérivation. Serrez la vanne à 70 N·m.
Note: Le desserrage du frein de stationnement manuel est automatiquement réarmé lorsque vous démarrez le moteur ou tirez le bouton de la vanne de dérivation.

Enlevez la clé et fermez l'arrivée de carburant (selon l'équipement) avant de remiser ou de transporter la machine.
Procédez avec prudence pour charger la machine sur une remorque ou un camion, ainsi que pour la décharger.
Utilisez des rampes d'une seule pièce pour charger la machine sur une remorque ou un camion.
Arrimez solidement la machine.
Note: Les côtés gauche et droit de la machine sont déterminés d'après la position d'utilisation normale.
Important: Reportez-vous au manuel du propriétaire du moteur pour toutes procédures d'entretien supplémentaires.
Important: Si vous effectuez l'entretien de la machine et que le moteur tourne avec un conduit d'extraction d'échappement, réglez l'interdiction de régénération à ON (activée) ; voir Réglage de l'interdiction de régénération.
Avant de quitter la position d'utilisation, effectuez la procédure suivante :
Garez la machine sur une surface plane et horizontale.
Désengagez la prise de force et abaissez les outils.
Serrez le frein de stationnement.
Coupez le moteur et retirez la clé.
Attendez l'arrêt complet de tout mouvement.
Portez une tenue adaptée, notamment une protection oculaire, un pantalon et des chaussures solides à semelle antidérapante. Gardez mains, pieds, vêtements, bijoux et cheveux longs à l'écart des pièces mobiles.
Si vous laissez la clé dans le commutateur d'allumage, quelqu'un pourrait mettre le moteur en marche accidentellement et vous blesser gravement, ainsi que toute personne à proximité. Retirez la clé du commutateur d'allumage avant tout entretien.
Laissez refroidir les composants de la machine avant d'effectuer toute opération d'entretien.
Si les unités de coupe sont en position de transport, utilisez le système de blocage mécanique positif (selon l'équipement) avant de laisser la machine sans surveillance.
Si possible, n'effectuez aucun entretien quand le moteur est en marche. Ne vous approchez pas des pièces mobiles.
Ne faites tourner le moteur que dans des lieux bien aérés. Les gaz d'échappement contiennent du monoxyde de carbone, qui est mortel en cas d'inhalation.
Soutenez la machine avec des chandelles chaque fois que vous devez travailler dessous.
Libérez la pression emmagasinée dans les composants avec précaution.
Maintenez toutes les pièces de la machine en bon état de marche et toutes les fixations bien serrées, surtout celles des lames.
Remplacez tous les autocollants usés ou endommagés.
Pour garantir le fonctionnement sûr et optimal de la machine, utilisez exclusivement des pièces de rechange d'origine Toro. Les pièces de rechange provenant d'autres constructeurs peuvent être dangereuses, et leur utilisation risque d'annuler la garantie de la machine.
| Périodicité d'entretien | Procédure d'entretien |
|---|---|
| Après les 10 premières heures de fonctionnement |
|
| Après les 50 premières heures de fonctionnement |
|
| À chaque utilisation ou une fois par jour |
|
| Toutes les 50 heures |
|
| Toutes les 100 heures |
|
| Toutes les 250 heures |
|
| Toutes les 400 heures |
|
| Toutes les 500 heures |
|
| Toutes les 800 heures |
|
| Toutes les 1000 heures |
|
| Toutes les 1500 heures |
|
| Toutes les 2000 heures |
|
| Toutes les 3000 heures |
|
| Avant le remisage |
|
| Tous les 2 ans |
|
Copiez cette page pour pouvoir vous en servir régulièrement.
| Entretiens à effectuer | Pour la semaine du : | ||||||
|---|---|---|---|---|---|---|---|
| Lundi | Mardi | Mercredi | Jeudi | Vendredi | Samedi | Dimanche | |
| Vérifiez le fonctionnement du système de sécurité. | |||||||
| Vérifiez le fonctionnement des freins. | |||||||
| Contrôlez le niveau d'huile moteur. | |||||||
| Contrôlez le niveau du liquide de refroidissement. | |||||||
| Vidangez le séparateur d'eau/de carburant. | |||||||
| Contrôlez le filtre à air, la cuvette à poussière et la valve de purge. | |||||||
| Vérifiez les bruits anormaux en provenance du moteur.1 | |||||||
| Enlevez les débris éventuellement présents sur les grilles du refroidisseur de liquide hydraulique et du radiateur à l'air comprimé. | |||||||
| Vérifiez les bruits de fonctionnement anormaux. | |||||||
| Contrôlez le niveau de liquide hydraulique. | |||||||
| Vérifiez l'état des flexibles hydrauliques. | |||||||
| Recherchez des fuites éventuelles. | |||||||
| Contrôlez le niveau de carburant. | |||||||
| Contrôlez la pression des pneus et des roues pivotantes. | |||||||
| Vérifiez le fonctionnement des instruments. | |||||||
| Vérifiez le réglage de la hauteur de coupe. | |||||||
| Lubrifiez tous les graisseurs.2 | |||||||
| Nettoyez la machine. | |||||||
| Retouchez les peintures endommagées. | |||||||
|
1Contrôlez la bougie de préchauffage, les injecteurs et les filtres à air du moteur en cas de démarrage difficile, de fumée excessive ou de fonctionnement irrégulier du moteur. 2Immédiatement après chaque lavage, quelle que soit la fréquence d'entretien indiquée. |
|||||||
| Contrôle effectué par : | ||
| Point contrôlé | Date | Information |
Ouvrez le capot pour accéder au coupe-batterie.
Tournez le coupe-batterie à la position SOUS TENSION ou HORS TENSION pour effectuer ce qui suit :
Pour mettre la machine sous tension, tournez le coupe-batterie dans le sens horaire à la position SOUS TENSION (Figure 43).
Pour mettre la machine hors tension, tournez le coupe-batterie dans le sens antihoraire à la position HORS TENSION (Figure 43).
Important: Ne tournez pas le coupe-batterie à la position HORS TENSION quand le moteur tourne. Coupez toujours le moteur avant de tourner le coupe-batterie en position HORS TENSION pour ne pas endommager le moteur et/ou la machine.

Abaissez le plateau de coupe latéral sur une surface plane.
Ouvrez l'attache du capot.
Retirez le boulon qui fixe le protège-courroie (selon l'équipement)
Soulevez les bords arrière et intérieur du capot pour le dégager des supports de montage (Figure 46).

Tout en soulevant le capot, faites-le glisser vers le groupe de déplacement d'environ 2,5 cm pour dégager le bord du capot extérieur du plateau (Figure 47).

Soulevez le bord avant et guidez-le entre le bras de levage et le galet pour le déposer (Figure 48).

Abaissez le plateau de coupe latéral sur une surface plane.
Glissez le capot en position en guidant le bord arrière entre le bras de levage et le galet.
Tout en glissant le capot à l'opposé du groupe de déplacement, guidez le bord extérieur sous les supports avant et arrière sur le plateau.
Alignez les supports de fixation du plateau et les trous du capot, puis abaissez le capot en position.
Remettez le boulon de fixation du protège-courroie (selon l'équipement).
Fermez l'attache du capot de plateau.
| Périodicité d'entretien | Procédure d'entretien |
|---|---|
| Toutes les 50 heures |
|
Les graisseurs de la machine doivent être lubrifiés régulièrement avec de la graisse au lithium nº 2. En outre, graissez immédiatement la machine après chaque lavage.
2 bras d'impact (Figure 49)
2 pivots de vérins de levage de plateau avant (Figure 49)
2 pivots de vérins de levage de plateaux latéraux (Figure 49)
4 rotules de vérin de direction (Figure 50)
2 rotules de biellettes (Figure 50)
2 bagues de pivots de fusées (Figure 50)
1 bague de pivot d'essieu arrière (Figure 51)



2 bagues d'axe de fourche de roue pivotante (Figure 52)
5 paliers d'axes de pivot (sur le logement d'axe), comme montré à la Figure 52
3 bagues de pivot de bras de tension (sur l'axe de pivot de poulie de tension), comme montré à la Figure 52
4 bagues de plateaux d'extrémité (sur les axes de pivot des plateaux d'extrémité), comme montré à la Figure 52

Important: Ne mettez pas d'eau directement sur le module de commande du moteur (ECU) ou les connexions électriques au risque de causer des dommages ; voir l'emplacement de l'ECU et des connexions électriques sur la Figure 56.

Coupez le moteur et enlevez la clé avant de contrôler le niveau d'huile ou d'ajouter de l'huile dans le carter.
Ne modifiez pas le réglage du régulateur et ne faites pas tourner le moteur à un régime excessif.
Recherchez sur le boîtier du filtre à air des dommages susceptibles d'occasionner des fuites d'air et remplacez-le au besoin. Vérifiez que le système d'admission ne présente pas de fuites, de dommages ou de colliers de flexible desserrés. Vérifiez également le branchement des raccords de flexible d'admission en caoutchouc au niveau du filtre à air et du turbocompresseur.
Ne faites l'entretien du filtre à air que lorsque le message « Check air filter » (contrôler le filtre à air) s'affiche sur l'InfoCenter. Ne remplacez pas le filtre à air plus fréquemment que nécessaire ; cela ne fait qu'accroître le risque de contamination du moteur par des impuretés quand le filtre est déposé.
Le couvercle doit être parfaitement ajusté sur le boîtier du filtre à air.
| Périodicité d'entretien | Procédure d'entretien |
|---|---|
| Toutes les 50 heures |
|
Vérifiez si le boîtier du filtre à air présente des dommages susceptibles d'occasionner des fuites d'air. Remplacez le boîtier du filtre s'il est endommagé.
Nettoyez le couvercle du filtre à air (Figure 57).

| Périodicité d'entretien | Procédure d'entretien |
|---|---|
| Toutes les 250 heures |
|
| Toutes les 500 heures |
|
Le système d'admission d'air de cette machine est surveillé en permanence par un capteur de colmatage qui affiche un avis quand le filtre à doit être remplacé. Ne remplacez les éléments que lorsque ces problèmes sont rencontrés.
Important: Remplacez l'élément filtrant secondaire une fois sur trois, quand vous effectuez l'entretien du préfiltre. Ne retirez pas l'élément filtrant secondaire lorsque vous nettoyez ou remplacez le préfiltre. L'élément intérieur empêche la poussière de pénétrer dans le moteur lors de l'entretien du préfiltre.
Important: Ne faites pas tourner le moteur sans les éléments filtrants du filtre à air car des corps étrangers pourront alors pénétrer dans le moteur et l'endommager.
Desserrez les attaches qui fixent le couvercle sur le boîtier du filtre à air (Figure 58).

Déposez le couvercle du boîtier du filtre à air.
Avant de retirer le filtre, utilisez de l'air comprimé à basse pression (2,75 bar) propre et sec pour éliminer les gros dépôts de débris entre l'extérieur du préfiltre et la cartouche.
Note: N'utilisez pas d'air sous haute pression car il pourrait forcer des impuretés à travers le préfiltre et dans le canal d'admission. Cette procédure de nettoyage évite de déplacer des débris dans l'admission lors de la dépose du préfiltre.
Déposez le préfiltre (Figure 59).
Note: Ne nettoyez pas l'élément usagé afin de ne pas endommager le matériau du filtre.
Note: Remplacez l'élément secondaire une fois sur trois, quand vous effectuez l'entretien du préfiltre (Figure 60).


Vérifiez que l'élément de rechange n'a pas été endommagé pendant le transport. Vérifiez l'extrémité d'étanchéité du filtre et du boîtier.
Important: N'utilisez pas l'élément s'il est endommagé.
Insérez l'élément de rechange en appuyant sur le bord extérieur pour l'engager dans la cartouche.
Important: N'appuyez pas sur la partie centrale flexible de l'élément au risque de l'endommager.
Nettoyez l'orifice d'éjection d'impuretés situé dans le couvercle amovible.
Retirez la valve de sortie en caoutchouc du couvercle, nettoyez la cavité et remettez la valve en place.
Montez le couvercle en dirigeant la valve de sortie en caoutchouc vers le bas, à peu près entre les positions 5:00 et 7:00 heures vu de l'extrémité.
Fermez les attaches du couvercle.
Utilisez une huile moteur de qualité à basse teneur en cendre conforme ou supérieure aux spécifications suivantes :
Catégorie de service API CJ-4 ou mieux
Catégorie de service ACEA E6
Catégorie de service JASO DH-2
Important: L'utilisation d'une huile moteur d'une catégorie autre que la catégorie API CJ-4 ou mieux, ACEA E6 ou JASO DH-2, peut causer le colmatage du filtre à particules diesel ou endommager le moteur.
Utilisez une huile moteur ayant l'indice de viscosité suivant :
Huile préférée : SAE 15W-40 (au-dessus de -18 °C)
Autre huile possible : SAE 10W-30 ou 5W-30 (toutes températures)
L'huile moteur Toro Premium est en vente chez votre distributeur Toro agréé avec l'indice de viscosité 15W-40 ou 10W-30. Consultez le Catalogue de pièces pour les numéros de référence.
| Périodicité d'entretien | Procédure d'entretien |
|---|---|
| À chaque utilisation ou une fois par jour |
|
Le moteur est expédié avec de l'huile dans le carter. Vérifiez toutefois le niveau d'huile avant et après le premier démarrage du moteur.
Important: Contrôlez l'huile moteur chaque jour. Si le niveau d'huile moteur dépasse le repère maximum sur la jauge, il se peut que l'huile soit diluée avec du carburant.Si le niveau d'huile moteur est au-dessus du repère maximum, vidangez l'huile.
Le meilleur moment pour vérifier le niveau d'huile moteur est en début de journée, quand le moteur est froid avant sa mise en marche. Si le moteur a déjà tourné, attendez au moins 10 minutes que l'huile retourne dans le carter avant de contrôler le niveau. Si le niveau d'huile est à la même hauteur ou en dessous du repère minimum sur la jauge, faites l'appoint pour l'amener au repère maximum. Ne remplissez pas excessivement le carter moteur.
Important: Maintenez le niveau d'huile moteur entre les repères maximum et minimum sur la jauge ; une panne de moteur peut se produire si le carter contient trop ou pas assez d'huile.
Contrôlez le niveau d'huile moteur ; voir Figure 61.

Note: Si vous utilisez une huile différente, vidangez complètement le carter moteur avant de refaire le plein.
10,4 l avec le filtre
| Périodicité d'entretien | Procédure d'entretien |
|---|---|
| Toutes les 500 heures |
|
Note: Vidangez l'huile moteur et remplacez le filtre plus souvent si vous travaillez dans des conditions très poussiéreuses ou sableuses.
Mettez le moteur en marche et laissez-le tourner pendant 5 minutes pour réchauffer l’huile.
Garez la machine sur une surface plane et horizontale, serrez le frein de stationnement, abaissez le plateau de coupe, coupez le moteur et enlevez la clé du commutateur d'allumage.
Vidangez l'huile moteur, comme montré à la Figure 62.


Remplacez le filtre à huile moteur (Figure 63).
Note: Assurez-vous que le joint du filtre à huile touche le moteur puis vissez-le encore de trois quarts de tour.


| Périodicité d'entretien | Procédure d'entretien |
|---|---|
| Toutes les 1000 heures |
|
Reportez-vous au manuel du propriétaire du moteur pour la procédure de réglage.
| Périodicité d'entretien | Procédure d'entretien |
|---|---|
| Toutes les 1500 heures |
|
Pour en savoir plus sur le nettoyage du refroidisseur EGR du moteur, reportez-vous au manuel du propriétaire du moteur.
| Périodicité d'entretien | Procédure d'entretien |
|---|---|
| Toutes les 1500 heures |
|
Pour en savoir plus sur l'inspection du système reniflard du carter moteur, reportez-vous au manuel du propriétaire du moteur.
| Périodicité d'entretien | Procédure d'entretien |
|---|---|
| Toutes les 2000 heures |
|
Pour en savoir plus sur le contrôle et le remplacement des flexibles de carburant et des flexibles de liquide de refroidissement du moteur, reportez-vous au manuel du propriétaire du moteur.
| Périodicité d'entretien | Procédure d'entretien |
|---|---|
| Toutes les 2000 heures |
|
Pour en savoir plus sur le rodage ou le réglage des soupapes d'admission et d'échappement du moteur, reportez-vous au manuel du propriétaire du moteur.
| Périodicité d'entretien | Procédure d'entretien |
|---|---|
| Toutes les 3000 heures |
|
Pour en savoir plus sur le contrôle et le nettoyage des composants antipollution du moteur, reportez-vous au manuel du propriétaire du moteur.
| Périodicité d'entretien | Procédure d'entretien |
|---|---|
| Toutes les 3000 heures |
|
Si le code d', ou s'affiche dans l'InfoCenter (Figure 64), nettoyez le filtre à suie en procédant comme suit :



Consultez la section Moteur du Manuel d'entretien pour savoir comment démonter et remonter le catalyseur d'oxydation diesel et le filtre à suie du FAP.
Consultez votre concessionnaire Toro agréé pour vous procurer des pièces de rechange ou faire l'entretien du catalyseur d'oxydation diesel et du filtre à suie.
Demandez à votre concessionnaire Toro agréé de réinitialiser l'ECU du moteur après la pose d'un FAP propre.
Ce Manuel de l'utilisateur contient plus de précisions sur le carburant et le système de carburant que le Manuel du propriétaire du moteur Yanmar®, qui sert de référence générale pour tout ce qui concerne le carburant et l'entretien du système de carburant.
Il est indispensable de bien comprendre que l'entretien du circuit d'alimentation, le stockage du carburant et la qualité du carburant exigent votre attention afin d'éviter les temps d'arrêt et des réparations importantes du moteur.
Le système de carburant présente des tolérances extrêmement serrées en raison des exigences en matière d'émissions et de contrôle. La qualité et la propreté du gazole sont plus importantes pour assurer la longévité du système d'injection à rampe commune haute pression (HPCR) utilisée sur les moteurs diesel.
Important: La présence d'eau ou de carburant dans le système de carburant endommagera le moteur ! Ne partez pas du principe que le nouveau carburant est propre. Assurez-vous que le carburant provient d'un fournisseur réputé, stockez le carburant correctement et utilisez votre stocke de carburant dans une délai de 180 jours.
Important: Si vous ne suivez pas les procédures de remplacement du filtre à carburant, d'entretien du système de carburant et de stockage du carburant, le système de carburant risque de tomber en panne prématurément. Effectuez tous les entretiens du système de carburant aux intervalles spécifiés ou chaque fois que le carburant est contaminé ou de mauvaise qualité.
Un stockage approprié du carburant est essentiel pour le moteur. L'entretien correct des réservoirs de stockage du carburant est souvent négligé et cela peut entraîner la contamination du carburant fourni à la machine.
Achetez uniquement la quantité de carburant que vous comptez utiliser dans un délai de 6 mois. N'utilisez pas de carburant stocké depuis plus de 6 mois. Cela contribue à éliminer l'eau et autres contaminants présents dans le carburant.
Si vous n'éliminez pas l'eau dans le réservoir de stockage ou le réservoir de carburant de la machine, cela peut entraîner la formation de rouille ou la contamination du réservoir de stockage et des composants du système de carburant. La boue dans le réservoir causée par la moisissure, les bactéries ou les champignons restreint le débris et colmate le filtre et les injecteurs de carburant.
Inspectez le réservoir de stockage de carburant et le réservoir de carburant de la machine régulièrement pour contrôler la qualité du carburant dans le réservoir.
Assurez-vous que le carburant provient d'un fournisseur réputé.
Si vous trouvez de l'eau ou des contaminants dans le réservoir de stockage ou le réservoir de carburant de la machine, travaillez avec votre fournisseur de carburant pour remédier au problème et effectuer toutes les opérations d'entretien du système de carburant.
Ne stockez pas le gazole dans des réservoirs ou des bidons fabriqués avec des composants zingués.

| Périodicité d'entretien | Procédure d'entretien |
|---|---|
| À chaque utilisation ou une fois par jour |
|
Faites l'entretien du séparateur carburant-eau comme montré à la Figure 66.

Amorcez le filtre et les conduites à la pression de la pompe haute pression ; voir Amorçage du circuit d'alimentation.
| Périodicité d'entretien | Procédure d'entretien |
|---|---|
| Toutes les 400 heures |
|
Remplacez le filtre comme montré à la Figure 67.

Amorcez le filtre et les conduites à la pression de la pompe haute pression ; voir Amorçage du circuit d'alimentation.
| Périodicité d'entretien | Procédure d'entretien |
|---|---|
| Toutes les 500 heures |
|
Nettoyez la surface autour de la tête du filtre à carburant (Figure 68).

Déposez le filtre et nettoyez la surface de montage de la tête du filtre (Figure 68).
Lubrifiez le joint du filtre avec de l'huile moteur propre ; voir le Manuel du propriétaire du moteur (fourni avec la machine) pour plus de précisions.
Montez la cartouche sèche à la main jusqu'à ce que le joint rejoigne la tête du filtre, puis serrez la cartouche d'un demi tour supplémentaire.
Amorcez le filtre et les conduites à la pression de la pompe haute pression ; voir Amorçage du circuit d'alimentation.
Démarrez le moteur et vérifiez qu'il n'y a pas de fuite d'huile autour de la tête du filtre.
| Périodicité d'entretien | Procédure d'entretien |
|---|---|
| Toutes les 800 heures |
|
| Avant le remisage |
|
En complément des entretiens périodiques énoncés, vidangez et nettoyez le réservoir de carburant si le système d'alimentation est contaminé ou si vous prévoyez de remiser la machine pendant une période prolongée. Rincez le réservoir avec du carburant neuf.
Amorcez le filtre et les conduites à la pression de la pompe haute pression ; voir Amorçage du circuit d'alimentation.
| Périodicité d'entretien | Procédure d'entretien |
|---|---|
| Toutes les 400 heures |
|
Vérifiez que les conduites et les raccords ne sont pas détériorés, endommagés ou desserrés.
Remplacez les colliers ou flexibles détériorés.
Note: Amorcez le circuit d'alimentation si vous remplacez des conduites de carburant ; voir Amorçage du circuit d'alimentation.
Amorcez le circuit d'alimentation dans les cas suivants :
Après le remplacement du filtre à carburant.
Après la vidange du séparateur d'eau après chaque utilisation ou chaque jour.
Après une panne de carburant.
Après avoir remplacé un flexible de carburant ou ouvert le circuit d'alimentation pour quelque raison que ce soit.
Pour amorcer le circuit d'alimentation, procédez comme suit :
Important: Ne lancez pas le moteur au moyen du démarreur quand vous amorcez le circuit d'alimentation.
Vérifiez que le réservoir de carburant n'est pas vide.
Effectuez la procédure suivante pour amorcer le filtre et les conduites reliées à la pompe haute pression afin d'éviter d'user ou d'endommager la pompe :
Tournez la clé à la position CONTACT pendant 15 à 20 secondes.
Tournez la clé à la position CONTACT pendant 30 à 40 secondes.
Note: Cela permet la mise hors tension de l'ECU.
Tournez la clé à la position CONTACT pendant 15 à 20 secondes.
Vérifiez l'absence de fuites autour du filtre et des flexibles.
Démarrez le moteur et recherchez des fuites éventuelles.
Débranchez la batterie avant de réparer la machine. Débranchez toujours la borne négative avant la borne positive. Rebranchez la borne positive avant la borne négative.
Chargez la batterie dans un endroit dégagé et bien aéré, à l'écart des flammes ou sources d'étincelles. Débranchez le chargeur du secteur avant de brancher ou de débrancher la batterie. Portez des vêtements de protection et utilisez des outils isolés.
| Périodicité d'entretien | Procédure d'entretien |
|---|---|
| Toutes les 50 heures |
|
Important: Avant d'effectuer des soudures sur la machine, débranchez le câble négatif de la batterie pour éviter d'endommager le système électrique. Vous devez aussi débrancher le moteur, l'InfoCenter et les contrôleurs de la machine avant d'effectuer des travaux de soudure sur la machine.
Note: Les bornes et le bac doivent être propres, car une batterie encrassée se décharge lentement. Pour nettoyer la batterie, lavez le bac avec un mélange d'eau et de bicarbonate de soude. Rincez ensuite à l'eau claire. Pour prévenir la corrosion, enduisez les bornes de la batterie et les cosses des câbles de graisse Grafo 112X (Skin-Over) (réf. Toro 505-47) ou de vaseline.
Important: Lors de l'installation d'un accessoire auxiliaire sur la machine, les seules sources d'alimentation électrique agréées sont le porte-fusibles du groupe de déplacement (Figure 73) ou de la cabine (Figure 75). Un maximum de 10 A est disponible à chacun de ces emplacements. Pour tout renseignement complémentaire, adressez-vous à votre concessionnaire Toro agréé.
Note: Coupez le moteur et enlevez la clé de contact avant de retirer les fusibles.
Les fusibles du groupe de déplacement (Figure 69) se trouvent dans la console du centre d'alimentation derrière le siège (Figure 70).
Des fusibles supplémentaires du groupe de déplacement (Figure 71) sont trouvés sur le côté arrière droit du panneau de la machine (Figure 72).





Les fusibles de la cabine (Figure 74) sont situés dans le porte-fusibles sur la garniture de pavillon (Figure 75).


Les batteries en charge produisent des gaz qui peuvent exploser.
Ne fumez pas et n'approchez pas d'étincelles ni de flammes des batteries.
Note: Cette procédure permet de charger le système 12 V.
Important: Maintenez les batteries chargées au maximum. Cela est particulièrement important pour prévenir la dégradation de la batterie si la température tombe en dessous de 0 ºC.
Effectuez les préparatifs d'entretien recommandés ; voir Procédures avant l'entretien.
Nettoyez l'extérieur du bac et les bornes de la batterie.
Note: Branchez les fils du chargeur aux bornes de la batterie avant de le brancher à la source électrique.
Retirez les capuchons des bornes positives de la batterie déchargée (Figure 76)

Connectez le câble positif du chargeur de batterie à la borne positive de la batterie déchargée (Figure 77).

Branchez le câble négatif du chargeur de batterie à la borne négative de la batterie déchargée (Figure 77).
Branchez le chargeur de batterie à une source électrique et chargez la batterie conformément au tableau de charge ci-après.
Important: Ne chargez pas la batterie excessivement.
| Réglage du chargeur | Durée de charge |
|---|---|
| 4 à 6 A | 30 minutes |
| 25 à 30 A | 10 à 15 minutes |
Quand les batteries sont chargées au maximum, débranchez le chargeur de la source électrique, puis débranchez les fils du chargeur des bornes de la batterie déchargée (Figure 77).
Le démarrage du moteur avec une batterie de secours produit des gaz susceptibles d'exploser.
Ne fumez pas et n'approchez pas d'étincelles ni de flammes de la batterie.
Note: Cette procédure demande l'intervention de 2 personnes. Assurez-vous que la personne qui effectue les connexions porte un masque, des gants et des vêtements de protection appropriés.
Garez la machine sur une surface plane et horizontale, serrez le frein de stationnement, abaissez le plateau de coupe et coupez le moteur.
Asseyez-vous sur le siège de l'opérateur et demandez à l'autre personne d'effectuer les connexions.
Note: Vérifiez que la batterie de secours est une batterie de 12 volts.
Important: Si vous utilisez une autre machine comme source d'alimentation, assurez-vous que les 2 machines ne se touchent pas.
Retirez les capuchons des bornes positives de la batterie déchargée (Figure 76)
Branchez le câble de démarrage positif (+) à la borne positive de la batterie déchargée (Figure 78).

Branchez le câble de démarrage négatif (-) à la borne négative de la batterie déchargée (Figure 78).
Démarrez le moteur.
Important: Si le moteur démarre puis s'arrête, n'actionnez pas le démarreur tant que ce dernier continue de tourner. N'actionnez pas le démarreur plus de 30 secondes de suite. Patientez 30 secondes avant d'actionner à nouveau le démarreur pour lui donner le temps de refroidir.
Lorsque le moteur démarre, demandez à l'autre personne de débrancher le câble de démarrage négatif (-) du de la borne négative de la batterie déchargée, puis de débrancher le câble de démarrage positif (+) (Figure 78).
Ouvrez le capot et tournez le coupe-batterie en position HORS TENSION.
Retirez les 3 vis à embase de chaque côté du pare-chocs arrière, comme montré à la Figure 79.
Desserrez les vis à embase restantes qui fixent le pare-chocs arrière au cadre et faites pivoter le pare-chocs vers le bas.

Desserrez les boutons et déposez les deux tôles de protection latérales (Figure 80).

Retirez les 6 vis à embase qui fixent le carénage au cadre et déposez le carénage arrière (Figure 81).

Retirez les fixations qui maintiennent le couvercle de la batterie sur la machine et déposez le couvercle (Figure 82).
Note: Notez la position des câbles de la batterie.
Desserrez et déposez les câbles des batteries.
Retirez les fixations qui retiennent les dispositifs de retenue des batteries.
Déposez avec précaution les batteries de la machine (Figure 82).

Fixez les batteries avec les dispositifs de retenue (Figure 82).
Installez les câbles de batterie.
Mettez le couvercle des batteries en place et fixez-le avec les fixations que vous avez retirées.
Reposez le carénage arrière (Figure 81).
Reposez les tôles de protection latérales (Figure 80).
Levez le pare-chocs arrière en position et insérez les vis à embase. Serrez toutes les vis à embase qui fixent le pare-chocs arrière au cadre (Figure 79).
Tournez le coupe-batterie en position SOUS TENSION.
| Périodicité d'entretien | Procédure d'entretien |
|---|---|
| Toutes les 1000 heures |
|
Renseignez-vous auprès d'un distributeur Toro agréé ou consultez le Manuel d'entretien Toro.
| Périodicité d'entretien | Procédure d'entretien |
|---|---|
| Toutes les 1000 heures |
|
Placez les roues en position ligne droite, puis mesurez la distance extérieure (à hauteur d'essieu) à l'avant et à l'arrière des roues directrices (Figure 84).
Note: La mesure à l'avant doit être inférieure de 0 à 3 mm de la mesure à l'arrière.

Pour régler le pincement, desserrez les fixations aux deux extrémités des biellettes (Figure 84).
Tournez la biellette de façon à déplacer l'avant de la roue vers l'intérieur ou l'extérieur.
Lorsque le pincement est correct, serrez les fixations de la biellette.
L'ingestion de liquide de refroidissement peut être toxique ; rangez-le hors de la portée des enfants et des animaux domestiques.
Les projections de liquide de refroidissement brûlant sous pression ou le contact avec le radiateur brûlant et les pièces qui l'entourent peuvent causer des brûlures graves.
Laissez toujours refroidir le moteur pendant au moins 15 minutes avant d'enlever le bouchon du radiateur.
Servez-vous d'un chiffon pour ouvrir le bouchon du radiateur et desserrez-le lentement pour laisser la vapeur s'échapper.
N'utilisez jamais la machine sans les capots de protection.
N'approchez pas les doigts, les mains ou les vêtements du ventilateur et de la courroie d'entraînement en rotation.
| Périodicité d'entretien | Procédure d'entretien |
|---|---|
| À chaque utilisation ou une fois par jour |
|
| Toutes les 100 heures |
|
La capacité du système est de 10,4 litres sur une machine sans cabine et de 17 litres sur une machine avec cabine.
Liquide de refroidissement recommandé : antigel à l'éthylène glycol et eau (mélange 50/50).
Les ventilateurs et les courroies d'entraînement en rotation peuvent causer des blessures.
N'utilisez jamais la machine sans les capots de protection.
N'approchez pas les doigts, les mains ou les vêtements du ventilateur et de la courroie d'entraînement en rotation.
Coupez le moteur, enlevez la clé de contact et tournez le coupe-batterie en position HORS TENSION avant d'effectuer un entretien.
Si le moteur vient de tourner, le liquide de refroidissement sous pression peut s'échapper et vous brûler.
N'enlevez pas le bouchon du radiateur si le moteur tourne.
Servez-vous d'un chiffon pour ouvrir le bouchon du radiateur et desserrez-le lentement pour laisser la vapeur s'échapper.
Retirez le bouchon du radiateur et le bouchon du vase d'expansion avec précaution (Figure 85).

Vérifiez le niveau de liquide de refroidissement dans le radiateur (Figure 85).
Note: Lorsque le radiateur est froid, remplissez-le jusqu'en haut du goulot de remplissage et remplissez le vase d'expansion jusqu'au repère maximum.
Si le niveau de liquide de refroidissement est trop bas, faites l'appoint de liquide recommandé dans le vase d'expansion jusqu'au niveau maximum.
Note: N'utilisez pas seulement de l'eau pure ou des liquides de refroidissement à base d'alcool ou de méthanol.
Remettez en place les bouchons du radiateur et du vase d'expansion.
| Périodicité d'entretien | Procédure d'entretien |
|---|---|
| À chaque utilisation ou une fois par jour |
|
Effectuez les préparatifs d'entretien recommandés ; voir Procédures avant l'entretien.
Important: Ne nettoyez pas le faisceau de radiateur ou le faisceau de refroidisseur à l'eau. Le nettoyage du faisceau de radiateur ou du faisceau de refroidisseur de liquide hydraulique avec de l'eau peut causer la corrosion et la détérioration prématurées des composants.
Ouvrez complètement le capot.
Faites pivoter les ventilateurs de refroidissement du moteur à l'arrière du radiateur et calez la béquille dans le cran (Figure 86).

Soufflez de l'air comprimé propre par le côté moteur vers l'arrière pour éliminer les débris présents sur le faisceau de radiateur.
Faites pivoter les ventilateurs de refroidissement du moteur vers l'avant et calez la béquille dans le cran (Figure 87).

Ouvrez complètement le capot.
Faites pivoter les ventilateurs de refroidissement hydrauliques vers le haut et calez la béquille dans le cran (Figure 88).

Soufflez de l'air comprimé propre par le côté moteur vers le haut pour éliminer les débris présents sur le faisceau de refroidissement.
Faites pivoter les ventilateurs de refroidissement hydrauliques vers le bas et calez la béquille dans le cran (Figure 89).

| Périodicité d'entretien | Procédure d'entretien |
|---|---|
| Toutes les 2000 heures |
|
La capacité du système est de 10,4 litres sur une machine sans cabine et de 17 litres sur une machine avec cabine.
Effectuez les préparatifs d'entretien recommandés ; voir Procédures avant l'entretien.
Retirez le bouchon de radiateur.
Placez le flexible de vidange du radiateur dans un bac de vidange, ouvrez le robinet de vidange sur le flexible de radiateur et vidangez le liquide dans le bac (Figure 90).

Fermez le robinet de vidange sur le flexible de vidange (Figure 90).
Remplissez le radiateur de liquide de refroidissement jusqu'à ce que le niveau atteigne le rebord de l'orifice de remplissage (Figure 91).

Remettez le bouchon de radiateur en place.
Débranchez le flexible de liquide de refroidissement du refroidisseur d'huile moteur (Figure 92).

Une fois la vidange du liquide de refroidissement terminée, fermez le robinet de vidange sur le flexible de vidange et rebranchez le flexible du liquide de refroidissement.
Retirez le bouchon du vase d'expansion et versez du liquide de refroidissement du moteur jusqu'au repère minimum. Remettez le bouchon en place.
Démarrez le moteur et faites-le tourner jusqu'à ce qu'il atteigne la température de fonctionnement.
Contrôlez le niveau de liquide de refroidissement moteur ; voir Contrôle du système de refroidissement du moteur.
Faites l'appoint de liquide de refroidissement dans le vase d'expansion pour faire monter le niveau jusqu'au repère maximum.
Contrôlez l'étanchéité de tous les raccords de flexibles de liquide de refroidissement du moteur.
| Périodicité d'entretien | Procédure d'entretien |
|---|---|
| Après les 50 premières heures de fonctionnement |
|
| Toutes les 250 heures |
|
Reportez-vous au Manuel du propriétaire du moteur (fourni avec la machine), pour la procédure de réglage.
| Périodicité d'entretien | Procédure d'entretien |
|---|---|
| Après les 10 premières heures de fonctionnement |
|
| Toutes les 1000 heures |
|
La courroie du compresseur de climatisation et d'alternateur 24 V utilise un tendeur à ressort préréglé à l'usine. Reportez-vous au Manuel d'entretien Toro pour la procédure d'entretien.
| Périodicité d'entretien | Procédure d'entretien |
|---|---|
| Toutes les 50 heures |
|
| Toutes les 1000 heures |
|
La courroie d'entraînement des lames, qui est tendue par la poulie de tension à ressort, est très durable. Elle commence toutefois à s'user après de longues heures d'utilisation. La courroie peut montrer les signes d'usure suivants : grincement pendant la rotation, glissement des lames pendant la coupe, bords effilochés, traces de brûlures et fissures. Remplacez la courroie si elle présente ce genre de problèmes.
Abaissez l'unité de coupe au sol.
Déposez les couvercles de courroie au sommet de l'unité de coupe et mettez-les de côté.
Sur le plateau avant central, desserrez les écrous de blocage sur la vis d'arrêt de la poulie de tension et vissez la vis d'arrêt dans le support (Figure 93).

À l'aide d'une clé à cliquet ou d'un outil similaire, éloignez chaque poulie de tension de plateau latéral de la courroie d'entraînement pour détendre cette dernière et pouvoir la déchausser de la poulie (Figure 93).
Enlevez les boulons qui fixent le moteur hydraulique à l'unité de coupe (Figure 94).

Soulevez le moteur et placez-le sur le dessus de l'unité de coupe.
Enlevez la courroie usagée des poulies d'axe et de la poulie de tension.
Installez la courroie neuve autour des poulies d'axe et de la poulie de tension (Figure 95).

Réglez la vis d'arrêt sur la poulie de tension et serrez les écrous de blocage.
Installez le moteur hydraulique sur l’unité de coupe et fixez-le en place avec les boulons retirés précédemment.
Serrez les boulons à 47,5 N·m.
Reposez les protège-courroie.
Note: Pour déposer la courroie inférieure, vous devez d'abord déposer la courroie supérieure.
Abaissez l'unité de coupe au sol.
Déposez les couvercles de courroie au sommet de l'unité de coupe et mettez-les de côté.
Enlevez les boulons qui fixent le moteur hydraulique à l'unité de coupe (Figure 94).
Soulevez le moteur et placez-le sur le dessus de l'unité de coupe.
À l'aide d'une clé à cliquet ou d'un outil similaire, éloignez les poulies de tension de la courroie d'entraînement pour détendre cette dernière et pouvoir la déchausser des poulies (Figure 96).

Enlevez la courroie usagée des poulies d'axe et de la poulie de tension.
Installez la courroie neuve autour des poulies d'axe et de la poulie de tension (Figure 97 et Figure 98).


Installez le moteur hydraulique sur l’unité de coupe et fixez-le en place avec les boulons retirés précédemment.
Serrez les boulons à 47,5 N·m.
Reposez les protège-courroie.
Consultez immédiatement un médecin si du liquide est injecté sous la peau. Toute injection de liquide hydraulique sous la peau doit être éliminée dans les quelques heures qui suivent par une intervention chirurgicale réalisée par un médecin.
Vérifiez l'état de tous les flexibles et conduits de liquide hydraulique, ainsi que le serrage de tous les branchements et raccords avant de mettre le système hydraulique sous pression.
N'approchez pas les mains ni aucune autre partie du corps des fuites en trou d'épingle ou des gicleurs d'où sort du liquide hydraulique sous haute pression.
Utilisez un morceau de papier ou de carton pour détecter les fuites.
Évacuez avec précaution toute la pression du système hydraulique avant toute intervention sur le système.
Le réservoir est rempli en usine de liquide hydraulique de haute qualité. Contrôlez néanmoins le niveau du liquide hydraulique avant le tout premier démarrage du moteur, puis tous les jours ; voir Contrôle du niveau de liquide hydraulique.
Liquide hydraulique recommandé : liquide hydraulique longue durée « Toro PX Extended Life » ; disponible en bidons de 19 litres ou barils de 208 litres.
Note: Si vous utilisez le liquide de remplacement recommandé dans la machine vous n'aurez pas besoin de vidanger le liquide et de remplacer le filtre aussi souvent.
Autres liquides hydrauliques possibles : si vous ne disposez pas de liquide hydraulique longue durée Toro PX, vous pouvez utiliser d'autres liquides hydrauliques classiques à base de pétrole à condition qu'ils soient conformes aux caractéristiques physiques et aux spécifications de l'industrie suivantes. N'utilisez pas de liquide synthétique. Consultez votre distributeur de lubrifiants pour identifier un produit qui convient.
Note: Toro décline toute responsabilité en cas de dommage causé par l'utilisation d'huiles de remplacement inadéquates. Utilisez uniquement des produits provenant de fabricants réputés qui répondent de leur recommandation.
| Propriétés physiques : | ||
| Viscosité, ASTM D445 | 44 à 48 cSt à 40 °C | |
| Indice de viscosité, ASTM D2270 | 140 ou plus | |
| Point d'écoulement, ASTM D97 | -37 à -45 °C | |
| Spécifications de l'industrie : | Eaton Vickers 694 (I-286-S, M-2950-S/35VQ25 ou M-2952-S) | |
Note: De nombreuses huiles hydrauliques sont presque incolores, ce qui rend difficile la détection des fuites. Un additif colorant rouge pour liquide hydraulique est disponible en bouteilles de 20 ml. Une bouteille suffit pour 15 à 22 litres de liquide hydraulique. Vous pouvez commander ces bouteilles chez les concessionnaires Toro agréés (réf. 44-2500).
La capacité est de 62,7 litres.
| Périodicité d'entretien | Procédure d'entretien |
|---|---|
| À chaque utilisation ou une fois par jour |
|
Effectuez les préparatifs d'entretien recommandés ; voir Procédures avant l'entretien.
Du côté droit de la machine, soulevez le couvercle d'accès pour exposer le bouchon du réservoir hydraulique (Figure 99).

Nettoyez la surface autour du goulot et du bouchon de remplissage du réservoir hydraulique (Figure 99).
Enlevez le bouchon du goulot de remplissage
Dévissez la jauge du goulot de remplissage et essuyez-la sur un chiffon propre. Remettez la jauge dans le goulot de remplissage, ressortez-la et contrôlez le niveau de liquide (Figure 100).
Note: Il doit se situer dans la plage de fonctionnement acceptable indiquée sur la jauge.

Si le niveau est trop bas, ajoutez la quantité de liquide correcte pour atteindre le repère supérieur.
Remettez la jauge dans le goulot et revissez le bouchon en place.
Fermez le couvercle.
| Périodicité d'entretien | Procédure d'entretien |
|---|---|
| Toutes les 800 heures |
|
| Toutes les 2000 heures |
|
| Tous les 2 ans |
|
Garez la machine sur une surface plane et horizontale, serrez le frein de stationnement, abaissez le plateau de coupe, coupez le moteur et enlevez la clé du commutateur d'allumage.
Placez un grand bac de vidange sous le réservoir de liquide hydraulique.
Enlevez le bouchon et la jauge du réservoir hydraulique.
Retirez le bouchon de vidange situé sur le côté du réservoir et laissez couler l'huile dans le bac de vidange (Figure 101).

Remettez le bouchon de vidange en place lorsque la vidange est terminée.
Remplissez le réservoir de liquide hydraulique ; voir Contrôle du niveau de liquide hydraulique.
Important: Utilisez uniquement les liquides hydrauliques spécifiés. Tout autre liquide est susceptible d'endommager le système.
Remettez en place la jauge et le bouchon du réservoir.
Démarrez le moteur et actionnez toutes les commandes hydrauliques pour faire circuler l'huile dans tout le système.
Note: Recherchez aussi des fuites éventuelles, puis coupez le moteur.
Vérifiez le niveau d'huile et faites l'appoint pour amener le niveau jusqu'au repère maximum sur la jauge.
Note: Ne remplissez pas excessivement.
| Périodicité d'entretien | Procédure d'entretien |
|---|---|
| Toutes les 800 heures |
|
| Toutes les 1000 heures |
|
Si le liquide hydraulique est contaminé, demandez à votre concessionnaire Toro agréé de rincer le système. Le liquide contaminé a un aspect laiteux ou noir comparé à de l'huile propre.
Utilisez des filtres de rechange Toro (réf. 86-6110 pour le côté gauche de la machine et réf. 75-1310 pour le côté droit).
Important: L'utilisation de tout autre filtre peut annuler la garantie de certaines pièces.
Garez la machine sur une surface plane et horizontale, serrez le frein de stationnement, abaissez le plateau de coupe, coupez le moteur et enlevez la clé du commutateur d'allumage.
Nettoyez la surface autour des surfaces de montage des filtres.
Placez un bac de vidange sous le filtre et enlevez le filtre (Figure 101).
Lubrifiez le joint du filtre de rechange et remplissez le filtre d'huile hydraulique.
Vérifiez la propreté de la surface de montage des filtres et vissez chaque filtre jusqu'à ce que le joint touche la plaque de montage. Serrez ensuite le filtre d'un demi-tour supplémentaire.
Remplissez le réservoir de liquide hydraulique ; voir Contrôle du niveau de liquide hydraulique.
Important: Utilisez uniquement les liquides hydrauliques spécifiés. Tout autre liquide est susceptible d'endommager le système.
Remettez en place la jauge et le bouchon du réservoir.
Démarrez le moteur et actionnez toutes les commandes hydrauliques pour faire circuler l'huile dans tout le système.
Note: Recherchez aussi des fuites éventuelles, puis coupez le moteur.
Vérifiez le niveau d'huile et faites l'appoint pour amener le niveau jusqu'au repère maximum sur la jauge.
Note: Ne remplissez pas excessivement.
| Périodicité d'entretien | Procédure d'entretien |
|---|---|
| Tous les 2 ans |
|
Les fuites de liquide hydraulique sous pression peuvent transpercer la peau et causer des blessures graves.
Consultez immédiatement un médecin en cas d'injection de liquide sous la peau.
Vérifiez l'état des flexibles et conduites hydrauliques, ainsi que le serrage de tous les raccords et branchements avant de mettre le système hydraulique sous pression.
N'approchez pas les mains ni aucune autre partie du corps des fuites en trou d'épingle ou des gicleurs d'où sort du liquide hydraulique sous haute pression.
Utilisez un morceau de papier ou de carton pour détecter les fuites.
Évacuez avec précaution toute la pression du système hydraulique avant toute intervention sur le système.
Vérifiez chaque jour que les conduites et flexibles hydrauliques ne présentent pas de fuites, ne sont pas pliés, usés, détériorés par les conditions atmosphériques ou les produits chimiques, et que les supports de montage et les raccords ne sont pas desserrés. Effectuez les réparations nécessaires avant d'utiliser la machine.
Les prises d'essai servent à contrôler la pression des circuits hydrauliques. Renseignez-vous auprès d'un distributeur Toro agréé ou consultez le Manuel d'entretien Toro.
Note: Bien que cela ne soit pas nécessaire pour l'entretien courant, vous pouvez pivoter (incliner) l'unité de coupe avant pour la redresser complètement.
Soulevez légèrement l'unité de coupe avant au-dessus du sol, serrez le frein de stationnement, coupez le moteur et enlevez la clé.
Effectuez les préparatifs d'entretien recommandés ; voir Procédures avant l'entretien.
Retirez le clip de retenue et détachez l'ensemble amortisseur du plateau de coupe (Figure 102).

Enlevez la goupille fendue et l'axe de chape qui fixent les chaînes de hauteur de coupe à l'arrière de l'unité de coupe (Figure 103).

Démarrez le moteur, levez lentement l'unité de coupe avant, coupez le moteur et enlevez la clé de contact.
Placez une cale en bois entre l'arrière du plateau et la machine (Figure 104).

Demandez à une autre personne de tenir l'avant de l'unité de coupe et enlevez la cale en bois.
Asseyez-vous sur le siège, mettez le moteur en marche et abaissez l'unité coupe jusqu'à ce qu'elle soit juste au-dessus du sol.
Fixez les chaînes de hauteur de coupe à l'arrière de l'unité de coupe.
Connectez l'ensemble amortisseur et fixez-le avec le clip de retenue.
L'inclinaison du plateau de coupe est la différence qui existe entre la hauteur de coupe à l'avant et à l'arrière de la pointe de la lame. Réglez l'inclinaison de la lame entre 6,3 et 9,7 mm ; c'est-à-dire que la pointe arrière de la lame doit être plus haute que la pointe avant de 7,5 mm.
Garez la machine sur une surface plane et horizontale, serrez le frein de stationnement, abaissez le plateau de coupe, coupez le moteur et enlevez la clé du commutateur d'allumage.
Sélectionnez la hauteur de coupe voulue.
Vérifiez que les plateaux d'extrémité sont au même niveau que le plateau avant et que le plateau avant est de niveau transversalement.
Tournez chaque lame pour qu'elle pointe vers l'avant (Figure 105).

A l'aide d'une courte règle, mesurez l'écartement entre le sol et la pointe avant de la lame avant, et notez cette dimension.
Mesurez la distance entre le sol et la pointe arrière de la lame du plateau d'extrémité, et notez cette dimension.
L'inclinaison est égale à la différence entre les valeurs mesurées à l'avant et à l'arrière de chaque lame.
Desserrez les écrous de blocage en haut ou en bas de l'étrier fileté de la chaîne de hauteur de coupe (Figure 106).
Note: Desserrez ou serrez les écrous des chaînes de hauteur de coupe du même nombre de tours pour maintenir l'horizontalité transversale des plateaux.

Modifiez le réglage de l'autre groupe d'écrous pour lever ou abaisser l'arrière de l'unité de coupe et obtenir l'inclinaison voulue d'après l'inclinaison moyenne de chaque lame.
Resserrez les écrous de blocage.
Enlevez le chapeau de tension de l'axe de pivot et sortez l'axe du bras de la roue pivotante (Figure 107).

Positionnez les cales pour élever ou abaisser la roue pivotante, selon les besoins, et obtenir la bonne inclinaison.
Installez le chapeau de tension.
Les bras des roues pivotantes sont munis de bagues enfoncées à la presse en haut et en bas du tube. Les bagues s'usent après de nombreuses heures d'utilisation. Pour vérifier l'état des bagues, bougez la fourche de la roue pivotante longitudinalement et latéralement. Si l'axe de pivot bouge à l'intérieur des bagues, cela signifie que les bagues sont usées ; vous devez alors les remplacer.
Retirez le chapeau de tension et la fourche de la roue pivotante (Figure 107).
Note: Notez la position des rondelles et des entretoises avant de les enlever, pour ne pas être obligé de régler à nouveau l'inclinaison du plateau.
| Périodicité d'entretien | Procédure d'entretien |
|---|---|
| Toutes les 500 heures |
|
Retirez le contre-écrou du boulon qui fixe la roue pivotante entre la fourche ou le bras de pivot (Figure 108).

Maintenez la roue pivotante et sortez le boulon de la fourche ou du bras de pivot (Figure 108).
Enlevez le roulement du moyeu de la roue et laissez tomber la douille d'écartement à l'extérieur (Figure 108).
Enlevez le roulement de l'autre côté du moyeu (Figure 108).
Vérifiez l'usure des roulements, de la douille d'écartement et de l'intérieur du moyeu.
Note: Remplacez les pièces endommagées.
Pour assembler la roue pivotante, enfoncez le roulement dans le moyeu.
Note: Lors de la pose des roulements, appuyez sur la bague extérieure des roulements.
Insérez la douille d'écartement de roulement dans le moyeu de roue et poussez l'autre roulement dans le côté ouvert du moyeu pour bloquer la douille d'écartement à l'intérieur.
Montez la roue pivotante entre la fourche et fixez-la en place à l'aide du boulon et du contre-écrou.
Contrôlez l'état et l'usure des lames périodiquement.
Examinez toujours les lames avec prudence. Manipulez les lames avec des gants ou en les enveloppant dans un chiffon, et toujours avec prudence. Limitez-vous à remplacer ou aiguiser les lames ; n'essayez jamais de les redresser ou de les souder.
Attention, sur les machines à plusieurs lames, la rotation d'une lame peut entraîner celle des autres.
Après avoir heurté un obstacle, vérifiez si la tondeuse est endommagée et effectuez les réparations éventuellement nécessaires avant de redémarrer et de poursuivre l'utilisation. Serrez les écrous des poulies d'axe à un couple de 176 à 203 N·m.
Levez l'unité de coupe.
Effectuez les préparatifs d'entretien recommandés ; voir Procédures avant l'entretien.
Calez l'unité de coupe pour l'empêcher de retomber accidentellement.
Tournez la lame dans le sens longitudinal et mesurez la distance entre l'intérieur de l'unité de coupe et le tranchant à l'avant de la lame (Figure 109).
Note: Notez cette valeur.

Tournez la lame pour faire passer la pointe qui est à l'arrière à l'avant et mesurez l'écart entre l'unité de coupe et le tranchant de la lame au même endroit qu'à l'opération 4.
Note: Les mesures obtenues aux opérations 4 et 5 ne doivent pas différer de plus de 3 mm. Si la différence est supérieure à 3 mm, la lame est faussée et doit être remplacée ; voir Retrait et montage des lames des unités de coupe.
Remplacez toute lame si elle heurte un obstacle, si elle est déséquilibrée ou faussée. Pour garantir le meilleur rendement et le maximum de sécurité, utilisez toujours des lames d'origine Toro.
Garez la machine sur une surface plane et horizontale, levez l'unité de coupe à la position de transport, serrez le frein de stationnement, coupez le moteur et enlevez la clé.
Note: Calez l'unité de coupe pour l'empêcher de retomber accidentellement.
Saisissez la lame par son extrémité avec un chiffon ou un gant épais.
Enlevez le boulon, la coupelle de protection et la lame de l'axe de pivot (Figure 110).

Montez la lame, la coupelle de protection et le boulon de la lame, puis serrez le boulon à un couple de 115 à 149 N·m.
Important: Pour obtenir une coupe correcte, l'ailette de la lame doit être dirigée vers l'intérieur de l'unité de coupe.
Note: Après avoir heurté un obstacle, serrez tous les écrous des poulies d'axe à un couple de 115 à 149 N·m.
| Périodicité d'entretien | Procédure d'entretien |
|---|---|
| Après les 10 premières heures de fonctionnement |
|
| À chaque utilisation ou une fois par jour |
|
| Toutes les 50 heures |
|
Le tranchant comme l'ailette (à savoir la partie relevée à l'opposé du tranchant) contribuent tous deux à assurer la qualité de la coupe. L'ailette redresse l'herbe et permet d'obtenir une coupe nette. Toutefois, l'ailette s'use avec le temps et la qualité de la coupe se dégrade, même si les tranchants de la lame restent vifs. Le tranchant de la lame doit être bien aiguisé pour couper l'herbe nettement, sans l'arracher. Si la lame est émoussée, l'herbe coupée a tendance à brunir et à être déchiquetée sur les bords. Affûtez les tranchants pour remédier à cela.
Amenez la machine sur une surface plane et horizontale, levez l'unité de coupe, serrez le frein de stationnement, placez la pédale de déplacement en position NEUTRE, mettez la commande de PDF en position DéSENGAGéE, coupez le moteur et enlevez la clé.
Examinez attentivement les tranchants de la lame, particulièrement au point de rencontre de la partie plane et de l'ailette, comme montré à la Figure 111.
Note: Le sable et les matières abrasives peuvent éroder le métal à cet endroit, c'est pourquoi il est important de contrôler l'état de la lame avant d'utiliser la tondeuse. Remplacez la lame si elle vous semble usée (Figure 111).

Examinez les tranchants de toutes les lames.
Affûtez-les s'ils sont émoussés ou ébréchés (Figure 112).

Note: N'aiguisez que le haut du tranchant et conservez l'angle de coupe d'origine pour obtenir une coupe nette.
Note: Limez la même quantité de métal sur chacun des deux tranchants pour ne pas déséquilibrer la lame.
Note: Déposez les lames et affûtez-les avec une meule. Une fois affûtée, remontez la lame ainsi que la coupelle de protection et le boulon de fixation ; voir Retrait et montage des lames des unités de coupe.
Si les lames d'une unité de coupe sont déséquilibrées, des traînées seront visibles sur l'herbe après le passage de la machine. Pour corriger ce problème, assurez-vous que les lames sont toutes parfaitement droites.
Trouvez une surface plane et horizontale en vous aidant d'un niveau à bulle de 1 mètre.
Sélectionnez la hauteur de coupe maximale ; voir Réglage de la hauteur de coupe.
Abaissez l'unité de coupe sur une surface plane et retirez les couvercles au sommet de l'unité.
Tournez les lames dans le sens longitudinal.
Mesurez et notez la distance entre le sol et la pointe avant du tranchant. Notez cette valeur.
Tournez ensuite la même lame à 180° et mesurez de nouveau.
Note: Les deux mesures ne doivent pas différer de plus de 3 mm. Si la différence est supérieure à 3 mm, remplacez la lame car elle est faussée. Mesurez toutes les lames de cette façon.
Vérifiez l'horizontalité transversale du plateau et ajustez-la au besoin.
Reposez les couvercles de courroies.
Important: Faites attention près des joints de la cabine et des éclairages (Figure 113). Si vous utilisez un nettoyeur haute pression, n'approchez pas le jet à moins de 60 cm de la machine. N'utilisez pas le jet haute pression directement sur les joints et les éclairages de la cabine ni sur l'avancée arrière.

| Périodicité d'entretien | Procédure d'entretien |
|---|---|
| Toutes les 250 heures |
|
Retirez les vis et les grilles des filtres à air intérieur et arrière de la cabine (Figure 114 et Figure 115).


Nettoyez les filtres en soufflant à travers de l'air comprimé propre et exempt d'huile.
Important: Remplacez les filtres s'ils sont percés, déchirés ou autrement endommagés.
Montez les filtres et les grilles, et fixez-les en place avec les vis à oreilles.
Le préfiltre de la cabine empêcher les gros débris, tels que herbe et feuilles, de pénétrer dans les filtres de la cabine.
Faites pivoter le couvercle de protection vers le bas.
Nettoyez le filtre avec de l'eau.
Important: N'utilisez pas de jet haute pression.
Note: Remplacez le filtre s'il est percé, déchiré ou autrement endommagé.
Faites sécher le préfiltre avant de le monter dans la machine.
Faites pivoter le filtre sur les languettes jusqu'à ce que le pêne s'enclenche dans la gâche (Figure 116).

| Périodicité d'entretien | Procédure d'entretien |
|---|---|
| Toutes les 250 heures |
|
Débranchez le câble de chaque ventilateur.

Retirez les 2 boutons et déposez le ventilateur.
Ouvrez les 4 fermetures sur le système de climatisation et déposez la grille.

Déposez les filtres à air (voir Figure 115).
Nettoyez le système de climatisation.
Reposez les filtres à air, la grille et le ventilateur (Figure 115, Figure 117 et Figure 118).
Rebranchez le câble de chaque ventilateur (Figure 117).
Avant de quitter la position d'utilisation, coupez le moteur, enlevez la clé et attendez l'arrêt complet de tout mouvement. Laissez refroidir la machine avant de la régler, d'en faire l'entretien, de la nettoyer ou de la remiser.
Ne rangez pas la machine ni les bidons de carburant à proximité d'une flamme nue, d'une source d'étincelles ou d'une veilleuse, telle celle d'un chauffe-eau ou autre appareil.
Important: Ne nettoyez pas la machine avec de l'eau saumâtre ou recyclée.
Nettoyez soigneusement le groupe de déplacement, les unités de coupe et le moteur.
Contrôlez la pression des pneus. Gonflez tous les pneus du groupe de déplacement à une pression de 0,83 à 1,03 bar.
Vérifiez le serrage de toutes les fixations et resserrez-les au besoin.
Graissez tous les graisseurs et points de pivot. Essuyez tout excès de lubrifiant.
Poncez légèrement et retouchez la peinture rayée, écaillée ou rouillée. Réparez les déformations de la carrosserie.
Procédez à l'entretien de la batterie et des câbles, comme suit :
Débranchez les câbles des bornes de la batterie.
Note: Débranchez toujours la borne négative de la batterie avant la borne positive. Branchez la borne positive avant la borne négative.
Nettoyez la batterie, les cosses des câbles et les bornes de la batterie avec une brosse métallique et un mélange de bicarbonate de soude.
Pour prévenir la corrosion, enduisez les bornes de la batterie et les cosses des câbles de graisse Grafo 112X (Skin-Over) (réf. 505-47) ou de vaseline.
Rechargez lentement la batterie tous les deux mois pendant 24 heures pour prévenir la sulfatation.
Vidangez le carter moteur et remettez en place le bouchon de vidange.
Déposez le filtre à huile et mettez-le au rebut. Posez un filtre neuf.
Versez la quantité correcte d'huile moteur dans le carter d'huile.
Tournez la clé de contact à la position CONTACT, démarrez le moteur et faites-le tourner au ralenti pendant environ 2 minutes.
Tournez la clé de contact à la position ARRêT.
Vidangez complètement le réservoir de carburant, les conduites d'alimentation et l'ensemble filtre à carburant/séparateur d'eau.
Rincez le réservoir de carburant avec du gazole propre et frais.
Branchez tous les raccords du circuit d'alimentation.
Effectuez un nettoyage et un entretien minutieux du filtre à air.
Bouchez l'entrée et l'orifice de sortie du filtre à air avec du ruban imperméable.
Vérifiez la protection antigel et faites l’appoint au besoin, selon la température minimale anticipée dans votre région.