| Intervalo de mantenimiento y servicio | Procedimiento de mantenimiento |
|---|---|
| Cada vez que se utilice o diariamente |
|
Esta máquina es una máquina multiuso, diseñada para que la utilicen operadores profesionales contratados en aplicaciones comerciales. Está diseñada principalmente para segar césped bien mantenido en parques, campos de golf, campos deportivos, arcenes y zonas verdes comerciales. El uso de este producto para otros propósitos que los previstos podría ser peligroso para usted y para otras personas.
Lea este manual detenidamente para aprender a utilizar y mantener correctamente su producto, y para evitar lesiones y daños al producto. Usted es responsable de utilizar el producto de forma correcta y segura.
Visite www.Toro.com para buscar materiales de formación y seguridad o información sobre accesorios, para localizar un distribuidor o para registrar su producto.
Cuando necesite asistencia técnica, piezas genuinas Toro o información adicional, póngase en contacto con un Servicio Técnico Autorizado o con Asistencia al Cliente de Toro, y tenga a mano los números de modelo y serie de su producto. Figura 1 identifica la ubicación de los números de modelo y serie en el producto. Escriba los números en el espacio provisto.
Important: Con su dispositivo móvil, puede escanear el código QR de la calcomanía del número de serie (en su caso) para acceder a información sobre la garantía, las piezas, y otra información sobre el producto.

Este manual identifica peligros potenciales y contiene mensajes de seguridad identificados por el símbolo de alerta de seguridad (Figura 2), que señala un peligro que puede causar lesiones graves o la muerte si usted no sigue las precauciones recomendadas.

Este manual utiliza 2 palabras más para resaltar información. Importante llama la atención sobre información mecánica especial, y Nota resalta información general que merece una atención especial.
Este producto cumple todas las directivas europeas aplicables; si desea más detalles, consulte la Declaración de Conformidad (Declaration of Conformity – DOC) de cada producto.
El uso o la operación del motor en cualquier terreno forestal, de monte o cubierto de hierba a menos que el motor esté equipado con parachispas (conforme a la definición de la sección 4442) mantenido en buenas condiciones de funcionamiento, o que el motor haya sido fabricado, equipado y mantenido para la prevención de incendios, constituye una infracción de la legislación de California (Sección 4442 o 4443 del California Public Resource Code).
El Manual del propietario del motor adjunto ofrece información sobre las normas de la U.S. Environmental Protection Agency (EPA) y de la California Emission Control Regulation sobre sistemas de emisiones, mantenimiento y garantía. Puede solicitarse un manual nuevo al fabricante del motor.
Si la máquina está equipada con un dispositivo telemático, consulte a su distribuidor autorizado Toro para obtener instrucciones para activar el dispositivo.
CALIFORNIA
Advertencia de la Propuesta 65
Es sabido por el Estado de California que los gases de escape de los motores diesel y algunos de sus componentes causan cáncer, defectos congénitos y otros peligros para la reproducción.
Los bornes, terminales y otros accesorios de la batería contienen plomo y compuestos de plomo, productos químicos reconocidos por el Estado de California como causantes de cáncer y daños reproductivos. Lávese las manos después de manejar el material.
El uso de este producto puede provocar la exposición a sustancias químicas que el Estado de California considera causantes de cáncer, defectos congénitos u otros trastornos del sistema reproductor.
Este producto es capaz de amputar manos y pies y de lanzar objetos al aire. Siga siempre todas las instrucciones de seguridad con el fin de evitar lesiones personales graves.
Lea y comprenda el contenido de este manual del operador antes de arrancar el motor.
Preste toda su atención al utilizar la máquina. No realice ninguna actividad que genere distracciones, de lo contrario pueden producirse lesiones o daños en la propiedad.
No utilice la máquina a menos que tenga instalados y estén en funcionamiento todos los protectores y otros dispositivos de seguridad.
Mantenga las manos y los pies alejados de las piezas en movimiento. Manténgase alejado de la apertura de descarga.
Mantenga a otras personas, especialmente a los niños, alejadas del área de operación. Nunca permita a los niños utilizar la máquina.
Apague el motor, retire la llave y espere a que se detenga todo movimiento antes de dejar el puesto del operador. Deje que la máquina se enfríe antes de realizar ajustes, tareas de mantenimiento y de limpieza o de guardarla.
El uso o mantenimiento incorrecto de esta máquina puede
causar lesiones. Para reducir el peligro de lesiones, cumpla estas
instrucciones de seguridad y preste atención siempre al símbolo
de alerta de seguridad
, que significa: Cuidado, Advertencia o Peligro
– instrucción relativa a la seguridad personal. El incumplimiento
de estas instrucciones puede dar lugar a lesiones personales o la
muerte.
![]() |
Las calcomanías e instrucciones de seguridad están a la vista del operador y están ubicadas cerca de cualquier zona de peligro potencial. Sustituya cualquier pegatina que esté dañada o que falte. |








































Note: Los lados derecho e izquierdo de la máquina se determinan desde la posición normal del operador.
Aparque la máquina en una superficie nivelada, accione el freno de estacionamiento, apague el motor y retire la llave.
Retire las correas y los refuerzos que sujetan las carcasas laterales durante el transporte.
Piezas necesarias en este paso:
| Cubierta derecha de la carcasa | 1 |
| Cubierta izquierda de la carcasa | 1 |
| Correa en V | 2 |
Retire las tuercas que sujetan los pernos de tope delantero y trasero a los soportes de montaje de la carcasa del ala derecha (Figura 3).

Sujetando el ala derecha, retire los pernos de tope delantero y trasero de los soportes de montaje de la carcasa (Figura 3).
Note: Deje los excéntricos entre los soportes de montaje.
Baje el ala a la posición de trabajo.
Instale los pernos de tope delantero y trasero a través de los taladros de montaje superiores y los excéntricos (Figura 4).
Note: Asegúrese de que el perno de tope sujeta la pestaña del pasador de la bisagra.

Instale las tuercas que sujetan los pernos de tope.
Note: No apriete las tuercas todavía.
Repita este procedimiento en el ala izquierda.
Instale las correas del ala de la siguiente manera:
Instale la correa alrededor de la polea del eje del ala y de la polea del eje de la carcasa delantera (Figura 5).

Con una llave de carraca u otra herramienta similar, aleje la polea tensora de las otras poleas (Figura 5).
Pase la correa por la polea del eje del ala y la polea del eje superior en la carcasa delantera.
Suelte la polea tensora para tensar la correa.
Instale la cubierta de la carcasa del ala y sujétela con el cierre de goma (Figura 6).
Note: Asegúrese de deslizar la cubierta por debajo de las pestañas de la cubierta de la carcasa central delantera antes de colocarla sobre los ganchos y el poste de montaje.
Repita este procedimiento en la otra ala.

Compruebe la presión de los neumáticos y de las ruedas giratorias antes de utilizar la máquina; consulte Comprobación de la presión de los neumáticos y Comprobación de la presión de los neumáticos de las ruedas giratorias.
Important: Mantenga la presión correcta en todos los neumáticos para asegurar una buena calidad de corte y un rendimiento correcto de la máquina. No use los neumáticos con presiones menores que las recomendadas.
Important: La tracción, incluyendo el control de patinaje, depende de la relación entre el tamaño de los neumáticos delanteros y traseros. Utilice únicamente neumáticos Toro genuinos.
Note: Realice este procedimiento sobre una superficie plana y nivelada.
Consulte Ajuste de la altura de corte.
Gire la cuchilla de cada eje exterior hasta que los extremos estén orientados hacia adelante y hacia atrás.
Mida desde el suelo hasta la punta delantera de la cuchilla.
Ajuste los suplementos de 3 mm de las horquillas de las ruedas giratorias delanteras según la altura de corte deseada.
Gire las cuchillas 180° y mida desde el suelo hasta la punta de la cuchilla que mira hacia atrás.
Afloje las contratuercas inferiores del perno en U de la cadena de altura de corte.
Ajuste las tuercas para elevar o bajar la parte trasera de la unidad de corte hasta que las puntas de las cuchillas traseras estén de 6 a 10 mm más altas que las puntas delanteras.
Apriete las contratuercas.
Gire la cuchilla de cada ala colocándola perpendicularmente al sentido de avance de la máquina.
Afloje los pernos y las tuercas que sujetan los dos espaciadores excéntricos a las alas (Figura 7).

Gire el excéntrico delantero hasta obtener la máxima holgura posible entre el excéntrico y la superficie interior de la ranura del soporte de giro del ala.
Gire el excéntrico trasero (el más cercano a la unidad de tracción) hasta que la punta exterior de la cuchilla esté aproximadamente 3 mm más alta que la altura de corte deseada (Figura 7).
Note: El eje hexagonal del excéntrico tiene una muesca a 180° del perfil de la leva del excéntrico (Figura 8). Utilice la muesca como referencia de la ubicación del perfil al ajustar los excéntricos.

Apriete el perno y la tuerca de este excéntrico a 149 N·m.
Ajuste el excéntrico delantero hasta que apenas haga contacto con la superficie interior de la ranura del soporte de giro del ala.
Apriete el perno y la tuerca de este excéntrico a 149 N·m.
Repita este procedimiento en la otra ala.
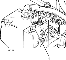
Compruebe el nivel de aceite del motor antes de arrancar el motor; consulte Comprobación del nivel de aceite del motor.
Compruebe el nivel del fluido hidráulico antes de arrancar el motor; consulte Comprobación del fluido hidráulico.
Compruebe el sistema de refrigeración antes de arrancar el motor; consulte Mantenimiento del sistema de refrigeración del motor.
Engrase la máquina antes del uso; consulte Engrasado de cojinetes y casquillos.
Important: Si la máquina no es engrasada correctamente habrá fallos prematuros de piezas críticas.
Piezas necesarias en este paso:
| Calcomanía con el año de producción | 1 |
En máquinas que requieran cumplimiento CE, instale la pegatina del año de fabricación incluida en las piezas sueltas y el kit CE, que se vende por separado (Figura 9).


Note: Los lados derecho e izquierdo de la máquina se determinan desde la posición normal del operador.

El pedal de tracción controla el accionamiento hacia delante y hacia atrás. Pise la parte superior del pedal para mover la máquina hacia delante y la parte inferior para moverla hacia atrás. La velocidad de avance es proporcional al recorrido del pedal. Para obtener la velocidad máxima de avance, pise al fondo el pedal con el acelerador en la posición de RALENTí ALTO (Figura 11).
Para detener la máquina, reduzca la presión sobre el pedal de tracción y deje que vuelva a su posición central.
Se necesitan 2 acciones para poner el freno con el interruptor del freno de estacionamiento. Mueva hacia atrás el seguro pequeño, y mueva el interruptor del freno de estacionamiento hacia adelante para poner el freno de estacionamiento. Mueva el interruptor del freno de estacionamiento hacia atrás para quitar el freno de estacionamiento (Figura 11).
Presione el interruptor de las luces de emergencia hacia adelante para encender las luces de emergencia, o hacia atrás para apagarlas (Figura 11).
Presione el lado izquierdo del interruptor del intermitente para activar el intermitente izquierdo, y el lado derecho del mando para activar el intermitente derecho (Figura 11).
Note: La posición central corresponde a desactivado.
El interruptor de encendido tiene 3 posiciones: PARADO, CONECTADO/PRECALENTAMIENTO y ARRANQUE (Figura 11).
El interruptor de la toma de fuerza tiene dos posiciones: HACIA FUERA (arranque) y HACIA DENTRO (parada). Tire hacia fuera del interruptor de la toma de fuerza para engranar el accesorio o las cuchillas de la carcasa del cortacésped. Empuje el mando hacia dentro para detener el funcionamiento del accesorio (Figura 11).
Presione la parte delantera del interruptor para seleccionar el INTERVALO DE VELOCIDAD ALTO. Presione la parte trasera del interruptor para seleccionar el INTERVALO DE VELOCIDAD BAJO. La máquina debe estar parada, o moviéndose a menos de 1 km/h, para poder cambiar entre ALTO y BAJO (Figura 11).
El interruptor de control de crucero ajusta la velocidad que desee de la máquina.
Mueva el interruptor de control de crucero a la posición central para ACTIVAR el control de crucero. Mueva el interruptor hacia adelante para ajustar la velocidad. Mueva el interruptor hacia atrás para desactivar el control de crucero (Figura 11).
Note: Cualquier movimiento marcha atrás del pedal desactiva el control de crucero.
Después de activar el control de crucero, podrá modificar la velocidad del control de crucero usando el control del InfoCenter.
Los interruptores de elevación de la carcasa elevan y bajan las unidades de corte (Figura 11).
Pulse los interruptores hacia adelante para bajar la unidad de corte y hacia atrás para elevar la unidad de corte.
Note: Las unidades de corte no pueden bajarse mientras la máquina esté en el intervalo de velocidades ALTO y no pueden elevarse ni bajarse, a menos que el operador esté en el asiento con el motor en marcha.
Note: La función de elevación de la carcasa está limitada a velocidades de motor inferiores a 2000 rpm. Por debajo de las 2000 rpm, sólo se eleva una carcasa a la vez.
El interruptor del acelerador tiene 2 posiciones: RALENTí BAJO y RALENTí ALTO (Figura 11).
Mueva el interruptor hacia adelante durante 2 segundos o más para poner el acelerador en la posición de RALENTí ALTO; mueva el interruptor hacia atrás durante 2 segundos o más para poner el acelerador en la posición de RALENTí BAJO, o pulse el interruptor brevemente en cualquier sentido para aumentar o reducir la velocidad del motor en incrementos de 100 rpm.
Pulse el interruptor de las luces en la posición de ENCENDIDO para encender los faros (Figura 11).
Pulse el interruptor de las luces en la posición de APAGADO para apagar los faros.
Presione el botón del claxon (Figura 11) para activarlo.
Mueva la palanca de ajuste del asiento en el lado del asiento hacia fuera, deslice el asiento hasta la posición deseada y suelte la palanca para fijar el asiento en esa posición (Figura 12).

Gire el pomo para ajustar el ángulo del reposabrazos (Figura 12).
Mueva la palanca para ajustar el ángulo del respaldo (Figura 12).
El indicador de peso indica si el asiento está ajustado para el peso del operador (Figura 12). Ajuste la altura situando la suspensión dentro de la zona verde.
Utilice esta palanca para ajustar el asiento según el peso del operador (Figura 12). Tire de la palanca hacia arriba para aumentar la presión del aire, o empújela hacia abajo para reducir la presión del aire. EL ajuste correcto se obtiene estando el indicador de peso en la zona verde.
Puede enchufar un cargador portátil en los conectores USB para cargar un dispositivo personal, como por ejemplo un teléfono u otro dispositivo electrónico (Figura 11).
La alarma se activa cuando se detecta un fallo.
El zumbador suena cuando se produce lo siguiente:
El motor envía un fallo Stop (parada)
El motor envía un fallo de comprobación del motor
El nivel de combustible es bajo

El control de la recirculación del aire ajusta la cabina para que recircule el aire en la cabina o se introduzca en la cabina aire del exterior (Figura 13).
Recircule el aire cuando tenga puesto el aire acondicionado.
Aspire el aire cuando utilice el calentador o el ventilador.
Gire el mando de control del ventilador para regular la velocidad del ventilador (Figura 13).
Gire el mando de control de la temperatura para regular la temperatura de aire de la cabina (Figura 13).
Utilice este interruptor para activar o desactivar el limpiaparabrisas (Figura 13).
Utilice este interruptor para encender y apagar el aire acondicionado (Figura 13).
Levante los cierres para abrir el parabrisas (Figura 14). Presione hacia dentro el cierre para bloquear el parabrisas en la posición de ABIERTO. Tire hacia fuera y hacia abajo del cierre para cerrar y bloquear el parabrisas.

Levante los cierres para abrir la ventanilla trasera. Presione hacia dentro el cierre para bloquear la ventanilla en la posición de ABIERTO. Tire hacia abajo y hacia fuera del cierre para cerrar y bloquear la ventanilla (Figura 14).
Important: Cierre la ventanilla trasera antes de abrir el capó para evitar dañar el capó o la ventanilla trasera.
Note: Las especificaciones y diseños están sujetos a modificación sin previo aviso.

| Descripción | Figura 15 referencia | Dimensión o peso | |
| Altura con cabina | C | 240 cm | |
| Altura con la barra antivuelco | I | 216 cm | |
| Longitud total | F | 442 cm | |
| Longitud para el almacenamiento o el transporte | G | 434 cm | |
| Anchura de corte | |||
| total | D | 488 cm | |
| unidad de corte delantera | 234 cm | ||
| unidad de corte lateral | 145 cm | ||
| unidad de corte delantera y una unidad de corte lateral | 361 cm | ||
| Anchura total | |||
| unidades de corte bajadas | E | 506 cm | |
| unidades de corte elevadas (posición de transporte) | B | 251 cm | |
| Distancia entre ejes | H | 194 cm | |
| Distancia de rodadura (centro del neumático a centro) | |||
| delante | A | 159 cm | |
| detrás | J | 142 cm | |
| Separación del suelo | 25,4 cm | ||
| Peso neto con cabina | 3313 kg (7,304 lb) | ||
| Peso neto con la barra antivuelco | 3044 kg (6,710 lb) | ||
Está disponible una selección de aperos y accesorios homologados por Toro que se pueden utilizar con la máquina a fin de potenciar y aumentar sus prestaciones. Póngase en contacto con su servicio técnico autorizado o con su distribuidor Toro autorizado, o bien visite www.Toro.com para obtener una lista de todos los aperos y accesorios homologados.
Para asegurar un rendimiento óptimo y mantener la certificación de seguridad de la máquina, utilice solamente piezas y accesorios genuinos Toro. Las piezas de repuesto y accesorios de otros fabricantes podrían ser peligrosos, y su uso podría invalidar la garantía del producto.
Note: Los lados derecho e izquierdo de la máquina se determinan desde la posición normal del operador.
No deje nunca que la máquina sea utilizada o mantenida por niños o por personas que no hayan recibido la formación adecuada al respecto. La normativa local puede imponer límites sobre la edad del operador. El propietario es responsable de proporcionar formación a todos los operadores y mecánicos.
Familiarícese con la operación segura del equipo, los controles del operador y las señales de seguridad.
Apague el motor, retire la llave y espere a que se detenga todo movimiento antes de dejar el puesto del operador. Deje que la máquina se enfríe antes de realizar ajustes, tareas de mantenimiento y de limpieza o de guardarla.
Sepa cómo parar la máquina y apagar el motor rápidamente.
Compruebe que los controles de presencia del operador, los interruptores de seguridad y los protectores están colocados y que funcionan correctamente. No utilice la máquina si no funcionan correctamente.
Antes de segar, inspeccione siempre la máquina para asegurarse de que las cuchillas, los pernos de las cuchillas y los conjuntos de corte están en buenas condiciones de funcionamiento. Sustituya las cuchillas o los pernos gastados o dañados en conjuntos completos para no desequilibrar la máquina.
Inspeccione la zona en la que va a utilizar la máquina y retire cualquier objeto que pudiera ser arrojado por la máquina.
Este producto genera un campo electromagnético. Si usted lleva un dispositivo médico electrónico implantable, consulte a su profesional sanitario antes de utilizar este producto.
Extreme las precauciones al manejar el combustible. Es inflamable y sus vapores son explosivos.
Apague cualquier cigarrillo, cigarro, pipa u otra fuente de ignición.
Utilice solamente un recipiente de combustible homologado.
No retire la tapa de combustible ni llene el depósito de combustible si el motor está en marcha o está caliente.
No añada ni drene combustible en un lugar cerrado.
No guarde la máquina o un recipiente de combustible en un lugar donde pudiera haber una llama desnuda, chispas o una llama piloto, por ejemplo en un calentador de agua u otro electrodoméstico.
Si se derrama combustible, no intente arrancar el motor; evite crear fuentes de ignición hasta que los vapores del combustible se hayan disipado.
Antes de arrancar el motor y utilizar la máquina, compruebe el nivel de aceite de motor en el cárter; consulte Comprobación del nivel de aceite del motor.
Antes de arrancar el motor y utilizar la máquina, compruebe el sistema de refrigeración; consulte Mantenimiento del sistema de refrigeración del motor.
Antes de arrancar el motor y utilizar la máquina, compruebe el sistema hidráulico; consulte Comprobación del fluido hidráulico.
132 litros (35 galones US)
Important: Utilice solamente combustible diésel con contenido ultrabajo en azufre. El combustible con porcentajes más altos de azufre degrada el catalizador de oxidación de diésel (DOC), lo que provoca problemas de funcionamiento y acorta la vida útil de los componentes del motor.El incumplimiento de las siguientes precauciones puede dañar el motor.
No utilice nunca queroseno o gasolina en lugar de combustible diésel.
No mezcle nunca queroseno o aceite de motor usado con el combustible diésel.
No mantenga nunca el combustible en envases chapados con zinc en el interior.
No utilice aditivos para el combustible.
Número de octanos: 45 o más
Contenido de azufre: Azufre ultrabajo (<15 ppm)
| Especificaciones de combustibles diésel | Ubicación |
| ASTM D975 | EE. UU. |
| N.º 1-D S15 | |
| N.º 2-D S15 | |
| EN 590 | Unión Europea |
| ISO 8217 DMX | Internacional |
| JIS K2204 N.º de grado 2 | Japón |
| KSM-2610 | Corea |
Utilice únicamente combustible diésel o biodiésel limpio y nuevo.
Compre el combustible en cantidades que puedan ser consumidas en 180 días para asegurarse de que el combustible es nuevo.
Utilice combustible diésel tipo verano (N.º 2-D) a temperaturas superiores a -7 °C y combustible tipo invierno (N.º 1-D o mezcla de N.º 1-D/2-D) a temperaturas inferiores a -7 °C.
Note: El uso de combustible tipo invierno a bajas temperaturas proporciona un punto de inflamación menor y características de flujo en frío que facilitan el arranque y reducen la obturación del filtro del combustible.El uso de combustible tipo verano con temperaturas por encima de los -7 °C contribuirá a alargar la vida útil de la bomba de combustible y a incrementar la potencia en comparación con el combustible tipo invierno.
Esta máquina también puede utilizar una mezcla de combustible biodiésel de hasta B20 (20 % biodiésel, 80<% petrodiésel).
Contenido de azufre: Azufre ultrabajo (<15 ppm)
Especificación de combustible biodiésel: ASTM D6751 o EN 14214
Especificación de combustible mezclado: ASTM D975, EN 590 o JIS K2204
Important: La parte de diésel de petróleo deberá tener un contenido ultrabajo en azufre.
Observe las siguientes precauciones:
Las mezclas de biodiésel pueden dañar las superficies pintadas.
Utilice B5 (contenido de biodiésel del 5 %) o mezclas menores cuando hace frío.
Vigile los retenes, las mangueras y las juntas que estén en contacto con el combustible porque pueden degradarse con el tiempo.
El filtro de combustible puede atascarse durante cierto tiempo después de la conversión a mezclas de biodiésel.
Para obtener más información sobre el biodiésel, póngase en contacto con su distribuidor Toro autorizado.
Aparque la máquina en una superficie nivelada (Figura 16).
Apague el motor, retire la llave y ponga el freno de estacionamiento.
Limpie la zona alrededor del tapón del depósito de combustible y retire el tapón.
Añada combustible y instale el tapón del depósito de combustible. Limpie cualquier combustible derramado.

| Intervalo de mantenimiento y servicio | Procedimiento de mantenimiento |
|---|---|
| Cada vez que se utilice o diariamente |
|
La presión correcta de los neumáticos delanteros es de 2,20 bar y de los traseros de 2.07 bar, según se muestra en Figura 17.
Important: Mantenga la presión de todos los neumáticos para asegurar una buena calidad de corte y un rendimiento correcto de la máquina. No use los neumáticos con presiones menores que las recomendadas.Compruebe la presión de todos los neumáticos antes de utilizar la máquina.La tracción, incluyendo el control de patinaje, depende de la relación entre el tamaño de los neumáticos delanteros y traseros. Utilice únicamente neumáticos Toro genuinos.

La presión correcta de los neumáticos de las ruedas giratorias es de 3,40 bar.
Important: Mantenga la presión de todos los neumáticos para asegurar una buena calidad de corte y un rendimiento correcto de la máquina. No use los neumáticos con presiones menores que las recomendadas.Compruebe la presión de todos los neumáticos antes de utilizar la máquina.
| Intervalo de mantenimiento y servicio | Procedimiento de mantenimiento |
|---|---|
| Después de las primeras 10 horas |
|
| Cada 250 horas |
|
Si no se mantiene el par de apriete correcto de las tuercas de las ruedas, podría producirse un fallo o la pérdida de una rueda, lo que podría provocar lesiones personales.
Apriete las tuercas de las ruedas a 135–150 N·m, según el calendario de mantenimiento.
Puede ajustar la altura de corte de 25 a 153 mm en incrementos de 13 mm. Para ajustar la altura de corte, coloque los ejes de las ruedas giratorias en los taladros superiores o inferiores de las horquillas, añada o retire el mismo número de espaciadores de las horquillas y fije la cadena trasera (carcasa delantera solamente) en los taladros deseados.
Arranque el motor y eleve las unidades de corte para poder modificar la altura de corte.
Apague el motor y retire la llave cuando haya elevado la unidad de corte.
Coloque los ejes de las ruedas giratorias en los mismos taladros en todas las horquillas; consulte en la tabla (Figura 18) los taladros correctos para el ajuste.
Note: Para evitar la acumulación de hierba entre la rueda y la horquilla, utilice la máquina a una altura de corte de 76 mm o superior e instale el perno del eje en el taladro inferior de la horquilla. Si detecta una acumulación de hierba al utilizar la máquina con alturas de corte de menos de 76 mm, cambie el sentido de avance de la máquina para despegar los recortes de la zona de la rueda y la horquilla.

Usando la llave suministrada, afloje el casquillo tensor, retírelo del eje de la rueda giratoria, y retire el eje del brazo de la rueda giratoria (Figura 19).

Coloque el número necesario de espaciadores en el eje para obtener la altura de corte deseada.
Note: Consulte la tabla para determinar la combinación de espaciadores necesaria para cada altura (Figura 18).
Note: Puede utilizarse cualquier combinación de suplementos, encima o debajo del brazo de la rueda giratoria, según sea necesario, para obtener la altura de corte o la inclinación de la carcasa que se desee.
Inserte el eje por el brazo de la rueda giratoria delantera.
Coloque los suplementos (igual que en la instalación original) y los demás espaciadores en el eje (Figura 19).
Instale el casquillo tensor y apriételo con la llave suministrada para sujetar el conjunto (Figura 19).
Retire la chaveta y el pasador que fijan las cadenas de ajuste de la altura de corte a la parte trasera de la unidad de corte (Figura 20).

Monte las cadenas de altura de corte en el taladro de altura de corte deseado con el pasador y el pasador de horquilla (Figura 21).
Note: Para segar con alturas de corte de menos de 51 mm, mueva los patines, las ruedas niveladoras y los rodillos a los taladros más altos.

Arranque el motor y eleve las unidades de corte para poder modificar la altura de corte.
Apague el motor y retire la llave tras elevar la unidad de corte.
Coloque los ejes de las ruedas giratorias en los mismos taladros en todas las horquillas; consulte en la tabla los taladros correctos para una altura de corte determinada (Figura 22).
Note: Para evitar la acumulación de hierba entre la rueda y la horquilla, utilice la máquina a una altura de corte de 76 mm o superior e instale el perno del eje en el taladro inferior de la horquilla. Si detecta una acumulación de hierba al utilizar la máquina con alturas de corte de menos de 76 mm, cambie el sentido de avance de la máquina para despegar los recortes de la zona de la rueda y la horquilla.

Usando la llave suministrada, afloje el casquillo tensor, retírelo del eje de la rueda giratoria, y retire el eje del brazo de la rueda giratoria (Figura 23).
Note: Puede utilizarse cualquier combinación de suplementos, encima o debajo del brazo de la rueda giratoria, según sea necesario, para obtener la altura de corte o la inclinación de la carcasa que se desee.

5. Instale 2 suplementos sobre el eje tal y como se encontraban instalados originalmente y deslice la cantidad adecuada de espaciadores en el eje para obtener la altura de corte deseada.
Inserte el eje por el brazo de la rueda giratoria.
Coloque los suplementos (igual que en la instalación original) y los demás espaciadores en el eje.
Instale el casquillo tensor y apriételo con la llave suministrada para sujetar el conjunto.
Monte los patines interiores en la posición inferior cuando se utilicen alturas de corte de más de 51 mm, y en la posición superior cuando se utilicen alturas de corte de menos de 51 mm.
Ajuste los patines interiores (Figura 24).
Important: Apriete el tornillo delantero de cada patín a 9–11 N·m.

Monte los patines exteriores en la posición inferior cuando se utilicen alturas de corte de más de 51 mm, y en la posición superior cuando se utilicen alturas de corte de menos de 51 mm.
Note: Cuando los patines exteriores se desgastan, es posible pasarlos al lado opuesto del cortacésped, dándoles la vuelta. De esta manera, puede usar los patines exteriores durante más tiempo antes de cambiarlos.
Ajuste los patines exteriores (Figura 25).
Important: Apriete el tornillo en la parte delantera de cada patín exterior a entre 9 y 11 N·m.


Monte el rodillo en la posición inferior cuando se utilizan alturas de corte de más de 51 mm, y en una posición superior cuando se utilizan alturas de corte de menos de 51 mm.
Debido a diferencias en el estado del césped y a los ajustes de contrapeso de la unidad de tracción, debe realizar una prueba de siega y comprobar su aspecto antes de empezar a segar toda la zona.
Ajuste todas las unidades de corte a la altura de corte deseada, consulte Ajuste de la altura de corte.
Compruebe y ajuste la presión de los neumáticos delanteros y traseros.
Note: La presión correcta de los neumáticos delanteros es de 2,20 bar y de los traseros de 2.07 bar.
Compruebe la presión de los neumáticos de las ruedas giratorias y ajústela a 3,40 bar.
Compruebe las presiones de elevación y contrapeso con el motor a velocidad de RALENTÍ ALTO, usando los puntos de prueba; consulte Inspección de los puntos de prueba del sistema hidráulico.
Compruebe que las cuchillas no están dobladas; consulte Verificación de la rectilinealidad de las cuchillas.
Corte la hierba en una zona de prueba para determinar si todas las unidades de corte están segando a la misma altura.
Si es necesario ajustar una unidad de corte, busque una superficie plana usando un borde recto de 2 m o más para asegurarse de que la superficie está plana.
Para facilitar la medición del plano de las cuchillas, eleve la altura de corte a la posición más alta; consulte Ajuste de la altura de corte.
Baje las unidades de corte sobre la superficie plana y retire las cubiertas de la parte superior de las unidades de corte.
Gire la cuchilla de cada eje hasta que los extremos estén orientados hacia adelante y hacia atrás.
En los ejes de las cuchillas exteriores solamente, ajuste los suplementos en la misma medida en las horquillas de las ruedas giratorias delanteras, según la altura de corte deseada.
Mida desde el suelo hasta la punta delantera de la cuchilla de corte.
Gire la cuchilla 180° y mida desde el suelo hasta la punta de la cuchilla de corte.
Note: La punta trasera de la cuchilla debe estar 7,5 mm más alta que la delantera.
Note: Si necesita realizar ajustes, ajuste los suplementos en las horquillas de las ruedas giratorias traseras.
Alinee de lado a lado la cuchilla del eje exterior de ambas unidades de corte laterales.
Mida desde el suelo hasta la parte delantera del filo de corte de ambas unidades y compare las mediciones.
Note: La diferencia entre las medidas debe ser de 3 mm o menos. No haga ningún ajuste ahora mismo.
Alinee de lado a lado la cuchilla del eje interior de la unidad de corte lateral y del eje exterior correspondiente de la unidad de corte delantera.
Mida desde el suelo hasta la punta del filo de corte en el borde interior de la unidad de corte lateral hasta el borde exterior de la unidad de corte delantera y compare.
Note: Las ruedas giratorias de las unidades de corte laterales deben permanecer en el suelo con el contrapeso aplicado.
Note: Si es necesario efectuar algún ajuste para que coincida el corte entre las unidades de corte delanteras y laterales, realice los ajustes en las unidades de corte laterales solamente.
Si el borde interior de la unidad de corte lateral está demasiado alto respecto al borde exterior de la unidad de corte delantera, retire 1 suplemento de la parte inferior del brazo interior delantero de la rueda giratoria en la unidad de corte lateral (Figura 28 y Figura 29).
Note: Compruebe de nuevo la medida entre los bordes exteriores de ambas unidades de corte laterales y desde el borde interior de la unidad de corte lateral hasta el borde exterior de la unidad de corte delantera.


Si el borde interior sigue estando demasiado alto, retire otro suplemento de la parte inferior del brazo interior delantero de la rueda giratoria de la unidad de corte lateral y un suplemento del brazo exterior delantero de la rueda giratoria de la unidad de corte lateral (Figura 28 y Figura 29).
Si el borde interior de la unidad de corte lateral está demasiado bajo respecto al borde exterior de la unidad de corte delantera, añada 1 suplemento (3 mm) a la parte inferior del brazo interior delantero de la rueda giratoria en la unidad de corte lateral (Figura 28 y Figura 29).
Note: Compruebe de nuevo la medida entre los bordes exteriores de ambas unidades de corte laterales y desde el borde interior de la unidad de corte lateral hasta el borde exterior de la unidad de corte delantera.
Si el borde interior sigue estando demasiado bajo, añada otro suplemento a la parte inferior del brazo interior delantero de la rueda giratoria de la unidad de corte lateral y añada un suplemento al brazo exterior delantero de la rueda giratoria de la unidad de corte lateral.
Una vez que la altura de corte coincida en los bordes de las unidades de corte delantera y laterales, compruebe que la inclinación de la unidad de corte sigue siendo de 7,6 mm.
Siéntese en el asiento y ajuste el retrovisor para obtener la mejor visibilidad de la ventanilla trasera. Tire de la palanca hacia atrás para inclinar el espejo para reducir los reflejos deslumbrantes (Figura 30).

Siéntese en el asiento y pida a otra persona que ajuste los retrovisores laterales para obtener la mejor visibilidad por el costado de la máquina (Figura 30).
Afloje las tuercas de montaje y posicione cada faro de manera que apunte directamente hacia adelante.
Note: Apriete la tuerca de montaje justo lo suficiente para sujetar el faro.
Coloque una chapa metálica plana sobre la cara del faro.
Coloque un transportador de ángulos magnético sobre la chapa.
Sujetando el conjunto, incline el faro cuidadosamente hacia abajo 3 grados y luego apriete la tuerca.
Repita este procedimiento en el otro faro.
Si los interruptores de seguridad están desconectados o dañados, la máquina podría ponerse en marcha inesperadamente, causando lesiones personales.
No manipule ni desactive los sistemas de seguridad.
Compruebe la operación de los interruptores de seguridad cada día, y sustituya cualquier interruptor dañado antes de operar la máquina.
El sistema de interruptores de seguridad de la máquina ha sido diseñado para deshabilitar la tracción si el operador abandona el asiento con el pedal de tracción fuera de la posición de PUNTO MUERTO. La transmisión de la carcasa también se desengrana en la misma situación. No obstante, el operador puede abandonar el asiento con el motor en marcha si el pedal de tracción está en la posición de PUNTO MUERTO.
Conduzca la máquina lentamente a una zona amplia y despejada.
Baje la unidad o las unidades de corte, pare el motor y accione el freno de estacionamiento.
Mueva el pedal de tracción a una posición que no sea la de PUNTO MUERTO y arranque el motor.
Note: El motor no debe arrancar. Si arranca, hay un problema con el sistema de seguridad que debe corregirse antes de continuar con la operación.
Retire el pie del pedal de tracción, arranque el motor y accione el freno de estacionamiento.
Con el motor en marcha, mueva el pedal de tracción a una posición que no sea la de PUNTO MUERTO.
Note: La transmisión de tracción no debe funcionar. Si funciona, hay un problema con el sistema de seguridad que debe corregirse antes de continuar con la operación.
Arranque el motor.
Con el motor en marcha, levántese del asiento y engrane la toma de fuerza.
Note: La toma de fuerza no debe engranarse. Si se engrana, hay un problema con el sistema de seguridad que debe corregirse antes de continuar con la operación.
Siéntese en el asiento y desengrane la toma de fuerza.
Con el motor en marcha, engrane la toma de fuerza y levántese del asiento.
Note: La TDF debe desengranarse después de una demora de 1 segundo. Si no es así, hay un problema con el sistema de seguridad que debe corregirse antes de continuar con la operación.
Siéntese en el asiento, desengrane la toma de fuerza y arranque el motor.
Con el motor en marcha, engrane la toma de fuerza y eleve cada unidad de corte de forma individual.
Note: Las cuchillas de la unidad de corte elevada deben detenerse. Si no se detienen, hay un problema con el sistema de seguridad que debe corregirse antes de continuar con la operación.
| Intervalo de mantenimiento y servicio | Procedimiento de mantenimiento |
|---|---|
| Cada vez que se utilice o diariamente |
|
Las cuchillas de la unidad de corte deben detenerse por completo en aproximadamente 5 segundos después de apagar el interruptor de engranado de la carcasa de corte.
Note: Asegúrese de bajar las carcasas sobre una zona limpia de césped o superficie dura para evitar que se arrojen polvo y residuos. Para verificar el tiempo de parada, haga que otra persona se aleje al menos 6 m de la carcasa y observe las cuchillas de una de las unidades de corte. Pare las unidades de corte y registre el tiempo necesario para que las cuchillas se detengan por completo. Si el tiempo es superior a 7 segundos, ajuste la válvula de frenado; póngase en contacto con su distribuidor Toro autorizado para obtener asistencia a la hora de realizar este ajuste.
El propietario/operador puede prevenir y es responsable de cualquier accidente que pudiera provocar lesiones personales o daños materiales.
Lleve ropa adecuada, incluida protección ocular, pantalones largos, calzado resistente y antideslizante y protección auricular. Si tiene el pelo largo, recójaselo, y no lleve prendas o joyas sueltas. Lleve una mascarilla en condiciones de mucho polvo.
No utilice la máquina si está enfermo, cansado o bajo la influencia de alcohol o drogas.
Preste toda su atención al utilizar la máquina. No realice ninguna actividad que genere distracciones, de lo contrario pueden producirse lesiones o daños en la propiedad.
Antes de arrancar el motor, asegúrese de que todas las transmisiones están en punto muerto, de que el freno estacionamiento está accionado y de que usted se encuentra en la posición del operador.
No lleve pasajeros en la máquina y mantenga a otras personas alejadas de la zona de trabajo.
Utilice la máquina únicamente con buena visibilidad para evitar agujeros y peligros ocultos.
Evite segar la hierba mojada. La reducción de la tracción podría hacer que la máquina se resbalara.
Mantenga las manos y los pies alejados de las piezas en movimiento. Manténgase alejado de la apertura de descarga.
Mire hacia atrás y hacia abajo antes de poner marcha atrás para asegurarse de que el camino está despejado.
Tenga cuidado al acercarse a esquinas ciegas, arbustos, árboles u otros objetos que puedan dificultar la visión.
Pare las cuchillas si no está segando.
Detenga la máquina, retire la llave y espere a que todas las piezas en movimiento se detengan antes de inspeccionar el accesorio después de golpear un objeto o si se produce una vibración anormal en la máquina. Realice todas las reparaciones necesarias antes de volver a utilizar la máquina.
Vaya más despacio y tenga cuidado al girar y al cruzar calles y aceras con la máquina. Ceda el paso siempre.
Desengrane la transmisión de la unidad de corte, apague el motor, retire la llave y espere a que se detenga todo movimiento antes de ajustar la altura de corte (a menos que pueda ajustarse desde la posición del operador).
Accione el motor únicamente en áreas bien ventiladas. Los gases de escape contienen monóxido de carbono, que resulta letal si se inhala.
No deje nunca desatendida la máquina si está funcionando.
Antes de dejar el puesto del operador, realice lo siguiente:
Aparque la máquina en una superficie nivelada.
Desengrane la toma de fuerza y baje los accesorios.
Accione el freno de estacionamiento.
Apague el motor y retire la llave.
Espere a que se detenga todo movimiento.
Utilice la máquina únicamente con buena visibilidad. No utilice la máquina cuando exista riesgo de caída de rayos.
No utilice la máquina como un vehículo de remolcado.
Utilice solamente los accesorios, los aperos y las piezas de repuesto aprobados por Toro.
Utilice el control de crucero (si está instalado) únicamente cuando pueda utilizar la máquina en una zona abierta, llana y libre de obstáculos, y donde la máquina pueda desplazarse a una velocidad constante sin interrupción.
El ROPS es un dispositivo de seguridad integrado y eficaz.
No retire ninguno de los componentes del ROPS de la máquina.
Asegúrese de que el cinturón de seguridad está sujeto a la máquina.
Tire del cinturón sobre el regazo y conéctelo a la hebilla en el otro lado del asiento.
Para desabrochar el cinturón de seguridad, sujete el cinturón, pulse el botón de la hebilla para soltar el cinturón y guié el cinturón hasta el orificio de recogida automática. Asegúrese de que puede desabrochar rápidamente el cinturón de seguridad en caso de emergencia.
Compruebe detenidamente si hay obstrucciones sobre la máquina y no entre en contacto con ellas.
Mantenga el ROPS en condiciones seguras de funcionamiento, inspeccionándolo periódicamente en busca de daños y manteniendo bien apretados todas las fijaciones de montaje.
Sustituya los componentes del ROPS dañados. No los repare ni los modifique.
Una cabina instalada por Toro es una barra antivuelco.
Lleve puesto siempre el cinturón de seguridad.
Las pendientes son una de las principales causas de accidentes por pérdida de control y vuelcos, que pueden causar lesiones graves o la muerte. Usted es responsable de la seguridad cuando trabaja en pendientes. La conducción de la máquina en pendientes requiere extremar la precaución.
Evalúe las condiciones del lugar de trabajo para determinar si es seguro trabajar en la pendiente con la máquina; puede ser necesario realizar un estudio detallado de la zona. Aplique siempre el sentido común y un buen criterio a la hora de realizar esta valoración.
Consulte las instrucciones sobre el uso de la máquina en pendientes indicadas a continuación para determinar si puede utilizar la máquina con las condiciones del día y del lugar concretos. Los cambios en el terreno pueden producir un cambio en el funcionamiento de la máquina en pendientes.
Evite arrancar, parar o girar la máquina en cuestas o pendientes. Evite realizar cambios bruscos de velocidad o de dirección. Realice giros de forma lenta y gradual.
No utilice la máquina en condiciones que puedan comprometer la tracción, la dirección o la estabilidad de la máquina.
Retire o señale obstrucciones como terraplenes, baches, surcos, montículos, rocas u otros peligros ocultos. La hierba alta puede ocultar obstrucciones. Un terreno irregular podría hacer volcar la máquina.
Tenga en cuenta que conducir en hierba mojada, atravesar pendientes empinadas, o bajar cuestas puede hacer que la máquina pierda tracción. La pérdida de tracción de las ruedas motrices puede hacer que la máquina patine, así como sufrir pérdida de frenado o de dirección.
Extreme las precauciones cuando utilice la máquina cerca de terraplenes, fosas, taludes, obstáculos de agua u otros obstáculos. La máquina podría volcar repentinamente si una rueda pasa por el borde de un terraplén o fosa, o si se socava un talud. Establezca un área de seguridad entre la máquina y cualquier peligro.
Identifique peligros situados en la base de la pendiente. Si hay algún peligro, siegue la pendiente con una máquina controlada por un peatón.
Si es posible, mantenga la(s) unidad(es) de corte bajada(s) hasta el suelo al utilizar la máquina en pendientes. Si la(s) unidad(es) de corte se eleva(n) en pendientes, la máquina puede desestabilizarse.
Extreme las precauciones cuando utilice sistemas de recogida de hierba u otros accesorios. Estos pueden cambiar la estabilidad de la máquina y causar pérdidas de control.
Asegúrese de que el freno de estacionamiento está accionado.
Retire el pie del pedal de tracción y asegúrese de que el pedal está en la posición de PUNTO MUERTO.
Gire la llave de contacto a MARCHA.
Cuando se atenúe el indicador de la bujía, gire la llave a ARRANQUE.
Suelte la llave inmediatamente cuando el motor arranque y deje que vuelva a MARCHA.
Deje que el motor se caliente a velocidad baja (sin carga) durante 3 a 5 minutos, luego accione el mando del acelerador para obtener la velocidad de motor deseada.
Important: El motor de arranque se desengrana automáticamente después de 30 segundos para evitar un fallo prematuro del motor de arranque. Si el motor no arranca tras 30 segundos, ponga la llave en la posición de DESCONECTADA, vuelva a comprobar los controles y los procedimientos, espere dos minutos y repita el procedimiento de arranque.
Note: Cuando la temperatura del fluido hidráulico está por debajo de 4 °C, la máquina funciona en el modo de precalentamiento; la velocidad del motor se limita a 1650 rpm y el intervalo alto de la tracción queda deshabilitado. Cuando el fluido llega a la temperatura de 4 °C, se desactiva el modo de precalentamiento.
Ponga el mando del acelerador en la posición de RALENTí BAJO.
Mueva el interruptor de la toma de fuerza a la posición de DESENGRANADO.
Accione el freno de estacionamiento.
Gire la llave de contacto a la posición de DESCONECTADO.
Retire la llave de contacto para evitar un arranque accidental.
Important: Deje que el motor funcione en ralentí durante 5 minutos antes de pararlo después de funcionar a carga máxima. Si no lo hace, pueden producirse complicaciones con el turbo.
Siéntese en el asiento del operador y arranque el motor.
Note: Cuando se utiliza la máquina a menos de 2000 rpm (por ejemplo, con el motor a velocidad de ralentí bajo o al introducir o sacar la máquina en/de un edificio), no es posible elevar todas las unidades de corte al mismo tiempo. En lugar de ello, solo se puede elevar 1 unidad de corte a la vez.
Presione hacia atrás los interruptores de elevación de las carcasas para elevar las carcasas.
Usando la palanca, desenganche los cierres que sujetan las carcasas en la posición elevada.
Siéntese en el asiento del operador y gire la llave de contacto a la posición de MARCHA (Figura 31).

Presione hacia adelante los interruptores de elevación de las carcasas para bajar las carcasas.
El filtro de partículas diésel (DPF) elimina el hollín del sistema de escape del motor.
El proceso de regeneración del DPF utiliza el calor de los gases de escape del motor, incrementado por el catalizador, para reducir a cenizas el hollín acumulado.
Para mantener limpio el DPF, recuerde lo siguiente:
Haga funcionar el motor a la velocidad máxima del motor cuando sea posible para potenciar la limpieza automática del DPF.
Utilice el aceite de motor correcto.
Minimice el tiempo durante el cual el motor está en ralentí.
Utilice únicamente combustible diésel ultra bajo en azufre.
Utilice y mantenga la máquina teniendo en cuenta la función del DPF. El motor bajo carga produce normalmente una temperatura suficiente en los gases de escape para la regeneración del DPF.
Important: Minimice el tiempo durante el cual el motor está en ralentí o a baja velocidad, para ayudar a reducir la acumulación de hollín en el DPF.
La temperatura de los gases de escape es alta (alrededor de 600 °C durante la regeneración del DPF. El gas de escape caliente puede dañarle a usted o a otras personas.
No ponga en marcha el motor en un lugar cerrado.
Asegúrese de que no haya materiales inflamables alrededor del sistema de escape.
Asegúrese de que los gases de escape calientes no entren en contacto con superficies que podrían ser dañadas por el calor.
No toque ningún componente caliente del sistema de escape.
No se sitúe cerca del tubo de escape de la máquina.
| Icono | Definición del icono |
![]() | • Icono de regeneración estacionaria o de recuperación – regeneración solicitada. |
| • Realice la regeneración inmediatamente. | |
![]() | • Regeneración aceptada; la solicitud se está procesando. |
![]() | • Regeneración en progreso; la temperatura del escape es elevada. |
![]() | • Funcionamiento defectuoso del sistema de control de NOx; la máquina necesita mantenimiento. |
| Tipo de regeneración | Condiciones que producen la regeneración del DPF | Descripción del funcionamiento del DPF |
|---|---|---|
| Regeneración pasiva | Se produce durante el funcionamiento normal de la máquina con velocidad alta o carga alta del motor | • El InfoCenter no muestra ningún icono que indique la regeneración pasiva. |
| • Durante la regeneración pasiva, el DPF procesa los gases de escape a alta temperatura, oxidando las emisiones dañinas y quemando el hollín hasta convertirlo en ceniza. | ||
| Regeneración de asistencia | Se produce por la baja velocidad del motor, la baja carga del motor o después de que el ordenador detecte que el DPF se ha obstruido con hollín | • El InfoCenter no muestra ningún icono que indique la regeneración de asistencia. |
| • Durante la regeneración de asistencia, el ordenador del motor ajusta la configuración del motor para aumentar la temperatura de los gases de escape. | ||
| Regeneración de restablecimiento | Se produce cada 100 horas | • Cuando aparece el icono de alta temperatura
de los gases de escape en el InfoCenter, se encuentra en curso una regeneración. |
| Se produce también si en el uso normal del motor se sobrepasa la acumulación permitida de hollín dentro del filtro. | ||
| • Durante la regeneración de reinicio, la computadora del motor mantiene una velocidad elevada del motor para asegurar la regeneración del filtro. |
| Tipo de regeneración | Condiciones que producen la regeneración del DPF | Descripción del funcionamiento del DPF |
|---|---|---|
| Con la máquina aparcada | Se produce porque la computadora determina que la limpieza automático del DPF no ha sido suficiente. | • Cuando se muestra el icono de
regeneración de reinicio-standby/estacionaria o de recuperación o se solicita una regeneración. |
| También se produce si se inicia una regeneración estacionaria | ||
| Puede ocurrir porque se ha iniciado la inhibición de la regeneración, lo que ha deshabilitado la limpieza automática del DPF | • Realice una regeneración con la máquina aparcada lo antes posible para evitar que sea necesaria una regeneración de recuperación. | |
| Puede producirse por utilizar el combustible o el aceite del motor incorrecto | • Una regeneración con la máquina aparcada tarda en realizarse entre 30 y 60 minutos. | |
| • El depósito debe disponer al menos de ¼ de combustible. | ||
| • Debe aparcar la máquina para realizar una regeneración con la máquina aparcada. | ||
| Regeneración de recuperación | Se produce porque la solicitud de recuperación estacionaria ha sido ignorada, lo que ha permitido una obstrucción crítica del DPF | • Cuando se muestra el icono de regeneración
de reinicio-standby/estacionaria o de recuperación se solicita una regeneración. |
| • Una regeneración de recuperación tarda en realizarse hasta 3 horas. | ||
| • El depósito debe disponer como mínimo de la mitad de capacidad de combustible. | ||
| • Debe aparcar la máquina para realizar la regeneración de recuperación. |
En MAIN MENU (menú principal), vaya a SETTINGS (Ajustes) y pulse el botón Seleccionar.
En SERVICE (Mantenimiento), vaya a DPF REGENERATION (Regeneración del DPF) y pulse el botón Seleccionar.
Seleccione la función de regeneración que necesita.

Vaya al menú DPF REGENERATION (Regeneración del DPF) y desplácese a LAST REGEN (Última regeneración).
Seleccione la opción LAST REGEN (Última regeneración).
Utilice el campo LAST REGEN (Última regeneración) para determinar cuántas horas se ha utilizado la máquina desde la última regeneración de restablecimiento, con la máquina aparcada o de recuperación.
Seleccione el botón Atrás para volver a la pantalla DPF REGENERATION (Regeneración del DPF).

La regeneración de restablecimiento produce una gran cantidad de gases de escape del motor. Si va a utilizar la máquina alrededor de árboles, maleza, hierba alta u otros materiales o plantas sensibles a la temperatura, puede utilizar el ajuste INHIBIT REGEN (Inhibir regeneración) para impedir que la computadora del motor realice una regeneración de reinicio.
Note: La opción INHIBIT REGEN (Inhibir regeneración) se utiliza siempre cuando se realizan operaciones de mantenimiento en la máquina en un lugar cerrado.
Note: Si usted configura el InfoCenter para que inhiba la regeneración, el InfoCenter muestra un aviso cada 15 minutos mientras el motor solicita una regeneración de reinicio.
Important: Al apagar el motor y volver a encenderlo, el ajuste de Inhibit Regen (Inhibir regeneración) se encuentra de forma predeterminada en OFF (Desconectado).
Vaya al menú DPF REGENERATION (Regeneración del DPF), y desplácese hacia abajo a INHIBIT REGEN (Inhibir regeneración).
Seleccione la opción INHIBIT REGEN (Inhibir regeneración).
Cambie Inhibir regeneración de DESACTIVADO a ACTIVADO.
Asegúrese de que la máquina tiene combustible en el depósito para el tipo de regeneración que vaya a realizar:
Regeneración estacionaria: Asegúrese de tener ¼ de depósito de combustible antes de realizar la regeneración estacionaria.
Regeneración de recuperación: Asegúrese de que el depósito dispone de al menos la mitad de combustible.
Lleve la máquina al exterior, a una zona alejada de materiales combustibles o objetos que podrían resultar dañados por el calor.
Aparque la máquina en una superficie nivelada, mueva todos los controles a PUNTO MUERTO, desengrane la TDF y baje las unidades de corte.
Ponga el freno de estacionamiento y deje que el motor alcance la velocidad de ralentí bajo.
Cuando la computadora del motor solicita una regeneración estacionaria, siga los mensajes del InfoCenter.
Important: El ordenador de la máquina cancela la regeneración del DPF si aumenta la velocidad del motor desde el ralentí bajo o se quita el freno de estacionamiento.
Vaya al menú DPF REGENERATION (Regeneración del DPF), desplácese hacia abajo a PARKED REGEN (Regeneración estacionaria) o RECOVERY REGEN (Regeneración de recuperación).
Seleccione PARKED REGEN (Regeneración estacionaria) o RECOVERY REGEN (Regeneración de recuperación).
Note: Para iniciar una regeneración de recuperación tendrá que introducir el código PIN correcto.
En la pantalla REGEN PARAMETERS (parámetros de regeneración), compruebe que tiene ¼ depósito de combustible si va a realizar la regeneración estacionaria, o ½ depósito de combustible si va a realizar la regeneración de recuperación. Compruebe que el freno de estacionamiento está puesto y que la velocidad del motor está en ralentí bajo. Pulse el botón Seleccionar para continuar.
En la pantalla INITIATE DPF REGEN (Iniciar regeneración de DPF), pulse el botón Siguiente para continuar.
El InfoCenter muestra el mensaje INITIATE DPF REGEN (Iniciar regeneración del DPF).
Note: Si es necesario, pulse el icono Cancelar para cancelar el proceso de regeneración.
El InfoCenter muestra el mensaje con el tiempo necesario para completar la regeneración.
El InfoCenter muestra la pantalla de inicio y aparece
el icono de Regeneración aceptada
.
Note: Mientras se ejecuta la regeneración del DPF, el InfoCenter
muestra el icono de temperatura alta de los gases de escape
.
Cuando la computadora del motor finaliza una regeneración estacionaria o de recuperación, el InfoCenter muestra un aviso. Pulse cualquier botón para salir de la pantalla de inicio.
Note: Si la regeneración no se completa, siga el aviso, y pulse cualquier tecla para salir a la pantalla de Inicio.
Utilice PARKED REGEN CANCEL (Cancelar regeneración estacionaria) o RECOVERY REGEN CANCEL (Cancelar regeneración de recuperación) para cancelar un proceso activo de regeneración estacionaria o de recuperación.
Vaya al menú DPF REGENERATION (Regeneración del DPF), y vaya a PARKED REGEN (Regeneración estacionaria) o RECOVERY REGEN (Regeneración de recuperación).
Pulse el botón Seleccionar para cancelar una Regeneración estacionaria o una Regeneración de recuperación.

Practique la conducción de la máquina, porque tiene una transmisión hidrostática y sus características pueden ser distintas a otras máquinas de mantenimiento de césped.
Con Smart Power™ de Toro, no tiene que estar pendiente de la velocidad del motor en condiciones de carga pesada. El sistema Smart Power evita que el motor se ahogue en condiciones de siega difíciles, al controlar automáticamente la velocidad de la máquina y optimizar el rendimiento de corte.
Si el sistema Smart Power™ de Toro está deshabilitado, debe regular el pedal de tracción para mantener las revoluciones del motor (rpm) altas y constantes. Esto debe realizarse para que se mantenga suficiente potencia para la unidad de tracción y el accesorio durante el funcionamiento. Reduzca la velocidad de avance a medida que aumenta la carga sobre el accesorio y aumente la velocidad de avance a medida que la carga disminuye.
Deje que se mueva el pedal de tracción hacia atrás a medida que disminuye la velocidad del motor (rpm), y pise el pedal lentamente a medida que aumenta su velocidad. Por el contrario, cuando conduce de una zona de trabajo a otra sin carga y con la unidad de corte elevada, ponga el acelerador en la posición más alta y pise lentamente pero a fondo el pedal de tracción para obtener la máxima velocidad de avance.
Antes de parar el motor, desengrane todos los controles y reduzca la velocidad del motor a RALENTí BAJO (1000 rpm). Gire la llave a la posición DESCONECTADO para parar el motor.
Antes de transportar la máquina, eleve las unidades de corte y fije los cierres de transporte de la unidad de corte lateral (Figura 35).

Esta máquina ha sido diseñada con dos sistemas de voltaje: 12 V y 24 V.
El sistema de 12 V alimenta todas las funciones de la máquina, salvo los ventiladores de refrigeración del motor y los ventiladores de refrigeración del sistema hidráulico. Las 2 baterías grandes de 12 V situadas en la esquina derecha trasera de la máquina están conectadas en paralelo para suministrar 12 V nominales. El alternador del motor de 12 V carga estas baterías.
El sistema de 24 V alimenta los ventiladores de refrigeración del motor y los ventiladores de refrigeración del sistema hidráulico. Las 2 baterías pequeñas de 12 V situadas en la esquina derecha trasera de la máquina están conectadas en serie para suministrar 24 V nominales. El alternador de 24 V carga estas baterías.
El interruptor de desconexión de las baterías está situado en el lado derecho trasero de la máquina. Este interruptor puede utilizarse para desconectar la corriente de las baterías durante los procedimientos de ajuste o mantenimiento.
La velocidad de los ventiladores hidráulicos es controlada por la temperatura del fluido hidráulico. La velocidad del ventilador del radiador es controlada por la temperatura del refrigerante del motor. Un ciclo de inversión inicia automáticamente ambos ventiladores cuando la temperatura del refrigerante del motor o del fluido hidráulico llega a un punto determinado. Esta inversión ayuda a eliminar residuos de las rejillas, lo que reduce la temperatura del motor y del fluido hidráulico (Figura 36). Además, los ventiladores del radiador realizan un ciclo inverso cada 21 minutos, cualquiera que sea la temperatura del refrigerante.

Arranque el motor y déjelo funcionar en la posición de RALENTí MEDIO hasta que se caliente. Mueva el interruptor de velocidad del motor a RALENTí ALTO, eleve las unidades de corte, quite el freno de estacionamiento, pise el pedal de tracción hacia adelante y conduzca con cuidado a un espacio abierto.
Practique la conducción hacia adelante y hacia atrás, y el arranque y la parada de la máquina. Para parar, levante el pie del pedal de tracción y déjelo volver a PUNTO MUERTO, o pise el pedal de marcha atrás para parar.
Note: Al bajar una pendiente en la máquina, posiblemente tenga que pisar el pedal de marcha atrás para parar.
Practique la conducción alrededor de obstáculos con las unidades de corte elevadas y bajadas. Tenga cuidado al conducir entre objetos para no dañar la máquina ni las unidades de corte.
Siempre conduzca lentamente en terrenos irregulares.
Si hay un obstáculo en su camino, eleve las unidades de corte para segar alrededor del mismo.
Cuando transporte la máquina de una zona de trabajo a otra, apague la TDF, eleve totalmente las unidades de corte, pulse el interruptor de segado/transporte a la posición de TRANSPORTAR, enganche los cierres de transporte y ponga el acelerador en posición RáPIDO.
Cambie los patrones de siega a menudo para minimizar los problemas de acabado por segar repetidamente en un solo sentido.
El sistema de contrapeso mantiene una contrapresión hidráulica en los cilindros de elevación de la unidad de corte. Esta presión mejora la tracción al transferir el peso de la unidad de corte a las ruedas de tracción de la segadora. La presión de contrapeso se ajusta en fábrica para proporcionar un equilibrio óptimo entre aspecto después del corte y tracción en la mayoría de las condiciones de césped.
Una reducción del ajuste de contrapeso puede producir una mayor estabilidad en la unidad de corte, pero puede reducir la tracción. Un aumento del ajuste de contrapeso puede aumentar la tracción, pero puede dar lugar a problemas con el aspecto después del corte. Consulte las instrucciones del Manual de mantenimiento de la unidad de tracción si desea ajustar la presión de contrapeso.
Consulte la Guía de solución de problemas con el aspecto después del corte disponible en www.Toro.com.
Para empezar a cortar, engrane las unidades de corte, y acérquese lentamente a la zona de siega.
Para lograr un corte en línea recta y un rayado profesional, deseable para algunas aplicaciones, busque un árbol u otro objeto distante y conduzca directamente hacia él.
En cuanto las unidades de corte delanteras lleguen al borde de la zona de siega, gire en forma de lágrima para alinearse rápidamente para la siguiente pasada.
Se encuentran disponibles deflectores de mulching instalados con pernos para las unidades de corte. Los deflectores funcionan bien cuando el césped se siega regularmente, evitando cortar más de 25 mm de hierba en cada sesión de corte. Cuando se corta una cantidad excesiva de hierba con los deflectores de mulching instalados, el aspecto después del corte puede deteriorarse y se necesita más potencia para cortar la hierba. Los deflectores de mulching también funcionan bien cuando se trata de picar hojas en el otoño.
Durante la siega, corte aproximadamente un tercio de la hoja de hierba. Si la hierba es excepcionalmente densa y frondosa, es posible que tenga que elevar la altura de corte en una posición (Figura 37).

La inclinación longitudinal de la carcasa de corte es la diferencia de altura de corte entre el borde delantero del plano de la cuchilla y el borde trasero del plano de la cuchilla. Utilice una inclinación de las cuchillas de 7,6 mm. Con una inclinación de más de 7,6 mm se necesitará menos potencia, los recortes son más largos y la calidad de corte es peor. Con una inclinación de menos de 7,6 mm, se necesitará más potencia, los recortes serán más cortos y la calidad de corte será mayor.
Para limitar los efectos de la radiación solar, aparque la máquina en una zona sombreada o deje las puertas abiertas si aparca a pleno sol.
Asegúrese de que la rejilla del aire acondicionado está limpia.
Asegúrese de que las aletas del condensador del aire acondicionado está limpias.
Utilice el soplador del aire acondicionado a velocidad media.
Asegúrese de que exista una junta continua entre el techo y el forro del mismo y corríjala si fuera necesario.
Mida la temperatura de aire en el orificio de ventilación central delantero del forro del techo. Se estabiliza normalmente a 10° C o menos.
Si necesita más información, consulte el manual de mantenimiento.
Apague el motor, retire la llave y espere a que se detenga todo movimiento antes de dejar el puesto del operador. Deje que la máquina se enfríe antes de realizar ajustes, tareas de mantenimiento y de limpieza o de guardarla.
Para ayudar a prevenir incendios, asegúrese de que las unidades de corte, las transmisiones, los silenciadores, las rejillas de refrigeración y el compartimento del motor están libres de acumulaciones de hierba y residuos. Limpie cualquier aceite o combustible derramado.
Si las unidades de corte están en la posición de transporte, utilice el bloqueo mecánico positivo (si está disponible) antes de dejar la máquina desatendida.
Espere a que se enfríe el motor antes de guardar la máquina en un recinto cerrado.
Retire la llave y cierre el combustible (si está equipado) antes de guardar o transportar la máquina.
No guarde nunca la máquina o un recipiente de combustible cerca de una llama desnuda, chispa o llama piloto, por ejemplo en un calentador de agua u otro electrodoméstico.
Realice el mantenimiento de los cinturones y límpielos cuando sea necesario
Note: Esta alarma es un recordatorio para evitar que la batería se descargue.
La alarma suena cuando se producen las siguientes condiciones:
El motor se para.
La llave está en la posición de marcha.
El operador no está en el asiento.
Important: No empuje ni remolque la máquina a una velocidad superior a entre 3 y 4,8 km/h. Si empuja o remolca la máquina a una velocidad superior, puede dañarse el sistema de transmisión interno.Las válvulas de alivio debe estar abiertas antes de empujar o remolcar la máquina.
Levante el capó y localice las válvulas de desvío en la bomba.

Afloje las dos válvulas de remolcado de la transmisión hidrostática.
Gire cada válvula 3 vueltas en sentido antihorario para abrirla y dejar pasar el fluido internamente.
Quite manualmente el freno de estacionamiento automático usando la válvula de desvío y el émbolo, según se muestra en Figura 39.

Empuje o remolque la máquina.
Termine de empujar o remolcar la máquina y cierre la válvula de desvío. Apriete la válvula a 70 N·m.
Note: El seguro del freno de estacionamiento manual se repone automáticamente cuando se arranca el motor o cuando se tira hacia arriba del pomo de la válvula de desvío.

Retire la llave y cierre el combustible (si está equipado) antes de guardar o transportar la máquina.
Tenga cuidado al cargar o descargar la máquina en/desde un remolque o un camión.
Utilice rampas de ancho completo para cargar la máquina en un remolque o un camión.
Amarre la máquina firmemente.
Note: Los lados derecho e izquierdo de la máquina se determinan desde la posición normal del operador.
Important: Consulte los demás procedimientos de mantenimiento del manual del propietario del motor.
Important: Si está realizando tareas de mantenimiento en la máquina y hace funcionar el motor con un conducto de extracción de los gases de escape, establezca el ajuste de inhibición de la regeneración en ON (Activado); consulte Ajuste de la inhibición de la regeneración.
Antes de dejar el puesto del operador, realice lo siguiente:
Aparque la máquina en una superficie nivelada.
Desengrane la toma de fuerza y baje los accesorios.
Accione el freno de estacionamiento.
Apague el motor y retire la llave.
Espere a que se detenga todo movimiento.
Lleve ropa adecuada, incluyendo protección ocular, pantalón largo y calzado resistente y antideslizante. Mantenga las manos, los pies, las joyas y el pelo largo alejados de las piezas en movimiento.
Si deja la llave en el interruptor, alguien podría arrancar el motor accidentalmente y causar lesiones graves a usted o a otras personas. Retire la llave del interruptor antes de realizar cualquier operación de mantenimiento.
Deje que los componentes de la máquina se enfríen antes de realizar el mantenimiento.
Si las unidades de corte están en la posición de transporte, utilice el bloqueo mecánico positivo (si está disponible) antes de dejar la máquina desatendida.
Si es posible, no realice tareas de mantenimiento con el motor en marcha. Manténgase alejado de las piezas en movimiento.
Accione el motor únicamente en áreas bien ventiladas. Los gases de escape contienen monóxido de carbono, que resulta letal si se inhala.
Apoye la máquina con caballetes siempre que trabaje debajo de la máquina.
Alivie con cuidado la tensión de aquellos componentes que tengan energía almacenada.
Mantenga todas las piezas en buen estado de funcionamiento y todos los herrajes bien apretados, sobre todo los accesorios de las cuchillas.
Sustituya cualquier calcomanía desgastada o deteriorada.
Para garantizar un rendimiento seguro y óptimo de la máquina, utilice únicamente piezas de repuesto genuinas Toro. Las piezas de repuesto de otros fabricantes podrían ser peligrosas y su uso podría invalidar la garantía del producto.
| Intervalo de mantenimiento y servicio | Procedimiento de mantenimiento |
|---|---|
| Después de las primeras 10 horas |
|
| Después de las primeras 50 horas |
|
| Cada vez que se utilice o diariamente |
|
| Cada 50 horas |
|
| Cada 100 horas |
|
| Cada 250 horas |
|
| Cada 400 horas |
|
| Cada 500 horas |
|
| Cada 800 horas |
|
| Cada 1000 horas |
|
| Cada 1500 horas |
|
| Cada 2000 horas |
|
| Cada 3000 horas |
|
| Antes del almacenamiento |
|
| Cada 2 años |
|
Duplique esta página para su uso rutinario.
| Elemento a comprobar | Para la semana de: | ||||||
|---|---|---|---|---|---|---|---|
| Lunes | Martes | Miércoles | Jueves | Viernes | Sábado | Domingo | |
| Compruebe el funcionamiento de los interruptores de seguridad. | |||||||
| Compruebe el funcionamiento de los frenos. | |||||||
| Compruebe el nivel de aceite del motor. | |||||||
| Compruebe el nivel de fluido del sistema de refrigeración. | |||||||
| Drene el separador de agua/combustible. | |||||||
| Compruebe el filtro de aire, la tapa del filtro y la válvula de alivio | |||||||
| Compruebe que no hay ruidos extraños en el motor.1 | |||||||
| Compruebe las rejillas del radiador y del enfriador de fluido hidráulico, y elimine los residuos con aire comprimido. | |||||||
| Compruebe que no hay ruidos extraños de operación. | |||||||
| Compruebe el nivel del fluido del sistema hidráulico. | |||||||
| Compruebe que las mangueras hidráulicas no están dañadas. | |||||||
| Compruebe que no hay fugas de fluidos. | |||||||
| Compruebe el nivel de combustible. | |||||||
| Compruebe la presión de los neumáticos y las ruedas giratorias. | |||||||
| Compruebe la operación de los instrumentos. | |||||||
| Compruebe el ajuste de altura de corte. | |||||||
| Lubrique todos los engrasadores.2 | |||||||
| Limpie la máquina. | |||||||
| Retoque la pintura dañada. | |||||||
|
1Compruebe la bujía, las boquillas de los inyectores y los filtros de aire del motor en caso de dificultad para arrancar, exceso de humo o funcionamiento irregular. 2Inmediatamente después de cada lavado, aunque no corresponda a los intervalos citados. |
|||||||
| Inspección realizada por: | ||
| Elemento | Fecha | Información |
Abra el capó para tener acceso al interruptor de desconexión de las baterías.
Mueva el interruptor de desconexión de la batería a la posición de ENCENDIDO o APAGADO según se indica a continuación:
Para suministrar energía eléctrica a la máquina, gire el interruptor de desconexión de la batería en sentido horario a la posición de ENCENDIDO (Figura 43).
Para interrumpir el suministro de energía eléctrica de la máquina, gire el interruptor de desconexión de la batería en sentido antihorario a la posición de APAGADO (Figura 43).
Important: No gire el interruptor de desconexión de las baterías a la posición de DESCONECTADO mientras el motor está en marcha. Asegúrese de que la máquina está apagada antes de girar el interruptor de desconexión de las baterías a la posición de DESCONECTADO, porque podría dañar el motor o la máquina.

Baje la carcasa lateral sobre una superficie nivelada.
Abra el enganche de la cubierta.
Retire el perno que sujeta la cubierta de la correa (si dispone de ella).
Separe los bordes trasero e interior de la cubierta de las clavijas de montaje (Figura 46).

Mientras levanta la cubierta, deslícela aproximadamente 2,5 cm hacia la unidad de tracción, para separar el borde exterior de la carcasa (Figura 47).

Levante el borde delantero y guíelo entre el brazo de elevación y el rodillo para retirarlo (Figura 48).

Baje la carcasa lateral sobre una superficie nivelada.
Deslice la cubierta a su posición guiando el borde trasero entre el brazo de elevación y el rodillo.
Mientras aleja la cubierta de la unidad de tracción, guíe el borde exterior por debajo de los soportes delantero y trasero de la carcasa.
Alinee las clavijas de montaje de la carcasa con los taladros de la cubierta y baje la cubierta a su posición.
Instale el perno que sujeta la cubierta de la correa (en su caso).
Coloque el enganche de la cubierta de la carcasa.
| Intervalo de mantenimiento y servicio | Procedimiento de mantenimiento |
|---|---|
| Cada 50 horas |
|
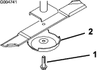
La máquina tiene engrasadores que deben ser lubricados regularmente con grasa de litio Nº 2. Además, engrase la máquina inmediatamente después de cada lavado.
2 brazos de impacto (Figura 49)
2 pivotes de cilindros de elevación de carcasa delantera (Figura 49)
2 pivotes de cilindros de elevación de carcasa lateral(Figura 49)
4 rótulas de cilindros de dirección (Figura 50)
2 rótulas de barras de acoplamiento (Figura 50)
2 casquillos de pivotes de dirección (Figura 50)
1 casquillo de pivote del eje trasero (Figura 51)



2 casquillos del eje de la horquilla de la rueda giratoria (Figura 52)
5 cojinetes de eje giratorio (situados en el alojamiento del eje) tal y como se muestra en la Figura 52
3 casquillos de pivote de brazo tensor (situados en el eje del pivote tensor) tal y como se muestra en la Figura 52
4 casquillos de las alas de la carcasa (situados en los pasadores de giro de las alas) según se muestra en Figura 52.

Important: No deje que el agua entre en contacto directo con la unidad de control del motor (UCE) y con los conectores eléctricos, porque esto podría provocar daños; consulte en Figura 56 la ubicación de la EC U y de los conectores eléctricos.

Apague el motor y retire la llave antes de comprobar el aceite o añadir aceite al cárter.
No cambie la velocidad del regulador ni haga funcionar el motor a una velocidad excesiva.
Inspeccione la carcasa del limpiador de aire en busca de daños que pudieran causar una fuga de aire. Compruebe el sistema de admisión completo para detectar fugas, daños o abrazaderas sueltas. Asimismo, compruebe las conexiones de la manguera de admisión de goma en el limpiador de aire y el turbo para asegurarse de que las conexiones están correctamente realizadas.
Revise el filtro del limpiador de aire únicamente si la pantalla del InfoCenter muestra "Comprobar filtro de aire". El cambiar el filtro antes de que sea necesario sólo aumenta la posibilidad de que entre suciedad en el motor al retirar el filtro.
Asegúrese de que la tapa está bien asentada y que hace un buen sello con la carcasa del limpiador de aire.
| Intervalo de mantenimiento y servicio | Procedimiento de mantenimiento |
|---|---|
| Cada 50 horas |
|
Inspeccione la carcasa del limpiador de aire en busca de daños que pudieran causar una fuga de aire. Cambie la carcasa del limpiador de aire si está dañada.
Limpie la cubierta del limpiador de aire (Figura 57).

| Intervalo de mantenimiento y servicio | Procedimiento de mantenimiento |
|---|---|
| Cada 250 horas |
|
| Cada 500 horas |
|
El sistema de entrada de aire de esta máquina se controla de forma continua por un sensor de restricción del aire que mostrará un aviso cuando sea necesario cambiar el filtro. No cambie los elementos hasta que esto ocurra.
Important: Cambie el elemento del filtro secundario únicamente cada tres revisiones del filtro primario. No retire el elemento secundario al limpiar o cambiar el elemento primario. El elemento interior evita la entrada de polvo en el motor cuando se trabaja con el elemento primario.
Important: No haga funcionar el motor sin los elementos del limpiador de aire, porque esto permitiría la entrada en el motor de material extraño que lo dañarían.
Abra los enganches que sujetan la tapa del limpiador de aire a la carcasa del limpiador de aire (Figura 58).

Retire la tapa de la carcasa del limpiador de aire.
Antes de retirar el filtro, utilice aire a baja presión (2,75 bar, limpio y seco) para retirar cualquier gran acumulación de residuos que se haya acumulado entre el exterior del filtro primario y el cartucho.
Note: Evite utilizar aire a alta presión, porque podría obligar a la suciedad a penetrar a través del filtro a la entrada. Este proceso de limpieza evita que los residuos migren a la entrada de aire al retirar el filtro primario.
Retire el filtro primario (Figura 59).
Note: No limpie el elemento usado porque podría dañar el medio filtrante.
Note: Cambie el filtro secundario cada tres revisiones del filtro primario (Figura 60).


Asegúrese de que el filtro nuevo no ha sido dañado durante el transporte, comprobando el extremo sellante del filtro y la carcasa.
Important: No utilice el elemento si está dañado.
Introduzca el filtro nuevo presionando el borde exterior del elemento para asentarlo en el cartucho.
Important: No aplique presión al centro flexible del filtro, porque esto podría dañar el filtro.
Limpie el orificio de expulsión de suciedad situado en la tapa extraíble.
Retire la válvula de salida de goma de la cubierta, limpie el hueco y cambie la válvula de salida.
Instale la tapa orientando la válvula de salida de goma hacia abajo – aproximadamente entre las posiciones de las 5 y las 7, visto desde el extremo.
Cierre los enganches del capó.
Utilice aceite de motor de alta calidad y bajo contenido en ceniza que cumpla o supere las especificaciones siguientes:
Categoría de servicio API CJ-4 o superior
Categoría de servicio ACEA E6
Categoría de servicio JASO DH-2
Important: El uso de un aceite del motor que no sea API CJ-4 o superior, ACEA E6 o JASO DH-2 puede hacer que el filtro de partículas diésel se obstruya o que se produzcan daños en el motor.
Utilice el siguiente grado de viscosidad de aceite del motor:
Aceite preferido: SAE 15W-40 (por encima de los -18 °C) °C)
Aceite alternativo: SAE 10W-30 o 5W-30 (todas las temperaturas)
Su distribuidor autorizado Toro dispone de aceite para motores Toro Premium, de viscosidad 15W-40 o 10W-30. Consulte los números de pieza en el Catálogo de piezas.
| Intervalo de mantenimiento y servicio | Procedimiento de mantenimiento |
|---|---|
| Cada vez que se utilice o diariamente |
|
El motor se suministra con aceite en el cárter; no obstante, debe comprobarse el nivel de aceite antes y después de arrancar el motor por primera vez.
Important: Compruebe el aceite del motor cada día. Si el nivel del aceite está en o por debajo de la marca Lleno de la varilla, el aceite del motor puede diluirse con combustible;Si el nivel del aceite está por encima de la marca Lleno de la varilla, cambie el aceite del motor.
El mejor momento para comprobar el aceite del motor es cuando el motor está frío, antes de arrancarlo al principio de la jornada. Si ya se ha arrancado, deje que el aceite se drene al cárter durante al menos 10 minutos antes de comprobar el nivel. Si el nivel del aceite está en o por debajo de la marca “Add” (Añadir) de la varilla, añada aceite hasta que el nivel llegue a la marca “Full” (Lleno).No llene el motor con demasiado aceite.
Important: Mantenga el nivel del aceite del motor entre los límites superior e inferior en el indicador de la varilla; el motor puede fallar si se acciona con aceite insuficiente o en exceso.
Compruebe el nivel de aceite del motor; consulte Figura 61.

Note: Cuando cambie a un aceite diferente, drene todo el aceite antiguo del cárter antes de añadir aceite nuevo.
10,4 litros con el filtro
| Intervalo de mantenimiento y servicio | Procedimiento de mantenimiento |
|---|---|
| Cada 500 horas |
|
Note: Cambie el aceite del motor y el filtro con más frecuencia cuando se trabaja en condiciones de mucho polvo o arena.
Arranque el motor y déjelo funcionar durante unos cinco minutos para que el aceite se caliente.
Aparque la máquina en una superficie nivelada, ponga el freno de estacionamiento, baje la carcasa de corte, apague el motor y retire la llave.
Cambie el aceite del motor, según se muestra en Figura 62.


Sustituya el filtro de aceite del motor (Figura 63).
Note: Apriete hasta que la junta del filtro de aceite entre en contacto con el motor; luego apriete ¾ de vuelta más.


| Intervalo de mantenimiento y servicio | Procedimiento de mantenimiento |
|---|---|
| Cada 1000 horas |
|
Consulte en el manual del propietario del motor el procedimiento de ajuste.
| Intervalo de mantenimiento y servicio | Procedimiento de mantenimiento |
|---|---|
| Cada 1500 horas |
|
Para obtener más información sobre cómo limpiar el enfriador EGR del motor, consulte el Manual del operador del motor.
| Intervalo de mantenimiento y servicio | Procedimiento de mantenimiento |
|---|---|
| Cada 1500 horas |
|
Para obtener más información sobre cómo inspeccionar el sistema de ventilación del cárter del motor, consulte el Manual del operador del motor.
| Intervalo de mantenimiento y servicio | Procedimiento de mantenimiento |
|---|---|
| Cada 2000 horas |
|
Para más información sobre la comprobación y sustitución de las mangueras de combustible y de refrigerante del motor, consulte el Manual del operador del motor.
| Intervalo de mantenimiento y servicio | Procedimiento de mantenimiento |
|---|---|
| Cada 2000 horas |
|
Para obtener más información sobre el lapeado o el ajuste de las válvulas de admisión y escape del motor, consulte el manual del propietario del motor.
| Intervalo de mantenimiento y servicio | Procedimiento de mantenimiento |
|---|---|
| Cada 3000 horas |
|
Para obtener más información sobre cómo inspeccionar y limpiar los componentes de control de emisiones del motor, consulte el Manual del operador del motor.
| Intervalo de mantenimiento y servicio | Procedimiento de mantenimiento |
|---|---|
| Cada 3000 horas |
|
Si se muestran los fallos (comprobar motor spn 3251 fmi 0), (comprobar motor spn 3720 fmi 0) o (comprobar motor spn 3720 fmi 16) en el InfoCenter (Figura 64), limpie el filtro de hollín siguiendo los pasos indicados a continuación:



Consulte la sección sobre Motor en el Manual de mantenimiento para obtener información sobre el montaje y el desmontaje del catalizador de oxidación diésel y el filtro de hollín del DPF.
Consulte a su distribuidor autorizado Toro si desea más información sobre el mantenimiento o las piezas de sustitución del catalizador de oxidación diésel o el filtro de hollín.
Póngase en contacto con su distribuidor autorizado Toro para que restablezcan la ECU del motor después de instalar un DPF limpio.
Este Manual del operador contiene información más detallada sobre el mantenimiento del combustible y del sistema de combustible que el Manual del propietario del motor Yanmar®, que es una referencia de carácter general sobre el combustible y el mantenimiento del mismo.
Asegúrese de que comprende que el mantenimiento del sistema de combustible, el almacenamiento del combustible y la calidad del combustible requieren su atención para evitar tiempos de parada y complejas reparaciones del motor.
El sistema de combustible presenta márgenes de tolerancia extremadamente reducidos, debido a los requisitos de emisiones y de control. La calidad y la limpieza del diésel resultan más importantes para la longevidad del sistema actual de inyección de combustible "common rail" de alta presión (HPCR) que se utiliza en los motores diésel.
Important: La presencia de agua o aire en el sistema de combustible producirá daños en el motor. No dé por sentado que el combustible nuevo está limpio. Asegúrese de que el combustible procede de un proveedor de calidad, almacene el combustible correctamente y utilice el suministro de combustible en un plazo de 180 días.
Important: Si no sigue los procedimientos de sustitución del filtro de combustible, de mantenimiento del sistema del combustible y de almacenamiento del combustible, el sistema de combustible del motor podría fallar de forma prematura. Realice todas las tareas de mantenimiento del sistema de combustible a los intervalos especificados, o bien cuando el combustible esté contaminado o sea de calidad deficiente.
El almacenamiento adecuado del combustible es fundamental para el motor. Con frecuencia, se subestima el mantenimiento adecuado de los depósitos de almacenamiento del combustible y esto puede contaminar el combustible que se suministra a la máquina.
Adquiera únicamente el combustible suficiente que vaya a consumir en un plazo de 180 días. No utilice combustible que haya estado almacenado más de 180 días. Esto contribuye a eliminar el agua y otros contaminantes en el combustible.
Si no elimina el agua del depósito de almacenamiento o del depósito de combustible de la máquina, se puede puede generar óxido o contaminación en el depósito de combustible y en los componentes del sistema de combustible. Los lodos en los depósitos debidos a moho, bacterias u hongos restringen el flujo y atascan el filtro y los inyectores de combustible.
Inspeccione el depósito de almacenamiento de combustible y el depósito de combustible de la máquina de forma habitual para supervisar la calidad del combustible en el depósito.
Asegúrese de que el combustible procede de un proveedor de calidad.
Si encuentra agua o contaminantes en el depósito de almacenamiento o en el depósito de combustible de la máquina, trabaje con el proveedor de combustible para solucionar el problema y realice todas las tareas de mantenimiento del sistema de combustible.
No almacene el diésel en depósitos o botes fabricados con componentes galvanizados.

| Intervalo de mantenimiento y servicio | Procedimiento de mantenimiento |
|---|---|
| Cada vez que se utilice o diariamente |
|
Drene el agua del separador de agua/combustible tal y como se muestra en la Figura 66.

Cebe el filtro y las tuberías de la bomba de alta presión; consulte Cebado del sistema de combustible.
| Intervalo de mantenimiento y servicio | Procedimiento de mantenimiento |
|---|---|
| Cada 400 horas |
|
Sustituya el filtro tal y como se muestra en la Figura 67.

Cebe el filtro y las tuberías de la bomba de alta presión; consulte Cebado del sistema de combustible.
| Intervalo de mantenimiento y servicio | Procedimiento de mantenimiento |
|---|---|
| Cada 500 horas |
|
Limpie la zona alrededor de la cabeza del filtro de combustible (Figura 68).

Retire el filtro y limpie la superficie de montaje del cabezal del filtro (Figura 68).
Lubrique la junta del filtro con aceite lubricante de motor limpio; consulte el manual del propietario del motor (incluido con la máquina) para obtener información adicional.
Instale el cartucho filtrante seco, a mano, hasta que la junta entre en contacto con el cabezal del filtro, luego gírelo media vuelta más.
Cebe el filtro y las tuberías de la bomba de alta presión; consulte Cebado del sistema de combustible.
Arranque el motor y compruebe que no hay fugas de combustible alrededor de la cabeza del filtro.
| Intervalo de mantenimiento y servicio | Procedimiento de mantenimiento |
|---|---|
| Cada 800 horas |
|
| Antes del almacenamiento |
|
Además del intervalo de mantenimiento indicado, drene y limpie el depósito si se contamina el sistema de combustible o si va a almacenar la máquina durante un periodo de tiempo prolongado. Utilice combustible limpio para enjuagar el depósito.
Cebe el filtro y las tuberías de la bomba de alta presión; consulte Cebado del sistema de combustible.
| Intervalo de mantenimiento y servicio | Procedimiento de mantenimiento |
|---|---|
| Cada 400 horas |
|
Compruebe que los tubos de combustible no están deteriorados o dañados, y que las conexiones no están sueltas.
Sustituya cualquier abrazadera o manguera deteriorada.
Note: Cebe el sistema de combustible si sustituye cualquier tubo de combustible; consulte Cebado del sistema de combustible.
Cebe el sistema de combustible después de que se produzcan los siguientes casos:
Sustitución del filtro de combustible.
Drenaje del separador de agua tras cada uso o a diario.
Si se ha quedado sin combustible.
Sustitución de una manguera de combustible o apertura del sistema de combustible por cualquier motivo.
Para cebar el sistema de combustible, realice los siguientes procedimientos:
Important: No utilice el sistema de arranque del motor para hacer girar el motor con el fin de cebar el sistema de combustible.
Asegúrese de que hay combustible en el depósito.
Siga estos pasos para cebar el filtro y los tubos hasta la bomba de alta presión para evitar desgate o daños en la bomba:
Gire la llave de contacto a la posición de CONECTADO entre 15 y 20 segundos.
Gire la llave de contacto a la posición de DESCONECTADO entre 30 y 40 segundos.
Note: De este modo, la ECU puede apagarse.
Gire la llave de contacto a la posición de CONECTADO entre 15 y 20 segundos.
Compruebe que no hay fugas alrededor del filtro y las mangueras.
Arranque el motor e inspeccione si se producen fugas.
Desconecte la batería antes de reparar la máquina. Desconecte primero el terminal negativo y luego el positivo. Conecte primero el terminal positivo y luego el negativo.
Cargue la batería en una zona abierta y bien ventilada, lejos de chispas y llamas. Desenchufe el cargador antes de conectar o desconectar la batería. Lleve ropa protectora y utilice herramientas aisladas.
| Intervalo de mantenimiento y servicio | Procedimiento de mantenimiento |
|---|---|
| Cada 50 horas |
|
Important: Antes de efectuar soldaduras en la máquina, desconecte el cable negativo de la batería para evitar daños al sistema eléctrico. Asimismo, antes de efectuar soldaduras en la máquina, deben desconectarse el motor, el InfoCenter y los controladores de la máquina.
Note: Mantenga limpios los terminales y toda la carcasa de la batería, porque una batería sucia se descargará lentamente. Para limpiar la batería, lave toda la carcasa con una solución de bicarbonato y agua. Enjuague con agua clara. Aplique una capa de grasa Grafo 112X (Nº de Pieza Toro 505-47) o de vaselina a los conectores de los cables y a los bornes de la batería para evitar la corrosión.
Important: Si se instala un accesorio auxiliar en la máquina, los únicos puntos de conexión eléctrica autorizados son el bloque de fusibles de la unidad de tracción (Figura 73) y el bloque de fusibles de la cabina (Figura 75). Está disponible un máximo de 10 A en cualquiera de estos puntos. Póngase en contacto con su distribuidor autorizado Toro para obtener asistencia.
Note: Pare el motor y retire la llave antes de retirar los fusibles.
Los fusibles de la unidad de tracción (Figura 69) están situados en la consola del panel eléctrico, detrás del asiento (Figura 70).
Existen fusibles adicionales de la unidad de tracción (Figura 71) en el lado derecho trasero de la máquina (Figura 72).





Los fusibles de la cabina (Figura 74) están situados en la caja de fusibles del forro del techo de la cabina (Figura 75).


El proceso de carga de las baterías produce gases que pueden explotar.
No fume cerca de la batería, y mantenga alejada de la batería cualquier chispa o llama.
Note: Este procedimiento es para cargar el sistema de 12 V.
Important: Mantenga las baterías completamente cargadas. Esto es especialmente importante para evitar daños a la batería cuando la temperatura está por debajo de los 0°C.
Realice el procedimiento previo al mantenimiento; consulte Procedimientos previos al mantenimiento.
Limpie el exterior de la carcasa de la batería y los bornes.
Note: Conecte los cables del cargador de la batería a los bornes antes de conectar el cargador a la fuente eléctrica.
Retire los capuchones de los bornes de la batería del otro vehículo (Figura 76).

Conecte el cable positivo del cargador de la batería al borne positivo del otro vehículo (Figura 77).

Conecte el cable negativo del cargador de la batería al borne negativo de la batería del otro vehículo (Figura 77).
Conecte el cargador de la batería a la fuente eléctrica y cargue la batería según la siguiente Tabla de carga de la batería.
Important: No sobrecargue la batería.
| Ajuste del cargador | Tiempo de carga |
|---|---|
| 4–6 A | 30 minutos |
| 25–30 A | 10 a 15 minutos |
Cuando las baterías estén completamente cargadas, desconecte el cargador de la fuente de electricidad, luego desconecte los cables del cargador de los bornes de la batería del otro vehículo (Figura 77).
El arranque de la batería con cables puente puede producir gases explosivos.
No fume cerca de la batería, y mantenga alejada de la batería cualquier chispa o llama.
Note: Se necesitan dos personas para realizar este procedimiento. Asegúrese de que la persona encargada de hacer las conexiones lleva protección correcta para la cara, y guantes y ropa de protección.
Aparque la máquina en un lugar plano, ponga el freno de estacionamiento, baje la carcasa de corte y apague el motor.
Siéntese en el asiento del operador y haga que otra persona realice las conexiones.
Note: Compruebe que la batería externa es una batería de 12 V.
Important: Si está utilizando otra máquina para suministrar energía, asegúrese de que las 2 máquinas no entren en contacto.
Retire los capuchones de los bornes de la batería del otro vehículo (Figura 76).
Conecte el cable puente positivo (+) al borne positivo de la batería del otro vehículo (Figura 78).

Conecte el cable puente negativo (-) al borne negativo de la batería del otro vehículo (Figura 78).
Arranque el motor.
Important: Si el motor arranca y luego se detiene, no accione el motor de arranque hasta que haya dejado de girar. No active el motor de arranque durante más de 30 segundos cada vez. Espere 30 segundos antes de activar el motor de arranque para que el motor se enfríe.
Cuando arranque el motor, haga que la otra persona desconecte el cable puente negativo (-) del borne negativo de la batería del otro vehículo, y a continuación, que desconecte el cable puente positivo (+) (Figura 78).
Abra el capó y gire el interruptor de desconexión de la batería a la posición de DESCONECTADO.
Retire los 3 tornillos con arandela prensada de cada lado del parachoques trasero, según se muestra en Figura 79.
Afloje los demás tornillos con arandela prensada que sujetan el parachoques trasero al bastidor, y gire el parachoques hacia abajo.

Afloje los pomos y retire las cubiertas laterales (Figura 80).

Retire los 6 tornillos con arandela prensada que sujetan la cubierta trasera al bastidor, y retire la cubierta trasera (Figura 81).

Retire las fijaciones que sujetan la tapa de la batería a la máquina, y retire la tapa (Figura 82).
Note: Observe cómo y dónde están instalados los cables de la batería.
Afloje y retire los cables de las baterías.
Retire las fijaciones que sujetan las pletinas de sujeción de la batería.
Retire las baterías de la máquina con cuidado (Figura 82).

Sujete las baterías con las pletinas de sujeción (Figura 82).
Instale los cables de la batería.
Coloque la tapa de la batería en su sitio y sujétela con las fijaciones que retiró.
Instale la cubierta trasera (Figura 81).
Instale las cubiertas laterales (Figura 80).
Levante el parachoques trasero a su posición e instale los tornillos con arandela prensada. Apriete todos los tornillos con arandela prensada que sujetan el parachoques trasero al bastidor (Figura 79).
Ponga el interruptor de desconexión de la batería en la posición de CONECTADO.
| Intervalo de mantenimiento y servicio | Procedimiento de mantenimiento |
|---|---|
| Cada 1000 horas |
|
Póngase en contacto con su distribuidor Toro autorizado o consulte el Manual de mantenimiento de Toro para obtener ayuda.
| Intervalo de mantenimiento y servicio | Procedimiento de mantenimiento |
|---|---|
| Cada 1000 horas |
|
Con las ruedas traseras enderezadas, mida la distancia exterior (a la altura del eje) en la parte delantera y trasera de las ruedas traseras (Figura 84).
Note: La distancia delantera debe ser de 0 mm a 3 mm mayor que la distancia trasera.

Para ajustar la convergencia, afloje las abrazaderas en ambos extremos de las bielas (Figura 84).
Gire la biela para mover la parte delantera del neumático hacia dentro o hacia fuera.
Una vez que haya obtenido la convergencia correcta, apriete las abrazaderas de la biela.
La ingestión del refrigerante del motor puede causar envenenamiento; manténgalo fuera del alcance de niños y animales domésticos.
Una descarga de refrigerante caliente bajo presión, o cualquier contacto con el radiador caliente y los componentes que lo rodean, puede causar quemaduras graves.
Siempre deje que el motor se enfríe durante al menos 15 minutos antes de retirar el tapón del radiador.
Utilice un trapo al abrir el tapón del radiador y ábralo lentamente para permitir la salida del vapor.
No haga funcionar la máquina sin que las cubiertas estén colocadas.
Mantenga los dedos, las manos y las prendas de vestir alejados del ventilador y de la correa de transmisión en movimiento.
| Intervalo de mantenimiento y servicio | Procedimiento de mantenimiento |
|---|---|
| Cada vez que se utilice o diariamente |
|
| Cada 100 horas |
|
La capacidad del sistema en una maquina sin cabina es de 10,4 litros, y con cabina, 17 litros.
Refrigerante recomendado: anticongelante de etilenglicol y agua (mezcla al 50%).
Los ventiladores y las correas de transmisión, al girar, pueden causar lesiones personales.
No haga funcionar la máquina sin que las cubiertas estén colocadas.
Mantenga los dedos, las manos y las prendas de vestir alejados del ventilador y de la correa de transmisión en movimiento.
Apague el motor, retire la llave, y gire el interruptor de desconexión de la batería a la posición de DESCONECTADO antes de realizar cualquier tarea de mantenimiento.
Si el motor ha estado en marcha, puede haber fugas de refrigerante caliente y bajo presión, que puede causar quemaduras.
No retire el tapón del radiador cuando el motor está en marcha.
Utilice un trapo al abrir el tapón del radiador y ábralo lentamente para permitir la salida del vapor.
Retire cuidadosamente el tapón del radiador y el tapón del depósito de expansión (Figura 85).

Compruebe el nivel de refrigerante del radiador (Figura 85).
Note: Cuando se haya enfriado, el radiador debe llenarse hasta la parte superior del cuello de llenado, y el depósito de expansión debe llenarse hasta la marca Lleno.
Si el nivel de refrigerante es bajo, añada el refrigerante recomendado en el depósito de expansión hasta la marca Lleno.
Note: No use agua sola o refrigerantes a base de alcohol/metanol.
Instale el tapón del radiador y el tapón del depósito de expansión.
| Intervalo de mantenimiento y servicio | Procedimiento de mantenimiento |
|---|---|
| Cada vez que se utilice o diariamente |
|
Realice el procedimiento previo al mantenimiento; consulte Procedimientos previos al mantenimiento.
Important: No utilice agua para limpiar el núcleo del radiador o el núcleo del enfriador de fluido hidráulico. Si se limpia el núcleo del radiador o el núcleo del enfriador de fluido hidráulico con agua, pueden producirse una corrosión prematura y daños en los componentes.
Levante el capó del todo.
Gire los ventiladores de refrigeración del motor hacia atrás respecto al radiador, y enganche la varilla de sujeción en la muesca (Figura 86).

Usando aire comprimido limpio, elimine los residuos desde el lado del motor hacia atrás para limpiar el núcleo del radiador.
Gire hacia adelante los ventiladores de refrigeración del motor, y enganche la varilla de sujeción en la muesca (Figura 87).

Levante el capó del todo.
Gire hacia arriba los ventiladores de refrigeración del sistema hidráulico, y enganche la varilla de sujeción en la muesca (Figura 88).

Usando aire comprimido limpio, elimine los residuos desde el lado del motor hacia arriba para limpiar el núcleo de refrigeración.
Gire hacia abajo los ventiladores de refrigeración del sistema hidráulico, y enganche la varilla de sujeción en la muesca (Figura 89).

| Intervalo de mantenimiento y servicio | Procedimiento de mantenimiento |
|---|---|
| Cada 2000 horas |
|
La capacidad del sistema en una maquina sin cabina es de 10,4 litros, y con cabina, 17 litros.
Realice el procedimiento previo al mantenimiento; consulte Procedimientos previos al mantenimiento.
Retire el tapón del radiador.
Coloque la manguera de vaciado del radiador en un recipiente de drenaje, abra la válvula de vaciado de la manguera del radiador, y vacíe el fluido en el recipiente de drenaje (Figura 90).

Cierre la válvula de la manguera de vaciado del radiador (Figura 90).
Llene el radiador de refrigerante hasta que el nivel de refrigerante llegue al borde del orificio de llenado (Figura 91).

Instale el tapón del radiador.
Retire la manguera de refrigerante del enfriador de aceite del motor (Figura 92).

Después de vaciar el refrigerante del motor, cierre la válvula de drenaje de la manguera de vaciado del radiador y conecte la manguera de refrigerante.
Retire el tapón del depósito de expansión y llénelo hasta la marca Bajo con refrigerante de motor. Coloque el tapón.
Arranque el motor y déjelo en marcha hasta que alcance la temperatura de operación.
Compruebe el nivel de refrigerante del motor; consulte Mantenimiento del sistema de refrigeración del motor.
Añada refrigerante al depósito de expansión hasta que el nivel llegue a la marca Lleno.
Compruebe todas las conexiones de la manguera de refrigerante del motor para asegurarse de que no existen fugas.
| Intervalo de mantenimiento y servicio | Procedimiento de mantenimiento |
|---|---|
| Después de las primeras 50 horas |
|
| Cada 250 horas |
|
Consulte el procedimiento de mantenimiento del Manual del operador del motor, incluido con la máquina.
| Intervalo de mantenimiento y servicio | Procedimiento de mantenimiento |
|---|---|
| Después de las primeras 10 horas |
|
| Cada 1000 horas |
|
Las correas del compresor del A/A y del alternador de 24 V utilizan un tensor a resorte preajustado en fábrica. Consulte el procedimiento de mantenimiento en el Manual de mantenimiento de Toro.
| Intervalo de mantenimiento y servicio | Procedimiento de mantenimiento |
|---|---|
| Cada 50 horas |
|
| Cada 1000 horas |
|
La correa de transmisión de las cuchillas, tensada por la polea tensora a resorte, es muy resistente. No obstante, después de muchas horas de uso la correa mostrará señales de desgaste. Estas señales de desgaste son: chirridos cuando la correa está en movimiento, las cuchillas resbalan durante la siega, bordes deshilachados, quemaduras y grietas. Cambie la correa si observa cualquiera de estas señales.
Baje la unidad de corte al suelo.
Retire las cubiertas de las correas de la parte superior de la unidad de corte y apártelas.
En la carcasa delantera central, afloje las contratuercas del tornillo de tope de la polea tensora y enrosque el tornillo de tope en el soporte (Figura 93).

Con una llave de carraca u otra herramienta similar, aleje la polea tensora de cada carcasa lateral de la correa de transmisión para aliviar la tensión de la correa y poderla retirar de la polea de la carcasa lateral (Figura 93).
Retire los pernos que sujetan el motor hidráulico a la unidad de corte (Figura 94).

Retire el motor de la unidad de corte y póngalo encima de la unidad de corte.
Retire la correa gastada de las poleas libres y de la polea tensora.
Pase la correa nueva alrededor de las poleas de los ejes y del conjunto de la polea tensora (Figura 95).

Ajuste el tornillo de tope de la polea tensora y apriete las contratuercas.
Instale el motor hidráulico en la unidad de corte y fíjelo con los pernos que se retiraron anteriormente.
Apriete los pernos a 47,5 N∙m.
Instale las cubiertas de las correas.
Note: Para retirar la correa inferior, debe retirar primero la correa superior.
Baje la unidad de corte al suelo.
Retire las cubiertas de las correas de la parte superior de la unidad de corte y apártelas.
Retire los pernos que sujetan el motor hidráulico a la unidad de corte (Figura 94).
Retire el motor de la unidad de corte y póngalo encima de la unidad de corte.
Con una llave de carraca u otra herramienta similar, aleje las poleas tensoras de la correa de transmisión para aliviar la tensión de la correa y poderla retirar de las poleas (Figura 96).

Retire la correa gastada de las poleas libres y de la polea tensora.
Pase la correa nueva alrededor de las poleas de los ejes y del conjunto de la polea tensora (Figura 97 y Figura 98).


Instale el motor hidráulico en la unidad de corte y fíjelo con los pernos que se retiraron anteriormente.
Apriete los pernos a 47,5 N∙m.
Instale las cubiertas de las correas.
Busque atención médica inmediatamente si el fluido penetra en la piel. Un médico deberá eliminar quirúrgicamente el fluido inyectado en pocas horas.
Asegúrese de que todas las mangueras y líneas de fluido hidráulicos están en buenas condiciones de uso, y que todos los acoplamientos y conexiones hidráulicos están apretados, antes de aplicar presión al sistema hidráulico.
Mantenga el cuerpo y las manos alejados de fugas pequeñas o boquillas que liberan fluido hidráulico a alta presión.
Utilice un cartón o un papel para buscar fugas hidráulicas.
Alivie de manera segura toda presión en el sistema hidráulico antes de realizar trabajo alguno en el sistema hidráulico.
El depósito se llena en la fábrica con fluido hidráulico de alta calidad. Compruebe el nivel del fluido hidráulico antes de arrancar el motor por primera vez y luego a diario; consulte Comprobación del fluido hidráulico.
Fluido hidráulico recomendado: fluido hidráulico Toro PX Extended Life, disponible en recipientes de 19 litros o en bidones de 208 litros.
Note: Una máquina que utilice el fluido de recambio recomendado necesita menos cambios de filtro y de fluido.
Fluidos hidráulicos alternativos: si no se encuentra disponible el fluido hidráulico Toro PX Extended Life, puede utilizar otro fluido hidráulico convencional basado en petróleo cuyas especificaciones referentes a todas las propiedades materiales estén dentro de los intervalos relacionados a continuación y que cumpla las normas industriales. No utilice fluidos sintéticos. Consulte a su distribuidor de lubricantes para identificar un producto satisfactorio.
Note: Toro no asume responsabilidad alguna por daños causados por sustituciones no adecuadas, por lo que debe utilizar solamente productos de fabricantes reputados que respalden sus recomendaciones.
| Propiedades de materiales: | ||
| Viscosidad, ASTM D445 | cSt a 40 °C 44 a 48 | |
| Índice de viscosidad ASTM D2270 | 140 o más | |
| Punto de descongelación, ASTM D97 | -37 °C a -45 °C | |
| Especificaciones industriales: | Eaton Vickers 694 (I-286-S, M-2950-S/35VQ25 o M-2952-S) | |
Note: La mayoría de los fluidos hidráulicos son casi incoloros, por lo que es difícil detectar fugas. Está disponible un aditivo de tinte rojo para el fluido hidráulico, en botellas de 20 ml. Una botella es suficiente para 15 a 22 litros de fluido hidráulico. Solicite el N.º de pieza 44-2500 a su distribuidor autorizado Toro.
La capacidad es de 62,7 litros.
| Intervalo de mantenimiento y servicio | Procedimiento de mantenimiento |
|---|---|
| Cada vez que se utilice o diariamente |
|
Realice el procedimiento previo al mantenimiento; consulte Procedimientos previos al mantenimiento.
En el lado derecho de la máquina, levante la tapa para tener acceso al tapón del depósito hidráulico (Figura 99).

Limpie la zona alrededor del cuello de llenado y el tapón del depósito hidráulico (Figura 99).
Retire el tapón del cuello de llenado.
Retire la varilla del cuello de llenado y límpiela con un paño limpio. Inserte la varilla en el cuello de llenado y, a continuación, retírela y compruebe el nivel del aceite (Figura 100).
Note: El nivel del aceite debe estar dentro del intervalo de operación segura de la varilla.

Si el nivel es bajo, añada fluido adecuado hasta que el nivel llegue a la marca superior.
Coloque la varilla y el tapón en el cuello de llenado.
Cierre la tapa.
| Intervalo de mantenimiento y servicio | Procedimiento de mantenimiento |
|---|---|
| Cada 800 horas |
|
| Cada 2000 horas |
|
| Cada 2 años |
|
Aparque la máquina en una superficie nivelada, ponga el freno de estacionamiento, baje la carcasa de corte, apague el motor y retire la llave.
Coloque un recipiente de drenaje grande debajo del depósito de fluido hidráulico.
Retire el tapón y la varilla del depósito hidráulico.
Retire el tapón de vaciado de la parte inferior del depósito y deje que se drene el fluido hidráulico al recipiente (Figura 101).

Coloque el tapón de vaciado cuando el fluido hidráulico se haya drenado.
Llene el depósito con fluido hidráulico; consulte Comprobación del fluido hidráulico.
Important: Utilice solamente los fluidos hidráulicos especificados. Otros fluidos podrían causar daños en el sistema.
Instale la varilla y el tapón del depósito.
Arranque el motor y utilice todos los controles hidráulicos para distribuir el fluido hidráulico por todo el sistema.
Note: Compruebe que no hay fugas; luego apague el motor.
Verifique el nivel de aceite y añada suficiente para que el nivel llegue a la marca de Lleno de la varilla.
Note: No llene demasiado.
| Intervalo de mantenimiento y servicio | Procedimiento de mantenimiento |
|---|---|
| Cada 800 horas |
|
| Cada 1000 horas |
|
Si el fluido hidráulico se contamina, póngase en contacto con su distribuidor Toro autorizado, porque el sistema debe purgarse. El fluido contaminado tiene un aspecto lechoso o negro en comparación con el fluido limpio.
Utilice filtros de recambio Toro (Pieza Nº 86-6110 en el lado izquierdo de la máquina y 75-1310 en el lado derecho de la máquina).
Important: El uso de cualquier otro filtro puede anular la garantía de algunos componentes.
Aparque la máquina en una superficie nivelada, ponga el freno de estacionamiento, baje la carcasa de corte, apague el motor y retire la llave.
Limpie la zona alrededor de las zonas de montaje del filtro.
Coloque un recipiente debajo del filtro y retire el filtro (Figura 101).
Lubrique la junta del filtro nuevo y llene el filtro de fluido hidráulico.
Asegúrese de que cada zona de montaje del filtro está limpia, enrosque el filtro hasta que la junta toque la placa de montaje, y luego apriete el filtro media vuelta más.
Llene el depósito con fluido hidráulico; consulte Comprobación del fluido hidráulico.
Important: Utilice solamente los fluidos hidráulicos especificados. Otros fluidos podrían causar daños en el sistema.
Instale la varilla y el tapón del depósito.
Arranque el motor y utilice todos los controles hidráulicos para distribuir el fluido hidráulico por todo el sistema.
Note: Compruebe que no hay fugas; luego apague el motor.
Verifique el nivel de aceite y añada suficiente para que el nivel llegue a la marca de Lleno de la varilla.
Note: No llene demasiado.
| Intervalo de mantenimiento y servicio | Procedimiento de mantenimiento |
|---|---|
| Cada 2 años |
|
Las fugas de fluido hidráulico bajo presión pueden penetrar en la piel y causar lesiones.
Busque ayuda médica inmediatamente si el fluido penetra en la piel.
Asegúrese de que todas las mangueras y líneas de fluido hidráulico están en buenas condiciones de uso, y que todos los acoplamientos y conexiones hidráulicos están apretados, antes de aplicar presión al sistema hidráulico.
Mantenga el cuerpo y las manos alejados de fugas pequeñas o boquillas que liberan fluido hidráulico a alta presión.
Utilice un cartón o un papel para buscar fugas hidráulicas.
Alivie de manera segura toda presión en el sistema hidráulico antes de realizar trabajo alguno en el sistema hidráulico.
Inspeccione a diario las líneas y mangueras hidráulicas para comprobar que no tienen fugas, que no están dobladas, que los soportes no están sueltos, y que no hay desgaste, elementos sueltos, o deterioro causado por agentes ambientales o químicos. Haga todas las reparaciones necesarias antes de utilizar la máquina.
Los puntos de prueba se utilizan para medir la presión de los circuitos hidráulicos. Póngase en contacto con su distribuidor Toro autorizado o consulte el Manual de mantenimiento de Toro para obtener ayuda.
Note: Aunque no es necesario para los procedimientos de mantenimiento normal, la unidad de corte delantera puede girarse hacia arriba a la posición vertical.
Eleve un poco del suelo la unidad de corte delantera, ponga el freno de estacionamiento, apague el motor y retire la llave.
Realice el procedimiento previo al mantenimiento; consulte Procedimientos previos al mantenimiento.
Retire el clip de retención, y desconecte el amortiguador de la unidad de corte (Figura 102).

Retire la chaveta y el pasador que fijan las cadenas de ajuste de la altura de corte a la parte trasera de la unidad de corte (Figura 103).

Arranque el motor, eleve lentamente la unidad de corte delantera, apague el motor y retire la llave de contacto.
Introduzca a presión un bloque madera entre el borde trasero de la carcasa y la máquina (Figura 104).

Con la ayuda de otra persona que sujete la parte delantera de la unidad de corte, retire el bloque de madera.
Siéntese en el asiento, arranque el motor y baje lentamente la unidad de corte hasta que casi toque el suelo.
Fije las cadenas de altura de corte a la parte trasera de la unidad de corte.
Conecte el amortiguador y sujételo con el clip de retención.
La inclinación de la carcasa de corte es la diferencia de altura de corte entre la punta delantera de la cuchilla y la punta trasera. Ajuste la inclinación de la cuchilla a 6,3 mm – 9,7 mm; es decir, la punta trasera de la cuchilla debe estar 7,5 mm más alta que la punta delantera.
Aparque la máquina en una superficie nivelada, ponga el freno de estacionamiento, baje la carcasa de corte, apague el motor y retire la llave.
Ajuste la unidad de corte a la altura de corte deseada.
Asegúrese de que las alas están niveladas con la carcasa delantera, y que la carcasa delantera está nivelada lateralmente.
Gire las cuchillas hasta que estén orientadas directamente hacia adelante (Figura 105).

Usando una regla corta, mida desde el suelo hasta la punta delantera de la cuchilla delantera, y anote esta dimensión.
Mida desde el suelo hasta la punta trasera de la cuchilla trasera, y anote esta dimensión.
Reste la dimensión delantera a la dimensión trasera para calcular la inclinación de cada cuchilla.
Afloje las contratuercas de la parte superior o inferior del perno en U de la cadena de altura de corte (Figura 106).
Note: Afloje o apriete las tuercas de la cadena de ajuste de la altura de corte en la misma medida, de manera que la carcasa siga nivelada lateralmente.

Ajuste el otro juego de tuercas para elevar o bajar la parte trasera de la unidad de corte y obtener la inclinación correcta de la misma basada en la inclinación media de cada cuchilla.
Apriete las contratuercas.
Retire el casquillo tensor del eje de la rueda giratoria y deslice el eje fuera del brazo de la rueda giratoria (Figura 107).

Coloque los suplementos, según sea necesario, para elevar o bajar la rueda giratoria y obtener la inclinación correcta de la unidad de corte.
Coloque el casquillo tensor.
Los brazos de las ruedas giratorias tienen casquillos colocados a presión en las partes superior e inferior del tubo, que se desgastan después de muchas horas de uso. Para comprobar los casquillos, mueva la horquilla hacia adelante y hacia atrás, y de un lado a otro. Si el eje tiene holgura dentro de los casquillos, los casquillos están desgastados; cámbielos.
Retire el casquillo tensor y la horquilla (Figura 107).
Note: Anote la posición de las arandelas y los espaciadores antes de retirarlos, para no tener que ajustar la inclinación de la carcasa.
| Intervalo de mantenimiento y servicio | Procedimiento de mantenimiento |
|---|---|
| Cada 500 horas |
|
Retire la contratuerca del perno que sujeta el conjunto de la rueda giratoria entre la horquilla o el brazo de pivote (Figura 108).

Sujete la rueda giratoria y retire el perno de la horquilla o del brazo de pivote (Figura 108).
Retire el cojinete de la rueda y deje que se caiga el suplemento del cojinete (Figura 108).
Retire el cojinete del otro lado de la rueda (Figura 108).
Compruebe los cojinetes, el suplemento y el interior de la rueda por si estuvieran desgastados.
Note: Sustituya cualquier pieza dañada.
Para ensamblar la rueda giratoria, coloque el cojinete en el cubo de la rueda.
Note: Al instalar los cojinetes, empuje en el anillo de rodadura exterior de los mismos.
Coloque el otro suplemento del cojinete en el cubo de la rueda y coloque el otro cojinete en la parte abierta del cubo de la rueda para fijar el suplemento dentro del cubo.
Instale el conjunto de la rueda giratoria entre la horquilla y fíjelo con el perno y la contratuerca.
Inspeccione periódicamente las cuchillas, para asegurarse de que no están desgastadas ni dañadas.
Tenga cuidado al comprobar las cuchillas. Envuelva las cuchillas o lleve guantes, y extreme las precauciones al manejar las cuchillas. Las cuchillas únicamente pueden ser cambiadas o afiladas; no las enderece ni las suelde nunca.
En máquinas con múltiples cuchillas, tenga cuidado puesto que girar una cuchilla puede hacer que giren otras cuchillas.
Después de golpear un objeto extraño, inspeccione la máquina y repare cualquier daño antes de volver a arrancar y utilizar el equipo. Apriete las tuercas de las poleas de los ejes a entre 176 y 203 N·m.
Elevar la unidad de corte.
Realice el procedimiento previo al mantenimiento; consulte Procedimientos previos al mantenimiento.
Bloquee la unidad de corte para evitar que se caiga accidentalmente.
Gire la cuchilla hasta que los extremos estén orientados hacia adelante y hacia atrás, y mida desde el interior de la unidad de corte al filo de corte en la parte delantera de la cuchilla (Figura 109).
Note: Anote esta dimensión.

Gire el otro extremo de la cuchilla hacia adelante, y mida entre la unidad de corte y el filo de corte de la cuchilla, en la misma posición que en el paso 4.
Note: La diferencia entre las dimensiones obtenidas en los pasos 4 y 5 no debe superar los 3 mm. Si esta dimensión es superior a 3 mm, la cuchilla está doblada y debe ser cambiada; consulte Retirada e instalación de las cuchillas de la unidad de corte.
Cambie la cuchilla si ha golpeado un objeto sólido, si está desequilibrada o si está doblada. Utilice siempre piezas de repuesto genuinas de Toro para garantizar la seguridad y un rendimiento óptimo.
Aparque la máquina en una superficie nivelada, eleve la unidad de corte a la posición de transporte, accione el freno de estacionamiento, apague el motor y retire la llave.
Note: Bloquee la unidad de corte para evitar que se caiga accidentalmente.
Sujete el extremo de la cuchilla usando un paño o un guante grueso.
Retire del eje de la cuchilla el perno de la cuchilla, el protector de césped y la cuchilla (Figura 110).

Instale la cuchilla, el protector de césped y el perno de la cuchilla, y apriete el perno a 115–149 N·m.
Important: La parte curva de la cuchilla debe apuntar hacia el interior de la unidad de corte para asegurar un corte correcto.
Note: Después de golpear un objeto extraño, apriete todas las tuercas de las poleas de los ejes de las cuchillas a entre 115 y 149 N·m.
| Intervalo de mantenimiento y servicio | Procedimiento de mantenimiento |
|---|---|
| Después de las primeras 10 horas |
|
| Cada vez que se utilice o diariamente |
|
| Cada 50 horas |
|
Tanto el filo de corte como la vela, la parte inclinada hacia arriba frente al filo de corte, contribuyen a una buena calidad de corte. La vela levanta y endereza la hoja de hierba, así produciendo un corte uniforme. No obstante, la vela se desgasta gradualmente durante la operación, degradando la calidad de corte, aunque los filos de corte se mantengan afilados. El filo de corte de la cuchilla debe estar afilado para que la hierba se corte, no se desgarre. Si las puntas de las hojas de hierba tienen un aspecto marrón y desgarrado, el filo no está afilado. Afile la cuchilla para corregir esta condición.
Coloque la máquina en una superficie nivelada, eleve la unidad de corte, accione el freno de estacionamiento, ponga el pedal de tracción en PUNTO MUERTO, asegúrese de que el mando de la TDF está en la posición de DESENGRANADO, apague el motor y retire la llave.
Examine cuidadosamente los extremos de corte de la cuchilla, sobre todo en el punto donde convergen la parte plana y la parte curva de la cuchilla, tal y como se muestra en Figura 111.
Note: Puesto que la arena y cualquier material abrasivo pueden desgastar el metal que conecta las partes curva y plana de la cuchilla, compruebe la cuchilla antes de utilizar el cortacésped. Si se aprecia desgaste, cambie la cuchilla (Figura 111).

Inspeccione los filos de todas las cuchillas.
Afílelos si están romos o tienen mellas (Figura 112).

Note: Afile únicamente la parte superior del filo y mantenga el ángulo de corte original para asegurar un afilado correcto.
Note: La cuchilla permanecerá equilibrada si se retira la misma cantidad de metal de ambos bordes de corte.
Note: Retire las cuchillas y afílelas con una muela. Después de afilar los filos de corte, instale la cuchilla con el protector de césped y el perno de la cuchilla; consulte Retirada e instalación de las cuchillas de la unidad de corte.
Si hay desajustes entre las cuchillas de una sola unidad de corte, la hierba tendrá un aspecto rayado después de la siega. Este problema se puede corregir asegurándose de que las cuchillas están rectas.
Con un nivel de carpintero de 1 metro de largo, busque una superficie nivelada en el suelo del taller.
Eleve la altura de corte a la posición más alta; consulte Ajuste de la altura de corte.
Baje la unidad de corte corte sobre una superficie plana y retire las cubiertas de la parte superior de la unidad de corte.
Gire las cuchillas hasta que los extremos estén orientados hacia adelante y hacia atrás.
Mida desde el suelo hasta la punta delantera del filo de corte. Anote esta condición.
Gire la misma cuchilla de manera que el otro extremo apunte hacia adelante y mídalo de nuevo.
Note: La diferencia entre las dimensiones no debe superar los 3 mm. Si la dimensión supera los 3 mm, cambie la cuchilla, porque está doblada. Mida todas las cuchillas.
Compruebe que la carcasa está nivelada lateralmente y ajústela según sea necesario.
Instale las cubiertas de las correas.
Important: Tenga cuidado alrededor de las juntas y las luces de la cabina (Figura 113). Si está utilizando un lavador a presión, mantenga la vara al menos a 0,6 m de distancia de la máquina. No utilice un lavador a presión directamente sobre las juntas y las luces de la cabina o bajo el voladizo trasero.

| Intervalo de mantenimiento y servicio | Procedimiento de mantenimiento |
|---|---|
| Cada 250 horas |
|
Retire los tornillos y las rejillas que cubren el filtro interior y el trasero de la cabina (Figura 114 y Figura 115).


Limpie los filtros con aire comprimido limpio y libre de aceite.
Important: Si cualquiera de los dos filtros está agujereado, desgarrado o tiene otros desperfectos, cámbielo.
Instale los filtros y la rejilla con los tornillos.
El prefiltro de la cabina evita que entren residuos grandes como hierba y hojas en los filtros de la cabina.
Baje la tapa de la rejilla.
Limpie el filtro con agua.
Important: No utilice un sistema de lavado a presión.
Note: Si el filtro está agujereado, desgarrado o tiene otros desperfectos, cámbielo.
Deje que el prefiltro se seque antes de instalarlo en la máquina.
Gire la rejilla del filtro sobre las pestañas hasta que el resbalón se bloquee en el cerradero (Figura 116).

| Intervalo de mantenimiento y servicio | Procedimiento de mantenimiento |
|---|---|
| Cada 250 horas |
|
Desconecte el cable de cada ventilador.

Retire los dos pomos y el conjunto del ventilador.
Abra los cuatro cierres del conjunto del aire acondicionado y retire la rejilla.

Retire los filtros de aire (consulte Figura 115).
Limpie el conjunto del aire acondicionado.
Instale los filtros de aire, la rejilla y el conjunto del ventilador (Figura 115, Figura 117 y Figura 118).
Conecte el cable de cada ventilador (Figura 117).
Apague el motor, retire la llave y espere a que se detenga todo movimiento antes de dejar el puesto del operador. Deje que la máquina se enfríe antes de realizar ajustes, tareas de mantenimiento y de limpieza o de guardarla.
No guarde la máquina o un recipiente de combustible en un lugar donde pudiera haber una llama desnuda, chispas o una llama piloto, por ejemplo en un calentador de agua u otro electrodoméstico.
Important: No utilice agua reciclada o salada para limpiar la máquina.
Limpie a fondo la unidad de tracción, las unidades de corte y el motor.
Compruebe la presión de los neumáticos. Infle todos los neumáticos de la unidad de tracción a 0,83–1,03 bar.
Compruebe que todos los herrajes están bien apretados; apriételos si es necesario.
Engrase todos los engrasadores y de pivote. Limpie cualquier exceso de lubricante.
Lije suavemente y aplique pintura de retoque a cualquier zona pintada que esté rayada, desconchada u oxidada. Repare cualquier desperfecto de la carrocería.
Preparación de la batería y los cables:
Retire los terminales de los bornes de la batería.
Note: Desconecte primero el terminal negativo y luego el positivo. Conecte primero el terminal positivo y luego el negativo.
Limpie la batería, los terminales y los bornes con un cepillo de alambre y una solución de bicarbonato.
Aplique una capa de grasa Grafo 112X (Pieza Nº 505-47) o de vaselina a los terminales de los cables y a los bornes de la batería para evitar la corrosión.
Recargue la batería lentamente durante 24 horas cada 60 días para evitar el sulfatado de plomo de la batería.
Vacíe el aceite de motor del cárter y vuelva a colocar el tapón de vaciado.
Retire y deseche el filtro de aceite. Instale un filtro de aceite nuevo.
Vuelva a llenar el cárter con la cantidad estipulada de aceite de motor.
Gire la llave en el interruptor hasta la posición de CONECTADO, arranque el motor y déjelo funcionar a velocidad de ralentí durante aproximadamente 2 minutos.
Gire la llave en el interruptor hasta la posición de DESCONECTADO.
Vacíe completamente todo el combustible del depósito, de los tubos y del filtro de combustible/separador de agua.
Enjuague el depósito de combustible con combustible diésel limpio y nuevo.
Apriete todos los elementos del sistema de combustible.
Realice una limpieza y un mantenimiento completos del conjunto del limpiador de aire.
Selle la entrada del limpiador de aire y la salida del tubo de escape con cinta impermeabilizante.
Compruebe la protección anticongelante y rellene en caso de necesidad según la temperatura mínima prevista en su región.