Important: Este kit só pode ser instalado em máquinas Groundsmaster e3200 com um número de série igual ou superior a 417500000.
Estacione a máquina numa superfície nivelada.
Certifique-se de que o travão de estacionamento se encontra engatado.
Desligue o motor e retire a chave da ignição.
Rode o interruptor de desligar a bateria para a posição DESLIGAR.
Peças necessárias para este passo:
| Alarme de segurança | 1 |
| Parafuso de carroçaria (5/16 x ¾ pol.) | 2 |
| Porca flangeada (5/16 pol.) | 2 |
| Fixador de pressão | 1 |
| Braçadeira de cabos | 1 |
| Suporte de montagem | 1 |
| Parafuso de carroçaria (¼ x ¾ pol.) | 2 |
| Porca flangeada (¼ pol.) | 2 |
| Cablagem | 1 |
Utilize 2 parafusos de carroçaria (¼ pol. x ¾ pol.) e duas porcas flangeadas (¼ pol.) para prender o alarme dao suporte de montagem (Figura 1).

Utilize as porcas existentes no alarme para prender os terminais de anel da cablagem ao alarme (Figura 2).

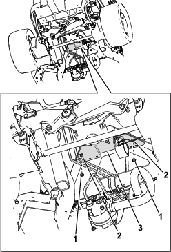
Utilize 2 parafusos de carroçaria (5/16 pol. x ¾ pol.) e duas porcas de bloqueio (5/16 pol.) para prender o suporte de montagem da buzina à estrutura da unidade de tração (Figura 3).

Utilize uma braçadeira de cabos e um fixador de pressão para prender a cablagem à estrutura da máquina (Figura 4).

Levante o capot e encaminhe a perna da cablagem (Figura 5) em direção aos conectores acima da tampa do depósito hidráulico e ligue-a ao conector da cablagem da máquina identificado com DRIVING LIGHT KIT POWER.

Realize os seguintes passos para assegurar que o alarme de segurança está a trabalhar.
Rode o interruptor de desligar a bateria para a posição LIGAR.
Sente-se no banco do operador, aperte o cinto, ligue a máquina e pressione a parte inferior do pedal de tração para mover a unidade de tração em marcha-atrás.
Oiça o alarme.