Important: Deze set kan enkel worden gemonteerd op Groundsmaster e3200 machines met serienummer 417500000 en hoger.
Parkeer de machine op een horizontaal oppervlak.
Zorg dat de parkeerrem in werking is gesteld.
Schakel de machine uit en verwijder het contactsleuteltje.
Draai de afkoppelschakelaar van de accu op UIT.
Benodigde onderdelen voor deze stap:
| Achteruitrijalarm | 1 |
| Slotbout (5/16" x ¾") | 2 |
| Flensmoer (5/16") | 2 |
| Druknagel | 1 |
| Kabelbinder | 1 |
| Montagebeugel | 1 |
| Slotbout (¼" x ¾") | 2 |
| Flensmoer (¼") | 2 |
| Kabelboom | 1 |
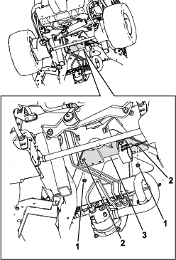
Gebruik 2 slotbouten (¼" x ¾") en 2 flensmoeren (¼") om het alarm aan de montagebeugel te bevestigen (Figuur 1).

Gebruik de aanwezige moeren op het alarm om de ringconnectoren van de kabelboom aan het alarm te bevestigen (Figuur 2).

Gebruik 2 slotbouten (5/16 x ¾") en 2 flensmoeren (5/16") om de montagebeugel aan het frame van de tractie-eenheid te bevestigen (Figuur 3).

Gebruik een kabelbinder en een druknagel om de kabelboom aan het frame van de machine te bevestigen (Figuur 4).

Til de motorkap op en leid het uiteinde van de kabelboom (Figuur 5) naar de connectoren boven de kap van de hydraulische tank en sluit deze aan op de connector van de kabelboom van de machine met de aanduiding DRIVING LIGHT KIT POWER

Voer de volgende stappen uit om te controleren of het achteruitrijalarm werkt.
Draai de afkoppelschakelaar van de accu op AAN.
Ga op de bestuurdersstoel zitten, maak de veiligheidsgordel vast, schakel de machine in en druk op de onderkant van het tractiepedaal om de tractie-eenheid achteruit te laten rijden.
Let op het geluid van het alarm.