Important: Dette sæt kan kun monteres på Groundsmaster e3200-maskiner med serienummer 417500000 og opefter.
Parker maskinen på en plan overflade.
Sørg for, at parkeringsbremsen er aktiveret.
Sluk maskinen, og tag nøglen ud.
Drej batteriets afbryderkontakt hen til positionen OFF (fra).
Dele, der skal bruges til dette trin:
| Bakalarm | 1 |
| Bræddebolt (5/16" x ¾") | 2 |
| Flangemøtrik (5/16") | 2 |
| Skubbefastgørelsesanordning | 1 |
| Kabelbånd | 1 |
| Monteringsbeslag | 1 |
| Bræddebolt (¼" x ¾") | 2 |
| Flangemøtrik (¼") | 2 |
| Ledningsnet | 1 |
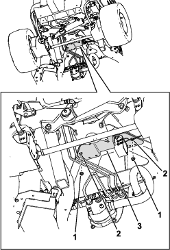
Brug 2 bræddebolte (¼" x ¾") og 2 flangemøtrikker (¼") til at fastgøre alarmen til monteringsbeslaget (Figur 1).

Brug de eksisterende møtrikker på alarmen til at fastgøre ledningsnettets ringklemmer til alarmen (Figur 2).

Brug 2 bræddebolte (5/16" x ¾") og 2 flangemøtrikker (5/16") til at fastgøre monteringsbeslaget til traktionsenhedens stel (Figur 3).

Brug et kabelbånd og en skubbefastgørelsesanordning til at fastgøre ledningsnettet til maskinstellet (Figur 4).

Løft motorhjelmen, og før ledningsnettets ben (Figur 5) mod stikkene over hydrauliktankens dæksel, og slut det til maskinens ledningsnetstik, der er mærket DRIVING LIGHT KIT POWER (strøm til kørelyssæt).

Udfør følgende trin for at sikre, at bakalarmen virker.
Drej batteriets afbryderkontakt til positionen ON (til).
Sæt dig i førersædet, spænd sikkerhedsselen, tænd maskinen, og træd på den nederste del af traktionspedalen for at køre traktionsenheden baglæns.
Lyt efter alarmlyden.